62554 (588804), страница 4
Текст из файла (страница 4)
3.11 Блок самоконтроля SAMOCONTROL _1
Формируемые, в результате работы устройства сопряжения, сигналы МАИ и СЕВЕР, несут в себе важную информацию об угловом положении антенной системы локатора, поэтому любые изменения их параметров (временного расположения, длительности, периода следования), могут привести к ошибкам в работе всей системы. Поэтому для более надежной работы схемы, а также предотвращения возникновения аварийной ситуации, дополнительно была создана схема, осуществляющая контроль основных параметров формируемых импульсов, структурная схема, которой представлены на рисунке 28.
Рисунок 28 - Структурная схема работы блока самоконтроля
Временные диаграммы работы блока SAMOCONTROL 1 представлены на рисунках 29 и 30.
Рисунок 29 – Временные диаграммы работы блока SAMOCONTROL 1
Импульсы IMP являются эталонными и, результатом регистрации их переднего и заднего фронтов, является запуск счетчика синхроимпульсов, формирующего строб аварии, досчитав до определенного числа (Число устанавливается в разделе констант программы блока значением NUM _1МР = 19). Появление импульса CONTR _1МР во время работы счетчика вызывает его сброс, и работа схемы начинается заново, осуществляя нормальный режим работы устройства.
Таким образом, блок SAMOCONTROL _1 проверяет задержку, возникающую между эталонными импульсами МАИ и СЕВЕР, и импульсами, прошедшими каскады усилителей мощности, необходимые для передачи сигналов в блоки АС, АПД и АПОИ и формирует сигнал АВАРИЯ, при ее не соблюдении. Так как, согласно ТЗ, необходимо формировать 2-а вида импульсов для двух комплектов АС, АПД, АПОИ, то общее число отправляемых импульсов МАИ и СЕВЕР равно 12, поэтому общее число блоков, осуществляющих самоконтроль формируемых сигналов также равно 12. Блоки SAMOCONTROL_1...12 являются независимыми друг от друга и работают каждый со своими сигналами.
Для уменьшения размеров общей функциональной схемы устройства, и улучшения ее восприятия, вышеуказанные блоки самоконтроля объединены в один блок SAMOCONTROL, осуществляющий формирование общего сигнала АВАРИЯ и сигналов состояния устройства, идущих на систему индикации.
3.12 Блок AVARIYA
Согласно ТЗ на разрабатываемое устройство, кроме формирования вышеуказанных сигналов, схемой устройства должны формироваться специальные сигналы АВАРИЯ 1 и АВАРИЯ 2, необходимые для информирования других устройств о возникновении неисправности. За создание этих сигналов отвечает добавленный в общий проект блок - AVARIYA, временные диаграммы и алгоритм работы которого показаны на рисунках 31 и 32 соответственно.
Рисунок 31 - Временные диаграммы работы блока AVARIYA
Как видно из рисунка 31 формирование сигналов AVARIYA_1 и AVARIYA_2 с активными низкими уровнями происходит при возникновении неисправности на выходе соответствующего буферного каскада, добавляя тем самым возможность контроля вышеуказанных и предотвращения режима неправильной работы устройства.
3.13 Блок SIGNALS
Создание и добавление этого блока в общую функциональную схему устройства было продиктовано тем, что, работая под воздействием различных внешних и внутренних сигналов управления, схема, сформировав сигналы МАИ и СЕВЕР, должна обеспечить их передачу на определенные комплекты АС, АПД и АПОИ, поэтому устройство сопряжения осуществляет переключение сформированных импульсов и направляет их на разную выходную аппаратуру.
В связи с наличием большого количества сигналов управления данный блок представляет собой, написанную на языке описания цифровых схем, программу, и имеет в качестве входных переменных - сигналы управления и сформированные разными блоками устройства под их воздействием импульсы МАИ и СЕВЕР, а выходных - сигналы, идущие непосредственно в соответствующие комплекты АС, АПД и АПОИ. Блок SIGNALS осуществляет следующие функции:
При включении режима WORK на 1 и 2 комплект АС, АПД и АПОИ передаются импульсы являющиеся результатом операции логическое ИЛИ между сформированными 1-ми 2-м формирователями сигналов МАИ и СЕВЕР, обеспечивая, таким образом, передачу сформированных сигналов даже в случае возникновения неисправности первого оптического датчика.
При включении режима USTIROVKA, являющегося режимом настройки оптических датчиков, на 1-ый комплект АС, АПД и АПОИ блоком SIGNALS посылаются импульсы, формирующиеся блоком первого формирователя, а на 2-ой комплект - импульсы, идущие с блока 2-го формирователя, обеспечивая тем самым работу с двумя датчиками одновременно.
При включении режима IMITATOR, блок SIGNALS на оба комплекта АС, АПД и АПОИ посылает импульсы, формирующиеся блоком встроенного имитатора, а при появлении одного из сигналов управления IM _ 1 _ COMPLECT или IM_2_COMPLECT на соответствующий комплект АС, АПД и АПОИ осуществляет передачу импульсов от имитатора, а на другой - импульсов МАИ и СЕВЕР, создающихся первым или вторым формирователями после выполнения над ними логической операции ИЛИ.
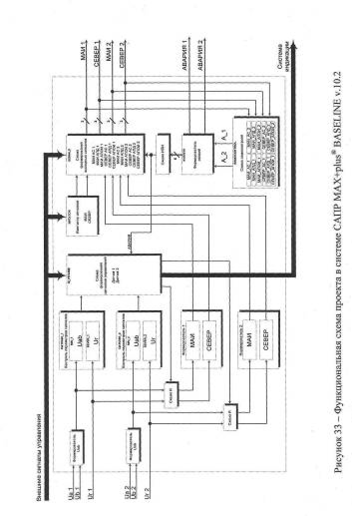
Работа в режиме 10 - местного управления характеризуется тем, что, при наличии дополнительных сигналов МУ _Д1, МУ_Д2 или МУ _ИМ на все комплекты АС, АПД, АПОИ блок SIGNALS передает импульсы, сформированные в результате работы блоков IMITATOR, F_1 или F_2 под воздействием вышеуказанных сигналов, объединенных с помощью блока XOR_3. Общая функциональная схема проекта в системе САПР MAX+plus® BASELINE v. 10.2. представлена на рисунке 33.
4. Выбор ПЛИС и ПЗУ
Выбор микросхемы ПЛИС, в которую предполагается загрузить весь составленный проект, осуществим следующим образом:
При постепенном добавлении разработанных блоков в общий проект происходит увеличение функциональной схемы устройства, при этом увеличивается как число используемых входов и выходов, так и используемые внутренние ресурсы самой микросхемы. Все это приводит к постепенному переходу от самых простых программируемых микросхем к более сложным. Процесс выбора микросхемы помогает осуществить компилятор САПР МАХ + plus [2], проверяющий израсходованные ресурсы микросхемы.
С помощью компилятора системы остановим свой выбор на микросхемах серии FLEX. Конкретную модель выберем исходя из следующих соображений:
Так как число используемых пользователем входов-выходов микросхемы строго заданы фирмой производителем, выберем микросхему с числом входов-выходов максимально близким к требующимся разработанным проектом.
Так как напряжение оптических датчиков антенны, согласно ТО, равно 5 В выберем микросхему с напряжением питания равным 5 В. Так как максимальная частота - частота синхронизации равна 20 МГц, остановим свой выбор на микросхеме FLEX10К20ТС144 - 3.
Согласно требованиям на микросхемы FLEX 10K20TC144 - 3, в качестве ПЗУ фирма ALTERA рекомендует использовать два вида микросхем: ЕРС1 и ЕРС 2. Достоинством микросхем ЕРС1 является низкая стоимость, но данные микросхемы не позволяют в случае необходимости осуществлять перепрограммирование с помощью компьютера. Более эффективными ПЗУ являются микросхемы ЕРС2, позволяющие осуществить изменение проекта внутри ПЛИС, подключая специальный кабель BYTEBLUSTER к заранее предусмотренному разъему, находящемуся на разработанной плате. Останов* свой выбор на микросхеме ЕРС2.
5. Выбор системы индикации
Согласно ТЗ, устройство должно иметь систему индикации. В качестве основных параметров, подвергающихся визуальному контролю, целесообразно будет выбрать сигналы, приведенные в таблице 1. В качестве элементов световой индикации выберем светодиоды фирмы KingBright, имеющей большое разнообразие светодиодов различающихся между собой цветом, яркостью направленностью свечения и размерами. Сигналы не требующих каких-либо действий со стороны пользователя, и обеспечивающие нормальную работу устройства выберем зеленым цветом, а сигналы приводящие к возникновению аварии или необходимые для немедленного обращения внимания, выберем красными. Так как одним из необходимых для индицирования сигналов является сигнал UHUDSHENIE, целесообразно будет выбрать его желтым цветом Выберем следующие светодиоды:
L1464 SGD - зеленый цвет,
L1464 SR D - красный цвет,
L1464SY D -желтый цвет.
Таблица 1 - Индицируемые сигналы состояния
| Название сигнала | Цвет |
| ВЫХ АСХ НОРМА | ЗЕЛЕНЫЙ |
| ВЫХ АПОИХ НОРМА | ЗЕЛЕНЫЙ |
| ВЫХ АПД1 НОРМА | ЗЕЛЕНЫЙ |
| ВЫХ АС2 НОРМА | ЗЕЛЕНЫЙ |
| ВЫХ АПОИ2 НОРМА | ЗЕЛЕНЫЙ |
| ВЫХ АПД2 НОРМА | ЗЕЛЕНЫЙ |
| ДАТЧИК 1 РАБОТА | ЗЕЛЕНЫЙ |
| ДАТЧИК 2 РАБОТА | ЗЕЛЕНЫЙ |
| ИМИТАТОР | ЗЕЛЕНЫЙ |
| ЮСТИРОВКА | ЗЕЛЕНЫЙ |
| МУ | ЗЕЛЕНЫЙ |
| МУ ДАТЧИК 1 | ЗЕЛЕНЫЙ |
| МУ ДАТЧИК 2 | ЗЕЛЕНЫЙ |
| МУ ИМИТАТОР | ЗЕЛЕНЫЙ |
| UHUDSHENIE | ЖЕЛТЫЙ |
| ВЫХ АС\ АВАРИЯ | КРАСНЫЙ |
| ВЫХ АПОИХ АВАРИЯ | КРАСНЫЙ |
| ВЫХ АПДХ АВАРИЯ | КРАСНЫЙ |
| ВЫХ АС2 АВАРИЯ | КРАСНЫЙ |
| ВЫХ АП0И2 АВАРИЯ | КРАСНЫЙ |
| ВЫХ АПД2 АВАРИЯ | КРАСНЫЙ |
| АВАРИЯ | КРАСНЫЙ |
| АВАРИЯ 1 | КРАСНЫЙ |
| АВАРИЯ 2 | КРАСНЫЙ |
6. Описание принципиальной схемы устройства
Все активные элементы на плате требуют питания 5 В и, согласно ТЗ, необходимо осуществить преобразование входного напряжения 27 В в напряжение 5 В, а также осуществлять управление включением и выключением питания оптических датчиков, необходимо использовать дополнительные управляемые преобразователи напряжения.
В качестве источников питания выберем модули питания фирмы ИРБИС Данные модули являются высокоэффективными преобразователями, изготовленными с использованием технологии поверхностного монтажа на импортной элементной базе. Кроме этого модули имеют гальваническую развязку, высокую стабильность выходного напряжения, защиту от перегрузки и короткого замыкания, а также малые габариты и вес.
Так как, согласно ТО на ПЛИС фирмы ALTERA, микросхема FLEX 10K20TC144 - 3 требует наличия подтягивающих к напряжению питания резисторов сопротивлением 1 КОм, выберем в качестве последних резисторы С2-33 и резистивную матрицу - Б19К-2-1 КОм±10% Обычно данным микросхемам требуется наличие емкостей по питанию для сглаживания возникающих пульсаций, согласно рекомендации фирмы ALTERA выберем следующие конденсаторы:
-
керамические - К10-17в-Н90-0.1 мкФ.
-
электролитические - К10-17б-Н90-2.2 мкФ.
Схемы ТТЛ имеют определенные ограничения на длительность переднего и заднего фронтов входных импульсов и не реагируют на медленно изменяющиеся сигналы, поэтому для формирования крутых фронтов будем использовать микросхемы 533ТЛ2, являющимися объединенными в один корпус 6-ю триггерами Шмидта.
Для обеспечения работы блока системы индикации будем использовать микросхемы 530ЛН2, являющиеся 6-ю элементами НЕ с открытым коллектором, так как для их работы необходимы подтягивающие к напряжению питания резисторы, выберем в качестве последних - резисторы С2-33-0.125-510 Ом±10%-А-Д-В.
Для усиления формируемых микросхемой импульсов будем использовать буферные каскады, организованные на транзисторах 2ТЗ117А.
Для создания синхроимпульсов, частотой 20 МГц, будем использовать типовую схему кварцевого генератора с резонатором - К1-4ДС-20М,
Для реализации возможности перепрограммирования микросхемы, в качестве разъема для подключения кабеля BYTEBLASTER выберем IDC BH10R.
7. Расчет тока потребления















