62397 (588780), страница 5
Текст из файла (страница 5)
Рис. 2.4
Крім того, застосування MC34063 дозволяє досить легко одержати інверсну напругу, необхідне для живлення операційного підсилювача. Типова схема такого підключення показана на рис .2.5. (Схема включення MCP34063 у режимі Inverting)
Рис. 2.5
Зробимо розрахунок параметрів схеми.
Вхідні дані: бажана вихідна напруга Vout = 5B, мінімальна вхідна напруга Vin = 7B, мінімальна частота коливань Fmin = 200 кГц.
З [17] отримуємо Vsat = 1.5 В.
Відношення часів вмикання/вимикання:
.
мкс.
Тоді з попередніх формул час вимикання:
мкс,
мкс.
Значення ємності дорівнює:
мкФ.
Значення індуктивності дорівнює:
мкГн.
Аналогічні номінали елементів використовується і для схеми включення, що інвертує.
2.3. Розрахунок підсилювача.
В якості схеми підсилювача виберемо стандартну схему включення транзистора із загальним емітером (Рис. 2.6) . Роздільний конденсатор С1 служить для передачі на вхід транзистора VT1 посилюваної змінної напруги, а також виключає влучення на вхід транзистора постійної напруги. Резистори R1 і R2 утворюють дільник для отримання необхідної напруги зсуву на базі транзистора. Резистор R1 і конденсатор C2 забезпечують температурну стабілізацію роботи підсилювача. У даній схемі резистор RН є навантаженням.
Рис. 2.6
Як транзистор VT1 виберемо широко розповсюджений КТ 315 Д з наступними параметрами:
-
максимальний струм колектора I ДО MAX = 100 м А ;
-
максимальна напруга колектор - емітер U КЭ MAX = 40 В ;
-
максимальна розсіювана потужність транзистора P МАХ = 150 м Вт ;
-
статичний коефіцієнт передачі h 21
50 .
Напруга живлення U П приймемо рівним 9 В , тоді для визначення робочого режиму виберемо дві крайні точки : (U КЭ = U П , I K = 0) і (U КЭ = 0, I K ), де U КЭ - напруга колектор - емітер , I K - максимальний струм у навантаженні:
I K =
=
= 45 (м А).
Для нормальної роботи транзистора виберемо робочу крапку :
I K0 =
=
23 (м А),
U КЭ0 =
=
= 4.5 (В).
Тоді потужність, що виділяється в транзисторі :
P K0 = I K0 * U КЭ0 = 23 * 4.5 = 103.5 ( м Вт),
що не перевищує максимальну розсіювану потужність транзистора P МАХ = 150 м Вт. Потужність, споживана підсилювачем від джерела живлення :
P 0 = I K0 * U П = 23 * 9 = 207 ( м Вт).
Для схеми із загальним емітером коефіцієнт підсилення по струму k i приблизно дорівнює статичному коефіцієнту передачі h 21 . Базовий струм транзистора :
I Б0 =
=
= 0.46 (м А).
Тепер визначимо номінали резисторів :
R1
, R2
, R3
, де
I Д - струм через дільник, I Д
4* I Б0 .
R1
3.9 (до Ом) ,
R2
560 (Ом) ,
R3
1 (до Ом) .
Коефіцієнт підсилення по напрузі визначається як : k u =
.
Звідси вхідний опір транзистора :
R ВХ =
=
= 125 (Ом).
Ємність конденсатора С1 розраховується виходячи з того, що його опір по змінному струмові на найнижчій частоті повинен бути в багато разів менше вхідного опору :
С1
= 42.46 (мкФ).
Вибираємо найближчий - 50 мкФ.
Для заданої смуги частот ємність конденсатора С2 повинна бути рівной десяткам мікрофарад, візьмемо 20 мкФ.
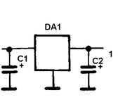
Тепер розрахуємо стабілізатор напруги з необхідними параметрами. Вхідні ланцюги блока живлення складаються з понижувального мережного трансформатора й мостового випрямляча. Схема стабілізатора напруги показана на рис. 2.7
Рис.2.7
Тому що споживана схемою потужність невелика, як стабілізатор DA1 візьмемо спеціально призначену мікросхему ДО142ЕН8А, що забезпечує вихідна напруга + 9 В и струм у навантаженні до 1 А. Дана мікросхема забезпечує коефіцієнт пульсацій на виході приблизно 0.03, що задовольняє завданню. Для нормальної роботи напруга на вході мікросхеми повинна бути не менш 12 Вольтів, тому конденсатори С1 і С2 вибираємо на робочу напругу 25 В и ємністю 500 мкФ.
2.4. Можливості оператора
Для приладу вимірювання шуму потрібен оператор, людина, що буде знімати та аналізувати отриманні данні. Утворена система з людини та приладу (машини) розглядається, як загальне ціле.
Будь-яка система людина-машина (далі СЛМ) покликана задовольняти певні потреби людини або суспільства. Для цього вона повинна мати низку властивостей, які закладаються під час її проектування і реалізуються у процесі її експлуатації. Згідно з державним стандартом ДЕСТ 2.116-71, властивість СЛМ — це об'єктивна особливість, яка виявляється в процесі експлуатації. Кількісна характеристика певної властивості системи має назву показника якості СЛМ, тобто кожна СЛМ має нескінченну множину властивостей, що визначають її якість. Під якістю розуміють сукупність властивостей, які характеризують ступінь придатності системи для використання її за призначенням, тобто її ефективність.
Нині поряд з основними показниками розробки та експлуатації технічних систем (продуктивність, надійність, економічність) різко зросло значення таких показників, як ергономічність, екологічність, естетичність, котрі забезпечують досягнення соціальної ефективності нової техніки. Використання досягнень інженерної психології при проектуванні техніки й умов її функціонування сприяє підвищенню ефективності і якості праці, зручності експлуатації та обслуговування техніки, скороченню термінів її освоєння, поліпшенню умов праці, економії витрат фізичної і нервово-психічної енергії працюючої людини, підтриманню її високої працездатності. Участь людини-оператора у функціонуванні СТЛС зумовлює наявність специфічних властивостей, які визначають інтегральні характеристики зв'язку людини і машини в конкретних умовах зовнішнього середовища. Сукупність цих специфічних властивостей, котрі забезпечують можливість динамічної взаємодії людини з технічними засобами з метою виконання системою поставлених завдань у заданих умовах експлуатації, можна назвати ергономічністю системи. Ця інтегральна характеристика забезпечується певними інженерно-психологічними властивостями - системи, зокрема швидкодією, точністю, надійністю і напруженістю діяльності оператора.
Швидкодія, характеризується, часом проходження. Інформації до, замкненому колу «людина - машина», а точніше, часом функціонування СЛМ до досягнення певної мети, тобто тривалістю циклу регулювання:
Де
t — час обробки інформації в і-й ланці СЛМ;
k - кількість ланок СЛМ, в ролі яких виступають і технічні системи, і оператори.
Наприклад: t=1с, а ланок 4, тоді маємо Tu= 14
Цикл регулювання — це проміжок часу, за який виникає відхилення у системі і відбувається його ліквідування, тобто система стає такою, як задано програмою. Розглянемо цю характеристику на прикладі простої одно-контурної схеми регулювання.
Припустимо, що оператор повинен витримувати технічні параметри системи в заданих межах. Один із цих технічних параметрів, незалежно від дій оператора, почав відхилятися від заданого значення n1, до значення n0 котре розглядається як порушення в роботі системи. Інформація про це порушення з'явиться на приладах за час t1, який зумовлений інертністю системи вимірювання. Для її знаходження, сприйняття, обробки і прийняття рішення операторові необхідний певний, час tг Крім цього, для виконання певних керуючих дій теж потрібен певний час —t3, а для їхнього тривання в системі, з метою приведення цього параметра в норму, також необхідний певний час — t4. Таким чином, проходження інформації по контуру управління визначається сумарним часом затримки інформації в окремих складових системи «людина — машина». Час проходження інформації; технічних частинах СЛМ (
і
) зумовлений технічними характеристиками системи. Час, необхідний на сприйняття інформації, прийняття рішень і виконання керуючих дій (
і
), залежить від самого оператора, цілей та умов його діяльності:
Наприклад
=
=0,5с, t3=2с, t2=2,5с
=0,5+0,5+2+2,5=5,5с
Таким чином, оператор керує системою і регулює її ро-відповідно до певної програми, яка має часові характеристики. Виконання цієї програми залежить від технічних характеристик системи, які зумовлюють зовнішні,
технічні, часові обмеження. Крім цього, людині-оператору притаманні свої внутрішні, психофізіологічні властивості, які теж зумовлюють певні часові обмеження. При цьому ці внутрішні обмеження можуть змінюватися залежно від функціонального стану оператора. Ось чому досягнення однієї і тієї ж мети відбувається по-різному не тільки у різних операторів, але і в одного й того ж.
Та в конкретних умовах діяльності певний оператор може не відчуваючи напруження, витратити мінімальний час на знаходження, сприйняття, переробку інформації і прийняття рішень (
), а також на введення цього рішення у систему через керуючі дії (
). За таких умов час циклу регулювання буде мінімальним:
Ящо витрачати на
та на
хоча б по 5 сек, то
буде дорівнювати 11 секунд. Ця характеристика є показником внутрішніх обмежень оператора, його швидкісних можливостей, які залежать від швидкості перебігу нервових процесів.
Тепер звернемо увагу на зовнішні обмеження, які необхідно враховувати в діяльності оператора. Розглянемо той самий приклад, але припустимо, що оператор, сприйнявши відхилення параметра п за час
, не реагував на нього, і воно (відхилення параметра п) наростало й надалі. Характер відхилення параметра п наведений на рис. 2.4. Характер залежності циклу регулювання (
) від параметра n















