193218 (588737), страница 3
Текст из файла (страница 3)
Главными требованиями, предъявляемыми к блоку аналого-цифрового преобразования являются точность и время преобразования.
Блок сопряжения устройства с ПЭВМ должен обеспечивать интерфейс между модулем и персональным компьютером по стандарту ISA, выполнять вспомогательные функции по буферизации используемых сигналов шины модуля и синхронизации работы составных частей устройства.
Блок согласования и развязки должен осуществлять функции сопряжения составных частей устройства.
Необходимо отметить, что следует добиваться минимальной «паразитной» задержки сигнала во всех составных частях устройства (изначально определяющими являются задержки в блоке аналого-цифрового преобразователя и коммутатора, однако применяемая элементная база может внести существенные коррективы во временной баланс [4]).
Как уже было отмечено выше, основная логическая обработка сигнала в разрабатываемой системе возлагается на средства ПЭВМ, в которую встраивается проектируемый модуль.
Реализация вышеизложенных положений по структурному построению аппаратных средств разрабатываемого модуля приведена на схеме электрической структурной БГУИ.411117.001Э1.
После выбора и обоснования структурного построения разрабатываемой системы следует определить те конструкторские расчеты, которые необходимо выполнить в процессе проектирования.
Проведение того или иного конструкторского расчета обуславливается тремя факторами: 1) заданными в ТЗ количественными требованиями к разработке, выполнение которых необходимо подтвердить (в частности, параметры надежности и технологичности); 2) необходимостью получения численных данных для проектирования (конструктивно-технологический и электрический расчеты элементов печатного монтажа (ЭПМ)); 3) математической проверкой принятых инженерных решений (расчет вибропрочности).
Таким образом, в рамках данного проекта предполагается выполнение следующих конструкторских расчетов: 1) надежности; 2) конструктивно-технологический ЭПМ; 3) электрический ЭПМ; 4) вибропрочности; 5) технологичности. Кроме этого, в исследовательской части проекта предполагается выполнить теоретический расчет теплового режима экспериментально исследуемого системного блока ПЭВМ.
Исходя из представленных возможностей требуемого интерфейса между модулем и ПЭВМ (стандарт ISA), а также из соображений целесообразности (соответствие между функциональными задачами модуля и персонального компьютера, в который он встраивается), наиболее рациональным способом взаимодействия технических и программных средств модуля АЦП и ПЭВМ для разрабатываемой системы является использование системы прерываний ПЭВМ.
Как известно, главная задача механизма прерываний заключается в предоставлении микропроцессору эффективного средства для быстрого отклика на непредсказуемые события. Обработка прерываний, выполняемая таким механизмом, повышает пропускную способность вычислительной системы, позволяя периферийным устройствам выдавать на микропроцессор запросы на обслуживание в тех случаях, когда они в нем нуждаются [6]. Это гораздо эффективнее опроса периферийных устройств микропроцессором с целью выявления того, необходимо ли им обслуживание.
Прерывания, которые, как правило, связаны с внешними по отношению к микропроцессору устройствами (модули расширения, дисковые накопители, принтеры), получили название аппаратных прерываний. Все запросы на аппаратные прерывания из системной шины направляются через контроллеры прерываний 8259A. Эти контроллеры генерируют запросы прерываний на вход INTR микропроцессора, которые могут маскироваться в процессоре.
Контроллеры прерываний могут принимать сигналы прерываний от нескольких устройств, назначать им приоритеты и прерывать работу процессора.
В архитектуре PC AT подсистема аппаратных прерываний состоит из двух контроллеров 8259А (главного - MASTER и подчиненного - SLAVE). Они объединены таким образом, что могут обслужить 15 запросов на прерывания.
Инициализация и установка режимов работы контроллера выполняется путем его программирования как устройства ввода-вывода с помощью команд байтного ввода-вывода OUT и IN микропроцессора.
Установка контроллера в исходное состояние и определение алгоритма обслуживания прерываний, а также его изменение в процессе работы осуществляют с помощью команд контроллера двух типов: команд инициализации (ICW) и рабочих команд (OCW).
Кoнтроллер может выполнять следующий набор операций: маскирование - индивидуальное маскирование запросов, специальное маскирование обслуживаемых запросов; установку статуса уровней приоритета по установке исходного состояния, по обслуженному запросу, по указанию; окончание прерываний – обычное и специальное, а также автоматическое; чтение регистра запросов, регистра обслуженных запросов, регистра маски, результатов опроса.
Таким образом, подсистема прерываний реализуется в самом чипсете ПЭВМ. Внешние же сигналы, поступающие с шин расширения (ISA, PCI, AGP и др.) должны быть перераспределены между резервными линиями запросов на прерывания. Во избежание конфликтности между внешними устройствами при разработке модулей расширения необходимо предусмотреть возможность осуществления выбора (от модуля) того или иного номера прерывания, за которым будет закреплено устройство.
Анализируя взаимодействие технических и программных средств системы, необходимо еще раз подчеркнуть, что на модуль АЦП возложены функции по первичной обработке сигнала и «предоставлении» входной информации в ПЭВМ.
4 РАЗРАБОТКА СХЕМЫ И КОНСТРУКЦИИ МОДУЛЯ АЦП
4.1 Выбор и обоснование элементной базы и материалов, схемотехническое проектирование
Критерием выбора элементной базы (ЭБ) для любой проектируемой ЭВМ является возможность обеспечения конкретными ИМС и ЭРЭ требований, изложенных в ТЗ на разработку (причем с минимальными экономическими затратами). Основные параметры, учитываемые при выборе ИМС и ЭРЭ являются:
а) технические параметры:
-
номинальные значения параметров ИМС и ЭРЭ согласно схеме электрической принципиальной;
-
допустимые отклонения номинальных значений величин ИМС и ЭРЭ;
-
допустимые рабочие напряжения ИМС и ЭРЭ;
-
диапазон рабочих частот.
б) эксплуатационные параметры:
-
диапазон рабочих температур;
-
относительная влажность воздуха;
-
давление окружающей среды;
-
вибрационные нагрузки и т. д.
Дополнительными критериями при выборе ИМС и ЭРЭ являются: унификация ИМС и ЭРЭ, их масса и габариты, минимальная стоимость стоимость, надежность. Выбор ЭБ по вышеназванным критериям позволяет обеспечить надежную работу изделия при соблюдении всех требований, изложенных в ТЗ на разработку. Применение принципов стандартизации и унификации при выборе ИМС и ЭРЭ, а также при конструировании изделия в целом позволяет получить следующие преимущества:
1.Сократить сроки и стоимость проектирования.
2. Сократить на предприятии – изготовителе номенклатуру применяемых деталей и сборочных единиц.
3. Исключить разработку специальной оснастки и специального оборудования для каждого нового варианта РЭА, т.е. упростить подготовку производства.
4.Снизить себестоимость изделия.
Определяющими факторами при решении вопроса о выборе ЭБ для разрабатываемого устройства следующие предпосылки: во-первых, предъявленные в техническом задании требования к разработке по быстродействию. Следовательно, применяемая элементная база должна обеспечивать заданные временные характеристики системы. Во-вторых, точностные требования, изложенные в ТЗ к датчикам (погрешность измерения - 2%), накладывают ограничения на схемотехнические решения в модуле АЦП и применяемую элементную базу таким образом, чтобы погрешность измерений, вносимая аппаратурой модуля была не больше погрешностей измерений, вносимых датчиками. Одновременно с этим, следует отметить, что нецелесообразно добиваться точности ля аппаратуры модуля порядка десятых долей процента. В-третьих, разрабатываемый модуль является встраиваемым в ПЭВМ. Отсюда вытекает ограничение на его размеры и, следовательно, на типоразмеры (минимальную степень интеграции) применяемых ИМС. В-четвертых, предъявляемые в ТЗ эксплуатационные требования (условия эксплуатации системы, заданные параметры надежности, требования к уровню радиопомех) также накладывают соответствующие ограничения на применяемую элементную базу. И, наконец, в-пятых, важным фактором при выборе применяемой элементной базы является экономический критерий. Теоретически реализация схемотехнических решений разрабатываемой системы возможна в виде нескольких БИС и небольшого количества согласующих элементов. Однако, учитывая единичный объем выпуска разрабатываемой системы, такой подход не является приемлемым из-за необоснованно больших экономических затрат.
В связи с вышеизложенным, для схемотехнической реализации разрабатываемого модуля целесообразно применять микросхемы распространенных на рынке «отечественных» серий (541, 555, 559 1533), а также электронные компоненты одного из мировых лидеров в области микроэлектроники фирмы Analog Devices, которые сочетают в себе хорошие эксплуатационные параметры и низкую стоимость. Следует отметить целесообразность сокращения списка производителей (поставщиков) применяемой элементной базы (в связи со схемотехнической «совместимостью» и учитывая технологические критерии).
Рассмотрим схемотехническую реализацию узлов и блоков разрабатываемого модуля, представленных на схеме электрической структурной (БГУИ. 411117. 001Э1).
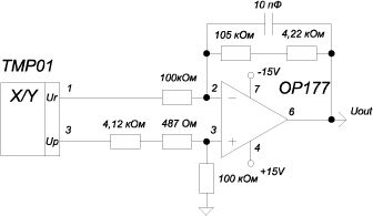
Из множества применяемых датчиков для измерения температур для проектируемой системы с учетом требований, изложенных в техническом задании (область применения системы, ее точностные характеристики, диапазон рабочих температур) в качестве датчиков наиболее целесообразным видится использование интегральных измерителей температуры. Они имеют гарантированные по ТУ характеристики (п.2), компактны и недороги [5]. Наиболее приемлемыми с этой точки зрения являются датчики фирмы Analog Devices ТМР01. Для них разработана «фирменная» схема включения, обеспечивающая низкочастотную фильтрацию и усиление сигнала (рисунок 4.1.1).
Рисунок 4.1.1 – Схема включения интегральных датчиков температуры ТМР01 (Analog Devices)
Необходимо «развернуть» сигнал, поступающий от датчиков до напряжения, максимально близкого к напряжению полной шкалы преобразователя. Учитывая, то рабочий диапазон температур составляет 1300С, температурный коэффициент у ТМР01 - 10 мВ/0С, а напряжение полной шкалы у применяемого преобразователя (см. ниже) - 10В [7], следовательно, напряжение от датчика необходимо увеличить в семь раз, что и выполняет соответствующий усилительный каскад, выполненный на микросхемах (для первого канала) DA 13, DA25 (AD817). Конденсатор С1 обеспечивает дополнительную низкочастотную фильтрацию сигнала.
Узел аналоговой коммутации (АК) выполнен на аналоговом мультиплексоре ADG406 (DA37). Инвертированный сигнал с мультиплексора подаётся на усилительный каскад (на DA40) с коэффициентом передачи равным 1 – таким образом, после двойной инверсии сигнал представлен в требуемом виде.
Напряжение, снимаемое с DA40, необходимо смесить таким образом, чтобы оно полностью входило в интервал входного напряжения ЦАП. Для этой цели построен каскад на усилителе DA41 и преобразователе DA38 (BB05D2,5). Данный преобразователь осуществляет преобразование напряжения +5В (от шины ПЭВМ) в гальванически развязанные потенциалы ±2,5В.
Управление выбором канала осуществляется через элементы VD1… VD4 (АОД130А) блока гальванической развязки БГР и реализовано на элементах DD21 (К561ПУ4), DD22 (К1533ЛН2), DD26 (К1533ИД5), DD27 (К1533ЛА3). Сигнал с DD26 поступает непосредственно на адресные входы аналогового мультиплексора.
Выбор разрядности аналого-цифрового преобразователя для модуля будет определяться его разрешающей способностью (погрешность преобразования, которая определяется младшим разрядом преобразователя [8], не будет играть существенной роли в определении разрядности преобразователя из-за относительно малой требуемой точности измерений).
Разрешающая способность преобразователя определяется по формуле
[В] (4.1.1)
где Uпш – напряжение полной шкалы преобразователя, В; n - количество разрядов преобразователя.
Если принять, что значение напряжения полной шкалы составляет 10 В (наиболее распространенная величина [7]), n = 10, то тогда получим
Учитывая значение температурного коэффициента выбранных датчиков, можно сделать вывод о том, что 10-разрядный преобразователь не обеспечит требуемой точности (беря во внимание реальное наличие некоторых наводок в аналоговом тракте). Следовательно, необходимо выбрать 12-разрядный преобразователь.
Как было отмечено и обосновано в п.3, аналого-цифровой преобразователь целесообразно построить как преобразователь напряжение-код (ПНК). ПНК реализован на основе регистра последовательного приближения DD11 (К1533ИР17), ЦАП DА39 (К1108ПА1), операционного усилителя DА43 (К554УД2А), компаратора DА42 (К554СА3), ждущего генератора тактовых импульсов на элементах DD1 (К1533ЛА3), L1, С25, R121, R130.
Переменным резистором R152 компенсируется абсолютная погрешность преобразования ПНК в конечной точке шкалы.
Схема запуска ПНК построена на элементах DD1 (К1533ЛА3), DD4 (К1533АГ3). Элементами R131 (Rt) и С27 (Ct) задается длительность выходного импульса, которая определяется по формуле:















