193218 (588737), страница 2
Текст из файла (страница 2)
Существует множество способов измерения температуры самыми различными датчиками, работа которых основана на различных принципах [4]. В качестве датчиков для измерения температуры приборы на pn – переходах (диоды, транзисторы), термопары, терморезисторы (термисторы), интегральные датчики температуры и др. Кратко рассмотрим те из них, которые могут быть применены в устройствах для изучения тепловых режимов ЭВМ.
Эффект зависимости pn – перехода от температуры, нежелательный в большинстве применений, широко используется в измерении температуры. Датчики на pn – переходах характеризуются линейной зависимостью выходного сигнала от температуры, но, как и всякие полупроводниковые устройства работоспособны только в ограниченном интервале температур.
На рис. 2.1 изображена вольт-амперная характеристика кремниевого диода для средних значений токов. Прямой ток диода пределяется выражением:
, (2.1)
где I – ток через диод, V – приложенное напряжение; Is – обратный ток насыщения (функция температуры); k – постоянная Больцмана; q – величина заряда электрона.
Рисунок 2.1 – Вольт – амперная характеристика кремниевого диода
Выполняя в уравнении (2.1) соответствующие подстановки и разрешая его относительно V, получим
, (2.2)
где М – некоторая независящая от температуры константа и Eg – ширина запрещенной зоны в кремнии при Т=0К. Согласно (2.2), напряжение на диоде линейно зависит от теипературы.
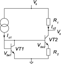
Транзистор также является хорошим датчиком температуры. При фиксированном токе коллектора напряжение база – эмиттер транзистора линейным образом зависит от температуры.
На рисунке 2.2 показана простая термочувствительная схема, используемая для получения выходного напряжения, пропорционального абсолютной температуре. Для идентичных кремниевых транзисторов VT1и VT2 пренебрегая их базовыми токами по сравнению с токами коллекторов, получаем
, (2.3)
,
,
Рисунок 2.2 – Термочувствительная схема с выходным напряжением, пропорциональным абсолютной температуре
Очевидно, что падение напряжения на резисторе R1 пропорционально абсолютной температуре и изменяется линейно, пока отношение Ic1/Ic2 остается постоянным. Этот способ контроля температуры реализован в ИС LX5700 фирмы National Semiconductor [5]. Рабочий интервал температур – от –50 до +1250С, чувствительность – 10 мB/0С. Постоянная времени для неподвижного воздуха равна 50 с. Выходное напряжение датчика равно 2,98 В при Т=298 К. Точность составляет +3,8 К, нелинейность не превышает +1 К.
Микросхемы LM135, LM235, LM335, выпускаемые фирмой National Semiconductor, также являются интегральными датчиками температуры, выходное напряжение которых зависит от температуры. Они работают, как двухвыводные стабилитроны, пробивное напряжение которых пропорционально абсолютной температуре с коэффициентом пропорциональности ±10 мВ/К. Рабочий ток этих датчиков может изменяться в широких пределах – от 400 мкА до 5 мА. Рабочий интервал для ИС LM135 – от – 55 до + 1500С. Микросхема ТМР01 (фирма Analog Devices) представляет собой двухвыводный интегралный датчик температуры с погрешностью измерения ±1% от полной шкалы (ПШ) и температурным коэффициентом 10 мВ/0С. Диапазон измеряемых температур – от – 45 до 115 0С. Температурный коэффициент датчика AD22100 составляет 22,5 мВ/0С, однако, он имеет большую погрешность измерений – 3% от ПШ.
Терморезисторы представляют собой термочувствительные резисторы, изготавливаемые из полупроводниковых материалов. Большинство терморезисторов характеризуется высоким удельным сопротивлением и высоким отрицательным температурным коэффициентом сопротивления (ТКС). Величина отрицательного ТКС может составлять несколько процентов на градус Цельсия. Однако, наряду с повышенной чувствительностью терморезисторы обладают существенным недостатком: для них зависимости сопротивления от температуры в сильной степени нелинейны.
Принцип работы термопары основан на использовании эффекта Зеебека. Поскольку выходное напряжение термопары очень мало (микровольты), оно очень чувствительно к помехам. Поэтому при использовании термопары необходимо применять различные способы ослабления помех. Для улучшения «качества» сигнала термопары целесообразно применять активные аналоговые фильтры и технику защитного экранирования.
Кратко рассмотрим различные представленные на рынке специализированные модули, которые могут использоваться для обработки входных аналоговых сигналов, поступающих от термодатчиков.
Модуль аналого-цифрового ввода/вывода и преобразования информации фирмы Texas Instruments представляет собой встраиваемый в ПЭВМ модуль, построенный на основе процессора цифровой обработки сигнала TMS32020. Основные технические характеристики аналогового входа: количество разрядов – 12; общее количество каналов – 8 шт.(из них два - изолированные); время преобразования – 5,9 мкс.; амплитуда входных сигналов – +10 В; амплитуда выходных сигналов от модуля – +5 В; синхронизация – внутренняя, внешняя, от ПЭВМ; шина интерфейса с ПЭВМ – ISA.
Устройство для оперативного контроля тепловых режимов электронной вычислительной машины (Патентообладатель Понурко А. Р., 1996 г., номер заявки 94030822, осн. индекс МПК G06F11/00) предназначено для оперативного автоматического контроля тепловых режимов основных блоков и конструкций ЭВМ. При нарушении нормального теплового режима того или иного блока конструкции ЭВМ на подключенный информационный канал выдается соответствующая сигнальная информация и вырабатываются управляющие сигналы к исполнительным устройствам (в частности, дополнительным вентиляторам).
Цифровой термометр (Патентообладатель Серпуховское высшее военное командно-инженерное училище ракетных войск им.Ленинского комсомола, 1996 г. номер заявки 5055405, осн. индекс МПК G01K7/00) предназначен для точного и быстропроизводимого измерения температуры конструкций приборов и машин. Цифровой термометр обладает повышенным быстродействием за счет полезного использования информации переходного периода в процессе регулярного нагрева термочувствительного резонатора от объекта, температура которого измеряется. Алгоритм оценивания температуры реализуется в специализированном вычислителе.
Плата сбора данных фирмы National Semiconductor CAI343 построена на основе 8-разрядного АЦП ADC 0816, содержащего на кристалле аналоговый мультиплексор на 16 каналов. Время преобразования – 110 мкс. Системой используется 3 порта ввода, 3 – вывода и 2 совмещенных порта.
Модуль ввода сигнала с термопары с расширенными диапазонами (I-7011P, НПО «ИКОС», Российская Федерация) представляет собой устройство в отдельном корпусе, подключаемое к ЭВМ по интерфейсу RS-485. Количество каналов аналогового ввода – 1. Разрядность используемого АЦП – 16 бит. Условия эксплуатации: от -20°С до +70°С. Тип подключаемых датчиков: термопары типа J (от -100°С до +760°С), K (от -100°С до +1370°С), T (от -100°С до +400°С), E (от 0 до 1000°С), R (от 500°С до 1750°С), S (от 500°С до 1750°С), B (от 500°С до 1800°С), N (от -270°С до +1300°С), C (от 0 до 2320°С), L (от -200°С до +800°С), M (от -200°С до +100°С).
Подводя итог вышеизложенному, необходимо отметить, что в настоящее время сложившийся отечественный рынок измерительных средств в секторе проектирования ЭВМ остается ненасыщенным для недорогой автоматизированной системы исследования тепловых режимов конструкций ЭВМ, чем еще раз подтверждается актуальность данного проекта.
3 ВЫБОР И ОБОСНОВАНИЕ СТРУКТУРНОГО ПОСТРОЕНИЯ СИСТЕМЫ И ФОРМУЛИРОВАНИЕ ТРЕБОВАНИЙ К ЁЁ СТРУКТУРНЫМ КОМПОНЕНТАМ. АНАЛИЗ ВЗАИМОДЕЙСТВИЯ ТЕХНИЧЕСКИХ И ПРОГРАММНЫХ СРЕДСТВ
Разрабатываемая система конструктивно представляет собой встраиваемый в ПЭВМ модуль. Учитывая высокую производительность современных ПЭВМ целесообразно переложить на персональный компьютер выполнение основных функций обработки сигнала в проектируемой системе. Таким образом, затраты на построение аппаратных средств модуля будут минимизированы. Сам модуль будет выполнять функции первичной обработки входных сигналов и обеспечивать поступление информации в ПЭВМ (например, через механизм прерываний). При таком подходе существенно упрощаются задачи по проектированию аппаратных средств системы, интерфейса между модулем и ПЭВМ. Как недостаток – усложняется разработка программного обеспечения. Но учитывая предъявленные технические требования к системе (относительно большое количество входных каналов, требуемый интерфейс с ПЭВМ и т. п.), и, как следствие, достаточно большой объем электронного оборудования, такой подход в заданных условиях представляется наиболее рациональным.
Руководствуясь функционально-модульным подходом в проектировании системы, все аппаратные средства модуля аналого-цифрового преобразования можно укрупненно разбить на четыре части (датчики условно отнесем к самостоятельной структурной единице). К первой части (входной блок) можно отнести аппаратуру, на которую непосредственно поступают сигналы от датчиков. Этот блок должен выполнять соответствующие функции: первичное усиление и фильтрация сигнала, коммутация каналов. Следовательно, аппаратура блока будет представлена фильтрующими и усилительными схемами, аналоговым коммутатором каналов, его схемой управления.
Ко второму блоку (с точки зрения структурного построения системы) можно отнести совокупность технических средств, задачей которых является осуществление аналого-цифрового преобразования. Данный блок целесообразно построить по классической схеме преобразователя напряжение – код. Такой выбор осуществлен в связи с тем, что 1) данная схема будет удовлетворять временным параметрам системы; 2) для дистанционных систем сбора данных наиболее оптимальным является именно такой вариант преобразования [4]; 4) дальнейшая обработка выходного сигнала от такой схемы (модуля вообще) является наиболее приемлемой с точки зрения объема дополнительной аппаратуры для преобразования и обработки сигнала.
Выбор разрядности преобразователя будет определяться точностными требованиями к системе, изложенными в техническом задании на разработку.
Укрупненно данный блок включает в себя следующие функциональные части: регистр последовательного приближения, цифро-аналоговый преобразователь, операционный усилитель, компаратор, генератор тактовых импульсов и схему запуска.
Третий блок проектируемого модуля системы представляет собой аппаратные средства, предназначенные для сопряжения устройства с персональным компьютером. Основные функции данного блока: 1) преобразование последовательного кода, поступающего с выхода блока аналого-цифрового преобразования, в параллельный; 2) осуществление дешифрации базового адреса и адресов регистров устройства; 3) формирование управляющих сигналов для выбора канала и работы преобразователя; 4) буферизация используемых сигналов шины микро-ЭВМ; 5) вспомогательные функции по синхронизации работы составных частей устройства и генерация сигнала вектора прерывания.
Аппаратура, предназначенная для согласования логических уровней составных частей устройства составляет четвертый аппаратный блок разрабатываемого модуля.
Таким образом, теперь можно сформулировать основные требования к структурным компонентам системы (некоторые из них исходят из описанного выше предназначения аппаратных средств).
Применяемые термодатчики должны удовлетворять предъявленным в ТЗ требованиям по диапазону измеряемых температур, погрешности измерения, а также конструктивным требованиям (установка датчиков должна осуществляться на поверхность ИМС и конструктивных элементов ЭВС).
Входной блок должен обеспечивать первичную обработку сигнала (усиление, фильтрация) и коммутацию входных каналов. То есть так обработать сигнал, чтобы его можно было передавать на блок аналого-цифрового преобразования. Необходимо стремиться к минимизации времени переключения канала и ослаблению взаимного влияния сигналов из разных каналов.















