50316 (588703), страница 2
Текст из файла (страница 2)
1-этаж
2-этаж
3-этаж
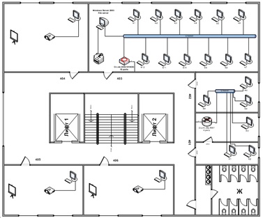
4-этаж
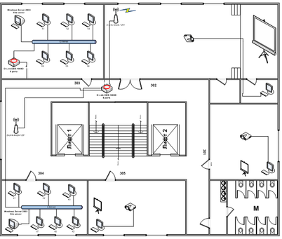
5-этаж
ЗАКЛЮЧЕНИЕ
В данном проекте были рассмотрены различные варианты организации сети и выбраны наиболее выгодные позиции. Приобрел основные понятия о сетевых технологиях и об их организациях.
СПИСОК ЛИТЕРАТУРЫ
-
Олифер В.Г., Олифер Н.А. Компьютерные сети. Принципы, технологии, протоколы: Учебник для вузов. 2-изд. – СПб: «Питер», 2005. – 864 c.
-
Компьютерные сети. Учебный курс/Пер. с англ. – М.: Издательский отдел «Русская редакция» ТОО «Channel Trading Ltd.». – 2-е издание, 1998. – 696 c.
-
Работы учебные. Фирменный стандарт ФС РК 10352-1910-У-е-001-2002. Общие требования к построению, изложению, оформлению и содержанию. – Алматы, АИЭС, 2002. – 31 с.
-
Основы современных компьютерных технологий: Учебник / Под ред. Проф. А.Д. Хомоненко. – СПб.: КОРОНА принт, 2005. – 672 с.
-
Соловьева Л.Ф. Сетевые технологии. Учебник-практикум. – СПб.: БХВ-Петербург, 2004. – 416 с.
-
Новиков Ю. В., Кондратенко С.В. Локальные сети: архитектура, алгоритмы, проектирование. – М.: ЭКОМ, 2001 – 312 с.
-
Гук М. Аппаратные средства локальных сетей. Энциклопедия. – СПб: Изд-во «Питер», 2000. – 576 с.
Размещено на Allbest.ru
















