48898 (588620), страница 9
Текст из файла (страница 9)
На рис. 7.4.2,а наведена логічна схема демультиплексора, що задовольняє функції алгебри логіки (2), а на рис. 7.4.2,б показано його умовне графічне зображення.
а) б)
Рис. 7.4.2. Логічна схема демультиплексора (а) і його умовне графічне позначення (б)
7.4.3 Шифратор
Шифратором, або кодером називається комбінаційний логічний пристрій для перетворення чисел з десяткової системи відліку до двійкової. Входам шифратора послідовно присвоюються значення десяткових чисел, тому подача активного логічного сигналу на один з входів сприймається шифратором як подача відповідного десяткового числа. Цей сигнал перетворюється на виході шифратора в двійковий код. Відповідно до сказаного, якщо шифратор має n виходів, то число його входів повинно бути не більше за 2n. Шифратор, що має 2n входів і n виходів, називається повним. Якщо число входів шифратора менше за 2n, то він називається неповним.
Розглянемо роботу шифратору на прикладі перетворювача десяткових чисел від 0 до 9 в двійково-десятковий код. Таблиця дійсності, що відповідає даному випадку має вигляд (табл. 7.4.3).
Так як число входів даного пристрою менше за 2n = 16, то ми маємо неповний шифратор. Використовуючи таблицю для Q3, Q2, Q1, Q0, стає можливо записати наступні вирази:
Q3 = x8 + x9;
Q2 = x4 +x5 + x6 +x7;
Q1 = x2 + x3 +x6 + x7; (3)
Q0 = x1 + x3 +x5 +x7 +x9.
Табл. 7.4.3. Таблиця дійсності для перетворювача десяткових чисел від 0 до 9 в двійко-десятковий код
| x9 | x8 | x7 | х6 | x5 | x4 | x3 | x2 | x1 | x0 | Q3 | Q2 | Q1 | Q0 |
| 0 | 0 | 0 | 0 | 0 | 0 | 0 | 0 | 0 | 1 | 0 | 0 | 0 | 0 |
| 0 | 0 | 0 | 0 | 0 | 0 | 0 | 0 | 1 | 0 | 0 | 0 | 0 | 1 |
| 0 | 0 | 0 | 0 | 0 | 0 | 0 | 1 | 0 | 0 | 0 | 0 | 1 | 0 |
| 0 | 0 | 0 | 0 | 0 | 0 | 1 | 0 | 0 | 0 | 0 | 0 | 1 | 1 |
| 0 | 0 | 0 | 0 | 0 | 1 | 0 | 0 | 0 | 0 | 0 | 1 | 0 | 0 |
| 0 | 0 | 0 | 0 | 1 | 0 | 0 | 0 | 0 | 0 | 0 | 1 | 0 | 1 |
| 0 | 0 | 0 | 1 | 0 | 0 | 0 | 0 | 0 | 0 | 0 | 1 | 1 | 0 |
| 0 | 0 | 1 | 0 | 0 | 0 | 0 | 0 | 0 | 0 | 0 | 1 | 1 | 1 |
| 0 | 1 | 0 | 0 | 0 | 0 | 0 | 0 | 0 | 0 | 1 | 0 | 0 | 0 |
| 1 | 0 | 0 | 0 | 0 | 0 | 0 | 0 | 0 | 0 | 1 | 0 | 0 | 1 |
Отримана система (3) характеризує роботу шифратора. Логічна схема пристрою, що відповідає системі (3) показана на рис. 7.4.3.
Неважко помітити, що в шифраторі даного типу сигнал, що подається на вхід x0 не використовується. Тому відсутність сигналу на будь-якому з входів x0, x1 трактується схемою як наявність нульового сигналу.
Рис. 7.4.3. Логічна схема шифратору десяткових чисел
Основний напрямок використання шифратора в цифрових системах – введення початкової інформації з клавіатури.
При натисканні будь-якої клавіші на відповідний вхід шифратора подається сигнал “логічна одиниця”, який і перетворюється потім в двійково-десятковий код. Варіант пристрою введення інформації показано на рис. 7.4.4.
Рис. 7.4.4. Пристрій введення інформації з клавіатури
В інтегрованому середовищі MAX+PLUS II за допомогою мови AHDL шифратор може бути описаний двома методами:
-
емульованою, за допомогою оператора CASE, таблицею дійсності;
-
на поведінковому рівні.
Описання пристрою, емульованою за допомогою оператора CASE, таблицею дійсності найбільш просте, адже вимагає знання проектувальником лише таблиці дійсності шифратору. Об’єм отриманої програми, порівняно з об’ємом програми описання на поведінковому рівні, має значно менший розмір, але архітектура (логічна схема) самого пристрою залишається проектувальнику невідомою.
Фахівець обирає метод описання виходячи з технічного завдання, заданого об’єму програми, кількості елементарних вентилів на мікросхемі та власного досвіду.
В даній дипломній роботі наведено приклади описання шифратора 10 на 4 і за допомогою таблиці дійсності, і на поведінковому рівні.
7.4.4 Дешифратор
Дешифратором, або декодером називається комбінаційний логічний пристрій для перетворення чисел з двійкової системи відліку до десяткової. Відповідно до визначення дешифратор відноситься до класу перетворювачів коду. Розуміється, що кожному двійковому числу ставиться у відповідність сигнал, що формується на виході пристрою. Таким чином, дешифратор виконує операцію, обернену стосовно шифратора. Якщо число адресних входів дешифратора n пов’язано з числом його виходів m співвідношенням m = 2n, то дешифратор називають повним. В оберненому випадку, якщо m < 2n, дешифратор називають неповним.
Поведінку дешифратора описують таблицею дійсності, аналогічно до таблиці дійсності шифратора (дивись систему 3), але в цій таблиці вхідні і вихідні сигнали помінялися місцями. У відповідності до даної таблиці, так як вихідний сигнал дорівнює 1 тільки на одному, єдиному, наборі вхідних змінних, тобто для одної конституєнти одиниці, алгоритм роботи дешифратора описується системою рівнянь виду:
х0 =
;
х1 =
; (4)
х2 =
;
і так далі, де Qi – значення логічної змінної на і-ому вході пристрою.
В загальному випадку система (4) має вид:
хі = (Q3Q2Q1Q0)і, (5)
де, xi – сигнал на і-ому виході шифратора; (Q3Q2Q1Q0)і – конституанта одиниці, що відповідає двійковому коду і-ої десяткової цифри.
Неважко помітити, що функція алгебраїчної логіки дешифратора (4) відрізняється від функції алгебраїчної логіки демультиплексора (2) лише наявністю в останній додаткового множника, що відповідає значенню сигналу на інформаційному вході D. Тому при D = 1 демультиплексор функціонує як дешифратор. Обернене перетворення дешифратора в демультиплексор вимагає введення двох допоміжних логічних елементів І, що виконують операцію логічного множення між загальним сигналом інформаційного входу D і відповідним логічним результатом множення адресних сигналів (Q3Q2Q1Q0).
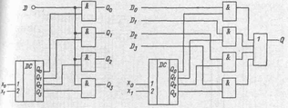
Використовуючи дешифратор, можливо побудувати і схему мультиплексора. Для цього схему з рис. 7.4.5,а необхідно доповнити чотирма вихідними логічними елементами АБО (рис. 7.4.5,б).
а) б)
Рис. 7.4.5. Реалізація демультиплексора (а) і мультиплексора (б) з використанням дешифратора
При розробці інтегральних схем використовують декілька логічних структур дешифратора. Їх головна відмінність полягає в швидкодії і кількості використаних елементарних логічних елементів.
Найбільш швидкодійним і в той же час найбільш складним є дешифратор, що прямо реалізує систему функцій алгебри логіки (4). Такий дешифратор називається одноступінчастим або паралельним. Його структурна схема аналогічна до схеми демультиплексора (дивись рис. 7.4.2) за умови D = 1.
Вважаючи, що для реалізації обробки одного вхідного логічного сигналу необхідна деяка умовна одиниця апаратних засобів, число одиниць цих апаратних засобів для n-розрядного дешифратора визначається виразом:
N1 = n2n.
На рис. 7.4.6 наведено умовне графічне зображення дешифратора. Воно відповідає інтегральній схемі двійково-десяткового дешифратора типа 564ИД1.
Якщо при проектуванні основною вимогою є простота системного рішення, використовують інші структурні схеми дешифраторів. Однак, спрощення структури досягається за рахунок падіння швидкодії.
Рис. 7.4.6. Умовне графічне позначення дешифратора
Мікросхеми дешифраторів часто мають входом дозволу роботи E (вхід стробування). Наявність цього входу дозволяє на основі готових інтегральних схем при необхідності збільшення розрядності вхідного коду створювати структури дешифраторного дерева.
7.4.5 Програми реалізації мультиплексорів, демультиплексорів, шифраторів, дешифраторів в інтегрованому середовищі MAX+PLUS II
















