24867 (586517), страница 7
Текст из файла (страница 7)
Длина хода сальникового штока = 0,9 м
Число качаний балансира п = 5мин-1
Средняя масса 1м колонны СПНШ тспнш = 1,05 кг
Средняя масса 1м колонны стальных штанг тст = 2,35 кг
Диаметр плунжера Дпл = 32 мм
Диаметр штанг шт = 19 мм
Внутренний диаметр НКТ Двн = 62 мм
Плотность жидкости ж = 1090 кг/м3
1. Для вычисления максимальной нагрузки в точке подвеса штанг Ртах воспользуемся формулой Слоннеджера
Ртах=(Ршт + Рж )*(1 + *п/137), Н (5, стр. 193) (3.20)
где: Ршт - вес колонны штанг, Н
Рж - вес столба жидкости, Н
- длина хода сальникового штока, м
п - число ходов, мин-1
2. Вычислим вес колонны штанг Ршт
Ршт=Ннас* *(тспнш* + *тст)= 1200 * 9,81 * (1,05*0,5 + 0,5 * 2,35) = 20012,4 Н
3. Найдем вес столба жидкости Рж
Рж=пл*Ннас* ж * (13, стр.121) (3.21)
где : пл= /4*Дпл2=/4*(32*10-3) 2=8,01*10-4 м2
Рж=8,01*10-4*1200*1090 *9,81=10314,5 Н
Вычислим Ртах;
Ртах=(20012,4 + 10314,5)*(1 + 0,9 *5/137)=31323 Н
4. Минимальное усилие в точке подвеса штанг при ходе вниз
Рт1п=Ршт1 (1 - *п/137), Н (5, стр. 193) (3.22)
где: Ршт1- вес колонны штанг в жидкости
Ршт1=Ннас** (*1спнш+ *1ст) (13, стр.127) (3.23)
здесь: 1спнш - вес 1м СПНШ в жидкости
1ст - вес 1м стальных штанг в жидкости
Ршт1=1200*9,81*(*0,71+ *2,09)=16480,8 Н
Рт1п=16480,8*(1 -0,9*5/137)=15939,5 Н
5. Для определения напряжений, действующих в точке подвеса штанг, воспользуемся следующими формулами:
шт=/4*шт2= 0,785*(19*10-3)2= 2,84*10-4 м2 (5, стр. 195) (3.24)
тах= Ртах/ шт = 31323/2,44*10-4=110,3 мПа (5, стр. 195) (3.25)
т1п= Рт1п/ шт = 15939,5/2,84*10-4=56,1 мПа (5, стр. 195) 3.26)
а=(тах -т1п)/2= (110,3-56,1)/2=27,1 мПа (5, стр. 195) (3.27)
пр=
=
= 54,7 Мпа (5, стр. 195) (3.28)
Как видно из вычислений, приведенное напряжение, действующее в точке подвеса штанг равно 54,7 МПа.
Так как по предельно допустимым приведенным напряжениям для стеклопластика у нас нет значений, то воспользуемся минимальным значением предельно допускаемых приведенных напряжений для стали марки 40. В пользу стеклопластиковых штанг говорит также, что разрушающее напряжение при растяжении у них больше, чем у стальных: 760 МПа у стеклопластика и 610 МПа у стали.
пр=70мПа- приведенное напряжение для стали
Полученное пр=54,7 мПа свидетельствует о возможности использовать в качестве материала для штанг стеклопластик.
Для приведения эксперимента было подобранно 9 скважин. Для определения эффективности использования стеклопластиковых штанг скважины были оборудованы счетчиками активной и реактивной электрической мощности.
Ниже в таблице № 14 приведены результаты расчетов.
Таблица № 14
Результаты анализа работы СПНШ
| Нагрузка на головку балансира кН | 1696 | 9288А | 15470 | 12428а | 26769 | 26504 | 16942 | 24356 | 26480 |
| Стеклопластик Стек+сталь Сталь Потр. мощн с учетом веса штанг, кВт Стеклопластик Стек+сталь Сталь Умень. веса % Умень. потребляемой мощности | 21,4 31,3 38,5 18,3 23,2 33 | 20,5 28,1 35,9 17,1 20,6 24,2 22 19 | 10,6 12,7 18,5 2,9 3,3 4,5 31 26 | 21,6 29,2 37,8 18,2 22,4 32,9 22,7 31,4 | 17,5 24,1 30,6 12,6 17,6 24,6 21 28 | 12,6 17,1 27,9 5,6 7 10,5 38 32 | 17,1 22,1 29,9 10,3 11,8 14,3 26,1 17,5 | 22,5 33,3 39,4 18,5 24,6 33,1 15,4 27 | 11,9 15,7 26,5 3,9 4.8 7,3 40 34 |
Сравнивая результаты можно сделать вывод, что нагрузка на головку балансира станка-качалки уменьшилась в среднем на 20-25 % при условии комплектации колонны штанг из стеклопластика и стали.
4. СПЕЦИАЛЬНАЯ ЧАСТЬ
4.1 Выбор оборудования для подачи реагента (ингибитора)
Существуют два основных способа подачи реагента в обрабатываемую систему: непрерывное (периодическое) дозирование и разовая обработка.
Наиболее эффективным способом является непрерывное дозирование, обеспечивающее постоянный контакт реагента с обрабатываемой системой и частично предупреждающее образование АСПО. Однако этот способ требует обвязки специального оборудования на устье каждой скважины (насос – дозатор, емкость для реагента, поршневой насос для смешения, манифольд и др.).
Реагент в затрубное пространство постоянно подается устьевыми дозаторами УДЭ и УДC конструкции НПО Союзнефтепромхим и СКТБ ВПО Союзнефтемашремонт.
УДЭ и УДC можно применять также для борьбы с солеотложением, коррозией оборудования нефтяных скважин и внутрискважинной деэмульсации нефти.
Электронасосная дозировочная установка УДЭ в зависимости от дозировочного насоса имеет четыре типоразмера: УДЭ 0,4/6,3; УДЭ 1/6,3; УДЭ 1,6/6,3; УДЭ 1,9/6,3. Установки комплектуются специальными дозировочными насосами: НД 0,4/6,3 К14В; НД 1/6,3 К14В; НД 1,6/6,3 К14В; НД 1,9/6,3 К14В. Они обеспечивают максимальные подачи реагента 0,4; 1; 1,6 и 1,9 л/ч при максимальном давлении нагнетания 6,3 МПа. Потребляемая мощность насоса 0,5 кВт, масса 32 кг.
Установка имеет бак на 450 л; габаритные размеры установки 1230х690х1530 мм, масса 220 кг, рабочая температура 223 – 318 К.
Принцип работы УДЭ заключается в следующем. Реагент из бака 5 через фильтр 6 по всасывающему трубопроводу 11 поступает в плунжерный насос – дозатор 13 и по нагнетательному трубопроводу 14 подается в затрубное пространство скважины. Подача регулируется изменением длины хода плунжера.
Наибольшее число установок эксплуатируется в ПО «Татнефть». Дозировочные установки изготавливаются Лениногорским заводом «Нефтеавтоматика», а дозировочные насосы – Свесским насосным заводом.
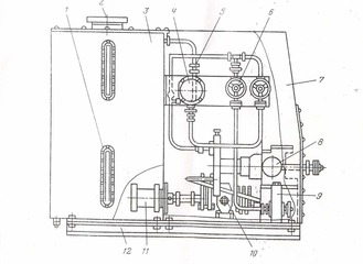
Рис. 4 Дозировочная установка УДЭ. 1- дозировочный блок, 2 – электроконтактный манометр, 3- указатель уровня, 4- заливная горловина, 5 – бак, 6 – фильтр, 7 – рама, 8 – сливной вентиль, 9, 10, 15 – вентили, 11 - всасывающий трубопровод, 12 – обратный клапан, 13 – электронасосный агрегат, 14 – нагнетательный трубопровод, 16 – кожух.
Комплектная дозировочная установка УДС с приводом от станка- качалки располагается на СК. Её нагнетательный трубопровод присоединяется к затрубному пространству скважины, а рычаг дозировочного насоса посредством гибкой тяги к балансиру СК. Подача устанавливается регулятором длины хода плунжера насоса и изменением мест крепления тяги к рычагу насоса и к балансиру СК. Подача дозировочного насоса составляет 0,04-0.63 л/с; давление нагнетания 6,3 МПа; вместимость бака 250 л, габаритные размеры 1500 х 730 х 735 мм, масса 145 кг.
По сравнению с другими дозировочными установками УДС-1 обеспечивает большую точность регулирования подачи, имеет более простую конструкцию, она безопасна (снабжена предохранительным устройством и не питается электрическим током) и удобна в эксплуатации.
Рис. 5 Дозировочная установка УДС. 1 – указатель уровня, 2 – горловина, 3 – бак, 4 – манометр, 5 – предохранительный клапан, 6 – вентиль, 7 – кожух, 8 – насос дозировочный, 9 – обратный клапан, 10 –трехходовой клапан, 11 – фильтр, 2 – рама.
Периодическое дозирование может осуществляться при использовании перечисленного выше оборудования или с помощью специального устройства для ввода реагента под давлением, первый случай имеет те же недостатки что и непрерывное дозирование. Во втором случае затрубное пространство перекрывают задвижкой 3, открывают вентиль 6 для сброса газа из емкости 4, снимают заглушку 5, закрывают вентиль 6, заливают реагент в емкость 4, закрепляют заглушку и открывают задвижку 3; регент поступает в затрубное пространство.
Рис. 6 Принципиальная схема устройства ввода реагента в затрубное пространство по давлением: 1 – устьевая арматура, 2 – выкидная задвижка,
– задвижка затрубного пространства, 4 – резервуар для реагента, 5 – заглушка, 6 – вентиль.
При этом способе подачи реагента обслуживание упрощается, но снижается эффективность действия реагента.
4.2 Конструктивный расчет элементов устройства для ввода реагента в затрубное пространство под давлением
4.2.1 Расчет корпуса резервуара для реагента
Определим габаритные размеры корпуса резервуара:
При внутреннем диаметре корпуса резервуара D = 300 мм = 0,3 м,
и расходе реагента Q = 50 л = 0,05 м3,
высота резервуара будет равна Н = Q/ D2/4) = 0,05/(3,140,32/4) = 0,71 м, принимаем Н = 0,75 м.
Корпус резервуара работает в условиях статических нагрузок под внутренним избыточным давлением. Расчет на прочность и устойчивость проводится по ГОСТ14249-89.
Толщину стенок определяем по формулам:
SR = PD/2-P S SR+C (12, стр. 8) (4.1)
Допускаемое внутреннее избыточное давление:
SCDS-C); (12, стр. 8) (4.2)
где Р – давление в корпусе резервуара, Р = 6,3 МПа; SR - расчетное значение толщины стенки, мм; D – внутренний диаметр резервуара, D =300 мм; - допускаемое напряжение (зависит от марки стали и рабочей температуры),
= 230 МПа. Марку стали выбираем в зависимости от свойств перерабатываемой среды и коррозионной стойкости материала корпуса, используем сталь марки 35 ХМ, допускаемые напряжения для выбранной стали при рабочей температуре t = 20 C = 230 МПа (таблица 3.1, стр. 48. ГОСТ 14249-89).
Для стыковых и тавровых двусторонних швов, выполняемых автоматической сваркой, коэффициент прочности сварочного шва =1.
Прибавка на коррозию С определяется по формуле:
С = VT, (12, стр. 8) (4.3)
где V – скорость коррозии (обычно принимают 0,1…0,2 мм /год), принимаем
















