14784 (585535), страница 5
Текст из файла (страница 5)
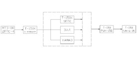
Приводимо склад кожної ланки комплексу:
-
Підготовча ланка: МТЗ-80; 2-ПТС-4.
-
Погрузочна ланка: Т-150К з ковшем 3м3.
-
Транспортна ланка: Т-150К; 9-ПТС; ЗИЛ; КАМАЗ.
-
Виконання основної операції: Т-150; РУН-15Б.
-
Заробка добрив у ґрунт: Т-150; ПЛН-6-35.
Складаємо структурну схему технічного комплексу.
Технічний комплекс машин для виконання технологічної операції є набір ланок, які мають змогу виконувати її при послідовному, паралельному, або послідовно-паралельному з’єднанні. Кожна ланка виконує визначену долю технологічного процесу, в складі якої є набір спеціальних машин, які також можуть бути зібрані у послідовні, паралельні, або паралельно – послідовні схеми.
Приводимо технічний комплекс для внесення органічних добрив, який в своєму складі має ланку підготовки добрив, навантаження добрив в агрегат, ланку транспортування добрив, ланку розподілу добрив по поверхні поля, і ланку заробки добрив у грунт.
Схему взаємодії ланок технічного комплексу для внесення органічних добрив приводимо на рисунку 4.1.
Рисунок 4.1 - Схема взаємодії ланок технічного комплексу для внесення органічних добрив
4.2 Визначення показників безвідмовності технічного комплексу
Згідно із структурною схемою технічного комплексу складаємо таблицю, в якій приводимо марочний і кількісний склад машин, які входять в агрегати і ланки, (колонки 1, 2, 3), а також підготовлюємо колонки для показників безвідмовності, які надалі будуть розраховуватися. і технологічні характеристики машин комплексу заносимо у таблицю 4.1.
Таблиця 4.1 - Склад і технологічні характеристики машин комплексу
| Ланки технічного комплексу | Марка машини, знаряддя | Кількість, шт. | Наробіток на відмову Т0, год | Інтенсивність відмов, м, год-1 | Імовірність безвідмовної роботи | ||
| машини, Рм | агрегату, Ра | ланки, Рл | |||||
| 1 | 2 | 3 | 4 | 5 | 6 | 7 | 8 |
| Виконання основної операції | Т-150 | 1 | 82 | 0,012 | 0,6188 | 0,3263 | 0,3263 |
| РУН-15Б | 1 | 62 | 0,016 | 0,5273 | |||
Визначаємо показники безвідмовності всіх складових технічного комплексу (тракторів, зчіпок, робочих машин, самохідних агрегатів і ланок).
Інтенсивність відмов при роботі тракторів, зчіпок, робочих машин, самохідних агрегатів, год-1
,(4.1)
.
Розраховані значення
всіх складових технічного комплексу заносимо в колонку 5 таблиці 4.1.
Нормативний час тривалості виконання технологічної операції.
, год.,(4.2)
год.
Імовірність безвідмовної роботи тракторів, зчіпок, робочих машин, самохідних агрегатів.
.(4.3)
Виконаємо заміну виразу
на (-х) тоді залежність (4.3) матиме вид:
.(4.4)
Чисельні значення імовірності
визначаємо із таблиці і заносимо в колонку 6 таблицю 4.1.
Імовірність безвідмовної роботи агрегатів
,(4.5)
.
де
- імовірність безвідмовної роботи трактора, зчіпки, робочої машини (із колонки 6 таблиці 4.1);
і – кількість різнотипних машин в агрегаті.
Розраховані значення імовірності
заносимо в колонку 7 таблиці 4.1.
Імовірність безвідмовної роботи ланки:
- ланка складається із агрегатів з однотипними машинами, які паралельно виконують технологічну операцію
.(4.6)
- ланка складається із агрегатів з різнотипними машинами, які послідовно виконують технологічну операцію
.(4.7)
Результати розрахунків по залежностях (4.6) і (4.7) заносимо в колонку 8 таблиці 4.1.
Визначаємо середній час безвідмовної роботи ланки
,(4.8)
де
- логарифм
при основі е це показник степені х, тобто:
.(4.9)
Чисельні значення степені х визначаємо по таблиці.
По розрахованій величині часу
можна зробити висновок про достатність середнього часу безвідмовної роботи ланки для виконання заданого обсягу роботи.
Коли
<
то ланка заданий обсяг роботи за
годин не виконає. В такому випадку необхідно проаналізувати розраховані значення імовірності безвідмовної роботи (колонка 6) всіх машин і виявити показники безвідмовності, які не задовольняють виконання технологічного процесу по агротехнічним строкам. Тоді необхідно підвищити імовірність безвідмовної роботи менш надійної складової ланки за рахунок введення в агрегат резервної машини.
4.3 Визначення показників надійності технічного комплексу
Згідно із структурною схемою технічного комплексу складаємо таблицю, в якій приводимо марочний і кількісний склад машин, які входять в агрегати і ланки, (колонки 1, 2, 3), а також підготовлюємо колонки для показників надійності, які надалі будуть розраховуватися. Склад і технологічні характеристики машин комплексу заносимо у таблицю 4.2.
Таблиця 4.2 - Склад і технологічні характеристики машин комплексу
| Ланки технічного комплексу | Марка машини, знаряддя | Кількість, шт.. | Наробіток на відмову Т0, год. | Час відновлення Тв, год. | Продуктивність | Коефіцієнт готовності | ||
| Розрахункова Wa | Фактична Wаф | Машин КГм | Агрегатів Кга | |||||
| 1 | 2 | 3 | 4 | 5 | 6 | 7 | 8 | 9 |
| Виконання основної операції | Т-150 | 1 | 82 | 5,6 | 74 | 66 | 0,96 | 0,9 |
| РУН-15Б | 1 | 62 | 2,3 | |||||
Визначаємо показники надійності всіх складових технічного комплексу (тракторів, зчіпок, робочих машин, агрегатів і ланок).
Коефіцієнт готовності тракторів, зчіпок, робочих машин, самохідних агрегатів.
.(4.10)
.
Розраховані значення
заносимо в колонку 8 таблиці 4.2.
Коефіцієнт готовності агрегатів
.(4.11)
.
де N – кількість складових елементів агрегату (трактор, зчіпка, робочі машини, знаряддя і т.ін.).
формула (4.11) може мати вид:
.
Розраховані значення
заносимо в колонку 9 таблиці 4.2.
Машини, які входять до складу агрегатів, можуть виходити із ладу в процесі виконання технологічної операції, що призводить до простоїв агрегатів і зниження їх продуктивності.
Фактична продуктивність агрегатів з урахуванням їх надійності:
, (4.12)
.
Чисельні значення
заносимо в колонку 7 таблиці 4.2.
Показники надійності ланки, яка складається із агрегатів для виконання основної технологічної операції, при умові, що всі агрегати одинакові і працюють автономно, тобто включені в ланку паралельно.
В даному випадку коефіцієнт готовності ланки буде дорівнювати коефіцієнту готовності агрегату.
. (4.13)
Виробіток основної ланки за нормативний час виконання технологічної операції без урахування надійності машин:
, га,(4.14)
га.
де
- нормативний час технологічного процесу, год.;
k – кількість агрегатів в ланці;
Фактичний виробіток основної ланки з урахуванням надійності машин, га
.(4.15)
Коли фактичний виробіток ланки за нормативний час
буде більший, або дорівнювати
, то приймають, що кількість агрегатів в ланці і їх надійність достатні для своєчасного виконання запланованого обсягу роботи.
В тому випадку, коли
<
, то необхідно підвищити надійність або продуктивність ланки. Для цього необхідно:
- проаналізувати розраховані значення коефіцієнту готовності машин, які входять до складу агрегату (колонка 8) і виявити найменш надійну машину;
- для підвищення надійності ланки ввести в агрегат резервну машину (трактор, зчіпка, робоча машина);
- перерахувати показники надійності по формулах (4.10) і (4.11);
- розрахувати фактичну продуктивність агрегату по формулі (4.12);
- визначити фактичний виробіток основної ланки по формулі (4.15)
- порівняти фактичний виробіток із виробітком, який розраховано без урахування надійності машин (формула 4.14) і зробити висновок про надійність нової ланки.
4.4 Визначення необхідної кількості запасних елементів сільськогосподарських машин (вузлів чи деталей) для безвідмовної роботи технічного комплексу
Складаємо таблицю, в якій приводимо перелік запасних елементів сільськогосподарських машин (вузлів чи деталей) і їх кількість, а також підготовлюємо колонки для показників безвідмовної роботи с-г машин, які надалі будуть розраховуватися. Перелік запасних елементів с-г машин і показники їх робото здатності заносимо у таблицю 4.3.
Визначаємо показники безвідмовної роботи запасних елементів сільськогосподарських машин (вузлів чи деталей).
Інтенсивність потоку відмов, год-1:
,(4.15)
Таблиця 4.3 - Перелік запасних елементів с-г машин і показники їх роботоздатності
| Елементи машин | Кількість, шт | Наробіток на вімову Т0, год. | Час відновлення Тв, год. | Інтенсивність | Імовірність | Кількість запасних елементів m | |||
| Потоку відмов | Потоку відновлення в | Безвідмовної роботи Рел | Відмови q | ||||||
| 1 | 2 | 3 | 4 | 5 | 6 | 7 | 8 | 9 | |
| Шланги | 4 | 90 | 2,3 | 0,011 | 0,43 | 0,97 | 0,03 | 1 | |
| Гідроциліндри | 2 | 90 | 2,3 | 0,011 | 0,43 | 0,97 | 0,03 | 1 | |
| Ланцюги | 2 | 62 | 2,3 | 0,016 | 0,43 | 0,96 | 0,04 | 1 | |
| Паси | 2 | 62 | 2,3 | 0,016 | 0,43 | 0,96 | 0,04 | 1 | |
.
де і – елементи машин (вузли, деталі), які працюють одночасно і можуть виходити з ладу при виконанні роботи;
n – кількість однойменних елементів машин (вузлів, деталей).
Розраховані значення
заносимо в колонку 5 таблиці 4.3.
Інтенсивність потоку відновлення, год-1:
,(4.16)
.
Розраховані значення
заносимо в колонку 6 таблиці 4.3.
Імовірність безвідмовної роботи (статистично визначається відношенням середнього наробітку на відмову до сумарного періоду, який включає наробіток на відмову і час відновлення, що імовірно може мати місце на протязі нормативного часу тривалості виконання технологічної операції)
,(4.17)
.
Розраховані значення
заносимо в колонку 7 таблиці 4.3.
Імовірність відмови
,(4.18)
,
Розраховані значення
заносимо в колонку 8 таблиці 4.3.
Визначаємо потребу у запасних вузлах чи деталях (m) для забезпечення безвідмовної роботи машин на період виконання технологічного процесу.
Для цього використовують умову, що імовірність того, що кількість відмов буде меншою від кількості запасних і відновлених вузлів чи деталей за цей період є функцією нормального закону розподілу цієї величини.
Для розв’язання нашої задачі функцією буде імовірність безвідмовної роботи
, аргументом -
,
тоді функціональна залежність матиме такий вид:
. (4.19)
Значення функції нормального закону табульовані і приведені в таблиці.
Задаємо значення
(із колонки 7 таблиці 4.3) а в таблиці додатків знаходимо значення аргументу Z.
Приклад: при
=0,9 маємо - Z=
=1,28.
Звідси можна визначити кількість запасних елементів (вузлів чи деталей)
,
.
приймаємо m=1
Розраховані значення
заносимо в колонку 9 таблиці 4.3.
Зменшити потребу у запасних елементах можна за рахунок кращого технічного обслуговування і відповідної технологічної наладки агрегатів [5].
5. КОНСТРУКТОРСЬКА РОЗРОБКА
5.1 Властивості твердих добрив
Фізико-механічні властивості добрив визначають ступінь механізації робіт по їх зберіганню, переробці, завантажуванні, транспортуванні і внесенню. Важливим показником якості добрив є вміст діючої речовини. По його значенню визначають дози внесення добрив під різноманітні сільськогосподарські культури.
Тверді туки поставляють у вигляді гранул, кристалів чешуєк і порошків. Фізичний стан добрив визначає типи технологічних і транспортних машин, їх робочих органів, а також види сховищ. Для пиловидних добрив використовують закриті ємкості машин і пневматичні робочі органи, для гранульованих відкриті кузова і відцентрові розкидаючи диски. Зберігають гранульовані і кристалічні туки під навісами, пиловидні - в закритих спорудах. Гігроскопічність добрив оказує вплив на їх злежуваність, кут відкосу, розсіюванність, скленоутворення. Гігроскопічність і злежуваність визначають період накопичення туків, тривалість і спосіб їх зберігання, вид упаковки, форму і конструктивне виконання ємкостей і робочих органів машин. Високогігроскопічні і злежуючі добрива випускають в тарі, зберігають короткий проміжок часу тільки під навісами або у закритих складах. Для роботи з таким продуктом в кузовах машин монтують різноманітні ворошилки і склепоруйнівники. Кут природного відкосу і об'ємна маса регламентують форму і параметри ковшів і кузовів машин, а також ступінь заповнення складських ємкостей.
Вологість добрив визначає вибір типу робочих органів машин і форму їх кузовів. Чим вище цей показник, тим трудніше вносити добрива в ґрунт. Такий продукт забиває транспортні системи, налипає на робочі органи, порушує чи припиняє технологічні процеси.
5.2 Будова та робота валкувача
Розкидач органічних добрив приводимо на рисунку 5.1.
Рисунок 5.1 - Валкувач органічних добрив
При такій конструкції валкувача перед дозуючим пристроєм 1 не з'являється переущільнена зона добрив. Відсутність переущільнених зон сприяє рівномірному та постійному протіканню процесу валкування та підвищує експлуатаційну технологічність операцій.
Для більш рівномірного протікання добрив у зоні дозуючого вікна 4 встановлюється крильчатка 5 з приводом від опірного колеса 6, як показано на рисунку.
Зміщення формуючих щитів 2, 3 відповідно вісі трактора дає змогу виключити склепоутворення та переущільнення зон, які виникають перед активним дозуючим пристроєм 1.
Проведені польові випробування валкувача зі зміщеними формуючими щитами показали, що при ширині дозуючого вікна, рівній 0,5 м, формування валка на напівперепрілому навозі проходить стійко та рівномірно, а склепоутворення відсутнє.
5.3 Розрахунок деталі на міцність
Одним з найбільш навантажених елементів конструкції, показаної на рисунку 5.2, являється палець поворотний 2, за допомогою якого валкувач з’єднується з навіскою трактора. Палець поворотний, що випробує деформацію зрізу у чотирьох перетинах знаходиться між провушинами рами. Причому, зусилля, що виникають у лівій і правій парі провушин будуть різними.
Розглянемо, у результаті дії яких зовнішніх зусиль виникають руйнування навантаження і зробимо розрахунок пальця поворотного на міцність.
Кріплення рами валкувача до навіски трактора приводимо на рисунку 5.2.
Рисунок 5.2 - Кріплення рами валкувача до навіски трактора
Розрахункову схему площини зрізу приводимо на рисунку 5.3.
Рисунок 5.3 Розрахункова схема площини зрізу
Схему опори приводимо на рисунку 5.4.
Рисунок 5.4 Схема опори
При русі агрегату, переміщувана щитом маса чинить на нього тиск Рисунок 5.2. Це зусилля може бути розкладено на дві складові, одна з яких спрямована з вектором швидкості руху агрегату (Рт), а друга направлена у поперечному навпрямці (Рс). Аналіз природи цих двох зусиль дає можливість визначити їх величину.
При русі агрегату в процесі роботи трактор переборює зусилля Рт. Зневажаючи тертям переміщуваною маси о робочу поверхню, будемо вважати, що величина Рт не перевищує 10% від величини крюкового зусилля трактора Ркр, яке на першій передачі складає 41,1 кН (Пропускна здатність барабана не дозволяє працювати при швидкості Vр>7,75 км/год.)
Величина опору переміщення щита у продольному напрямі складає:
, кН, (5.1)
кН.
Тоді зусилля робочої маси на щит буде дорівнювати:
, кН, (5.2)
кН.
Зусилля, що зрушує щит у напрямку поперечному вектору швидкості руху агрегату буде дорівнювати:
, кН,(5.3)
кН.
Таким чином, на палець поворотний зі сторони щита діє два вида зусилля: сила
і згинаючий момент
, зображені на розрахунковій схемі рис. 5.3. їх дія призводить до виникнення реакцій
й
, дія яких фактично і може призвести до руйнування пальця. Припускаючи, що рама щита представляє собою абсолютно жорстку конструкцію і враховуючи відстань від центра тиску маси до осі пальця
мм, визначаємо розмір згинаючого моменту.
, кН·м,(5.4)
кН·м.
Для визначення величини реакцій
і
складемо рівняння статики. Сума моментів зовнішніх сил відносно лівої опори повинна дорівнювати нулю.
, (5.5)
звідси:
, кН,
кН.
Таким чином, реакція правої опори спрямована з силою
і дорівнює по величині 16 кН Записав суму моментів відносно правої опори і прирівняв її рівною 0 визначимо величину реакції лівої опори:
,(5.6)
, кН,
кН.
Таким чином, враховуючи конструктивну еквівалентність лівої і правої опор, можна стверджувати, що з точки зору міцності найбільш небезпечною являється ліва опора, зусилля на якої складає 20,24 кН Виконаємо розрахунок мінімального діаметру пальця поворотного, який витримає таке навантаження.
Руйнування пальця поворотного в опорі може статися у результаті зрізу по площинам, що лежать між провушинами і стойками рами щита
(Рисунок 5.3). Як відомо, умова міцності при розрахунку на зріз має вигляд:
.
де
- сила зрізу, кН;
- площа зрізу, м2;
- допустиме граничне напруження у розглянутому випадку у якості руйнівного навантаження приймається величина
=20,24 кН,
=120мПа. (для конструкційних сталей). Враховуючи наявність двох площин зрізу в кожної з опор, мінімально допустима площа поперечного перетину пальцю буде визначатися залежністю:
, м2,(5.7)
мм2.
Таким чином допустимий діаметр пальця дорівнює:
, мм, (5.8)
мм.
Із конструктивних розумінь і з ціллю забезпечення необхідного запасу міцності, при розробці конструкції було прийнято значення діаметра пальця
=40 мм.
6. ОХОРОНА ПРАЦІ
Під час завантаження, транспортування, подрібнення, змішування і внесення у ґрунт будь-яких добрив треба суворо додержувати правил техніки безпеки. Не можна допускати до роботи на машинах осіб які не пройшли інструктажу з техніки безпеки, а також додаткового інструктажу про поводженням з добривами різних видів.
Щоб уникнути нещасних випадків і поломок, мащення машин, регулювання робочих органів і підтягування кріплень слід проводити лише після зупинки машини і двигуна трактора.
Виходити з кабіни і залишати трактор працюючим з завантажувачами, дозволяється лише при опущеному на землю ковші. Під час роботи не можна підходити до навантажувачів з боку робочих органів, стояти на штабелі добрив, під грейфером, ковшем або транспортером навантажувача.
Забороняється переїздити навантажувачем з вантажем у грейфері або на гаку, працювати без опорних домкратів і тоді, коли ширина колії трактора або шасі менше ніж 1800мм. Під час виконання навантажувальних робіт грейферним навантажувачем задні колеса трактора або шасі слід загальмовувати. Не можна навантажувачами відривати від землі добрива, що змерзлися - ці добрива попереду треба розпушити. Під час роботи навантажувачів фронтально-перекидного типу особливо обережно слід розвантажувати ківш, прагнути до того, щоб висота розвантаження була мінімальна порівняно до тієї, яка допускається транспортними засобами. Не можна розвантажувати ківш навантажувача, якщо поблизу знаходяться люди. Забороняється піднімати навантажувачем людей. Не можна підчас роботи перекидним способом висовуватися з кабіни. Не дозволяється змащувати деталі при піднятому ковші і розвертати машину, якщо вантаж проходитиме над людьми.
Забороняється перекидним способом вантажити крупно кускові добрива і вапно.
Перед пуском двигуна трактора або шасі важелі гідророзподільника треба встановити в нейтральне положення. Якщо у з'єднаннях вузлів гідросистеми буде підтікання масла, треба перестати користуватися гідросистемою машини до усунення несправності. Неможна навантажувачами піднімати вантажі, вага яких перевищує зазначену в їх технічних характеристиках. Під час переїздів слід стежити за тим, щоб не допускати пошкоджень дротів електропередач і поломок вузлів навантажувача, його ківш повинен бути у транспортному положенні.
Під час роботи навантажувачів і машин для подрібнення і змішування добрив (особливо курних) обслуговуючий персонал повинен користуватися захисними окулярами, респіраторами і марлевими пов'язками.
Робітників, які працюють на навантажувачах, потрібно забезпечувати спецодягом. Працюючи з автомобільними і тракторними самоскидними причепами, не можна включати гідроциліндр підйомного механізму платформи, коли закриті або відкриті всі защіпки її основи, піднімати навантажену платформу із закритим бортом, а також відкривати защіпки борта при піднятій платформі.
Працювати з причепом можна лише при підключених гальмовій системі і системі електрообладнання.
Забороняється перевозити людей у кузові причепа. Перед виїздом у поле треба перевірити положення фіксаторів платформи.
Плавно, без ривків рушати з місця. Всі передавальні механізми повинні бути закриті захисними щитками. Забороняється перевищувати встановлену швидкість руху, перебувати на розкидачах під час роботи і транспортування.
















