151936 (580673)
Текст из файла
Размещено на http://www.allbest.ru/
Оглавление
1. Исходные данные
2. Предварительное построение теплового процесса турбины в h-S диаграмме
3. Расчет системы регенеративного подогрева питательной воды
4. Расчет регулирующей ступени
5. Расчёт первой и последней нерегулируемых ступеней
-
Исходные данные
Турбина К-1200-240 с электрической мощностью
МВт.
Основные параметры:
| Номинальная и максимальная мощность, | Давление пара: свежего и после промперегрева,
| Температура пара: свежего и после промперегрева, | Давление отработавшего пара,
| Температура питательной воды,
| Число регенеративных отборов пара |
| 1150/1380 | 23,5/3,5 | 540/540 | 3,5 | 274 | 9 |
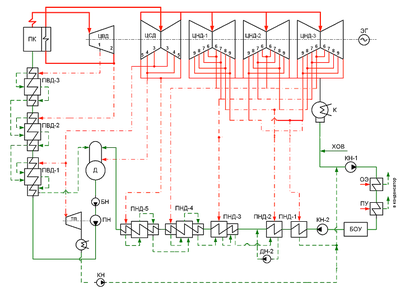
Описание турбины К-1200-240
Рис. 1
Турбина К-1200-240 является самой мощной турбиной, выпускаемой ЛМ3 (рис. 1), а с учетом возможной перегрузки до 1380 МВт – самой мощной в мире. Мощность 1200 МВт обеспечивается при номинальных параметрах пара перед турбиной (23,5 МПа и 540°С), в промежуточном пароперегревателе (540°С), конденсаторе 3,58 кПа (0,0365 кгс/см2) и при дополнительных отборах пара. Максимальная мощность турбины достигается при отключении ПВД.
Турбина работает при частоте вращения 50 l/с.
Конструкция проточной части ЦВД аналогично ЦВД турбин К-300-240 и К-800-243 ЛМ3 выполнена противоточной. Из сопловых коробок пар направляется в четыре ступени левого потока, расположенные во внутреннем корпусе ЦВД, затем поворачивает на 180°, обтекает внутренний корпус и проходит четыре ступени правого потока. Далее четырьмя паропроводами пар из ЦВД с пара метрами 3,9 МПа и 295°С идет в промежуточный пароперегреватель, откуда возвращается по четырем паропроводам к двум блокам стопорных клапанов, расположенным по сторонам ЦСД. Параметры пара после промежуточного перегрева 3,5 МПа и 540°С. Пройдя стопорные клапаны, пар по четырем паропроводам направляется к четырем регулирующим клапанам ЦСД, установленным непосредственно на корпусе ЦСД.
ЦСД - двухпоточный, с двойным корпусом, с восемью ступенями в каждом потоке.
Из выходных патрубков ЦСД пар отводится в две ресиверные трубы (в турбине К-800-240-3 их было четыре) максимальным диаметром 2 м, расположенные на уровне пола машинного зала. Из ресиверных труб пар поступает в каждый из трех корпусов ЦНД по четырем патрубкам (по одному патрубку в верхней и нижней половине ЦНД с двух сторон). Каждый поток ЦНД состоит из пяти ступеней. Длина рабочей лопатки последней ступени равна 1200 мм при среднем диаметре 3 м, что обеспечивает суммарную кольцевую площадь выхода пара 67,8 м2. Лопатка выполнена из титанового сплава ТС-5.
-
Предварительное построение теплового процесса турбины в h-S диаграмме
Принимаю потерю давления в стопорном и регулирующем клапанах 5% от Ро, определяем давление перед соплами регулирующей ступени:
МПа,
чему отвечает температура
и энтальпия ho=3312 кДж/кг.
Потеря давления в выхлопном патрубке:
кПа, где Р2-давление за последней ступенью турбины,
-опытный коэффициент , Сп-скорость пара в выхлопном патрубке.
Давление за последней ступенью турбины: Р2=0,2016 +3,5=3,7016 кПа
Из диаграммы
=3544 кДж/кг
Потери давления в газовом промперегревателе между турбиной и перегревателем оцениваются 0,09-0,11 от Рпп и
МПа
Параметры пара в конце изоэнтропийного расширения: h2t=2184 кДж/кг.
Первый изоэнтропийный перепад:
кДж/кг
Второй:
кДж/кг
Изоэнтропийный перепад энтальпий на турбину равен:
кДж/кг
Действительные перепады энтальпий:
-относительный внутренний КПД принимаю равным 0,8
кДж/кг
кДж/кг
кДж/кг
кДж/кг
кДж/кг
Расход пара турбоустановкой:
кг/с, где kp-коэффициент регенерации,
- механические КПД турбины и электрогенератора (рис. 2).
Рис. 2 - Процесс расширения пара в турбине
-
Расчет системы регенеративного подогрева питательной воды
Температура питательной воды
По давлению в конденсаторе
кПа температура равна
По давлению в деаэраторе
МПа температура равна
Подогрев питательной воды в одном ПВД:
Принимаю нагрев в деаэраторе
и температура питательной воды на входе в деаэратор
Подогрев воды в одном ПНД:
турбина тепловой процесс пар
Таблица 1 - Параметры воды и пара для расчета системы регенеративного подогрева питательной воды
| № п/п | Наименование величины | Единица измерения | ПВД1 | ПВД2 | ПВД3 | Деаэратор | ПНД4 | ПНД5 | ПНД6 | ПНД7 |
| 1 | Температура питательной воды на входе в подогреватель | оС | 241 | 208 | 175 | 165 | 137,4 | 109,7 | 82 | 54,3 |
| 2 | Температура питательной воды на выходе из подогревателя | оС | 274 | 241 | 208 | 175 | 165 | 137,4 | 109,7 | 82 |
| 3 | Энтальпия питательной воды на входе в подогреватель | кДж/кг | 1042,3 | 888,6 | 741,15 | 697,3 | 578,05 | 460,09 | 343,34 | 227,31 |
| 4 | Энтальпия питательной воды на выходе из подогревателя | кДж/кг | 1205,6 | 1042,3 | 888,6 | 741,15 | 697,3 | 578,05 | 460,09 | 343,34 |
| 5 | Температура конденсата греющего пара | оС | 279 | 245 | 213 | 175 | 170 | 142,4 | 114,7 | 87 |
| 6 | Энтальпия конденсата греющего пара отбора | кДж/кг | 1231,4 | 1061,5 | 911,43 | 741,2 | 719,2 | 599,5 | 481,28 | 364,3 |
| 7 | Давление отбираемого пара | МПа | 6,3202 | 3,65 | 2,02 | 0,9 | 0,79 | 0,382 | 0,169 | 0,0625 |
| 8 | Энтальпия отбираемого пара | кДж/кг | 3040 | 2936 | 3436 | 3268 | 3240 | 3104 | 2964 | 2808 |
Рис. 3
Расчет подогревателей (рис. 3):
ПВД 1
Уравнение теплового баланса:
Потери теплоты от излучения нет.
ПВД 2
Рис. 4
ПВД3
Рис. 5
Деаэратор
Рис. 6
ПНД 4
Рис. 7
Рис. 8
ПНД 5
ПНД 6
Рис. 9
ПНД 7
Рис. 10
ПНД 8
Рис. 11
Расходы пара в регенеративные подогреватели в кг/с
Внутренние мощности отсеков турбины в кВт:
Суммарная мощность турбины в кВт:
Относительная ошибка:
Рис. 12 - Процесс расширения пара в одновенечной регулирующей ступени
-
Расчет регулирующей ступени
Определение кинематических параметров потока и относительного лопаточного КПД
Регулирующая ступень, согласно прототипу, одновенечная.
Окружная скорость на среднем диаметре ступени
U=πdсрn
Принимаю средний диаметр ступени dср=1м
U=3,14·1·50=157 м/с
Для выбора оптимального соотношения U/Cф зададимся рядом значений
U/Cф =0,425; 0,45; 0,475; 0,495
Принимаю степень реактивности
=0,03
Коэффициент скорости соплового аппарата
=0,95
Произведем расчет для соотношения U/Cф=0,4
Данные всего расчёта сводятся в таблицу 2.
Условная скорость равна
Характеристики
Тип файла документ
Документы такого типа открываются такими программами, как Microsoft Office Word на компьютерах Windows, Apple Pages на компьютерах Mac, Open Office - бесплатная альтернатива на различных платформах, в том числе Linux. Наиболее простым и современным решением будут Google документы, так как открываются онлайн без скачивания прямо в браузере на любой платформе. Существуют российские качественные аналоги, например от Яндекса.
Будьте внимательны на мобильных устройствах, так как там используются упрощённый функционал даже в официальном приложении от Microsoft, поэтому для просмотра скачивайте PDF-версию. А если нужно редактировать файл, то используйте оригинальный файл.
Файлы такого типа обычно разбиты на страницы, а текст может быть форматированным (жирный, курсив, выбор шрифта, таблицы и т.п.), а также в него можно добавлять изображения. Формат идеально подходит для рефератов, докладов и РПЗ курсовых проектов, которые необходимо распечатать. Кстати перед печатью также сохраняйте файл в PDF, так как принтер может начудить со шрифтами.
















