151899 (580663), страница 2
Текст из файла (страница 2)
Влияние температуры на положение входной характеристики схемы с ОБ при поддержании неизменным ее параметра аналогично ее влиянию на ВАХ полупроводникового диода. В нормальном активном режиме ток эмиттерного перехода можно представить формулой:
С ростом температуры тепловой ток IЭО растет быстрее, чем убывает экспонента из-за увеличения jТ = kT/q. В результате противоположного влияния двух факторов входные характеристики схемы с ОБ смещаются влево при выбранном токе IЭ на величину ΔU (1...2) мВ/°С (рисунок 4,а).
Начало входной характеристики в схеме с ОЭ определяется тепловым током коллекторного перехода IКБО который сильно зависит от температуры, так что начало характеристики при увеличении температуры опускается (рисунок 4, б).
Рисунок 4—Зависимость входных характеристик от температуры для схем с общей базой (а) и с общим эмиттером (б)
Влияние температуры на выходные характеристики схем с общей базой и с общим эмиттером в нормальном активном режиме удобно анализировать по формулам:
и
.
Снятие выходных характеристик при различных температурах должно проводиться при поддержании постоянства параметров (IЭ=const в схеме с ОБ и IБ=const в схеме с ОЭ). Поэтому в схеме с ОБ при IЭ=const рост IК будет определяться только увеличением IКБО (рисунок 5, а).
Рисунок 5—Зависимость выходных характеристик БТ от температуры для схем включения с общей базой (а) и с общим эмиттером (б)
Однако обычно IКБО значительно меньше αIЭ, изменение IК составляет доли процента и его можно не учитывать. В схеме с общим эмиттером положение иное. Здесь параметром является IБ и его надо поддерживать неизменным при изменении температуры. Будем считать в первом приближении, что коэффициент передачи b не зависит от температуры. Постоянство b∙IБ означает, что температурная зависимость IК будет определяться слагаемым (b + 1)IКБО. Ток IКБО (как тепловой ток перехода) примерно удваивается при увеличении температуры на 10°С, и при b >> 1 прирост тока (b + 1)IКБО может оказаться сравнимым с исходным значением коллекторного тока и даже превысить его. На рисунке 5, б показано большое смещение выходных характеристик вверх. Сильное влияние температуры на выходные характеристики в схеме с ОЭ может привести к потере работоспособности конкретных устройств, если не принять схемотехнические меры для стабилизации тока или термостатирование.
13. Какую форму имеет кривая выходного напряжения, если входной сигнал превышает допустимое значение?
Рабочей областью выходных характеристик в режиме усиления является область, ограниченная предельно допустимыми значениями и областями насыщения и отсечки. В этой области характеристики можно считать практически линейными, а транзистор - линейным элементом, т.е. полностью открывается, и он перестает быть управляемым током базы, т.е. переходит в ключевой режим работы.
Рисунок 6—Амплитудная характеристика
14. Какой порядок имеет коэффициент усиления по току, по напряжению и входное сопротивление каскада ОЭ?
При включении с общим эмиттером усиление по току имеет большую величину и происходит без поворота фазы за счёт транзистора. Усиление по напряжению в режиме холостого хода велико и имеет практически такую же величину, как в схеме с общей базой. Однако при реальных сопротивлениях нагрузки усиление по напряжению получается большим, чем в схеме с общей базой, ввиду меньшего по сравнению с этой схемой выходного сопротивления каскада. Передача напряжения осуществляется с вносимым транзистором поворотом фазы на π. Входное сопротивление больше, чем для схемы с общей базой, и значительно меньше, чем для схемы с общим коллектором. Выходное сопротивление меньше, чем для схемы с общей базой, и значительно больше, чем для схемы с общим коллектором.
15. Какой порядок имеет коэффициент усиления по току, по напряжению и входное сопротивление каскада ОК?
Усиление по току имеет большую величину, практически равную усилению в схеме с общим эмиттером, и происходит с поворотом фазы на π за счёт транзистора. Усиление по напряжению отсутствует, а передача напряжения осуществляется без поворота фазы. Входное сопротивление значительно больше, а выходное сопротивление значительно меньше, чем для схем с общей базой и с общим эмиттером. Так как входное напряжение каскада повторяется на выходе, т.е. в эмиттерной цепи, практически без изменения по величине и по фазе, каскад по схеме с общим коллектором носит название эмиттерного повторителя. Такой каскад применяется для преобразования сопротивлений без использования трансформатора.
Рисунок 7— принципиальные электрические схемы усилительных каскадов с общим эмиттером (а) и с общим коллектором (б)
Таблица 1— Параметры элементов усилительных каскадов
| R | R1 | R2 | R к1 | Rэ1 | Rг1 | Rг2 | R3 | R4 | Rэ2 |
| кОм | 22 | 20 | 1,3 | 1 | 1,1 | 1,1 | 18 | 200 | 2 |
| С | Ср1 |
| Ср2 | С1р2 | Сэ1 | Ср3 | С1р3 | Ср4 | С1р4 |
| мкФ | 30 | 0,05 | 30 | 0,05 | 200 | 30 | 0,01 | 30 | 0,05 |
Характеристики транзистора КТ312А:
Ik max=30мА; UКЭmax=20В; Pk max=225мВТ; IКБО=0,2 мкА; h21Э=10…100; fmax=80МГц; rБ=900 Ом; rЭ=30 Ом; r*К=30 кОм; β=50; Ск=4 пФ.
Рисунок 8—Характеристики транзистора КТ312А с проведёнными линиями нагрузки MN по постоянному току и нагрузки СD по переменному току, а также выбрана точка покоя А
Данные для расчёта: Ек=15В, Rн1=1кОм, Rн2=0,2кОм, Сн1=Сн2=0,01мкФ
Проводим линию нагрузки по постоянному току MN, используя выходные характеристики транзистора (рисунок 8). Линия нагрузки MN стоится по двум точкам. Точка N соответствует режиму холостого хода, когда Iк=0, а Uкэ=Ек. Соответственно:
Iк=0, Uкэ=Ек=15 В.
Точка M соответствует режиму, когда Uкэ=0, Iк=Ек/(Rк1+Rэ1).
Соответственно:
Uкэ=0, Iк=Ек/(Rк1+Rэ1)=15/(1,3+1)=6,52 мА.
Выбраем рабочую точку покоя А примерно посредине линии нагрузки по постоянному току MN, проводим через точку покоя А линию нагрузки СD по переменному току под углом , котангенс которого пропорционален результирующему сопротивлению в цепи коллектора по переменному току:
ctg=(a/b)Rн1~;
где a—масштабный коэффициент по оси ординат, мА/мм; b—масштабный коэффициент по оси абсцисс, В/мм.
Rн1=(Rк1Rн1)/(Rк1+Rн1), кОм
Подставляем данные, получаем соответственно:
Rн1=(Rк1Rн1)/(Rк1+Rн1)=(1,3∙1)/(1,3+1)=0,5652 кОм
Подставляем данные а=9мА/мм; b=9В/мм; получаем соответственно:
ctg=(a/b)Rн1~=(9/9)∙0,5652=0,5652
Зная ctg находим : =60028/
Рисунок 9—Временные диаграммы
Определяем графически параметры: Uкп − напряжение на коллекторе в режиме покоя, Iкп − коллекторный ток покоя, Uвыхm − амплитуду неискаженного выходного напряжения.
С учётом масштабных коэффициентов рисунка 9 a1=0,7; b1=0,7:
Напряжение на коллекторе в режиме покоя Uкп=1,986 В,
Коллекторный ток покоя Iкп=4,071 мА,
Амплитуда неискаженного выходного напряжения Uвыхm=5,857 В.
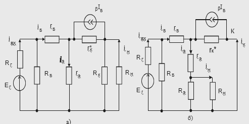
Начертим эквивалентные схемы и рассчитаем основные параметры усилителей по формулам таблицы 2, где Rвх − входное сопротивление каскада с учетом сопротивления делителя RБ, Rвых − выходное сопротивление каскада, Ki=Iн/Iвх − коэффициент усиления по току, KЕ=Uвых/Ег – коэффициент усиления ЭДС Ег источника сигнала, Кu=Uвых/Uвх − коэффициент усиления по напряжению относительно входного напряжения Uвх, Кр=Рвых/Рвх − коэффициент усиления по мощности, знак || означает параллельное соединение резисторов. Результаты расчета занесём в таблицу 3.
Рисунок 10—Эквивалентным схемам для переменных составляющих тока и напряжения с общим эмиттером (а) и с общим коллектором (б)
Таблица 2—Основные параметры усилителей
Таблица 3—Результаты расчётов
| № варианта | Схема включения | Результаты | Параметры | |||||
| Rвх, кОм | Rвых, кОм | КЕ | Ku | Ki | Kp | |||
| 1 | с общим эмиттером | Расчет | 1,99 | 0,8 | 2,24 | 2,71 | 23,14 | 50,21 |
| 1 | с общим коллектором | Расчет | 0,09 | 0,05 | 0,06 | 0,79 | 0,36 | 0,28 |
Рассчитаем коэффициент температурной нестабильности S по формуле:















