151667 (580623)
Текст из файла
1. Основные органы релейной защиты
Пусковые органы
Пусковые органы непрерывно контролируют состояние и режим работы защищаемого участка цепи и реагируют на возникновение коротких замыканий и нарушения нормального режима работы. Выполняются обычно с помощью реле тока, напряжения, мощности и др.
Измерительные органы
Измерительные органы определяют место и характер повреждения и принимают решения о необходимости действия защиты. Измерительные органы также выполняются с помощью реле тока, напряжения, мощности и др. Функции пускового и измерительного органа могут быть объединены в одном органе.
Логическая часть
Логическая часть — это схема, которая запускается пусковыми органами и, анализируя действия измерительных органов, производит предусмотренные действия (отключение выключателей, запуск других устройств, подача сигналов и пр.). Логическая часть состоит, в основном, из элементов времени (таймеров), логических элементов, промежуточных и указательных реле, дискретных входов и аналоговых выходов микропроцессорных устройств защиты.
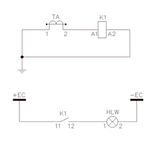
Пример логической части релейной защиты
Катушка реле тока K1 (контакты А1 и А2) включена последовательно со вторичной обмоткой трансформатора тока ТА. При коротком замыкании, на участке цепи, в котором установлен трансформатор тока, возрастает сила тока, и пропорционально ей возрастает сила тока во вторичной цепи трансформатора тока. При достижении силой тока значения уставки реле K1, оно сработает и замкнёт рабочие контакты(11 и 12). Цепь между шинками +EC и -EC замкнётся, и запитает сигнальную лампу HLW. Данная схема приведена как простой пример. В эксплуатации используются более сложные логические схемы.
2. Повреждения и ненормальные режимы работы в энергосистемах
Повреждения вызывают появление значительных аварийных токов и сопровождаются глубоким понижением напряжения на шинах ЭС и ПС. Ток повреждения выделяет большое количество теплоты, которое вызывает сильное разрушение в месте повреждения и опасное нагревание проводов неповрежденных ЛЭП и оборудования, по которым этот ток проходит. Понижение напряжения нарушает нормальную работу потребителей электроэнергии и устойчивость параллельной работы ЭС энергосистемы. (ЭЭС).
Ненормальные режимы обычно приводят к отклонению напряжения, тока и частоты от допустимых значений. При понижении частоты и напряжения создается опасность нарушения нормальной работы потребителей и устойчивости ЭЭС, а повышение напряжения и тока угрожает повреждением оборудования и ЛЭП.
Для уменьшения разрушений в месте повреждения и обеспечения нормальной работы неповрежденной части ЭЭС необходимо возможно быстрее выявлять и отделять место повреждения от неповрежденной части ЭЭС. Опасные последствия ненормальных режимов так же можно предотвратить, если своевременно принять меры к их устранению (например, снизить ток или напряжение при их увеличении), а при необходимости отключить оборудование, оказавшееся в недопустимом для него режиме.
Короткие замыкания, возникающие в электрических сетях, машинах и аппаратах, отличаются большим разнообразием как по виду, так и по характеру повреждения. Для упрощения расчетов и анализа поведения релейной защиты при повреждениях исключаются отдельные факторы, не оказывающие существенного влияния на величины токов и напряжений. В частности, как правило, не учитывается при расчетах переходное сопротивление в месте к. з. и все повреждения рассматриваются как «глухое» или, как говорят, «металлическое» соединение фаз между собой или на землю для сети с заземленной нейтралью. Не учитываются токи намагничивания силовых трансформаторов и емкостные токи линий напряжением до 330—500 кВ. Сопротивления всех трех фаз считаются одинаковыми.
Основные виды коротких замыканий приведены на рис. 1. Междуфазные короткие замыкания — двухфазные и трехфазные — возникают как в сетях с заземленной, так и в сетях с изолированной нейтралью. Однофазные короткие замыкания могут происходить только в сетях с заземленной нейтралью.
Основными причинами, вызывающими повреждения на линиях, являются перекрытия изоляции во время грозы, схлестывание и обрывы проводов при гололеде, набросы, перекрытия загрязненной и увлажненной изоляции, ошибки персонала и др.
Трехфазное короткое замыкание
Симметричное трехфазное короткое замыкание — наиболее простой для расчета и анализа вид повреждения. Он характерен тем, что токи и напряжения во всех фазах равны по величине как в месте к. з., так и в любой другой точке сети: Так как все фазные и междуфазные напряжения в месте трехфазного короткого замыкания равны нулю, а в точках, удаленных от места к.з. на небольшое расстояние, незначительны по величине, рассматриваемый вид повреждения представляет наибольшую опасность для работы энергосистемы.
Двухфазное короткое замыкание
При двухфазном к.з. токи и напряжения разных фаз неодинаковы. С точки зрения влияния на устойчивость параллельной работы генераторов и на работу электродвигателей рассматриваемый вид повреждения представляет значительно меньшую опасность, чем трехфазное короткое замыкание.
Двухфазное короткое замыкание на землю в сети с заземленной нейтралью
Этот вид повреждения для сетей с изолированной нейтралью практически не отличается от двухфазного короткого замыкания. Токи, проходящие в месте к. з. и в ветвях рассматриваемой схемы, а также междуфазные напряжения в разных точках сети имеют те же самые значения, что и при двухфазном к. з.
В сетях же с заземленной нейтралью двухфазное к. з. на землю значительно более опасно, чем двухфазное короткое замыкание. Это объясняется более значительным снижением междуфазных напряжений в месте короткого замыкания, так как одно междуфазное напряжение уменьшается до нуля, а два других — до величины фазного напряжения неповрежденной фазы.
Однофазное короткое замыкание в сети с заземленной нейтралью
Однофазное короткое замыкание может иметь место только в сетях с заземленной нейтралью (как правило, с заземленной нейтралью работают сети напряжением 110 кВ и выше). Однофазные короткие замыкания, сопровождающиеся снижением до нуля в месте повреждения одного
фазного напряжения, представляют меньшую опасность для нормальной работы энергосистемы, чем рассмотренные выше междуфазные к. з.
Однофазное замыкание на землю в сети с малым током замыкания на землю
В сетях с малыми токами замыкания на землю, к которым относятся сети 3—35 кВ, работающие с изолированной нейтралью или с нейтралью, заземленной через дугогасящую катушку, замыкания одной фазы на землю сопровождаются значительно меньшими токами, чем короткие замыкания.
Для снижения тока замыкания на землю применяются специальные компенсирующие устройства — дугогасящие катушки, которые подключаются между нулевыми точками трансформаторов или генераторов и землей. В зависимости от настройки дугогасящей катушки ток замыкания на землю уменьшается до нуля или до небольшой остаточной величины. Поскольку токи замыкания на землю имеют небольшую величину, а все междуфазные напряжения остаются неизменными, однофазное замыкание на землю не представляет непосредственной опасности для потребителей. Защита от этого вида повреждения, как правило, действует на сигнал.
Однако длительная работа сети с заземленной фазой нежелательна, так как длительное прохождение тока в месте замыкания на землю, а также повышенные в 1,73 раза напряжения неповрежденных фаз относительно земли могут привести к пробою или повреждению их изоляции и возникновению двухфазного к. з. Поэтому согласно Правилам технической эксплуатации допускается работа сети с заземлением одной фазы только в течение 2 ч. За это время оперативный персонал с помощью устройств сигнализации должен обнаружить и вывести из схемы поврежденный участок.
В сетях, питающих торфопредприятия и передвижные строительные механизмы, для обеспечения условий безопасности обслуживающего персонала защита от замыканий на землю выполняется с действием на отключение.
3. Реле минимального напряжения типов РНМ и РНВ
Устройство встроенных реле минимального напряжения прямого действия показано на рис. 1
Рис. 1 Реле минимального напряжения прямого действия
Реле мгновенного действия типа РИМ показано на рис. 1, а. Обмотка реле 1 постоянно находится под нормальным напряжением, вследствие чего якорь 3 притянут к неподвижному полюсу 2. Пружина 6, связанная с бойком 4, находится в сжатом состоянии и удерживается системой рычагов 5. Вторая пружина 7, связанная с якорем, растянута и тянет якорь вниз. При понижении напряжения электромагнитная сила уменьшается, и когда она становится меньше противодействующей силы пружины 7, якорь опускается. При этом система рычагов 5 освобождает пружину 6, под действием которой боек 4 движется вверх и производит отключение выключателя.
На рис. 1, б показано реле минимального напряжения с выдержкой времени типа РНВ, которое отличается от рассмотренного реле типа РНМ наличием часового механизма, аналогичного реле типа РТВ.
4. Назначение защиты шин, и вида защит
Специальные защиты шин предназначены для отключения без выдержки времени повреждении, возникающих на сборных шинах. На шинах могут возникать такие же повреждения, как и на линиях: однофазные и многофазные в сетях с заземленной нейтралью, многофазные в сетях с изолированной нейтралью. Защиты шин устанавливаются практически на всех станциях и подстанциях напряжением 110 кВ и выше, работающих в режиме многостороннего питания. Защиты шин используются также и в сетях менее высокого напряжения.
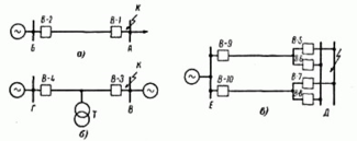
Рис. 1 Схемы электрических соединений
Повреждения на шинах могут быть отключены без специальной защиты шин резервными защитами линий, установленными на соседних подстанциях. Так, например, при коротком замыкании на шинах подстанции А (рис. 1, а) подействуют резервные защиты на подстанции Б и отключат выключатель В-2, отделяя поврежденный участок от остальной сети. Отключение при этом, конечно, происходит с выдержкой времени резервной защиты, а не мгновенно, как при наличии специальной защиты шин. Замедление в отключении приводит к увеличению размеров повреждения в месте короткого замыкания, а в кольцевых сетях может вызвать нарушение устойчивости параллельной работы. Поэтому подстанции 110—500 кВ в кольцевых сетях с многосторонним питанием, как правило, оснащаются специальными защитами шин. На тупиковых же подстанциях защита шин обычно не устанавливается, и повреждения, возникающие на них, отключаются резервными защитами линий на питающих подстанциях.
Специальные защиты шин позволяют также селективно отключить поврежденный участок и предотвратить нарушение электроснабжения дополнительных подстанции. Так, например, в схеме, приведенной на рис. 1, б) в случае короткого замыкания на шинах подстанции В, при срабатывании резервных защит и отключении выключателя В-4 одновременно с поврежденной подстанцией будет отключен и трансформатор Т, подключенный ответвлением к линии. При наличии на подстанции В специальной защиты шин рассматриваемое повреждение будет отключаться выключателем В-3, и питание трансформатора Т сохранится от подстанции Г. Аналогично в схеме на рис. 1, в) при повреждении на одной из систем шин подстанции Д она будет селективно отключена защитой шин, а вторая система шин сохранится в работе. В случае отсутствия защиты шин короткое замыкание будет ликвидироваться отключением выключателей В-9 и В-10, что приведет к погашению обеих систем шин подстанции Д. Таким образом, специальные защиты шин целесообразно применять для ускорения отключения повреждений и повышения селективности.
Дифференциальная защита шин
Принцип действия
Токовые реле (рис.2) подключаются к соединенным параллельно вторичным обмоткам трансформаторов тока, установленных на каждом присоединении. Коэффициенты трансформации всех трансформаторов тока равны.
Рис. 2 Распределение токов в цепях дифференциальной защиты шин при коротком замыкании
Характеристики
Тип файла документ
Документы такого типа открываются такими программами, как Microsoft Office Word на компьютерах Windows, Apple Pages на компьютерах Mac, Open Office - бесплатная альтернатива на различных платформах, в том числе Linux. Наиболее простым и современным решением будут Google документы, так как открываются онлайн без скачивания прямо в браузере на любой платформе. Существуют российские качественные аналоги, например от Яндекса.
Будьте внимательны на мобильных устройствах, так как там используются упрощённый функционал даже в официальном приложении от Microsoft, поэтому для просмотра скачивайте PDF-версию. А если нужно редактировать файл, то используйте оригинальный файл.
Файлы такого типа обычно разбиты на страницы, а текст может быть форматированным (жирный, курсив, выбор шрифта, таблицы и т.п.), а также в него можно добавлять изображения. Формат идеально подходит для рефератов, докладов и РПЗ курсовых проектов, которые необходимо распечатать. Кстати перед печатью также сохраняйте файл в PDF, так как принтер может начудить со шрифтами.















