151649 (580619), страница 2
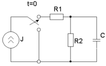
Текст из файла (страница 2)
,
.
Если источник ЭДС синусоидальный, то эту часть задачи решают символическим методом.
2) Рассчитывают новый установившийся режим, находят принужденную составляющую.
t
Видно, что после коммутации в схеме есть только постоянный источник ЭДС и поэтому в принужденном режиме – постоянный ток.
.
3) получают характеристическое уравнение
.
4) записывают решение
5) определяют начальные условия
Для схемы после коммутации записывают систему уравнений по законам Кирхгофа. Число этих уравнений больше, чем число неизвестных, однако при t=0, известны все iL(0) и uC(0), поэтому при добавлении этих независимых условий из полученной при t=0 системы можно найти все остальные зависимые начальные условия, например, методом подстановки.
При решении надо выразить значения токов и напряжений в момент t=0, их производные по времени в момент t=0 через параметры элементов схемы и независимые начальные условия.
Например, для нашей задачи:
В нашей задаче для расчета
надо найти 2 начальных условия, т.к. имеем 2 корня характеристического уравнения и 2 произвольные постоянные, поэтому надо знать
R(0) и
R(0).
Из (1):
,
Из (3):
,
.
6) расчет произвольных постоянных
В нашем случае:
При
:
Тогда из (1)
Из (3)
(2)
Ответ:
, А.
3. Особенности переходных процессов в цепях с одним реактивным элементом
В таких цепях характеристическое уравнение будет первого порядка. Получить это уравнение можно, например, так:
По способу Zвх(p)=0, при этом схемы могут иметь вид:
Рис (1)
,
,
Рис (2)
,
.
Видно, что корень характеристического уравнения получается отрицательным, т.е. с течением времени свободная составляющая
.
Ясно, что в разных схемах различными получаются величина А, величина
, но свободная составляющая всегда будет иметь вид затухающей экспоненты. Для таких функций вводятся специальная характеристика.
Постоянная времени цепи (τ) – есть интервал времени, за который амплитуда свободной составляющей уменьшается в e раз.
Воспользовавшись этим определением, можно найти τ таким образом так как
, то
.
В цепи:
,
т.е. τ зависит только от параметров рассматриваемой цепи (τ не зависит от начальных условий и напряжений источника).
Используя понятие τ, можно условно ввести понятие длительности переходного процесса. Так как
, то
| t | τ | 3τ | 5τ |
| | 0,36 | 0,05 | 0,004 |
В соответствие с этой таблицей принимают, что переходный процесс длится
. К концу этого времени график переходного процесса практически сливается с принужденной составляющей.
Если известен график переходного процесса, из него можно найти τ.
Проще всего сделать так: на глаз определить, где кончается переходный процесс.
Длительность переходного процесса делят на
. Это и будет τ.
- Из графика переходного процесса вычитают принужденную составляющую. Это будет график свободной составляющей. Задаются моментом времени t1 и находят из графика xсв(t1). Делят эту величину на e и получают xсв(t1+ τ). Находят на графике эту величину, из нее определяют время t2 и затем находят τ как τ = t2 - t1
- τ есть величина под касательной к графику переходного процесса. Подкасательная – это проекция на ось времени от точки, в которой проведена касательная до точки пересечения этой касательной с асимптотой.
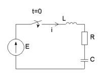
Пример: Дано:
,
,
. Найти i(t), uc(t)
1) t<0
i(0_)=0, uc(0_)=0,
2) t→∞
,
,
Должен существовать переходной процесс, в течении которого от источника энергия передается к конденсатору, а по проводам идет ток, заряжающий конденсатор.
3)
,
4)
;
,
,
,
,
5) Расчет начальных условий.
Тогда из
получают
6)
,
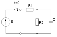
Пример: Дано:
,
,
. Найти
.
1)
,
,
2) Расчет принужденной составляющей.
В данном случае принужденный режим есть синусоидальный ток, поэтому расчет проведем символическим методом.
,
Переходят к мгновенному значению:
,
3)
;
,
4)
5)
6)
,
7)
,
График проще всего построить по этапам:
1) принужденная составляющая;
2) exp соответствует свободной составляющей суммы этих графиков.
4. Переходные процессы в цепях с двумя разнородными реактивными элементами
В этих цепях характеристическое уравнение имеет второй порядок, следовательно, будет два корня и две произвольные постоянные в свободной составляющей. Самое главное это то, что у квадратного уравнения есть 3 типа корней (вещественные различные, вещественные одинаковые и пара комплексно-сопряжённых), поэтому вид свободных составляющих в разных цепях получается различным. Рассмотрим возможные варианты на простейших примерах.
Пример:
1) iL(0_) = 0, uc(0_)=0,
2) i пр = 0, uR пр = iпрR = 0
uC пр = E, uL пр = 0
3) Будем искать ток в цепи. Тогда надо иметь два начальных условия: i(0) и i΄(0).
Для цепи после коммутации:
,
В данной схеме все 3 способа получения характеристического уравнения имеют одинаковую трудоёмкость.
,
,
,
.
В зависимости от величины подкоренного выражения получаются разные типы корней.
Если
, то подкоренное выражение равно нулю, и следовательно получим
. Из выражения (*) видно, что это получается при некотором «критическом» значении сопротивления
.
Если же R > Rкр то подкоренное выражение положительно, и получим два вещественных различных корня. Если R < Rкр, под корнем будет отрицательное число, и получим пару комплексно сопряжённых корней.
1) R > Rкр (два вещественных различных корня) и тогда решение для тока запишется в виде:
,
,
и при t = 0 получаем два уравнения для расчёта произвольных постоянных:
Из (1):
, и подставляя в (2):
График проще построить по частям (принуждённая составляющая и каждое слагаемое свободной составляющей, а затем сложить).
Говорят, что это апериодический процесс.
Аналогично можно получить выражения и графики для напряжения на электродах:
2) R = Rкр
,
при
Графики имеют в этом случае точно такой же вид, как и в предыдущем случае, но в первом случае процессы идут медленнее, чем во втором. Этот случай называется критическим переходным процессом.
3) R < Rкр
,
,
т.е. при α→ 0 ωc стремится к резонансной частоте данной цепи.
Решение запишется в виде:
(классический метод)
(1) в (2):
(1)/(3):
, из (3)
Видно, что в данном случае свободная составляющая представляет собой затухающую во времени синусоиду. Такой переходной процесс называется колебательным или периодическим, и график его проще построить так: симметрично относительно принуждённой составляющей строим график амплитуды свободной составляющей (график огибающей процесса), дальше в график огибающей вписывают синусоиду с её начальной фазой и периодом свободных колебаний.
,
- коэффициент затухания,
- частота свободных колебаний.
Рассматривать цепи более высокого порядка смысла нет, потому что у любого уравнения корни могут быть трёх видов, а для каждого типа корней мы свободную составляющую уже получили.
5. Временные характеристики цепей
Ранее мы рассматривали частотные характеристики, а временные характеристики описывают поведение цепи во времени при заданном входном воздействии. Таких характеристик всего две: переходная и импульсная.
Переходная характеристика
Переходная характеристика - h(t) - есть отношение реакции цепи на входное ступенчатое воздействие к величине этого воздействия при условии, что до него в цепи не было ни токов, ни напряжений.
Ступенчатое воздействие имеет график:
1(t) – единичное ступенчатое воздействие.
Иногда используют ступенчатую функцию, начинающуюся не в момент «0»:
Для расчёта переходной характеристики к заданной цепи подключают постоянный ЭДС (если входное воздействие – напряжение) или постоянный источник тока (если входное воздействие – ток) и рассчитывают заданный в качестве реакции переходный ток или напряжение. После этого делят полученный результат на величину источника.
Пример: найти h(t) для uc при входном воздействии в виде напряжения.
1)
,
2)
,
3)
,
,
,
,
Пример: ту же задачу решить при входном воздействии в виде тока
1)
,
2)
,
3)
,
,
,
,
Импульсная характеристика
Импульсная характеристика - g(t) – есть отношение реакции цепи на входное воздействие в виде дельта - функции к площади этого воздействия при условии, что до подключения воздействия в схеме не было ни токов, ни напряжений.
δ(t) – дельта-функция, дельта-импульс, единичный импульс, импульс Дирака, функция Дирака. Это есть функция:
Рассчитывать классическим методом g(t) крайне неудобно, но так как δ(t) формально является производной
, то найти её можно из соотношения g(t)=h(0)δ(t) + dh(t)/dt.
Для экспериментального определения этих характеристик приходится действовать приближённо, то есть создать точное требуемое воздействие невозможно.
На вход падают последовательность импульсов, похожих на прямоугольные:
tф – длительность переднего фронта (время нарастания входного сигнала);
tи – длительность импульса;
К этим импульсам предъявляют определённые требования:
а) для переходной характеристики:
- tпаузы должно быть таким большим, чтобы к моменту прихода следующего импульса переходный процесс от окончания предыдущего импульса практически заканчивался;
- tи должно быть таким большим, чтобы переходный процесс, вызванный возникновением импульса, тоже практически успевал заканчиваться;
- tф должно быть как можно меньше (так, чтобы за tср состояние цепи практически не менялось);
- Xm должна быть с одной стороны такой большой, чтобы с помощью имеющейся аппаратуры можно было бы зарегистрировать реакцию цепи, а с другой: такой маленькой, чтобы исследуемая цепь сохраняла свои свойства. Если всё это так, регистрируют график реакции цепи и изменяют масштаб по оси ординат в Xm раз (Xm =5В, ординаты поделить на 5).
б) для импульсной характеристики:
tпаузы – требования такие же и к Xm – такие же, к tф требований нет (потому что даже сама длительность импульса tф должна быть такой малой, чтобы состояние цепи практически не менялось. Если всё это так, регистрируют реакцию и изменяют масштаб по оси ординат на площадь входного импульса
.
Итоги по классическому методу
0>














