151230 (580553)
Текст из файла
Федеральное агентство по образованию
Сибирский федеральный университет
Институт цветных металлов и золота
Контрольная работа
Дисциплина: Электроснабжение предприятий
2010
ЗАДАЧА 1
Рассчитать коэффициент усиления
и ограничение выходного напряжения
усилителя, коэффициент обратной связи по напряжению
УП, обеспечивающие статизм внешней характеристики УП в нормальном режиме
= 1,5 %, при условии, что УП имеет линейную характеристику управления с неизменным коэффициентом усиления
, номинальный статизм без обратной связи
и жёсткую внешнюю характеристику
в диапазоне изменения тока нагрузки от 0 до двойного номинального значения
Номинальное напряжение
.
Дано:
= 1,5 %;
;
.
- ?
Решение.
Структурная схема управляемого преобразователя (УП) представлена на рис.1.
Рис.1. Структурная схема УП с входным усилителем и обратной связью по напряжению
Так как согласно исходным данным ЭДС УП без обратной связи остается неизменной при изменении тока нагрузки, то падение напряжения определяется только неизменным внутренним сопротивлением RП и
При действии отрицательной обратной связи по напряжению внешняя характеристика становится более жесткой и
Следовательно, общий коэффициент усиления по замкнутому контуру напряжения (
) определится из соотношения
и
:
.
Так как задано
, то можно определить произведение
Разделить коэффициенты
можно, если известно номинальное значение задающего напряжения Uз.ном.. Пусть Uз.ном. = 10 В, тогда
,
и, следовательно,
.
Тогда
Для определения ограничения выходного напряжения усилителя требуется найти максимальное значение ЭДС УП:
Тогда Uнас = Емах / Кн = 328,4 / 3,24 ≈ 100 В.
Уравнение внешней характеристики:
-
-
Задача 2
Определить, как изменится статизм внешней характеристики УП с данным задачи 1, если ввести дополнительно с помощью положительной обратной связи по напряжению на уровне
.
Решение.
Таким образом, управляемый преобразователь по условию задачи должен иметь две образные связи по напряжению: отрицательную, действующую через входной усилитель с ограничением, как это показано на рис.1, и положительную, которая вводится непосредственно на вход УП. Тогда при критической настройке обратной связи согласно Ко.н.к. = 1/ Ку Кп будет Ко.н.2 = 1/ Кп = 1/5 = 0,2.
Преобразователь, окруженный такой связью, приобретает свойства источника тока с характеристикой
Iн = Uвх / (Ко.н.2 RП).
Для заданного токоограничения
входное напряжение УП, т.е. выходное напряжение усилителя, приобретает значение
Определим внешнюю характеристику УП с учетом одновременного действия отрицательной и положительной связей:
, т.е.
;
.
Сравнивая рабочие участки внешних характеристик в задачах 1 и 2 замечаем, что введение дополнительной положительной связи с критической настройкой повышает статизм в 6,6/4,24 = 1,56 раза при снижении задающего напряжения в 100/33,4 = 3 раза. Однако одновременно обеспечивается надежное ограничение тока на уровне
при условии уменьшения ограничения напряжения усилителя до
-
-
-
Задача 3
Рассчитать коэффициент усиления и минимальное сопротивление в зоне прерывистых токов ТП, имеющего следующие данные: индуктивность нагрузки
=0; максимальное значение линейно изменяющегося опорного напряжения
= 10В; угловой интервал рабочего участка опорного напряжения
=3000; нормальное вторичное напряжение трансформатора
=208В; напряжение короткого замыкания трансформатора
= 4,75%; относительные потери мощности короткого замыкания трансформатора
= 3,75%; напряжение сети
=380В; мощность трансформатора
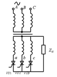
= 7,7 кВА. Схема ТП – трехфазная.
Рис.1. Трехфазная схема ТП
Самая простая схема, но самый большой уровень пульсаций, частота
Гц. Ток Id дополнительно подмагничивает трансформатор, что требует увеличение габаритов трансформатора. Для двигателей до 1-10 кВт.
Тогда
и для малых значений Uy , когда
.
коэффициент усиления ТП
kп =
Это значение kп соответствует касательной к синусоидальной характеристике управления ТП и дает возрастающую погрешность с увеличением Uy. Максимальная погрешность имеет место при Uy = Uymax = 6В (
т.е. 57%. Более точна аппроксимация синусоидальной характеристики в интервале углов 0-900 усредненным значением kп, определенным для угла
, т.е. для Uy = 4В.
Для данной линеаризации:
kп = (141 sin
) / 4 = 30.5
и в диапазоне изменения Uy = 0-4.6 B погрешность по выходному напряжению не превосходит 20%.
Для определения минимального внутреннего сопротивления ТП в зоне прерывистых токов можно пользоваться выражением:
для границы прерывистых токов. Тогда с учетом
и Ld = 0
.
Сравнение последнего сопротивления с сопротивлением от перекрытия вентилей Rп показывает,
,
что
в 2 раза больше RП.
Так как
Где
= SН.тр /
U2л.ном. = 7700 /
208 = 21,4 А.
Следовательно, искомое сопротивление
-
Задача 4
Рассчитать коэффициент усиления и электромагнитную постоянную времени возбуждения генератора имеющего следующие данные:
= 460В;
=435А; n = 3000
;
=8.15;
= 730 – на один полюс;
=16.6Ом;
=1;
=135; 2а = 2; 2р = 4; Ф = 0,0475 Вб; при F = 4750 А.
Коэффициент усиления определяется по выражению:
где w =
.
Полученное значение коэффициента усиления по напряжению соответствует начальному линейному участку характеристики намагничивания и без учета дополнительного сопротивления в цепи возбуждения.
Для проверки полученного значения целесообразно воспользоваться отношением выходного напряжения к напряжению возбуждения в номинальном режиме:
Так как в номинальном режиме генератор в определенной мере насыщен, то неравенство
является необходимым условием справедливости результата расчета
.
Согласно исходным техническим данным генератора может быть подсчитана электромагнитная постоянная времени, соответствующая начальному прямолинейному участку характеристики намагничивания:
-
-
Список литературы
-
Терехов В.М. Элементы автоматизированного электропривода. – М: энергоатомиздат, 1987. – 224 с.
-
Коновалов Л.И., Петелин Д.П. Элементы и системы электроавтоматики. – М.: Высшая школа, 1985.
-
Справочник по средствам автоматики/Под. ред. В.Э. Низэ и И.В. Антика – М.: Энергоатомиздат, 1983.
Характеристики
Тип файла документ
Документы такого типа открываются такими программами, как Microsoft Office Word на компьютерах Windows, Apple Pages на компьютерах Mac, Open Office - бесплатная альтернатива на различных платформах, в том числе Linux. Наиболее простым и современным решением будут Google документы, так как открываются онлайн без скачивания прямо в браузере на любой платформе. Существуют российские качественные аналоги, например от Яндекса.
Будьте внимательны на мобильных устройствах, так как там используются упрощённый функционал даже в официальном приложении от Microsoft, поэтому для просмотра скачивайте PDF-версию. А если нужно редактировать файл, то используйте оригинальный файл.
Файлы такого типа обычно разбиты на страницы, а текст может быть форматированным (жирный, курсив, выбор шрифта, таблицы и т.п.), а также в него можно добавлять изображения. Формат идеально подходит для рефератов, докладов и РПЗ курсовых проектов, которые необходимо распечатать. Кстати перед печатью также сохраняйте файл в PDF, так как принтер может начудить со шрифтами.















