150984 (580518)
Текст из файла
Министерство образования Российской Федерации
Рязанский государственный радиотехнический университет
Кафедра ТОЭ
Расчетно-графическая работа
По теме
Теория электрических цепей
Выполнил
Студент 913 группы
Тюрин Д.М.
Проверил
Мевша А.Л.
Рязань 2010г.
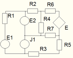
Задание 1
Схема №17
Исходные данные:
R1= 15Ом
R2= 16Ом
R3= 24Ом
R4= 15Ом
R5= 18Ом
R6= 10Ом
R7= 24Ом
E1= 36В
E2= 40В
J1= 1.2A
Решение:
Решим задачу с помощью программы Mathcad.
В начале необходимо ввести значения элементов схемы:
Количество уравнений по 1-ому правилу Кирхгофа: 5
Количество уравнений по 2-ому правилу Кирхгофа: 3
I1+I8-I2=0
I2+I4+I6=0
J1-I8-I3=0
I3-I4-I7=0
I7+I5-I6=0
I1R1+I2R2-I6R6-I5R5-I5I3=E1-E
I2R2-I4R4=E2
I7R7+I6R6-I4R4=E
E=10I3
С помощью программы Mathcad решим полученные уравнения
Результаты:
I1=-0.713 (A)
I2=1.8 (A)
I3=-1.32 (A)
I4=-0.744 (A)
I5=-0.487(A)
I6=-1.06 (A)
I7=-0.572(A)
I8=2.52(A)
E=-13.2 (B)
2. Потребляемая мощность:
PR=I12*R1+I22*R2+I42*R4+I52*(R5+R3)+I62*R6 =96.818(Вт)
Напряжение на источнике тока:
U J1=I7R7-I5(R7+R3)=6.726 (B)
Мощность, отдаваемая всеми источниками:
Pист = E1* I1+ U J1* J1+E2I8+E* I 6=97.195 (Вт)
PR=Pист
Вывод: Потребляемая мощность численно равна мощности, отдаваемой всеми источниками. Следовательно, найденные токи верны.
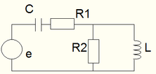
Задание 2
Схема № 35
Исходные данные:
ω = 2200
R1= 200Ом
R2=80Ом
L=90мГн
С=2.5мкФ
е=20cos( ωt+30o)
j=0.1cos( ωt-60o)
Решение:
Найдем значения реактивных сопротивлений:
XL= ωL=2200*0.09=198 (Ом)
XC=1/(ωC)=1/(2.5 * 10-6*2200)=181.8 (Ом)
Найдем входное сопротивление Zвх между точками 1 и 3:
Zвх=
Вычислим комплексное значение источника тока:
Рассчитаем комплексный ток I1:
Рассчитаем комплексное напряжение U13:
Найдём комплексные токи I2 I3:
Перейдём от комплексов амплитудных значений к мгновенным значениям токов:
Активная мощность:
Реактивная мощность:
Полная мощность:
Рассчитаем напряжение на элементах:
Потенциальная и векторная диаграммы:
Вывод: т.к. Е данное и Е полученное с помощью потенциальной диаграммы равны, то следовательно найденные токи верны
Задание 3.
Построить графики АЧХ и ФЧХ
H(0)=0
H(∞)=
С помощью программы Mathcad построим графики:
Характеристики
Тип файла документ
Документы такого типа открываются такими программами, как Microsoft Office Word на компьютерах Windows, Apple Pages на компьютерах Mac, Open Office - бесплатная альтернатива на различных платформах, в том числе Linux. Наиболее простым и современным решением будут Google документы, так как открываются онлайн без скачивания прямо в браузере на любой платформе. Существуют российские качественные аналоги, например от Яндекса.
Будьте внимательны на мобильных устройствах, так как там используются упрощённый функционал даже в официальном приложении от Microsoft, поэтому для просмотра скачивайте PDF-версию. А если нужно редактировать файл, то используйте оригинальный файл.
Файлы такого типа обычно разбиты на страницы, а текст может быть форматированным (жирный, курсив, выбор шрифта, таблицы и т.п.), а также в него можно добавлять изображения. Формат идеально подходит для рефератов, докладов и РПЗ курсовых проектов, которые необходимо распечатать. Кстати перед печатью также сохраняйте файл в PDF, так как принтер может начудить со шрифтами.















