150925 (580505)
Текст из файла
Содержание
Введение
-
Сооружения и устройства электроснабжения
-
Схема электроснабжения железных дорог
-
Система тока и напряжения в контактной сети
-
Задача
Заключение
Список использованной литературы
Введение
Электричество - основа развития экономики, фундамент технического прогресса во всем народном хозяйстве. Нет отрасли, нет современного предприятия, которые не нуждались бы в электричестве. Не может обойтись без него и железнодорожный транспорт.
Из нескольких систем тяги, применяемых на железных дорогах России, самой прогрессивной является электрическая тяга, вождение поездов электровозами. В масштабах страны электрические магистрали составляют сегодня примерно треть от всей длины железных дорог, но по ним осуществляется около двух третей общего объема перевозок, потому что на электротягу переводятся в первую очередь самые грузонапряженные и ответственные линии.
Сложной и ответственной частью технических средств, обеспечивающих движение поездов, является система электроснабжения тяги - комплекс устройств, с помощью которых к электровозу в каждой точке его движения подводится энергия необходимого качества.
В систему электроснабжения входят контактная сеть, смонтированная над путями, тяговые подстанции для преобразования и распределения поступающей от энергосистемы энергии, линии электропередач различного напряжения и назначения.
Современные способы электроснабжения предусматривают использование сложнейших устройств автоматики, электроники, микропроцессорной техники.
Железные дороги с электрической тягой - наиболее надежные, скоростные, высоко-комфортабельные, экономически выгодные линии. Это и наиболее экологически чистый вид транспорта.
-
Сооружения и устройства электроснабжения
Сооружения и устройства электроснабжения должны обеспечивать надежное электроснабжение:
- электроподвижного состава для движения поездов с установленными весовыми нормами, скоростями и интервалами между ними при требуемых размерах движения;
- устройств связи и вычислительной техники как потребителей электрической энергии I категории.
- всех остальных потребителей железнодорожного транспорта в соответствии с установленной МПС России категорией.
При наличии аккумуляторного резерва источника электроснабжения автоматической и полуавтоматической блокировки он должен быть в постоянной готовности и обеспечивать бесперебойную работу устройств связи и вычислительной техники и переездной сигнализации в течение не менее 8 ч при условии, что питание не отключалось в предыдущие 36 ч.
Время перехода с основной системы электроснабжения автоматической и полуавтоматической блокировки на резервную или наоборот не должно превышать 1,3 с.
Для обеспечения надежного электроснабжения должны проводиться периодический контроль состояния сооружений и устройств электроснабжения, измерение их параметров вагонами-лабораториями, приборами диагностики и осуществляться плановые ремонтные работы.
Устройства электроснабжения должны защищаться от токов короткого замыкания, перенапряжений и перегрузок сверх установленных норм.
Металлические подземные сооружения (трубопроводы, кабели и т.п.), а также металлические и железобетонные мосты, путепроводы, опоры контактной сети, светофоры, гидроколонки и т.п., находящиеся в районе линий, электрифицированных на постоянном токе, должны быть защищены от электрической коррозии.
Тяговые подстанции линий, электрифицированных на постоянном токе, а также электроподвижной состав должны иметь защиту от проникновения в контактную сеть токов, нарушающих нормальное действие устройств связи и вычислительной техники.
Высота подвески контактного провода над уровнем верха головки рельса должна быть на перегонах и станциях не ниже 5750 мм, а на переездах не ниже 6000 мм. В исключительных случаях на существующих линиях это расстояние может быть уменьшено до 5675 мм при электрификации линии на переменном токе и до 5550 мм на постоянном токе. Высота подвески контактного провода не должна превышать 6800 мм.
В пределах искусственных сооружений расстояние от токонесущих элементов токоприемника и частей контактной сети, находящихся под напряжением, до заземленных частей сооружений и подвижного состава должно быть не менее 200 мм на линиях, электрифицированных на постоянном токе, и не менее 350 мм - на переменном токе.
В особых случаях на существующих искусственных сооружениях с разрешения МПС России может допускаться уменьшение указанных расстояний.
Расстояние от оси крайнего пути до внутреннего края опор контактной сети на перегонах и станциях должно быть не менее 3100 мм.
Опоры в выемках должны устанавливаться вне пределов кюветов. В особо сильно снегозаносимых выемках (кроме скальных) и на выходах из них (на длине 100 м) расстояние от оси крайнего пути до внутреннего края опор контактной сети должно быть не менее 5700 мм. Перечень таких мест определяется начальником железной дороги.
На существующих линиях до их реконструкции, а также в особо трудных условиях на вновь электрифицируемых линиях расстояние от оси пути до внутреннего края опор контактной сети допускается не менее: 2450 мм на станциях и 2750 мм на перегонах.
Все указанные размеры установлены для прямых участков пути. На кривых участках эти расстояния должны увеличиваться в соответствии с габаритным уширением, установленным для опор контактной сети.
Все металлические сооружения (мосты, путепроводы, опоры), на которых крепятся элементы контактной сети, детали крепления контактной сети на железобетонных опорах, железобетонных и неметаллических искусственных сооружениях, а также отдельно стоящие металлические конструкции (гидроколонки, светофоры, элементы мостов, путепроводов и др.), расположенные на расстоянии менее 5 м от частей контактной сети, находящихся под напряжением, должны быть заземлены или оборудованы устройствами защитного отключения при попадании на сооружения и конструкции высокого напряжения.
Заземлению подлежат также все расположенные в зоне влияния контактной сети и воздушных линий переменного тока металлические сооружения, на которых могут возникать опасные напряжения.
Расстояние от нижней точки проводов воздушных линий электропередачи напряжением свыше 1000 В до поверхности земли при максимальной стреле провеса должно быть на перегонах не менее - 6,0 м (в труднодоступных местах - 5,0 м; на пересечениях с автомобильными дорогами, станциях и в населенных пунктах - 7,0 м).
При пересечениях железнодорожных путей расстояние от нижней точки проводов воздушных линий электропередачи напряжением свыше 1000 В до уровня верха головки рельса неэлектрифицированных путей должно быть не менее 7,5 м.
Схема питания и секционирования контактной сети, линий автоблокировки и продольного электроснабжения должна быть утверждена начальником железной дороги. Выкопировки из этой схемы включаются в техническо-распорядительный акт станции.
-
Схема электроснабжения железных дорог
Вначале для высокоскоростных линий, была разработана система тягового электроснабжения по трехпроводной схеме с использованием автотрансформаторов (АТ), позволившая значительно увеличить расстояние между тяговыми подстанциями. Эта система была затем принята в качестве стандартной для всех железных дорог, электрифицированных на переменном токе. Для участков малой протяженности была специально разработана система электроснабжения с коаксиальным кабелем.
В таблице 1 приведены принципиальные схемы различных систем тягового электроснабжения, применяемых на железных дорогах.
Таблица 1
| Система электроснабжения | Схема электроснабжения |
| Постоянного тока | |
| Переменного тока с отсасывающими трансформаторами (ВТ) | |
| Переменного тока с автотрансформаторами (АТ) | |
| Переменного тока с коаксиальным кабелем |
Схема системы тягового электроснабжения постоянного тока представлена на рисунке 1.
Рис. 1. Схема системы тягового электроснабжения постоянного тока HS CB — быстродействующие сетевые выключатели
Наиболее распространенными схемами электроснабжения систем централизации и блокировок СЦБ) предприятий железнодорожного транспорта являются схемы консольного и встречно-консольного питания. При схеме консольного питания (рис. 2) напряжение в линию СЦБ подается от одной из тяговых подстанций. В случае пропадания основного питания включается резервный выключатель на смежной тяговой подстанции. Если повреждение устойчивое и включение от смежной подстанции не даст успешного результата, резервирование устройств СЦБ производится по стороне 0,4 кВ от линии 6(10) кВ продольного электроснабжения. Расстояние между смежными подстанциями составляет порядка 15–25 км. Схема является основной для участков дорог с тягой на постоянном токе.
Рис. 3. Консольная схема построения ВЛ СЦБ АВР – автоматический ввод резервного питания; АПВ – автоматическое повторное включение; ПЭ – продольное электроснабжение
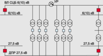
При встречно-консольной схеме (рис. 3) в нормальном режиме питание осуществляется от шин двух тяговых подстанций. В центре фидера устанавливается разъединитель или выключатель с дистанционным управлением. При отключении любой из питающих подстанций выключатель (разъединитель) включается и запитывает обесточенную полузону. В этом случае расстояние между двумя смежными подстанциями составляет 40–50 км. Схема является основной для участков дорог с тягой на переменном токе 27,5 кВ.
Рис. 3. Встречно-консольная схема построения ВЛ СЦБ УР – управляемый разъединитель; ДПР – два провода – рельс
-
Система тока и напряжения в контактной сети
Структура системы электроснабжения электрифицированной железной дороги представлена на рис. 4.
Рис.4. Блок-схема системы электроснабжения электрифицированных железных дорог.
По линиям 110 – 220 кВ электроэнергия поступает в энергохозяйство электрифицированной железной дороги.
Далее электроэнергия к объектам электрифицированной железной дороги поступает различными путями в зависимости от рода тока. Если тяга на постоянном токе, то на тяговой выпрямительной подстанции напряжение воздушных линий 110 – 220 кВ снижается приблизительно до 2,5 кВ, выпрямляется, сглаживается и при постоянном напряжении 3,0 (3,3) кВ передается по контактной сети, откуда питается подвижной состав. При этом вторым полюсом системы электроснабжения являются рельсы.
Если тяга на переменном токе, то имеют место три способа электропитания подвижного состава:
- при напряжении 27,5 кВ (25 кВ) переменного тока частотой 50 Гц;
- при напряжении 2х25 кВ переменного тока (с отсасывающими автотрансформаторами) частотой 50 Гц;
- при напряжении 15 кВ переменного тока частотой 162/3 Гц или 25Гц.
Характеристики
Тип файла документ
Документы такого типа открываются такими программами, как Microsoft Office Word на компьютерах Windows, Apple Pages на компьютерах Mac, Open Office - бесплатная альтернатива на различных платформах, в том числе Linux. Наиболее простым и современным решением будут Google документы, так как открываются онлайн без скачивания прямо в браузере на любой платформе. Существуют российские качественные аналоги, например от Яндекса.
Будьте внимательны на мобильных устройствах, так как там используются упрощённый функционал даже в официальном приложении от Microsoft, поэтому для просмотра скачивайте PDF-версию. А если нужно редактировать файл, то используйте оригинальный файл.
Файлы такого типа обычно разбиты на страницы, а текст может быть форматированным (жирный, курсив, выбор шрифта, таблицы и т.п.), а также в него можно добавлять изображения. Формат идеально подходит для рефератов, докладов и РПЗ курсовых проектов, которые необходимо распечатать. Кстати перед печатью также сохраняйте файл в PDF, так как принтер может начудить со шрифтами.















