150790 (580488)
Текст из файла
Задание на выполнение работы
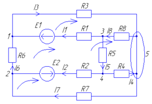
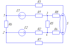
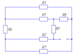
Схема исследуемой цепи:
Рис. 1. Принципиальная схема исследуемой цепи
Таблица 1. Параметры элементов схемы
| Элемент схемы | E1 | E2 | R1 | R2 | R3 | R4 | R5 | R6 | R7 | R8 |
| U, V | 20 | 47 | ||||||||
| RF, | 51 | 130 | 175 | 240 | 300 | 140 | 179 | 500 |
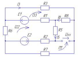
Пункт 1. Рассчитаем значения токов ветвей методом уравнений Кирхгофа. Для расчета используем схему, приведенную на рис. 1. Данная схема содержит 5 узлов, 8 ветвей, 2 источника ЭДС и не содержит источников тока. Подсчитаем количество уравнений системы, составленной по методу Кирхгофа.
Количество уравнений для первого закона равно:
где Nу – количество узлов рассматриваемой принципиальной схемы.
Количество уравнений для второго закона равно:
,
где Nв, NT – количество узлов и источников тока соответственно.
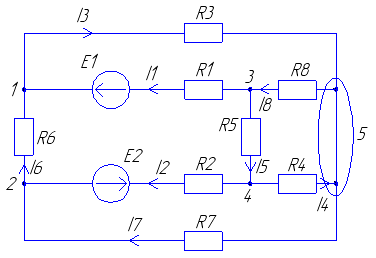
Подставив значения, получаем, что количество уравнений, составленных по первому закону равно 4, а по второму также 4. Приняв положительное направление обхода контуров и направления токов в ветвях, отметим это на схеме (рис. 2.).
Рис. 2
Составим систему уравнений, основываясь на направлениях токов и положительном направлении обхода.
Подставив значения сопротивлений резисторов из таблицы 1, сформируем матричное уравнение вида A X = B, где
Решая указанную систему, получаем искомую матрицу Х, которая содержит значения токов.
Найденные токи перечислены в таблице 2.
Таблица 2
| Номер тока | 1 | 2 | 3 | 4 | 5 | 6 | 7 | 8 |
| Значение тока, mA | 11 | -16 | 2 | 7 | -9 | -10 | 6 | 2 |
Пункт 2. Рассчитаем токи в исходной схеме по методу контурных токов. Количество уравнений для данного метода равно количеству уравнений для второго закона Кирхгофа, которое было подсчитано ранее. Исследуемая принципиальная схема содержит 4 контура, в которых действуют 4 контурных тока, направления которых показаны на рис. 3.
Рис. 3. Условные положительные направления контурных токов
Учитывая эти положительные направления можно записать систему уравнений по методу контурных токов в общем виде:
Собственные сопротивления контуров:
Общие сопротивления контуров:
Контурные Э.Д.С.:
Матрицы, составленные по представленным данным имеют вид:
Решив систему, получим:
Зная контурные токи, находим токи в ветвях:
Сравнивая значения токов, полученные методом контурных токов и методом уравнения Кирхгофа, видим, что они практически совпадают.
Пункт 3. Рассчитаем токи методом узловых напряжений. Схема с нумерацией узлов и условными положительными направлениями узловых напряжений показана на рис. 4.
Рис. 4. Направления узловых напряжений.
Анализируемая схема содержит четыре независимых узла, значит количество уравнений будет равно количеству уравнения первого закона Кирхгофа, а общий вид системы для определения узловых напряжений будет таким:
Собственные проводимости узлов:
Общие проводимости узлов:
Узловые токи:
Матрицы имеют вид:
Решив систему, получим:
Зная узловые напряжения, найдем токи ветвей. Для этого воспользуемся вторым законом Кирхгофа:
Найденные токи совпадают с рассчитанными ранее другими методами.
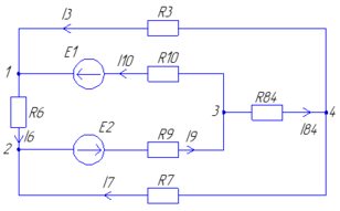
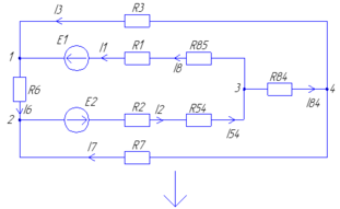
Пункт 4. Преобразование заданной схемы в трёхконтурную.
Рис. 5. Преобразование заданной схемы в трёхконтурную
Изменяются параллельно соединённые участки цепи одним эквивалентным.
Пункт 5. Рассчитаем токи в исходной схеме по методу контурных токов. Схема содержит три независимых контура с тремя контурными токами, она изображена на рис. 6.
Рис. 6. Нахождение тока в преобразованной цепи
Необходимо составить систему уравнений для первого и второго уравнения Кирхгофа.
Составляем матрицу для получения нужных токов.
Получаем искомые токи:
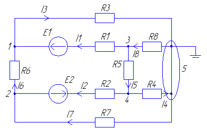
Пункт 6. Расчёт тока в заданной ветке методом эквивалентного генератора.
После разрыва исследуемой ветви схема примет вид, показанный на рис. 7.
Рис. 7.
После разрыва ветви
схема упрощается: резисторы
теперь образуют одну ветвь с током
.
Рассчитаем напряжение холостого хода, составив уравнение второго закона Кирхгофа:
.
Для того, чтобы рассчитать
, необходимо знать токи знать токи
и
. После разрыва
схема содержит 3 независимых контура и 4 независимых узла. Поэтому рассчитаем токи методом контурных токов. Система уравнений в общем виде будет такой:
Собственные сопротивления контуров:
Общие проводимости узлов:
Узловые токи:
Матрицы имеют вид:
,
Ее решение:
Искомые токи
Теперь можно найти
:
Для расчета
исключим из схемы источники энергии, оставив их внутренние сопротивления. Для этого имеющиеся в схеме источники напряжения необходимо замкнуть накоротко. Схема без источников имеет вид (рис. 8):
Рис. 8. Схема для определения
В принципиальной схеме резисторы
,
и
соединены треугольником. Заменим это соединение эквивалентной звездой
,
,
. Имеем:
После замены схема имеет вид (рис. 9):
Рис. 9.
Проведём нужные преобразования ещё раз:
Рис. 10.
После сделанных преобразований мы имеем еще один условный треугольник
,
Рис. 11.
Эквивалентное сопротивление генератора можно найти следующим способом:
Для проверки правильности расчетов определим по формуле эквивалентного генератора ток в ветви с
в исходной схеме:
Этот ток практически совпадает с найденным ранее, что свидетельствует о буквальной правильности вычислений.
| Ток | Метод уравнений закона Кирхгофа | Метод контурных токов | Метод узловых напряжений | Метод уравнений Кирхгофа для преобразованной схемы | Метод эквивалентного генератора |
| I1 | 0,11 | 0,11 | 0,11 | ||
| I2 | -0,16 | -0,16 | -0,12 | ||
| I3 | 0,02 | 0,02 | 0,02 | -0,02 | |
| I4 | -0,07 | -0,07 | 0,07 | -0,1 | -0,07 |
| I5 | -0,1 | -0,1 | -0,1 | ||
| I6 | -0,01 | -0,01 | -0,01 | 0,01 | |
| I7 | 0,06 | 0,06 | 0,06 | 0,06 | |
| I8 | 0,02 | 0,02 | 0,02 | ||
| I9 | 0,15 | ||||
| I10 | 0,11 |
Характеристики
Тип файла документ
Документы такого типа открываются такими программами, как Microsoft Office Word на компьютерах Windows, Apple Pages на компьютерах Mac, Open Office - бесплатная альтернатива на различных платформах, в том числе Linux. Наиболее простым и современным решением будут Google документы, так как открываются онлайн без скачивания прямо в браузере на любой платформе. Существуют российские качественные аналоги, например от Яндекса.
Будьте внимательны на мобильных устройствах, так как там используются упрощённый функционал даже в официальном приложении от Microsoft, поэтому для просмотра скачивайте PDF-версию. А если нужно редактировать файл, то используйте оригинальный файл.
Файлы такого типа обычно разбиты на страницы, а текст может быть форматированным (жирный, курсив, выбор шрифта, таблицы и т.п.), а также в него можно добавлять изображения. Формат идеально подходит для рефератов, докладов и РПЗ курсовых проектов, которые необходимо распечатать. Кстати перед печатью также сохраняйте файл в PDF, так как принтер может начудить со шрифтами.















