150785 (580486)
Текст из файла
Государственный комитет Российской Федерации
по высшему образованию
Тульский государственный университет
Кафедра электротехники и электрических машин
ЭЛЕТРОТЕХНИКА И ЭЛЕКТРОНИКА
Расчетно-графическая работа №1
Расчет цепей постоянного тока.
Вариант №3
Выполнил студент
Горбунов Андрей Николаевич
Группа 220202
Тула 2001г.
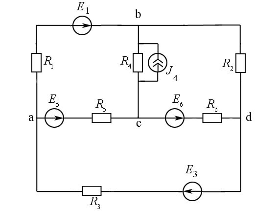
Схема электрическая
Дано:
Задание на работу:
1. Составить на основании законов Кирхгофа уравнения, необходимые для определения всех токов.
2. Определить токи всех ветвей методом контурных токов.
3. Составить систему уравнений узловых потенциалов.
4. С помощью вычисленных токов, определить потенциалы всех узлов и, подставив их значения в уравнение узловых потенциалов, проверить их правильность.
5. Определить ток ветви 5 с помощью теоремы об активном двухполюснике.
6. Начертить потенциальную диаграмму для любого замкнутого контура, содержащего не менее 2-х источников напряжения.
7. Построить график зависимости мощности, выделяемой на резисторе
, от величины его сопротивления в пределах от 0 до
(по точкам 0;
;
;
;
;
).
1. Составим систему уравнений по закону Кирхгофа.
Предварительно преобразуем схему, заменив источники тока эквивалентными источниками ЭДС (рис. 1).
рис. 1
Запишем 1-й закон Кирхгофа для трёх узлов цепи:
Запишем 2-й закон Кирхгофа для трёх контуров цепи:
2. Составляем систему уравнений контурных токов:
3. Составим систему уравнений по методу узловых потенциалов
подставляя числовые значения, получим
4. Определим потенциалы узлов цепи, исходя из того, что
.
Проверяем правильность найденных значений, подставляя их в уравнения узловых потенциалов:
Получили верные равенства, значит потенциалы узлов определены верно.
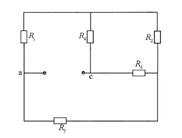
5. Исключим из цепи ветвь с
(рис. 2).
рис. 2
Определим
.
Применим метод контурных токов:
Подставляем числовые значения:
решаем систему уравнений:
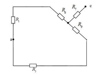
Определим входное сопротивление двухполюсника:
Определим сопротивления:
Определяем
:
6. Строим потенциальную диаграмму (рис. 5) для контура (рис. 4).
рис. 4
рис. 5
7. Строим график зависимости мощности, выделяемой на резисторе
от величины его сопротивления в пределах от 0 до
.
| 0 | | | | | | |
| Rвх, Ом | 0 | 5,17 | 15,5 | 25,9 | 36,2 | 51,7 |
| P, Вт. | 0 | 63,02 | 13,93 | 5,9 | 3,3 | 1,7 |
Характеристики
Тип файла документ
Документы такого типа открываются такими программами, как Microsoft Office Word на компьютерах Windows, Apple Pages на компьютерах Mac, Open Office - бесплатная альтернатива на различных платформах, в том числе Linux. Наиболее простым и современным решением будут Google документы, так как открываются онлайн без скачивания прямо в браузере на любой платформе. Существуют российские качественные аналоги, например от Яндекса.
Будьте внимательны на мобильных устройствах, так как там используются упрощённый функционал даже в официальном приложении от Microsoft, поэтому для просмотра скачивайте PDF-версию. А если нужно редактировать файл, то используйте оригинальный файл.
Файлы такого типа обычно разбиты на страницы, а текст может быть форматированным (жирный, курсив, выбор шрифта, таблицы и т.п.), а также в него можно добавлять изображения. Формат идеально подходит для рефератов, докладов и РПЗ курсовых проектов, которые необходимо распечатать. Кстати перед печатью также сохраняйте файл в PDF, так как принтер может начудить со шрифтами.
















