150781 (580485)
Текст из файла
Южно-Уральский государственный университет
Заочный инженерно - экономический факультет
Семестровое задание №3,4
по Теоретическим основам электротехники
Выполнил студент - заочник 3го курса
Зайцев Игорь Петрович
Шифр – ЭПА-04-588Группа – 347
Семестровое задание № 3
"Расчет трехфазных цепей"
Вариант 331 Задача №1
Постановка задачи
Необходимо рассчитать линейные и фазные токи симметричной 3-х фазной цепи
Содержание работы
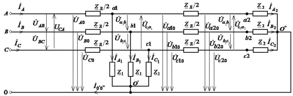
Нарисовать заданную вариантом схему замещения электрической цепи. Указать положительные направления токов линий и фаз;
Нарисовать схему замещения фазы и выполнить расчет линейных и фазных токов и напряжений;
Записать уравнения баланса мощностей для рассчитанной фазы и проверить его выполнение;
Найти линейные и фазные токи и напряжения других фаз;
Рассчитать активную, реактивную и полную мощность 3-х фазной цепи;
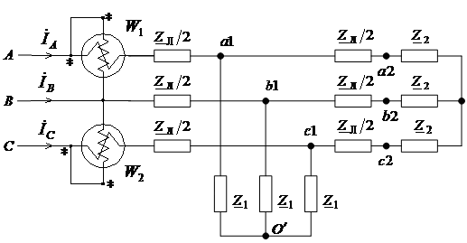
Нарисовать схему включения двух ваттметров для измерения активной мощности 3-х фазной цепи, рассчитать их показания и активную 3-х фазную мощность;
Нарисовать топографическую диаграмму напряжений и векторную диаграмму токов 3-х фазной цепи.
Дано:
| | UЛ =220 В |
Решение:
1. Укажем положительные направления токов линий и фаз. Так как все нейтральные точки источника (0) и нагрузок (0 и 0) имеют одинаковый потенциал, то, не нарушая режима, можно соединить их проводом с нулевым сопротивлением. После этого фазы не будут иметь никаких общих точек, кроме точек нулевого провода. В связи с этим они не будут оказывать в
лияния друг на друга и можно рассмотреть каждую фазу в отдельности.
2. Выделяем фазу A.
Для полученной схемы находим соответствующие токи и напряжения:
Напряжение каждой фазы будет:
В.
(Расчеты в MathCad приведены в приложении1)
Принимаем начальную фазу напряжения
равной нулю, то есть
В
Фазный и линейный ток
10,35e j16A
Остальные токи и напряжения:
106,4e – j9B
7,1 e j81A
9,7 e – j25A
80,3e – j11B
3. Запишем уравнения баланса мощностей для рассчитанной фазы и проверим его выполнение;
1264 – 362,338 i
1264 – 362,338 i
4. По соотношениям симметричного режима определяем остальные линейные напряжения.
220 e j30 B
184 e j21 B
139 e j18 B
28 e j38 B
26 e - j3 B
А токи и напряжения фазы "В" и "С" определяем с учетом сдвига фаз на 120.
| Фаза "А" | Фаза "В" = "А" - 1200 | Фаза "С" = "А" + 1200 |
| | | |
| | | |
| | | |
| | | |
| | | |
| | | |
| | | |
| | | |
| | | |
| | | |
| | | |
5. Активная, реактивная и полная мощность 3-х фазной цепи.
В симметричной трехфазной системе активные, реактивные и полные мощности фаз одинаковы. И соответствующие мощности трехфазной системы равны утроенной мощности одной фазы. Соотношения между линейными и фазными величинами в симметричной системе, соединенной звездой:
соответственно получаем:
ВА;
ВА;
Вт.
6. Схема включения двух ваттметров для измерения активной мощности 3-х фазной цепи, расчет их показаний и активной 3-х фазной мощности.
Величина
может быть замерена ваттметром
, а величина
– ваттметром
, включенными, как показано на рисунке.
| | Из векторной диаграммы следует |
7. Топографическая диаграмма напряжений:
Векторная диаграмма токов.
Семестровое задание № 3
"Расчет трехфазных цепей"
Задача №2
Постановка задачи:
Необходимо рассчитать линейные и фазные токи несимметричной 3-х фазной цепи.
Содержание работы
Нарисовать заданную вариантом схему замещения электрической цепи. Указать положительные направления токов линий и фаз;
Рассчитать линейные, фазные токи и напряжения и ток в нейтральном проводе (если он есть);
Записать уравнения баланса мощностей и проверить его выполнение;
Рассчитать активную мощность 3-х фазной цепи.
Нарисовать топографическую диаграмму напряжений и векторную диаграмму токов 3-х фазной цепи;
Рассчитать симметричные составляющие линейных напряжений на нагрузке (
,
,
) и построить их векторные диаграммы.
Дано:
| | UЛ = 220 В |
Решение:
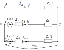
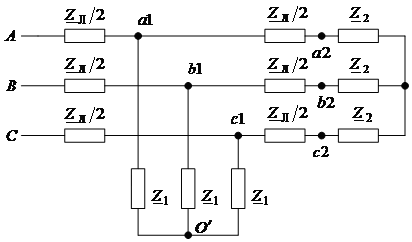
1. Схема замещения электрической цепи. Положительные направления токов линий и фаз;
2. Линейные, фазные токи и напряжения
| Фаза "А" | Фаза "В" | Фаза "С" |
| | | |
| | | |
| | | |
| | | |
| | | |
3. Уравнение баланса мощностей и проверка
Мощность нагрузок
Мощность источников
Топографическая диаграмма напряжений
Векторная диаграмма токов
Характеристики
Тип файла документ
Документы такого типа открываются такими программами, как Microsoft Office Word на компьютерах Windows, Apple Pages на компьютерах Mac, Open Office - бесплатная альтернатива на различных платформах, в том числе Linux. Наиболее простым и современным решением будут Google документы, так как открываются онлайн без скачивания прямо в браузере на любой платформе. Существуют российские качественные аналоги, например от Яндекса.
Будьте внимательны на мобильных устройствах, так как там используются упрощённый функционал даже в официальном приложении от Microsoft, поэтому для просмотра скачивайте PDF-версию. А если нужно редактировать файл, то используйте оригинальный файл.
Файлы такого типа обычно разбиты на страницы, а текст может быть форматированным (жирный, курсив, выбор шрифта, таблицы и т.п.), а также в него можно добавлять изображения. Формат идеально подходит для рефератов, докладов и РПЗ курсовых проектов, которые необходимо распечатать. Кстати перед печатью также сохраняйте файл в PDF, так как принтер может начудить со шрифтами.















