150527 (580457)
Текст из файла
Министерство образования и науки Украины
Донбасский государственный технический университет
Кафедра «Теоретические основы электротехники»
КОНТРОЛЬНАЯ РАБОТА
по курсу: «Основы электропривода»
Выполнил: студент группы
Проверил: канд. тех. наук, доцент
Алчевск 2009
СОДЕРЖАНИЕ
1 Определение понятия «электропривод»
2 Классификация электроприводов
3 Режимы работы электропривода
4 Уравнения движения электропривода при поступательном и вращательном движении
5 Влияние параметров
,
,
на вид скоростных (механических) характеристик двигателя постоянного тока с параллельным возбуждением. Регулирование скорости вращения двигателя
6 Влияние параметров
(сопротивление роторной цепи),
, f на вид механических характеристик асинхронного двигателя с короткозамкнутым и фазным ротором. Способы регулирования скорости вращения асинхронных двигателей
7 Рассчитать для двигателя постоянного тока с параллельным возбуждением
с параметрами: ДП-41 ступени пусковых сопротивлений. Изобразить схему включения сопротивлений в цепь якоря и соответствующие характеристики
8 Рассчитать для асинхронного двигателя с фазным ротором с параметрами: МТВ311-8 ступени пусковых сопротивлений. Изобразить схему включения сопротивлений в цепь ротора и соответствующие расчетные характеристики
Перечень использованной литературы
1 Определение понятия «электропривод»
Электрический привод представляет собой электромеханичёское устройство, предназначенное для приведения в движение рабочего органа машины и управления ее технологическим процессом. Он состоит из трех частей: электрического двигателя, осуществляющего электромеханическое преобразование энергии, механической части, передающей механическую энергию рабочему органу машины, и системы управления, обеспечивающей оптимальное по тем или иным критериям управление технологическим процессом. Характеристики двигателя и возможности системы управления определяют производительность механизма, точность выполнения технологических операций, динамические нагрузки механического оборудования и ряд других факторов. С другой стороны, нагрузка механической части привода, условия движения ее связанных масс, точность передач и т. п. оказывают влияние на условия работы двигателя и системы управления, поэтому электрические и механические элементы электропривода образуют единую электромеханическую систему, составные части которой находятся в тесном взаимодействии.
Свойства электромеханической системы оказывают решающее влияние на важнейшие показатели рабочей машины и в значительной мере определяют качество и экономическую эффективность технологических процессов. Развитие автоматизированного электропривода (рисунок 1.1) ведет к совершенствованию конструкций машин, к коренным изменениям технологических процессов, к дальнейшему прогрессу во всех отраслях народного хозяйства.
Рисунок 1.1 – Схема автоматизированного электропривода
2 Классификация электроприводов
Электроприводы по способам распределения механической энергии можно разделить на три основных типа: групповой электропривод; индивидуальный и взаимосвязанный.
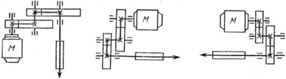
Групповой электропривод обеспечивает движение исполнительных органов нескольких рабочих машин или нескольких исполнительных органов одной рабочей машины. Передача механической энергии от одного двигателя к нескольким рабочим машинам и ее распределение между ними производится с помощью одной или нескольких трансмиссий. Такой групповой привод называют также трансмиссионным (рисунок 2.1).
Рисунок 2.1 – Структурная схема группового трансмиссионного электропривода
Вследствие своего технического несовершенства трансмиссионный электропривод в настоящее время почти не применяется, он уступил место индивидуальному и взаимосвязанному, хотя в ряде случаев еще находит применение и групповой привод по схеме на рисунке 2.2.
Рисунок 2.2 – Структурная схема группового электропривода
Индивидуальный привод по сравнению с трансмиссионным и групповым обладает рядом преимуществ: производственные помещения не загромождаются тяжелыми трансмиссиями и передаточными устройствами; улучшаются условия работы и повышается производительность труда вследствие облегчения управления отдельными механизмами, уменьшения запыленности помещений, лучшего освещения рабочих мест; снижается травматизм обслуживающего персонала. Кроме того, индивидуальный электропривод отличается более высокими энергетическими показателями.
В трансмиссионном приводе при выходе из строя или при ремонте электродвигателя выбывает из работы группа машин, тогда как в случае индивидуального привода или группового по схеме на рисунке 2.2 остановка одного электродвигателя вызывает остановку лишь одной рабочей машины.
Рисунок 2.3 – Индивидуальные электроприводы рабочих органов (шпинделей) продольно-фрезерного станка
Индивидуальный электропривод широко применяется в различных современных машинах, например в сложных металлорежущих станках, в прокатных станах металлургического производства, в подъемно-транспортных машинах, экскаваторах, в роботах-манипуляторах и т. п.
Примером использования индивидуального привода может служить продольно-фрезерный станок (рисунок 2.3), имеющий отдельные электроприводы главных движений (приводы трех шпиндельных бабок).
Взаимосвязанный электропривод содержит два или несколько электрически или механически связанных между собой электродвигательных устройства (или электроприводов), при работе которых поддерживается заданное соотношение или равенство скоростей или нагрузок или положение исполнительных органов рабочих машин. Необходимость в таком приводе часто возникает по конструктивным пли технологическим соображениям.
Примером взаимосвязанного электропривода может служить привод цепного конвейера. На рисунке 2.4 показана схема такого привода, рабочим органом которого является цепь, приводимая в движение двумя или несколькими двигателями (М1, М2), расположенными вдоль цепи. Эти двигатели имеют вынужденно одинаковую скорость.
Взаимосвязанный электропривод широко применяется в различных современных машинах и агрегатах, например в копировальных металлорежущих станках и станках с программным управлением, в бумагоделательных машинах, ротационных машинах полиграфического производства, и текстильных агрегатах, в прокатных станах металлургического производства, в поточных технологических линиях но производству шинного корда, синтетических пленок и т. д.
Рисунок 2.4 – Схема взаимосвязанного привода конвейера
По виду движения электроприводы могут обеспечить: вращательное однонаправленное движение, вращательное реверсивное и поступательное реверсивное движения.
Вращательное однонаправленное, а также реверсивное движение осуществляется электродвигателями обычного исполнения. Поступательное движение может быть получено путем использования электродвигателя вращательного движения обычного исполнения совместно с преобразовательным механизмом (кулисным, винтовым, реечным и т. п.) либо применения электродвигателя специального исполнения для поступательного движения (так называемые линейные электродвигатели, магнитогидродинамические двигатели).
По степени управляемости электропривод может быть:
1) нерегулируемый — для приведения в действие исполнительного органа рабочей машины с одной рабочей скоростью, параметры привода изменяются только в результате возмущающих воздействий;
2) регулируемый — для сообщения изменяемой пли неизменяемой скорости исполнительному органу машины, параметры привода могут изменяться под воздействием управляющего устройства;
3) программно-управляемый — управляемый в соответствии с заданной программой;
4) следящий — автоматически отрабатывающий перемещение исполнительного органа рабочей машины с определенной точностью в соответствии с произвольно меняющимся задающим сигналом;
5) адаптивный — автоматически избирающий структуру или параметры системы управления при изменении условий работы машины с целью выработки оптимального режима.
Можно классифицировать электроприводы и по роду передаточного устройства. В этом смысле электропривод бывает:
1) редукторный, в котором электродвигатель передает вращательное движение передаточному устройству, содержащему редуктор;
2) безредукторный, в котором осуществляется передача движения от электродвигателя либо непосредственно рабочему органу, либо через передаточное устройство, не содержащее редуктор.
По уровню автоматизации можно различать:
1) неавтоматизированный электропривод, в котором управление ручное; в настоящее время такой привод встречается редко, преимущественно в установках малой мощности бытовой и медицинской техники и т. п.;
2) автоматизированный электропривод, управляемый автоматическим регулированием параметров;
3) автоматический электропривод, в котором управляющее воздействие вырабатывается автоматическим устройством без участия оператора.
Два последних типа электропривода находят применение в подавляющем большинстве случаев.
Наконец, по роду тока применяются электроприводы постоянного и переменного тока.
3 РЕЖИМЫ РАБОТЫ ЭЛЕКТРОПРИВОДА
Все режимы в электроприводе делятся на установившиеся (номинальный режим работы) и переходные (пуск, реверс, торможение).
Установившийся режим работы электропривода определяется из условия равенства нулю динамического момента. Этот режим характеризуется работой двигателя с неизменной угловой скоростью, постоянными во времени и равными по величине моментом двигателя и моментом сопротивления. Так как момент, развиваемый двигателем в установившемся режиме, есть функция скорости, то равенство М=Мс возможно только при условии, что момент сопротивления — постоянная величина или функция скорости. Если МС есть функция, например, пути (угла поворота), то даже при постоянной угловой скорости момент сопротивления изменяется во времени и установившийся режим невозможен.
Установившийся режим описывается статическими характеристиками.
Переходным режимом электропривода называют режим работы при переходе от одного установившегося состояния к другому, когда изменяются скорость, момент и ток.
Причинами возникновения переходных режимов в электроприводах является либо изменение нагрузки, связанное с производственным процессом, либо воздействие на электропривод при управлении им, т. е. пуск, торможение, изменение направления вращения и т. п. Переходные режимы в электроприводах могут возникнуть также в результате аварий или нарушения нормальных условий электроснабжения (например, изменения напряжения или частоты сети, несимметрия напряжения и т. п.).
Характер переходного режима электропривода зависит от свойств рабочей машины, типа примененного двигателя и механической передачи, принципа действия и свойств аппаратуры управления, а также от режима работы двигателя (пуск, торможение, прием и сброс нагрузки и т. д.).
Переходные режимы описываются динамическими характеристиками.
4 УравнениЕ движения электропривода
Электродвигатели, преобразующие электрическую энергию в механическую, создают вращательное движение; значительная часть машин-орудий также имеет вращающиеся рабочие органы; поэтому представляется целесообразным вывод уравнения движения сделать сначала для случая вращательного движения.
В соответствии с основным законом динамики для вращающегося тела векторная сумма моментов, действующих относительно оси вращения, равна производной момента количества движения:
Характеристики
Тип файла документ
Документы такого типа открываются такими программами, как Microsoft Office Word на компьютерах Windows, Apple Pages на компьютерах Mac, Open Office - бесплатная альтернатива на различных платформах, в том числе Linux. Наиболее простым и современным решением будут Google документы, так как открываются онлайн без скачивания прямо в браузере на любой платформе. Существуют российские качественные аналоги, например от Яндекса.
Будьте внимательны на мобильных устройствах, так как там используются упрощённый функционал даже в официальном приложении от Microsoft, поэтому для просмотра скачивайте PDF-версию. А если нужно редактировать файл, то используйте оригинальный файл.
Файлы такого типа обычно разбиты на страницы, а текст может быть форматированным (жирный, курсив, выбор шрифта, таблицы и т.п.), а также в него можно добавлять изображения. Формат идеально подходит для рефератов, докладов и РПЗ курсовых проектов, которые необходимо распечатать. Кстати перед печатью также сохраняйте файл в PDF, так как принтер может начудить со шрифтами.
















