150240 (580428)
Текст из файла
Содержание
-
Привести и описать схему дистанционного управления проходческим комбайном 4ПП – 2.
-
Привести схему устройства высоковольтного вентильного разрядника и объяснить его действие.
-
Описать требования, предъявляемые к релейной защите.
-
Что понимается под коэффициентом мощности, и какие способы его повышения применяют на шахтах?
Задачи
1. Привести и описать схему дистанционного управления проходческим комбайном 4ПП – 2
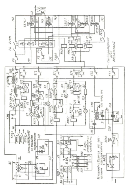
Проходческие комбайны типов ПКЗР. 4ПУ. ГПК. ГПКВ, ПК8М, 4ПП2 комплектуют серийно выпускаемым электрооборудованием со специальными станциями управления в исполнении РВ. Электрические схемы комбайнов обеспечивают выполнение следующих функций: дистанционную подачу электроэнергии на станцию управления; подачу звукового предупредительного сигнала перед началом работы; управление электроприводами комбайна; включение электроприводов в любой последовательности в режиме «Наладка», освещение комбайна; нулевую и максимальную токовую зашиты; подключение температурных реле, встроенных в обм
отки электродвигателей; включение контакторов электропривода хода при работающем исполнительном органе, но выключенных перегружателях; световую сигнализацию о срабатывании защиты от токов к. з. и перегрузок; отключение станции управления при авариях; ряд блокировок исключающих возможность: включения привода исполнительного органа при проведении ремонта в его зоне, работы при нарушенной системе орошения, наезда комбайна на мостовой перегружатель при ходе «Назад»; обеспечивающих последовательность включения электроприводов, снятие напряжения со станции управления при отключении аварийного выключателя; позволяющих проверять схему станции без включения электроприводов; предусматривающих перемещать комбайн при включенном маслонасосе и освобожденных тормозных муфтах редукторов хода.
Отдельные комбайны, например ГПК, комплекс «Кузбасс», имеют счетчики учета рабочего времени.
В качестве примера рассмотрим схему управления комбайном 4ПП2, силовые цепи которого показаны на рис. 7.5, где приводы: Ml — исполнительного органа; М2 — вентилятора пылеотсоса; МЗ — маслонасоса; М4 — питателя; М5 — скребкового конвейера; Мб — прицепного, М7 — мостового перегружателя; М8 и М9 — соответственно левой и правой гусениц; М10 — насосной установки. На комбайне установлена станция управления типа СУВК-9, которая питается от пускателя ПВИ-320, установленного в штреке. Привод насосной станции орошения типа НУМС работает от пускателя ПВИ-63 (ПВИ-320, ПВИ-63 и двигатель НУМС на рисунках не показаны). Электрическая схема обеспечивает выполнение всех функций, изложенных выше, за исключением учета часов работы комбайна. Управлять приводами комбайна можно в одном из трех режимов: со стационарного или переносного пульта управления или в автоматическом режиме. Рассмотрим первый вариант, с учетом взаимодействия элементов схемы, изображенных на рис. 7,5, 7,6 и 7,7. Вначале включают на станции управления аварийный 5-4/ и автоматический SF1 выключатели, а затем кнопкой SB1 включают ПВИ-320 и станция СУВК-9 получает питание. Без дополнительных включений, сразу, получают питание трансформатор TV1, стабилизирующие блоки А12, А13, катушка независимого расцепителя SF4 и вспомогательный контакт SF6 выключателя SF1, вольтметр PV, фары Е1 — ЕЗ, лампа подсветки шкал приборов Е4, реле К1 блока А14, что приводит к замыканию контакта А14-К2 в цепях управления приводами. Для подачи предупредительного сигнала служат акустические излучатели НА1 и НА2, работающие через электронный блок А7 устройства предупредительного сигнала ПС-ИУ, который получает питание при нажатии на кнопку SB 13.1 и дальнейшем шунтировании этой кнопки замыкающими контактами реле К1 (на схеме не показаны) блока Л7. Контакт К2 блока А7 через б с после начала подачи предупредительного сигнала замыкается в цепи реле времени блока А16 и размыкает свои контакты в цепи питания блока А6. Еще через 2с замыкается контакт К3,2 блока А16. За это время необходимо включить привод исполнительного органа или привод перегружателей. Если включение не произойдет, то схема возвращается в исходное положение. Последовательность включения электроприводов такова. Первым включается привод пылеотсоса, затем насосной станции орошения, мостового и прицепного перегружателей, скребкового конвейера и питателя, маслонасоса, хода, и наконец исполнительного органа. Нажатием на кнопку SB6 обеспечивает включение катушки КМ1,1, замыкающие контакты, которой подают питание на катушку КМ11,1, что приводит к срабатыванию контактора КМ11,2, замыканию его силовых контактов и включению двигателя пылеотсоса. Вспомогательный контакт КМ11.5 подготавливает к работе цепь питания катушки КМ2.1 и цепь управления реле К1 блока А4. Контактами КМ11.3 включается пускатель штрека насосной станции НУМС, а контактами КМ11.4 шунтируется кнопка SB6. Если давление и расход воды в системе орошения в норме, то срабатывает реле давления SP1, замыкает свой контакт SP1 в блоке Л/5, контакт А15-К2 в цепи катушки КМ2.1 и реле К1 блока А4. Кнопкой SB12 включают электродвигатели мостового и прицепного перегружателей. Вновь происходит включение реле К1 блока А4, которое своим замыкающим контактом А4-К.2 замыкает контакты в цепи питания катушки KM14.I, что приводит к срабатыванию контактора КМ 14. Включается мостовой и прицепной перегружатели. Дальнейшее включение происходит подобно предыдущему. Остановимся только на включении электропривода исполнительного органа Ml. Для этого установлена кнопка SB8 включающая цепь питания катушки КМ2.1 пускателя KMJ, замыкающий контакт которого КМ2.2 подает напряжение на катушку КМ9.1 контактора КМ9. Включение контактора КМ9 одинаково с включением пускателя ПВИ-250, основа которого — срабатывание контактора при снижении напряжения на 15% номинального. Замыкающий контакт КМ9.4 шунтирует кнопку SB8, а КМ9.6 — вспомогательный контакт КМ14.4 в цепи пускателя КМЗ маслонасоса. Подобная блокировка позволяет включить маслонасос при отключенных перегружателях, питателе и скребковом конвейере и при включенном исполнительном органе. Порядок управления ходом комбайна осуществляется следующим образом. Основная команда подается с гидропульта, что приводит к растормаживанию гусениц хода и включению гидравлического толкателя, который включает кнопку SB20. Включение данной кнопки позволяет выполнить следующие операции:, кнопка SB14 обеспечивает «Ход вперед», SB15 — «Ход назад», SBI6 — «Разворот вправо», SBI7 — «Разворот влево», SB18 — «Поворот вправо», SB19 — «Поворот влево». Этому способствуют контакты реле блокировки (на рисунке не показано) для управления с местного пульта. Если включение происходит с переносного пульта управления (на рисунке также не показан), то используются замыкающие вспомогательные контакты реле РБ, РХВП. РХВЛ, РХНП. РХНЛ, расположенные в блоке реле, которые находятся в станции управления. Световая сигнализация позволяет определить срабатывание защиты от токов к. з. или температурной защиты. При этом загораются лампы Е5 или Е6.
В обычных условиях электроприводы отключают соответствующими кнопками «Стоп», но с соблюдением очередности отключения, а в аварийных ситуациях предусмотрено отключение рукояткой аварийного выключателя SA1; разрыв цепи кнопкой SB5 «Стоп общий» или разрыв цепи с последующей фиксацией кнопкой SB31 в блоке А14. Схемы управления проходческими комбайнами других типов менее сложны, но последовательность включения электроприводов сохраняется для всех комбайнов.
На комбайне ГПК установлено 7 электродвигателей, на комбайне 4ПУ — 6, а проходческий комплекс КН-5Н «Кузбасс» оснащен 11 электродвигателями.
2. Привести схему устройства высоковольтного вентильного разрядника и объяснить его действие
Разрядники выпускают вентильного — РВ (ГОСТ 16357-83) и трубчатого — РТ (ГОСТ 11475-80) типа. На электростанциях применяют разрядники РВС (С — станционные), на подстанциях РВП (П — подстанционные), для защиты вращающихся машин РВРД (РД — с растягивающей дугой). Применяются также магнитовентильные разрядники серии РВМ и РВМГ (М — с магнитным дутьем, Г — грозовой). Трубчатые в фибробакелитовой трубке обозначают РТФ, а в винипластовой трубке — РТВ.
Вентильный разрядник РВП (рис. 9.14) состоит из рабочего сопротивления 5, набранного из вилитовых (тиритовых или тервитовых) дисков, основной частью которых является карбид кремния, и искровых промежутков 3, выполненных из латунныхэлектродов, разделенных слюдяными, миканитовыми или фарфоровыми прокладками. Сжатие прокладок осуществляет пружина 2. Все устройство помещено в фарфоровый корпус 4, герметизированный озоностойкой резиной 6. Для крепления разрядника служит хомут 8 с двумя отверстиями под болты. Разрядник присоединяют к токоведущему проводу пластиной 1, а к земле — с помощью шпильки 7. При номинальном напряжении в линии сопротивление вилита очень велико, и ток через разрядник не проходит. При грозовом разряде напряжение достигает огромных значений, сопротивление вилита падает и волна грозового перенапряжения проходит в землю. После спада волны перенапряжения сопротивление вилита вновь восстанавливается. Вентильные разрядники выбирают по напряжению линии, уровню электрической прочности его изоляции и наибольшему возможному напряжению между проводом и землей в месте присоединения разрядника к сети. Трубчатые разрядники выбирают по напряжению установки и предельным значениям тока к. з. в данной точке сети.
3. Описать требования, предъявляемые к релейной защите
При эксплуатации электросистем могут возникать нарушения нормального режима с отклонением номинальных значений тока, напряжения, частоты и различного рода повреждения, меняющие характеристики номинальных параметров. Для автоматического отключения поврежденных участков от источников питания используют релейную защиту, которая способна воздействовать непосредственно на отключение силовых выключателей или подать соответствующий сигнал обслуживающему персоналу. Защита должна удовлетворять ряду требований, основными из которых являются: быстрота и надежность действия, избирательность, чувствительность, наличие резерва и сигнальных устройств.
Быстродействующей называют защиту, время срабатывания которой не превышает 0,1—0,2 с. Время срабатывания некоторых видов защиты составляет 0,02—0,04 с. Надежность действия состоит в высокой термической и электродинамической стойкости, механической и диэлектрической прочности, постоянной готовности к работе независимо от частоты включений, безотказной работе в пределах установленной зоны защиты и в отсутствии ложных срабатываний. Наличие элементов избирательности позволяет отключать только поврежденные участки сети, не затрагивая комплекс электроустановок или всю систему в целом.
Чувствительность защиты характеризует ее способность реагировать на отклонения контролируемых параметров сети от их нормальных или заданных значений. Она задается коэффициентом чувствительности, который определяется как отношение минимального тока двухфазного к. з. в электрически наиболее удаленной точке зоны действия зашиты к току срабатывания защиты, т. е. Чувствительность защиты определяется ее способностью к срабатыванию не только в пределах защищаемого участка, но и на смежных участках. Данное действие защиты называют дальним резервированием.
Резервирование предусматривают для случаев отказа срабатывания основной релейной защиты или когда аппараты основной защиты по принципу своего действия не в состоянии осуществлять дальнее резервирование.
Каждое реле состоит из трех основных элементов: измерительного (воспринимающего), который реагирует на появление или изменение определенных электрических или механических величин; промежуточного, сравнивающего измеряемую величину с определенным эталоном и при достижении ею заданного значения передающего воздействие к исполнительному элементу; исполнительного, который воздействует на управляемую цепь. Роль измерительного элемента электрических реле выполняют катушки, промежуточного — магнитные системы, исполнительного — контакты.
Реле защиты классифицируют следующим образом: в зависимости от физической величины, на которую происходит реакция, — реле тока, напряжения, мощности, сопротивления, частоты, времени и др.; по принципу действия измерительного элемента — электромагнитные, индукционные, электротермические, электронные и др.; по принципу действия исполнительного элемента — контактные и бесконтактные; по способу воздействия на отключающее устройство — прямого и косвенного действия; по времени действия — безынерционные, быстродействующие, обыкновенные, замедленного действия; в зависимости от способа включения — первичные, непосредственно включаемые в цепь, и вторичные, включаемые через измерительные трансформаторы.
Цепи релейной защиты получают питание от источников постоянного, переменного или выпрямленного оперативного тока. Источниками постоянного тока служат аккумуляторные батареи напряжением 110—220 или 24—48 В. Достоинство аккумуляторных батарей: надежное питание в любой момент времени независимо от наличия или отсутствия напряжения в электросистеме; недостаток — дополнительные затраты на сооружение помещения, приобретение, монтаж и эксплуатацию аккумуляторов. Источниками переменного тока служат измерительные трансформаторы тока и напряжения, трансформаторы собственных нужд подстанций. Для питания цепей защиты используют также энергию, заранее накопленную в конденсаторе, разрядный ток которого можно использовать при отсутствии напряжения на шинах подстанции. Источниками выпрямленного тока служат полупроводниковые выпрямители, сохраняющие преимущества защиты на постоянном токе при отсутствии аккумуляторов.
Характеристики
Тип файла документ
Документы такого типа открываются такими программами, как Microsoft Office Word на компьютерах Windows, Apple Pages на компьютерах Mac, Open Office - бесплатная альтернатива на различных платформах, в том числе Linux. Наиболее простым и современным решением будут Google документы, так как открываются онлайн без скачивания прямо в браузере на любой платформе. Существуют российские качественные аналоги, например от Яндекса.
Будьте внимательны на мобильных устройствах, так как там используются упрощённый функционал даже в официальном приложении от Microsoft, поэтому для просмотра скачивайте PDF-версию. А если нужно редактировать файл, то используйте оригинальный файл.
Файлы такого типа обычно разбиты на страницы, а текст может быть форматированным (жирный, курсив, выбор шрифта, таблицы и т.п.), а также в него можно добавлять изображения. Формат идеально подходит для рефератов, докладов и РПЗ курсовых проектов, которые необходимо распечатать. Кстати перед печатью также сохраняйте файл в PDF, так как принтер может начудить со шрифтами.
















