148222 (580346), страница 2
Текст из файла (страница 2)
Для підтримки необхідного тиску в системі змащення і захисту елементів системи від ушкодження в ній встановлено кілька клапанів.
В основній секції масляного насоса з боку нагнітання встановлений редукційний клапан 4, відрегульований на тиск 0,9…0,95 МПа. Клапан запобігає надмірному підвищенню тиску масла в системі при пуску двигуна, коли його в'язкість підвищена.
Такий же клапан 26 у радіаторній секції насоса відрегульований на тиск 0,25…0,30 МПа (або 2,5…3,0 кгс/см2). Він захищає масляний радіатор від руйнування при підвищенні тиску.
Пропускний клапан 7 встановлений у корпусі центрифуги і служить для того, щоб при пуску холодного двигуна направляти основний потік масла в головну магістраль, минаючи центрифугу. Тим самим поліпшуються умови змащення тертьових поверхонь при пуску і прогріванні двигуна.
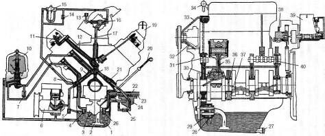
Рис. 2. Функціональна схема системи мащення двигуна типу СМД-60
1 – піддон блок-катера; 2 – маслозабірник; 3 – масляний насос; 4 – редукційний клапан основної секції масляного насоса; 5 – зливальний клапан; 6 – компресор; 7 – перепускний клапан центрифуги; 8 – головна масляна магістраль; 9 – похилий канал у поперечній перегородці блок-катера: 10 – масляна центрифуга; 11 – вісь коромисел: 12 – канал для підведення масла в головку циліндрів; 13 – відвід для виміру тиску масла на двигунах колишніх марок; 14 – перепускний клапан фільтра турбокомпресора; 16 – підшипник ротора турбокомпресора; 17 – трубка зливання масла з турбокомпресора; 18 – вертикальний канал у поперечній перегородці блок-катера; 19 – маслозаливна горловина; 20 – масловимірювальний стержень; 21 – зворотний клапан системи передпускового прокачування масла; 22 – трубка для підведення масла до радіатора; 23 – трубка для зливання масла з радіатора; 24 – насос передпускового прокачування; 25 – перепускний клапан насоса передпускового прокачування; 26 – запобіжний клапан радіаторної секції насоса; 27 – пробка зливального отвору; 28 – радіаторна секція масляного насоса; 29 – основна секція масляного насоса; ЗО – масляна порожнина шатунної шийки колінчатого вала; 31 – отвір в передній шийці розподільного вала; 32 – отвір для зливання масла з водяного насоса; 33 – маслопровід для підведення масла до водяного насосу; 34 – сапун; 35 – масляний каналу шатуні; 36 – поперечний отвір у корінній шийці; 37 – отвір в щоці для підведення масла до шатунної шийки; 38 – опора шестерні паливного насоса; 39 – паливний насос; 40 – отвір в задній шийці розподільного вала
Зливальний клапан 5, встановлений на бічній поверхні блок-картера з правої сторони, підтримує заданий тиск масла в головній магістралі, перепускаючи надлишок масла в піддон. В міру спрацювання деталей двигуна тиск у системі автоматично підтримується на необхідному рівні завдяки зменшенню кількості масла, що зливається через клапан.
Система передпускового прокачування й основна система мащення розділені зворотним клапаном 21, що встановлений на вході маслопроводу в блок-картер. При працюючому двигуні цей клапан перекриває доступ масла з основної магістралі до насоса передпускового прокачування.
Автономне мащення, не пов'язане з циркуляційною системою мащення двигуна, мають пусковий двигун і паливний насос високого тиску (ПНВТ).
Основні механізми пускового двигуна змащуються маслом, що додається і перемішується з бензином при заправленні паливного бачка.
Для змащення редуктора пускового двигуна і ПНВТ використовують звичайне дизельне масло, що заливається в корпус редуктора і ПНВТ до рівня контрольного отвору.
Роботу системи мащення двигуна контролюють за тиском в головній масляній магістралі, який вимірюється манометром, встановленим на щитку приладів. Заміряють тиск у просвердленому каналі картера маховика, де встановлений штуцер.
У системі мащення двигуна передбачена аварійна сигналізація про неприпустиме падіння тиску масла. Датчик аварійного тиску встановлений у похилому отворі четвертої поперечної перегородки блок-картера. При падінні тиску масла в головній магістралі нижче 0,1 МПа (1 кгс/см2) на щитку приладів спалахує лампочка.
3. Принципова схема роботи системи мащення дизелів типу СМД-60
Як у більшості сучасних автотракторних двигунів в дизелі СМД-60 застосовано комбіновану систему мащення, при якій частина деталей змащується примусово, а інші – розбризкуванням і самопливом.
Циркуляція масла в системі забезпечується основним масляним насосом та передпусковим насосом на режимі пуску і здійснюється в такий спосіб.
Передпускове мащення дизеля.
У системі змащення передбачене примусове передпускове прокачування масла. Необхідність такого прокачування масла обумовлюється тим, що при пуску двигуна, коли основний масляний насос ще не забезпечує подачі масла, тертьові поверхні, а особливо підшипники колінчастого вала, працюють без змащення. Внаслідок цього, при пуску спостерігається підвищене спрацювання підшипників і збільшується небезпека їх пошкодження.
Для передпускового прокачування масла використовують одно-секційний масляний насос 34 (рис. 3) шестеренчастого типу, який приводиться в дію пусковим двигуном і забезпечує подачу 13 л/хв масла при частоті обертання 2080 хв–1. Насос передпускового прокачування забирає масло з піддона-картера 1 по трубці Б, по якій на режимі роботи основного двигуна буде зливатися в піддон масло, охолоджене в масляному радіаторі 29. Використання тракторів, обладнаних дизелем СМД-60, в помірній кліматичній зоні не передбачає охолодження масла, що дозволяє використовувати ці маслопроводи лише для передпускового прокачування масла.
Нагнітається масло в головну масляну магістраль 7 через зовнішній трубопровід і похилий отвір 35 в третій поперечній перегородці блок-картера з лівого боку.
Протягом 1–2 хв» 1 роботи пускового двигуна в режимі прогрівання тиск у масляній магістралі основного двигуна підвищується до 0,05…0,10 МПа. В корпусі насоса встановлено перепускний кульковий клапан 36, відрегульований на тиск 1,2 МПа. Спрацювання клапана спрямовує рух масла із нагнітаючої порожнини насоса у всмоктувальну.
Система передпускового прокачування й основна система змащення розділені зворотним клапаном 37, який встановлений на вході маслопроводу в блок-картер. Після запуску основного дизеля і вимкнення пускового двигуна, тиск, який створюється основним масляним насосом, зростає до 0,04…0,05 МПа, тоді зворотний клапан перекриває доступ масла з основної магістралі до насоса передпускового прокачування.
Мащення при роботі основного двигуна.
Основний двохсекційний масляний насос (рис. 3) через мас-лозабірник 2 із грубим сітчастим фільтром засмоктує масло з піддона 1 через всмоктувальний трубопровід А.
Масляний насос виконаний з роздільною подачею масла в масляну магістраль двигуна (основна секція 3 з довжиною зубів шестерень 40 мм) та в масляний радіатор для охолодження (радіаторна секція 27 з довжиною зубів шестерень 10 мм).
Основна нагнітаюча секція масляного насоса 3 по нагнітальному трубопроводу, розташованому усередині двигуна, вертикальному каналу в картері і похилому каналу в правому блоці циліндрів, з продуктивністю -70 л/хв, подає масло до масляної повнопоточної центрифуги 5. Тут частина масла витрачається для обертання ротора центрифуги і після цього зливається в піддон через передбачену для цього литу порожнину на фланці блок-картера. Інша частина масла після очищення в центрифузі направляється по каналах блок-картера в головну масляну магістраль 7, що являє собою просвердлений вздовж правого блоку канал діаметром 17 мм. З головної магістралі масло надходить до всіх основних деталей і вузлів, що змащуються під тиском.
В основній секції масляного насоса з боку нагнітання встановлений редукційний клапан 4, відрегульований на тиск 0,9…0,95 МПа. Клапан запобігає надмірному підвищенню тиску масла в системі при пуску двигуна, коли його в'язкість підвищена.
Перепускний клапан б встановлений у корпусі центрифуги і відрегульований на тиск 0,6…0,75 МПа служить для того, щоб при пуску холодного двигуна направляти основний потік масла в головну магістраль, минаючи центрифугу. Тим самим поліпшуються умови змащення тертьових поверхонь при пуску і прогріванню двигуна.
По похилих каналах масло з головної магістралі надходить у вертикальні канали, що йдуть від корінних підшипників 8, 10, 12,13 до відповідних опорних підшипників розподільного вала 15, 16, 17, 18. Вертикальні канали східчасті, з боку підшипників розподільного вала їх прохідний переріз зменшений, тому більша частина масла направляється до корінних підшипників колінчастого вала.
Для змащення шатунних підшипників 9 першого і четвертого циліндрів масло підводиться від першого корінного підшипника 8, для змащення шатунних підшипників 11 другого і п'ятого циліндрів – від другого корінного підшипника 10 і для змащення шатунних підшипників 14 третього і шостого циліндрів – від четвертого корінного підшипника 13.
Частина масла, що попадає на корінні підшипники, з канавок вкладишів надходить по отворах колінчастого вала в порожнини шатунних шийок. У порожнинах шатунних шийок масло піддається центрифугуванню. Тверді частки, що знаходяться в маслі, під дією відцентрових сил відкидаються до стінок порожнини, а очищене масло через маслозабірні трубки, кінці яких заглиблені ближче до осі шийки, виходить на поверхні підшипників.
Від шатунних підшипників по каналах у стержнях шатунів масло, пульсуючим потоком, подається до втулок верхніх головок шатунів.
Масло, яке витікає через зазори корінних і шатунних підшипників, з підшипників розподільного вала і втулок верхніх головок шатунів, розприскується обертовими деталями і змащує інші тертьові поверхні деталей кривошипно-шатунного механізму: гільзи циліндрів, поршні, поршневі пальці в бобишках поршня.
Гільзи циліндрів і юбки поршнів змащуються маслом, що осідає на стінках гільз.
До лівої головки циліндрів 19 масло йде від першої шийки 15 розподільного вала, до правої головки циліндрів 20 – від четвертої шийки 18. За кожен оберт розподільного вала поперечні отвори в його шийках один раз сполучаються з каналами мащення деталей в головках циліндрів. Завдяки такому пристрою масло подається не безупинним струменем, а короткими імпульсами. Цим обмежується подача масла до клапанного механізму.
З каналу в блоці, масло попадає в канал головки циліндрів і, пройшовши три повороти під кутом 90°, виходить в отвір на фланці, на якому встановлений стояк осі коромисел. По заглибленню на фланці стійки воно надходить у зазор між шпилькою й отвором у стояці і заповнює вісь коромисел, заглушену з обох кінців. По поперечних отворах в осі масло проходить для змащення втулок коромисел, а по отворах у коромислах і регулювальних гвинтах – для змащення регулювального гвинта зі штангою.
Контактні поверхні бойка коромисла і торця клапана змащуються маслом, що витікає з осі коромисел. Стержень клапана і напрямна втулка змащуються невеликою кількістю масла, яке попадає в зазор між ними.
Масло, що стікає по штангах вниз, на шляху в піддон змащує штовхані і кулачки розподільного вала. На поверхню кулачків надходить масло, що збирається в штовхачах і витікає з них через отвір у центрі денця. Масло, що скраплюється на головці циліндрів, стікає в литі колодязі блок-картера і зливається в піддон.
На двигунах типу СМД-60 ряд агрегатів зовнішнього устаткування включені в загальну циркуляційну систему мащення під тиском.
У повітряному компресорі 21 масло під тиском змащує шатунні підшипники колінчастого вала. Інші деталі кривошипно-шатунного механізму змащуються розбризкуванням. Масло до задньої кришки картера компресора підводиться по зовнішній трубці з головної масляної магістралі двигуна (трубка приєднана до блок-картера в місці виходу похилого отвору в другій поперечній перегородці). З задньої кришки через ущільнювач масло надходить у канали колінчастого вала.
З компресора масло зливається через відкриту нижню основу по каналу встановлювального кронштейна в порожнину передньої кришки двигуна.
Для змащення підшипників ротора турбокомпресора 24 масло забирається з головної масляної магістралі в місці виходу похилого каналу у третій поперечній перегородці з правої сторони блок-картера. По зовнішньому маслопроводу масло надходить у додатковий масляний фільтр 22, необхідність установки якого викликана високими вимогами до очищення масла, яке застосовується в підшипниках ротора турбокомпресора. У фільтрі передбачено перепускний кульковий клапан 23, який пропускатиме масло поза фільтруючим елементом у випадку його забивання.
Очищене у фільтрі масло по трубопроводу, підводиться до турбокомпресора. До підшипників воно надходить через просвердлений канал у корпусі фіксатора.
З турбокомпресора масло відводиться по зовнішній трубці, закріпленій кінцями на середньому корпусі турбокомпресора і на фланці в розвалі блоків, де далі зливається в порожнину картера колінчастого вала. Витрата масла для змащення підшипників турбокомпресора становить приблизно 1 л за хвилину.
Для змащення підшийників рідинного насоса 26 використовують частину масла, що надходить від переднього підшипника розподільного вала в головку циліндрів. До насоса воно надходить з лівої головки циліндрів по маслопроводу 25 із броньованого шланга. З насоса масло зливається по просвердленому отвору у корпусі, а потім з порожнини передньої кришки двигуна в піддон картера.
Другий паралельний циркуляційний контур утворює систему охолодження масла через радіатор 29. Циркуляція масла в ньому створюється радіаторною секцією 27 масляного насоса, до якого надходить частина масла з піддона 1 через загальний маслозабірник З фільтром 2. Редукційний клапан 28 у радіаторній секції насоса відрегульований на тиск 0,25…0,30 МПа. Він захищає масляний радіатор від руйнування при підвищенні тиску.
По зовнішній трубці масло подається в масляний радіатор 29, де охолоджується потоком повітря від вентилятора. З радіатора масло повертається в піддон по зливній трубці, яку кріплять загальним фланцем з нагнітальним трубопроводом радіаторної секції. Зливальна трубка опущена нижче рівня масла для того, щоб зменшити піноутворення.
Таким чином, через масляний радіатор проходить не все циркулююче в двигуні масло, а тільки частина його, що складає близько 25% (17,5 л/хв) загальної продуктивності масляного насоса. Змішуючись з гарячим маслом в піддоні, воно підтримує допустиму температуру масла в двигуні. У той же час паралельне підключення масляного радіатора зменшує гідравлічний опір системи.
Зливний клапан 38, встановлений на бічній поверхні блок-картера з правого боку, підтримує тиск масла 0,3…0,35 МПа в головній магістралі, перепускаючи надлишок масла в піддон..В міру спрацювання деталей двигуна тиск у системі автоматично підтримується на необхідному рівні завдяки зменшенню кількості масла, що зливається через клапан. Роботу системи мащення двигуна контролюють за тиском в головній масляній магістралі, який виміряється манометром ЗО, встановленим на щитку приладів. Заміряють тиск у просвердленому каналі картера маховика, де встановлений штуцер.
















