148073 (580312)
Текст из файла
Задание
Разработать операционно-технологическую карту на операцию: скашивание трав на сено
Культура – клевер
Площадь – 300 га
Длина гона – 1000 м
Уклон местности – 1 град.
Марка трактора Т-40
Марка сельскохозяйственной машины КРН-2,1
Допустимая рабочая скорость – 6…9 км/ч
Сроки работ 20.06…10.07.
Количество рабочих дней 6…10.
1. Агротехнические требования
Чтобы получить сено высокого качества и избежать потерь, траву следует скашивать в лучшие агротехнические сроки. Бобовые культуры, к которым относится клевер, убирают в фазу бутонизации и заканчивают уборку не позже фазы цветения. Запаздывание с уборкой трав на 10..15 дней увеличивает потери питательных веществ в сене на 15…20%, а на 20 дней – на 25…30%.
В перестоявших травах содержание перевариваемого белка снижается почти на 50%.
Высоту скашивания устанавливают в зависимости от рельефа почвы и ботанического состава травостоя. Однолетние сеяные травы, и растительность заливных лугов скашивают на высоте 5…6 см, а отаву – 6…7 см, многолетние травы в первый год жизни и при уборке на семена – на высоте 8…9 см. Траву лучше косить в ранние утренние часы. Продолжительность сушки трав первого укоса, проведенного с 6 до 9 часов, сокращается в 3,5 раза по сравнению со временем высушивания трав, скошенных в полдень.
2. Комплектование агрегата
Таблица 1
Тяговые и топливно-экономические показатели трактора Т-40
| Передача | На х.х. | При наибольшей тяговой мощности | ||||||
| Gхх кг/ч | Nкр кВт | Ркр кН | Vт км/ч | Gт кг/ч | iтр | δ % | n об/с | |
| 2 | 3,4 | 35,0 | 13,98 | 6,75 | 9,5 | 68,7 | 9,96 | 29,83 |
| 3 | 3,1 | 36,0 | 11,45 | 8,5 | 9,4 | 57,6 | 9,0 | 28,67 |
2.1 Для выбранных передач находим тяговое сопротивление. Так как привод рабочих органов косилки осуществляется через ВОМ трактора, то расчет осуществляется по следующей формуле:
Rагр= Км*Вр + 0,159NВОМ* iт*мт/Rк*nн , + Gт*sin, кН
где: Км – удельное сопротивление косилки (0,7…1) кН/м; Вр – ширина захвата косилки, м; NВОМ – мощность, передаваемая через ВОМ трактора (3,5…4,5), кВт; iт – общее передаточное число трансмиссии трактора на принятых передачах; мт – механический КПД трансмиссии трактора (для колесных – 0,91…0,92); Rк – динамический радиус качения ведущего колеса трактора, м; nн – номинальная частота вращения коленчатого вала, об/с, ; Gт – сила веса косилки (5,586 кН); – уклон поля.
2.2 Удельное сопротивление косилки с учетом увеличения скорости более чем на 5 км/ч:
Км = Ко[1 + К/100(Vр – Vо)], кН/м
где: Ко – удельное сопротивление машины при 5 км/ч, (0,7…1,1)кН/м; К – темп увеличения сопротивления с ростом скорости, (1,5…3) %; Vр – рабочая скорость, км/с.
2.3 Рабочая скорость с учетом буксования подсчитывается по следующей формуле
Vр = Vт(1 – /100), км/ч
где: Vт – техническая скорость на соответствующей передаче, км/ч; – буксование, для колесных тракторов 12…20%.
Для 2 передачи Vр = 6,75(1 –9,96/100) = 6,08
Км = 1[1+3/100(6,08 – 5)] = 1,03
2.4 Динамический радиус качения определяют из равенства
Rк = R0 +*h, м
где: R0 – радиус посадочной окружности обода колеса – 0,483 м; – коэффициент усадки шины – 0,75; h – высота поперечного профиля шины – 0,262 м.
Rк = 0,483 + 0,75*0,262 = 0,68
Подставляем найденные значения
Rагр2 =1,03*2,1+ 0,159*4,5*68,7*0,92/0,68*29,83+ 5,586*0,0175= 4,49 кН
Для 3 передачи Vр = 8,5(1 –9/100) =7,74
Км = 1[1+3/100(7,74 – 5)] = 1,08
Rагр3 =1,08*2,1 + 0,159*4,5*57,6*0,92/0,68*28,67 + 5,586*0,0175 = 4,32 кН
2.5 Определяем коэффициент использования тягового усилия
= Rаг/Ркр
2 =4,49/13,98 = 0,32
3 =4,32/11,45 = 0,38
2.6 Определяем часовую производительность агрегата
Wч =0,1* Bр* vр* τ, га/ч
где: Bр – рабочая ширина захвата Вр=Вк*0,98, м; Vр – рабочая скорость движения агрегата, км/ч; τ – коэффициент использования рабочего времени (0,7…0,8).
Wч2 = 0,1*2,1*0,98 *6,08*0,8 = 1,00
Wч3 = 0,1*2,1*0,98*7,74 *0,8 = 1,27
Вывод: наиболее рациональной является 3 передача, так как на этой передаче обеспечиваются максимальные значения коэффициента использования тягового усилия и производительности агрегата.
2.7 Количество агрегатов на весь объем работ определяется :
n = Q/Wч*7*m,
где: Q – объем работ, га; m – количество календарных дней
n = 300/1,0*7*10 = 4,29. Принимается 5 агрегатов.
Уточним количество дней, которое потребуется для выполнения всего объема работ 5 агрегатами: m = 300/1,0 *7*5 = 8,6 дней.
3. Подготовка агрегатов к работе
Подготовка трактора Т-40 к работе с косилкой КРН-21 заключается в следующем: колеса трактора устанавливают так, чтобы дорожный просвет был максимальный, а расстояние между серединами шин передних и задних колес (колея) – 1400…1500 мм. Снимают с тракторов скобу прицепа и колпак ВОМ. Гидромеханизмом трактора опускают навесные устройства в крайнее нижнее положение.
Разъединяют силовые рычаги, снимают их со шлицев поворотного вала и устанавливают задние концы продольных тяг на высоте 485 мм от земли до отверстий в сферических шарнирах. В таком положении надевают силовые рычаги на шлицы поворотного вала и соединяют их при максимальном подъеме (до 865 мм). Опускание навесного устройства ниже 485 мм ограничивают установкой хомутиков на штоке силового гидроцилиндра.
При навешивании КРН-2,1 трактор подают задним ходом к косилке. Опускают навесное устройство в крайнее нижнее положение, так чтобы шарниры задних концов продольных тяг расположились против рамы навески косилки. Рукоятку распределителя гидромеханизма ставят в «плавающее» положение. Механизм навески рамы косилки соединяют с центральной и продольными тягами навесного устройства трактора. Устанавливают шарнир карданной передачи косилки на ВОМ трактора и закрепляют его. Блокируют продольные тяги навесной системы, чтобы рама косилки не смещалась относительно продольной оси трактора. Гидромеханизмом поднимают косилку так, чтобы режущий аппарат не касался земли, и вертикальными тягами выравнивают раму в поперечном направлении, а верхней тягой в продольном. После настройки длина раскосов должна быть 515 мм, а верхней тяги 820 мм.
При подготовке косилки к работе необходимо отрегулировать горизонтальность режущего аппарата, высоту среза, положение режущего аппарата относительно шатуна и трактора, натяжение приводных ремней, положение полевой доски и отводящих прутков, давление башмаков на почву.
Перед началом работы косилку смазывают и обкатывают на месте в течение 5…10 мин вхолостую на малых оборотах коленчатого вала двигателя трактора с постепенным увеличением их до нормальных.
4. Подготовка поля
Подготовку поля сеноуборочными машинами начинают весной – убирают все, что мешает работе агрегата: камни, остатки скирд и т.д. Большие поля разбивают на загоны прямоугольной формы (размер загона должен соответствовать дневной выработке агрегата). Обкашивают загоны и поворотные полосы.
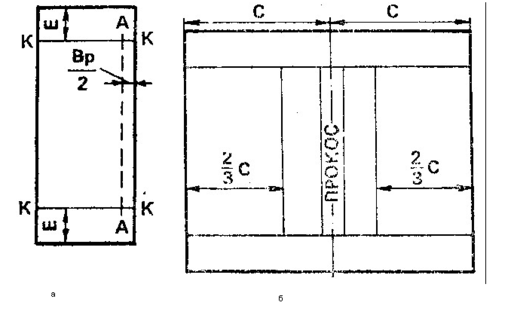
На полях, с длиной гона более 600 м применяют гоновые способы движения с направлением по часовой стрелке (рис.1). Длинная сторона загона на полях естественных трав должна совпадать с длинной стороной луга, а на полях, засеянных травами, – с направлением пахоты.
Ширина поворотной полосы:
Е = 2,8Rп + 0,5Ваг, м
где: Rп – минимальный радиус поворота агрегата зависит от ширины агрегата (1,1 Ваг), м; Ваг – ширина агрегата, м.
Е = 2,8*1,1*2,1 + 0,5*2,1 =7,5 м.
Рис. 1. Гоновые способы движения: а) круговой гоновый; б) с расширением прокосов.
Рис.2. Подготовка поля: а) к круговому гоновому способу движения; б) с расширением прокосов
Оптимальная ширина загона, м
Sа = 16* Rn2 +2 Bаг* Lг, м
где: Lг – рабочая длина гона.
Sа = 16 2,312 + 2*2,1*1000 = 65,5 м
5. Работа агрегата в загоне
Подъехав к полю, производят регулировку косилки в зависимости от условий работы.
Режущий аппарат косилки должен располагаться в горизонтальной плоскости и опираться на почву башмаками. Это достигается изменением длины верхней тяги навесной системы трактора и натяжением пружин механизма уравновешивания.
Давление башмаков на почву регулируют компенсационными пружинами. Давление внутреннего башмака 0,27…0,7 кН, наружного – 0,10…0,.3 кН.,
Регулируют тяговый предохранитель гайкой. Он должен срабатывать при усилии 3 кН, приложенном посередине режущего аппарата.
При первом пробном проходе важно правильно выбрать скоростной режим работы косилки, добиваясь минимальных потерь при максимальной производительности.
Проехав 50…100 м, агрегат необходимо остановить и проверить качество его работы.
При загонном способе движения агрегат совершает прямолинейные ходы вдоль гона (рабочий ход) и совершает повороты (холостой ход) на конце гона. Для работы по схеме агрегат вразвал агрегат начинает работу с левой стороны загона, заезжая на расстоянии ½ Ваг, совершает рабочий ход, далее выполняет беспетлевой поворот на поворотной полосе по часовой стрелке. Выкашивая участок, агрегат выезжает через середину первого загона, и агрегат направляется по такой же схеме во второй загон.
При движении с расширением прокосов (рис. 1,б и 2,б), скашивание начинают с прокоса между смежными загонами, и последовательно расширяет его, выкашивая длинные стороны первого и второго загонов. Когда ширина прокосов достигнет ширины каждой из оставшихся нескошенных частей первого и второго загонов, докашивают с обеих сторон первый, а затем второй загон.
При выезде из загона и во время поворота агрегата, привод на режущий аппарат необходимо отключать.
При завершении работ необходимо обработать поворотную полосу за два прохода агрегата.
6. Показатели использования и эксплуатационные затраты
6.1 Сменная производительность агрегата
Wсм = 0,1* Bр* vр*Тр = 0,1* Bр* vр* tсм* τ , га/см
Wсм3 = 0,1*2,1*0,98 *7,74*7*0,8 = 8,92
6.2 Расход топлива
G = Gсм/ Wсм = (Gр*Тр + Gхх*Тхх)/ Wсм, кг/га
где: Gр, Gхх, – расход топлива при рабочем движении и на холостом ходу, кг/ч; Тр, Тхх, – время затраченное на выполнение работы и холостого хода, ч.
G = (9,4 * 5,6 + 3,1 *1,4)/8,92 = 6,38
6.3 Затраты рабочего времени
Затраты рабочего времени на единицу выполненной работы
Зт = Р/ Wч, чел.-ч/га
где: Р – число работающих на агрегате, чел.
Зт =1/1,27 = 0,79
6.4 Эксплуатационные затраты
Эз =Сз +Са +Стр.то + Ст, руб/га
где: Сз – заработная плата механизаторов; Са – амортизационные отчисления; Стр.то – затраты на текущий ремонт и техническое обслуживание; Ст – затраты на топливо и смазочные материалы.
Сз = nz/Wч , руб/га
где: n – число рабочих, обслуживающих агрегат; z – оплата рабочих по соответствующему тарифному разряду (по 8 разряду 5,62) руб/ч.
Сз = 1*5,62/1,27 = 4,43
Са = А / Wч, руб/га
где:; А – сумма амортизационных отчислений трактора и схм, руб/ч.
Са = (7,6 + 5,2) /1,27 = 10,08
Аналогично определяются затраты на текущий ремонт и техническое обслуживание
Стр.то =(8,3 + 3,8) /1,27 = 9,53
Ст = Цт *G, руб/га
где: Цт – комплексная цена топлива, руб/га
Ст = 9 * 6,38= 57,42
Находим сумму всех затрат
Эз = 4,43 + 10,08 + 9,53 + 57,42 = 81,46 руб/га
7. Контроль и оценка качества
Таблица 2
Оценка качества скашивания трав
| Показатель | Метод определения | Инструменты и приспособления | Отклонение (допуски) | Балл | Исполнитель | Периодичность |
| Высота среза | Замеряют высоту среза стерни по ходу агрегата через 10 м, а по ширине – в двух местах, расположенных на ¼ захвата от делителя. Подсчитывают среднюю высоту по 10 замерам. | Линейка, сажень | 0,5 см 1 см 2 см | 5 4 3 | Агроном, тракторист | 2-3 раза в смену |
| Равномерность укладки растений в прокос или валок | Визуально | Равномерно Неравномерно | 2 0 | Агроном, тракторист | 2-3 раза в смену | |
| Потери травы, % | Визуально | Рамка 0,5м 2 или 1м 2 | До 2 Более 2 | 2 0 | Агроном, тракторист | 2-3 раза в смену |
8.Охрана труда
Безопасность механизатора при работе на машинно-тракторных агрегатах зависит главным образом от соблюдения требований безопасности при эксплуатации самих машин. К началу работ МТА должен быть исправным, и укомплектован необходимым оборудованием.
Необходимо следить, чтобы перед пуском и во время работы никто не находился впереди агрегата. При остановке агрегата обязательно выключать привод рабочих органов. Движение начинать с подачи звукового сигнала.
Характеристики
Тип файла документ
Документы такого типа открываются такими программами, как Microsoft Office Word на компьютерах Windows, Apple Pages на компьютерах Mac, Open Office - бесплатная альтернатива на различных платформах, в том числе Linux. Наиболее простым и современным решением будут Google документы, так как открываются онлайн без скачивания прямо в браузере на любой платформе. Существуют российские качественные аналоги, например от Яндекса.
Будьте внимательны на мобильных устройствах, так как там используются упрощённый функционал даже в официальном приложении от Microsoft, поэтому для просмотра скачивайте PDF-версию. А если нужно редактировать файл, то используйте оригинальный файл.
Файлы такого типа обычно разбиты на страницы, а текст может быть форматированным (жирный, курсив, выбор шрифта, таблицы и т.п.), а также в него можно добавлять изображения. Формат идеально подходит для рефератов, докладов и РПЗ курсовых проектов, которые необходимо распечатать. Кстати перед печатью также сохраняйте файл в PDF, так как принтер может начудить со шрифтами.
















