147650 (580218), страница 2
Текст из файла (страница 2)
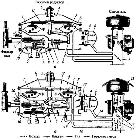
При неработающем двигателе и закрытом расходном вентиле давление в полости первой ступени I равно атмосферному и клапан первой ступени находится в открытом положении под действием усилия пружины 9 мембраны 10 и двуплечего рычага 8.
Клапан второй ступени II редуктора при неработающем двигателе находится в закрытом положении и плотно прижат к седлу конической и цилиндрической пружинами через двуплечий рычаг 6.
При открытом расходном вентиле и включенном электромагнитном клапане газ поступает в полость первой ступени редуктора (рисунок 2б). Давление газа действует на мембрану 1, которая преодолевая усилие пружины 3, прогибается и через рычаг 6 закрывает клапан 7. Давление газа в полости первой ступени регулируется изменением усилия пружины 2 с помощью гайки в пределах 0,16… 0,18 МПа. Контролируют это давление по установленному в кабине дистанционному электрическому манометру, соединенному с датчиком, размещенным на редукторе.
При пуске двигателя и его работе на средних нагрузках, когда дроссельные заслонки полуоткрыты (рисунок 2б), под дроссельными заслонками газового смесителя создастся вакуум, который передается в полость В экономайзерного устройства. В результате действия вакуума мембрана вакуумного разгрузочного устройства прогибается вниз и сжимает коническую пружину 3, тем самым разгружая клапан 7 второй ступени. В результате этот клапан под давлением газа из первой ступени открывается, преодолевая усилие цилиндрической пружины 2 мембраны 1. Газ заполняет полость второй ступени и поступает в смеситель по трубопроводу 19.
Рисунок 2. - Схема работы двухступенчатого редуктора:
а - при закрытом магистральном вентиле; б - во время пуска и работы двигателя;
1 и 10 - мембраны второй и первой ступеней; 2 и 9 - пружины второй и первой ступеней; 3 - коническая пружина; 4 - обратный клапан; 5 - дроссельная заслонка; 6 и 8 - двуплечие рычаги второй и первой ступеней; 7 и 11 - клапаны второй и первой ступеней; 12 - мембрана разгрузочного устройства; 13 - дозатор-экономайзер; 14 и 19 - трубопроводы для газа; 15 - воздушный фильтр; 16 - смесительная камера; 17 - впускной трубопровод; 18 - вакуумный трубопровод; 20 - предохранительный клапан; I - первая ступень редуктора; II - вторая ступень редуктора; А - атмосферная полость; Б - вакуумная полость; В - полость экономайзерного устройства.
На максимальной нагрузке (рисунок 2б) при полном открытии дроссельных заслонок вакуум в смесительной камере 16 становится достаточным для преодоления усилия пружины мембраны экономайзера. В результате открывается обратный клапан 4 и газ начинает поступать дополнительно через дозаторэкономайзер 13. При увеличении общей подачи газа по трубопроводам 14 и 19 обогащается газовоздушная смесь и повышается мощность двигателя.
Литература
1. Двигатели КамАЗ-740.11-240, 740.13-260, 740.14-300: Руководство по эксплуатации, техническому обслуживанию, ремонту (под ред. Гатауллина Н.А.). М.: РусьАвтокнига, 2002.
2. Рубец Д.А., Шухов О.К. Системы питания автомобильных карбюраторных двигателей. Изд.2-е, перераб. и доп. М., "Транспорт", 1974, 288 с.
3. ВАЗ-2106, - 03. Руководство по эксплуатации, техническому обслуживанию и ремонту. Серия: Мой автомобиль. Издательство: Третий Рим, 2008.
















