147581 (580207), страница 2
Текст из файла (страница 2)
39,38—39,57 мм для вала впускных клапанов: 39,88—40,07 мм для вала выпускных клапанов;
Зазоры в механизме привода клапанов на горячем / холодном двигателе составляют, мм:
впускные клапаны 0,32—0,40/ 0,25—0,33;
выпускные клапаны 0,37—0,45/ 0,32—0,40.
На распределительных валах впускных клапанов наносится маркировка «I», выпускных клапанов — «Е»
Фазы газораспределения указаны в табл. 5 без учета зазора между кулачками распределительных валов и толкателями.
Таблица 5 Фазы газораспределения
| Начало открытия впускного клапана до ВМТ такта выпуска, опережение | 0° |
| Закрытие впускного клапана после НМТ такта сжатия, запаздывание | 34° |
| Начало открытия выпускного клапана до НМТ рабочего хода, опережение | 42° |
| Закрытие выпускного клапана до ВМТ такта выпуска, опережение | 0° |
Привод распределительных валов на двигателях проводится от коленчатого вала двумя цепями. Одна цепь, имеющая 80 звеньев, вращает промежуточную звездочку, вторая, имеющая 54 звена, передает вращение промежуточной звездочки распределительным валам. Цепи натягиваются гидравлическими натяжителями.
Диаметр опорных шеек распределительных валов, мм:
шейка №1 (со стороны привода распределительного вала) 27,935—27,955
шейки №2—5 23,935—23,955
Радиальный зазор распределительных валов, мм:
номинальный 0,045—0,086
максимально допустимый 0,15
Осевой зазор распределительных валов, мм:
номинальный 0,070—0,143
максимально допустимый 0,2
Рис. 3. Детали механизма газораспределения двигателей GA16DE: 1 — шкив коленчатого вала; 2 — башмак натяжителя; 3 — прокладка;
4 — натяжитель цепи привода промежуточной звездочки; 5 — звездочка впускного распределительного вала; 6 — натяжитель цепи привода распределительных валов; 7 — звездочка выпускного распределительного вала; 8 — цепь привода распределительных валов; 9 — распределительный вал впускных клапанов; 10 — распределительный вал выпускных клапанов; 11 — регулировочная шайба; 12 — толкатель;
13 — сухари; 14 — тарелка пружины; 15 — пружина; 16 — маслоотражательный колпачок; 17 — опорная шайба пружины; 18 — клапан; 19 — ось промежуточной звездочки; 20 — промежуточная звездочка; 21 — успокоитель; 22 — цель привода промежуточной звездочки; 23 — звездочка коленчатого вала; 24 — втулка привода масляного насоса; 25 — передняя крышка привода распределительных валов
4. Система смазки
Смазка двигателя осуществляется под давлением, создаваемым шестеренчатым масляным насосом, приводимым от коленчатого вала. Система смазки включает в себя, кроме того, масляный фильтр и редукционный клапан, который ограничивает давление масла.
Масляный насос шестеренчатого типа установлен в передней крышке привода механизма газораспределения.
Датчик давления масла ввернут в заднюю плоскость блока цилиндров с правой стороны от масляного фильтра. Сигнальная лампа давления масла загорается при падении давления масла ниже 0,2 кгс/см2.
Масляный фильтр двигателей Nissan типа 15208-Н8903 неразборный, установлен с задней стороны блока цилиндров. Над втулкой крепления масляного фильтра находится перепускной клапан, который срабатывает в случае засорения масляного фильтра. Вместимость фильтра 0,4 л. При замене масла масляный фильтр заменяется.
-
Рис. 4. Детали системы смазки двигателей GA14DE и GA16DE: 1 — масляный фильтр; 2 — щуп для проверки уровня масла; 3 — датчик давления масла; 4 — втулка крепления масляного фильтра; 5 — направляющая трубка щупа для проверки уровня масла; 6 — передняя крышка привода распределительных валов; 7 — ведомая шестерня масляного насоса; 8 — ведущая шестерня масляного насоса; 9 — крышка масляного насоса; 10 — втулка привода масляного насоса; 11 — уплотнительное кольцо; 12 — маслоприемник; 13 — плунжер редукционного клапана; 14 — пружина; 15 — пробка редукционного клапана; 16 — масляный картер; 17 — пробка сливного отверстия; 18 — блок цилиндров
-
-
5. Система охлаждения
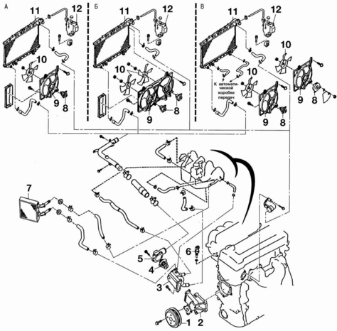
Система охлаждения двигателей Nissan с принудительной циркуляцией охлаждающей жидкости, обеспечиваемой центробежным насосом. Он приводится поликлиновым ремнем от шкива коленчатого вала. Система включает в себя радиатор, расширительный бачок, водяной насос, термостат, патрубки и один или два электровентилятора в зависимости от комплектации. Детали системы охлаждения приведены на рис. 5 Водяной насос установлен на передней крышке привода распределительного механизма. Термостат установлен рядом с водяным насосом.
Температура начала открытия основного клапана термостата 76,5° С. Полный ход штока основного клапана 8 мм соответствует температуре охлаждающей жидкости 90° С.
Радиатор системы охлаждения с вертикальными алюминиевыми трубками и пластмассовыми бачками. На автомобилях с автоматической коробкой передач в нижний бачок радиатора встроен масловодяной теплообменник.
Давление срабатывания предохранительного клапана пробки радиатора 0,8—1,0 кгс/см2.
Расширительный бачок вместимостью 0,7 л изготовлен из пластмассы, крепится в моторном отсеке перед аркой правого переднего колеса.
Датчик температуры охлаждающей жидкости с обратным температурным коэффициентом. Сопротивление датчика при температуре 60° С составляет 70—90 Ом, при 100° С — 21—24 Ом.
На автомобилях с механической коробкой передач устанавливается один односкоростной электровентилятор, включаемый посредством реле. На автомобилях с механической коробкой передач и кондиционером устанавливаются два односкоростных вентилятора. На автомобилях с автоматической коробкой передач два двухскоростных вентилятора, которые включаются двумя реле. Вентиляторы крепятся за радиатором системы охлаждения. Реле располагаются в блоке реле, установленном в моторном отсеке. Сопротивление управляющей обмотки реле 75 Ом.
Рис. 5. Детали системы охлаждения: А — автомобили с механической коробкой передач без кондиционера; Б — автомобили с механической коробкой передач с кондиционером; В — автомобили с автоматической коробкой передач; 1 — шкив водяного насоса; 2 — водяной насос; 3 — корпус термостата; 4 — термостат; 5 — крышка термостата; 6 — датчик температуры охлаждающей жидкости; 7 — радиатор отопителя салона; 8 — электродвигатель вентилятора; 9 — кронштейн электровентилятора; 10 — крыльчатка вентилятора; 11 — радиатор системы охлаждения двигателя; 12 — расширительный бачок
-
-
6. Система питания
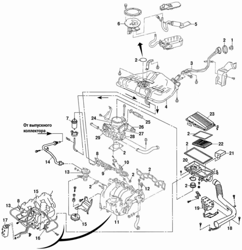
Система включает в себя следующие основные элементы: топливный бак, электрический топливный насос, погруженный в бак, регулятор давления топлива, регулятор холостого хода, датчики и четыре топливные форсунки (рис. 6.). Стальной штампованный топливный бак вместимостью 50 л крепится сзади кузова перед задней осью.
В системе питания предусмотрен абсорбер — фильтр с активированным углем, обеспечивающий поглощение паров топлива с последующим их использованием.
Роторный электробензонасос, соединенный с датчиком уровня топлива, размещен в топливном баке. Показания датчика могут быть проверены по табл. 2.8. Насос включается контроллером при помощи реле. Питание на реле подается с задержкой примерно 5 с. Доступ к насосу с датчиком уровня топлива осуществляется через люк в полу кузова под задним сиденьем.
Топливный фильтр типа Nissan располагается в задней части моторного отсека с левой стороны. При установке кольцевой выступ должен быть ориентирован вверх в сторону форсунок.
Диафрагменный регулятор давления топлива обеспечивает постоянное давление топлива в системе питания и поддерживает на холостом ходу двигателя следующее давление:
— при отсоединенном от регулятора давления вакуумном шланге: 2,45 кгс/см2
— при присоединенном шланге: 2,94 кгс/см2.
Регулятор давления топлива установлен слева от топливной рампы.
Топливные электромагнитные форсунки обеспечивают впрыск топлива в цилиндры и крепятся к топливной магистрали. Напряжение питания форсунок 12 В.
При постоянном давлении в топливной системе единственным параметром, влияющим на количество впрыскиваемого топлива, остается время открытия форсунок.
Контроллер рассчитывает продолжительность открытия форсунок в зависимости от положения дроссельной заслонки, нагрузки и частоты вращения коленчатого вала, т.е. необходимого в каждый момент времени качества горючей смеси. Он посылает на форсунки импульсы различной длительности и поддерживает оптимальную дозировку топлива. Длительность впрыска топлива несколько увеличивается во время прогрева двигателя. При прогреве, а также в случае работы контроллера по резервной программе форсунки открываются одновременно. При нормальном режиме работы форсунки открываются поочередно в соответствии с порядком работы цилиндров.
Сменный сухой воздушный фильтр расположен в корпусе над впускным трубопроводом.
Корпус дроссельной заслонки установлен на впускном трубопроводе. В корпусе располагаются дроссельная заслонка, датчик положения дроссельной заслонки, измеритель массового расхода воздуха, регулятор холостого хода, регулятор ускоренного холостого хода (на автомобилях с кондиционером), привод автоматического пускового устройства и винт регулировки оборотов холостого хода. Корпус обогревается жидкостью от системы охлаждения двигателя.
Регулятор холостого хода выполнен в виде электромагнитного клапана, который изменяет поперечное сечение воздухопровода, расположенного в обход дроссельной заслонки.
Регулятор ускоренного холостого хода устанавливается на автомобилях, снабженных кондиционером, и обеспечивает повышение частоты вращения двигателя на холостом ходу при включении кондиционера. Регулятор представляет собой электромагнитный клапан двухпозиционного типа, который изменяет поперечное сечение воздухопровода, расположенного в обход дроссельной заслонки.
Терморегулятор повышенных оборотов холостого хода на холодном двигателе включает в себя термочувствительный элемент, расположенный на трубопроводе охлаждающей жидкости внутри корпуса дроссельной заслонки. При запуске холодного двигателя термочувствительный элемент воздействует через кулачок на рычаг управления дроссельной заслонкой, повышая обороты двигателя, и тем самым ускоряет его прогрев.
Клапан рециркуляции отработавших газов (РОГ) закреплен сзади головки блока цилиндров на впускном трубопроводе с левой стороны. Клапан управляет подачей во впускной трубопровод части отработавших газов за счет разрежения, подаваемого от впускного коллектора, и посредством электромагнитного клапана РОГ. Разрежение, приложенное к мембране клапана, регулируется клапаном дифференциального давления.
Рециркуляция отработавших газов приводит к понижению температуры горения, что, в свою очередь, уменьшает количество окисей азота (NOX), являющихся загрязнителями окружающей среды и оказывающих особо вредное воздействие на человеческий организм. Азот, содержащийся в воздухе, окисляется кислородом при высокой температуре. Смешивание отработавших газов с поступающим свежим воздухом вызывает понижение содержания кислорода во всасываемом воздухе и, как следствие, понижение температуры горения, что уменьшает и количество NOX в отработавших газах. Клапан дифференциального давления расположен сзади головки блока цилиндров на впускном трубопроводе с левой стороны. Клапан регулирует разрежение, приложенное к мембране клапана системы РОГ, в зависимости от давления отработавших газов, определяя тем самым количество отработавших газов, поступающих в систему РОГ.
Рис. 6. Детали системы питания двигателей GA14DE и GA16DE: 1 — крышка топливного бака; 2 — прокладка; 3 — наливная труба; 4 — топливный бак; 5 — топливный насос; 6 — датчик уровня топлива; 7 — топливный фильтр; 8 — регулятор давления топлива; 9 — рампа; 10 — топливная форсунка; 11 — впускной трубопровод; 12 — датчик температуры охлаждающей жидкости; 13 — клапан РОГ; 14 — трубопровод РОГ; 15 — датчик дифференциального давления; 16 — электромагнитный клапан системы РОГ; 17 — абсорбер; 18 — шланг воздухозаборника; 19 — глушитель шума впуска; 20 — корпус воздушного фильтра; 21 — сепаратор паров масла; 22 — воздушный фильтр; 23 — крышка воздушного фильтра; 24 — корпус дроссельной заслонки; 25 — регулятор ускоренного холостого хода; 26 — регулятор холостого хода; 27 — измеритель массового расхода воздуха; 28 — датчик положения дроссельной заслонки; 29 — привод терморегулятора повышенных оборотов
-
7. Выпуск отработавших газов
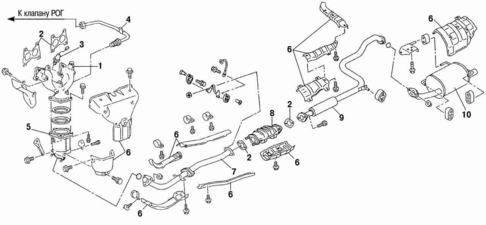
На автомобилях система выпуска отработавших газов состоит из приемной трубы 7 (рис. 7.), двух каталитических нейтрализаторов, переднего и заднего глушителей. Система выпуска закреплена на автомобиле на резиновых подвесках















