146897 (580114), страница 2
Текст из файла (страница 2)
Каналы управления многоканального коммутатора выбираются по сигналу ИЗ, через ключ выбора канала ВК.
2 Системы многоточечного впрыска бензина группы «L-Jetronic». Общая характеристика системы
2.1 Принцип действия
Система впрыска "L-Jetronic" — это управляемая электроникой система многоточечного (распределенного) прерывистого впрыска топлива (L — нем. Lade — заряд, порция). Главные отличия от систем "К-J" и "KE-J": нет дозатора-распределителя и регулятора управляющего давления, все форсунки (пусковая и рабочие) с электромагнитным управлением. Так как нет дозатора-распределителя, существенно изменился и расходомер воздуха. В системах "L-Jetronic" примерно в два раза меньше давление топлива в системе и возможно отсутствие накопителя (гидроаккумулятора).
Система впрыска "L-Jetronic" — это более совершенная система, с увеличением экономичности, снижением токсичности отработавших газов, улучшением динамики автомобиля.
Электрический топливный насос 2 забирает топливо из бака 1, (рисунок 2.1) и подает его под давлением 2,5 кгс/см2 через фильтр тонкой очистки 3 к распределительной магистрали 5, соединенной шлангами с рабочими форсунками цилиндров 8. Установленный с торца распределительной магистрали 5, регулятор давления топлива в системе 4 поддерживает постоянное давление впрыска и осуществляет слив излишнего топлива в бак. Этим обеспечивается циркуляция топлива в системе и исключается образование паровых пробок.
Количество впрыскиваемого топлива определяется электронным блоком управления 10 в зависимости от температуры, давления и объема поступающего воздуха, частоты вращения коленчатого вала и нагрузки двигателя, а также от температуры охлаждающей жидкости.
Основным параметром, определяющим дозировку топлива, является объем всасываемого воздуха, измеряемый расходомером воздуха. Поступающий воздушный поток отклоняет напорную измерительную заслонку расходомера воздуха, преодолевая усилие пружины, на определенный угол, который преобразуется в электрическое напряжение посредством потенциометра. Соответствующий электрический сигнал передается на блок электронного управления, который определяет необходимое количество топлива в данный момент работы двигателя и выдает на электромагнитные клапаны рабочих форсунок импульсы времени подачи топлива. Независимо от положения впускных клапанов, форсунки впрыскивают топливо за один или два оборота коленчатого вала двигателя (за цикл, за два такта).
Если впускной клапан в момент впрыска закрыт, топливо накапливается в пространстве перед клапаном и поступает в цилиндр при следующем его открытии одновременно с воздухом.
Клапан дополнительной подачи воздуха 19, установленный в воздушном канале, выполненном параллельно дроссельной заслонке, подводит к двигателю добавочный воздух при холодном пуске и прогреве двигателя, что приводит к увеличению частоты вращения коленчатого вала. Для ускорения прогрева используются повышенные обороты холостого хода (более 1000 об/мин).
Для облегчения пуска холодного двигателя, также как и в других рассмотренных системах впрыска, здесь применяется электромагнитная пусковая форсунка 6, продолжительность открытия которой изменяется в зависимости от температуры охлаждающей жидкости (термореле 17).
Величина необходимой в настоящий момент дозы топлива вычисляется электронным блоком управления в зависимости от массы всасываемого воздуха (объем, давление, температура), температуры двигателя и режима.
1 — топливный бак, 2 — топливный насос, 3 — фильтр тонкой очистки топлива, 4 — регулятор давления топлива в системе, 5 — распределительная магистраль, 6 — пусковая форсунка, 7 — блок цилиндров двигателя, 8 — форсунка (инжектор) впрыска, 9 — датчик температуры охлаждающей жидкости, 10 — электронный блок управления, 11 — блок реле, 12 — датчик-распределитель зажигания, 13 — выключатель положения дроссельной заслонки, 14 — высотный корректор, 15 — расходомер воздуха, 16 — подвод воздуха, 17 — термореле, 18 — винт качества (состава) смеси на холостом ходу, 19 — клапан добавочного воздуха, 20 — винт количества смеси на холостом ходу, 21 — выключатель зажигания, 22 — подвод разрежения к регулятору давления топлива в системе
Рисунок 2.1 Схема системы впрыска топлива "L-Jetronic"
2.2 Функционирование системы при различных режимах работы двигателя
Каждый цилиндр имеет свою форсунку с электромагнитным управлением, впрыскивающую топливо перед впускным клапаном. Впрыск согласован с частотой вращения коленчатого вала двигателя. Информация о частоте вращения передается в электронный блок управления от контакта прерывателя (системы зажигания с контактным управлением), от клеммы "1" катушки зажигания или клеммы "16" коммутатора (для бесконтактных систем зажигания).
Объем проходящего воздуха полностью определяется положением дроссельной заслонки (нагрузкой двигателя). Объем (масса) воздуха измеряется расходомером. Последним не учитывается только воздух, проходящий через обводной канал, который используется для СО-регулирования, рисунок 2.1.
О тепловом режиме двигателя дает информацию датчик температуры охлаждающей жидкости.
Информацию о нагрузочном режиме двигателя в блок электронного управления сообщает выключатель положения дроссельной заслонки. Информация состоит из сигналов: "холостой ход", "частичные нагрузки", "полная нагрузка". Если дроссельная заслонка закрыта, двигатель работает на холостом ходу, контакты холостого хода замкнуты и в электронный блок управления идет соответствующий сигнал. Также осуществляется информация о полной нагрузке двигателя, только в этом случае контакты разомкнуты. Сигнал о частичной нагрузке формируется при помощи потенциометра.
Для облегчения холодного пуска смесь обогащается пусковой форсункой. Последняя управляется от выключателя зажигания через термореле, рисунок 2.2) через реле пуска холодного двигателя (послестартовое реле) и термореле. Назначение послестартового реле — продлить время работы пусковой форсунки.
При прогреве двигателя на холостом ходу подача топлива также увеличивается и в связи с сигналами, поступающими в электронный блок управления от датчика температуры двигателя (охлаждающей жидкости).
В системе "L-Jetronic" учитывается, что плотность холодного воздуха выше плотности теплого. Чем теплее засасываемый воздух, тем хуже наполнение цилиндров при постоянном положении дроссельной заслонки. Температура поступающего воздуха изменяется не только в связи с изменением "наружной" его температуры, но и в связи с изменением "внутренней". Нормальная температура в подкапотном пространстве примерно 50°С. Информация о температуре воздуха поступает от датчика, встроенного в расходомер воздуха, в электронный блок управления, определяющий дозу впрыскиваемого топлива. На части автомобилей устанавливается кроме того высотный корректор, который информирует блок управления о наружном атмосферном давлении.
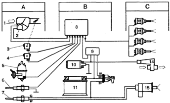
А — устройство входных параметров: 1 — датчик температуры всасываемого воздуха, 2 — расходомер воздуха, 3 — выключатель положения дроссельной заслонки, 4 — высотный корректор, 5 — датчик-распределитель зажигания, б — датчик температуры охлаждающей жидкости, 7 — термореле.
В — устройства управления и обеспечения: 8 — электронный блок управления, 9 — блок реле, 10 — топливный насос, 11 — аккумуляторная батарея, 12 — выключатель зажигания. С — устройства выходных параметров: 13 — рабочие форсунки, 14 — клапан добавочного воздуха, 15 — пусковая форсунка
Рисунок 2.2 Функциональная схема управления системой впрыска "L-Jetronic"
Большую часть времени двигатель работает в режиме частичных нагрузок, поэтому программа, заложенная в электронный блок управления, обеспечивает минимально возможный расход топлива при приемлемой концентрации вредных веществ в отработавших газах. Топливную экономичность и (или) минимальную токсичность отработавших газов удается получить при использовании лямбда-зондов и нейтрализаторов.
Обогащение смеси происходит при холодном пуске, прогреве, холостом ходе, ускорении движения, полной нагрузке. При всех режимах, кроме последнего, излишек топлива необходим для устойчивой работы двигателя. При холодном двигателе "больше топлива" означает и больше его легкоиспаряющихся фракций. При холостом ходе — хуже наполнение, больше остаточных газов. При полной нагрузке "излишек" топлива необходим, для "внутреннего" охлаждения двигателя за счет испарения части топлива.
Система холостого хода "L-Jetronic" дополнена обводным каналом расходомера воздуха. В этом канале установлен винт качества (состава) смеси или СО-регулирования. Назначение обводных каналов дроссельной заслонки "L-Jetronic" такое же, как и в системах "K-J", "KE-J".
В режиме принудительного холостого хода дроссельная заслонка закрыта и в блок управления идет сигнал: "холостой ход". Если при этом обороты двигателя выше так называемой восстанавливаемой частоты вращения, впрыск топлива прекращается. Соответственно уменьшается расход топлива и выброс вредных веществ. Восстанавливаемая частота вращения (когда вновь начинается впрыск топлива) обычно лежит в пределах 1200—1700 об/мин.
2.3 Расходомер воздуха
Расходомер воздуха системы "L-J" отличается от расходомеров рассмотренных выше систем "K-J", "KE-J". Воздушный поток воздействует на измерительную заслонку 2, рисунок 2.3 прямоугольной формы. Заслонка закреплена на оси в специальном канале, поворот заслонки преобразуется потенциометром в напряжение, пропорциональное расходу воздуха. Потенциометр представляет собой, как правило, цепочку резисторов, включенных параллельно контактной дорожке.
Воздействие воздушного потока на измерительную заслонку 2 уравновешивается пружиной. Для гашения колебаний, вызванных пульсациями воздушного потока и динамическими воздействиями характерными для автомобиля, особенно на плохих дорогах, в расходомере имеется демпфер 3 с пластиной 4. Пластина 4 выполнена как одно целое с измерительной заслонкой 2. Резкие перемещения измерительной заслонки становятся невозможными из-за воздействия на пластину 4 усилия воздуха сжимаемого в демпферной камере.
На входе в расходомер встроен датчик температуры поступающего воздуха 7. В верхней части расходомера расположен обводной канал 1 с винтом качества (состава) смеси 6. Расходомеры бывают с шести- и семи штекерным подключением.
1 — обводной канал, 2 — измерительная заслонка, 3 — демпферная камера, 4 — пластина демпфера, 5 — потенциометр, 6 — винт качества (состава) смеси холостого хода, 7 — датчик температуры, 8 — контакты топливного насоса
Рисунок 2.3 Расходомер воздуха с датчиком температуры всасываемого воздуха
2.4 Электрическая схема системы впрыска
Схема электрооборудования автомобилей с системой впрыска топлива "L-Jetronic" является более сложной, в этом легко убедиться сравнив схемы представленные на рисунке 2.4. Электросхемы систем впрыска топлива "L-Jetronic" различаются в зависимости от автомобиля, двигателя, установленного на нем, и года выпуска, поэтому на рисунке 2.4 представлены только два из наиболее часто встречающихся вариантов.
Чтобы не получить травм и не вывести из строя узлы системы впрыска при обслуживании и ремонте необходимо соблюдать следующие правила:
не подключать напряжение 12 В к рабочим форсункам, так как они рассчитаны на напряжение 3 В;
не допускать работы двигателя, при проводах, плохо закрепленных на выводах аккумуляторной батареи;
не отсоединять провода от выводов аккумуляторной батареи при работающем двигателе;
отключать аккумуляторную батарею от бортовой сети при ее зарядке непосредственно на автомобиле от постороннего источника тока;
не запускать двигатель с помощью постороннего источника тока напряжением более 12 В;
перед соединением штепсельных разъемов проверьте состояние обеих частей штепселя и надежность фиксации сочленения разъема, убедитесь в наличии резинового уплотнителя и фиксирующей пружины;
















