146897 (580114)
Текст из файла
Содержание
1 Принципиальные отличия автомобильных электронных и микропроцессорных систем зажигания
1.1 Общие сведения
1.2 Бесконтактные системы зажигания с нерегулируемым временем накопления энергии
1.3 Система зажигания с регулированием времени накопления энергии
1.4 Микропроцессорные системы зажигания
2 Системы многоточечного впрыска бензина группы «L-Jetronic». Общая характеристика системы
2.1 Принцип действия
2.2 Функционирование системы при различных режимах работы двигателя
2.3 Расходомер воздуха
2.4 Электрическая схема системы впрыска
2.5 Проверка, регулировка, поиск неисправностей, топливный насос
2.6 пусковая форсунка
2.7 Проверка рабочих форсунок
2.8 Регулировка холостого хода двигателя
3 Датчики Холла. Устройство и работа
4 Список используемых источников
1. Принципиальные отличия автомобильных электронных и микропроцессорных систем зажигания
-
Общие сведения
В электронных системах зажигания контактный прерыватель заменен бесконтактными датчиками. В качестве датчиков используются оптоэлектронные датчики, датчики Виганда. но наиболее часто магнитоэлектрические датчики (МЭД) и датчики Холла (ДХ). МЭД бывают генераторного (рисунок 1.2, а) и коммутаторного (рисунок 1.2, б) типов. В генераторном датчике вращается постоянный магнит, помещенный внутрь клювообразного магнитопровода. При этом в катушке, надетой на свой клювообразный магнитопровод, наводится ЭДС. В МЭД коммутаторного типа вращается зубчатый ротор из магнитомягкого материала, а магнит неподвижен. ЭДС в катушке наводится за счет изменения величины ее магнитного потока при совпадении и расхождении выступов статора и ротора. Недостатком МЭД является зависимость величины выходного сигнала от частоты вращения, а также значительная величина индуктивности катушки, вызывающая запаздывание в прохождении сигнала. Наиболее простой в схемном и функциональном исполнении является бесконтактная система зажигания с нерегулируемым временем накопления энергии.
ТК 102: 1 аккумуляторная батарея; 2, 3 — контакты выключателя зажигания; 4,6 — добавочные резисторы; 6 — коммутатор; 7 — прерыватель
Рисунок 1.1 Схема контактно-транзисторной системы зажигания с коммутатором
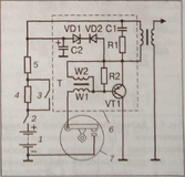
1.2 Бесконтактные системы зажигания с нерегулируемым временем накопления энергии
Бесконтактная система зажигания с нерегулируемым временем накопления энергии принципиально отличается от контактно-транзисторной только тем, что в ней контактный прерыватель заменен бесконтактным датчиком. На рисунок 1.3 приведена схема системы с коммутатором 13.3734-01 автомобилей «Волга».
Сигнал с обмотки L магнитоэлектрического датчика через диод VD2, пропускающий только положительную полуволну напряжения, и резисторы R2, R3 поступает на базу транзистора VT1. Транзистор открывается, шунтирует переход база-эмиттер транзистора VT2, который закрывается. Закрывается и транзистор VT3, ток в первичной обмотке катушки зажигания прерывается, и на выходе вторичной обмотки возникает высокое напряжение. В отрицательную полуволну напряжения транзистор VT1 закрыт, открыты VT2 и VT3, и ток начинает протекать через первичную обмотку катушки возбуждения. Очевидно, что число пар полюсов датчика должно соответствовать числу цилиндров двигателя.
Цепь R3-C1 осуществляет фазосдвигающие функции, компенсирующие фазовое запаздывание протекания тока в базе транзистора VT1 из-за значительной индуктивности обмотки датчика L, чем снижается погрешность момента искрообразования.
Стабилитрон VD3 и резистор R4 защищают схему коммутатора от повышенного напряжения в аварийных режимах, т. к, если напряжение в бортовой цепи превышает 18 В, цепочка начинает пропускать ток, транзистор VT1 открывается и закрывается выходной транзистор VT3. Цепями защиты от опасных импульсов напряжения служат конденсаторы СЗ, С4, С5, С6; диод VD4 защищает схему от изменения полярности бортовой сети. Установка угла опережения зажигания по частоте вращения коленчатого вала и нагрузке двигателя осуществляется так же, как в контактном зажигании. Форма и величина выходного напряжения магнитоэлектрического датчика изменяются с частотой вращения, что влияет на момент искрообразования.
в системе, кроме того, не устранен существенный недостаток контактного зажигания — уменьшение вторичного напряжения при росте частоты вращения коленчатого вала. Поэтому более перспективна система с регулированием времени накопления энергии.
а — магнитоэлектрический генераторный с когтеобразным статором; б — магнитоэлектрический коммутаторного типа; в — датчик Холла; 1 — катушка; 2, 3 — клювообразные половины статора; 4 — магнит; 5,6 — клювообразные половины ротора; 7 — приводная втулка; 8 — зуб чатый ротор; 9 — зубчатый статор; 10 — экран (шторки); 11 — чувствительный элемент датчика Холла; 12 — микросхема
Рисунок 1.2 Датчики бесконтактной системы зажигания
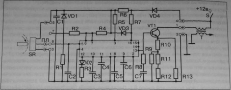
1.3 Система зажигания с регулированием времени накопления энергии
Регулируя время накопления энергии, т. е. время, когда первичная цель катушки зажигания подключена к сети питания, можно сделать ток разрыва этой цепи независимым или мало зависимым от частоты вращения коленчатого вала двигателя, а значит, и избавиться от недостатка контактной системы зажигания — снижения вторичного напряжения с ростом частоты вращения. Принцип такого регулирования состоит в том, чтобы с ростом частоты вращения увеличить относительное время включения катушки зажигания в сеть так, чтобы абсолютное время включения осталось неизменным. На рисунок 1.4 представлена система зажигания автомобиля ВАЗ-2108 с электронным коммутатором 3620.3734 и датчиком Холла. В коммутаторе применена микросхема L497B. Стабилизация величины вторичного напряжения достигается в схеме двумя путями — во-первых, регулированием времени нахождения транзистора VT1 в открытом состоянии, т. е. времени включения первичной цепи обмотки зажигания в сеть, во-вторых, ограничением величины тока в первичной цепи величиной около 8 А. Последнее, кроме того, предотвращает перегрев катушки.
Схема работает следующим образом — с датчика Холла на вход коммутатора приходит сигнал прямоугольной формы, величина которого приблизительно на 3 В меньше напряжения питания, а длительность соответствует прохождению выступов экрана мимо чувствительного элемента датчика. Нижний уровень сигнала 0,4 В соответствует прохождению прорези.
В момент перехода от высокого уровня к низкому происходит искрообразование.
В микросхеме коммутатора сигнал в блоке формирования периода накопления энергии сначала инвертируется, затем интегрируется. На выходе интегратора образуется пикообразное напряжение, величина которого тем больше, чем меньше частота вращения двигателя. Это напряжение поступает на вход компаратора, на другой вход которого подано опорное напряжение. Компаратор преобразует величину напряжения во время. Сигнал на входе компаратора имеет место тогда, когда величина пилообразного напряжения достигает опорного и превышает его. При большой частоте вращения величина пилообразного напряжения мала, соответственно мала и длительность сигнала на выходе компаратора. С исчезновением выходного сигнала компаратора через схему управления открывается транзистор VT1, и первичная цепь зажигания включается в сеть. Следовательно, время накопления энергии в катушке соответствует времени отсутствия сигнала на выходе компаратора. Уменьшение длительности выходного сигнала компаратора позволяет увеличить относительную величину времени накопления энергии и тем самым стабилизировать ее абсолютное значение.
Рисунок 1.3 Принципиальная электрическая схема бесконтактной системы зажигания с коммутатором 13.3734-01
Рисунок 1.4 Принципиальная электрическая схема зажигания с коммутатором 3620.3734
Блок ограничения силы выходного тока срабатывает по сигналу, снимаемому с резисторов, включенных последовательно в первичную цепь зажигания. Если этот сигнал достигает уровня, соответствующего силе тока 8 А, блок переводит выходной транзистор в активное состояние с фиксированием этой величины тока.
Блок безискровой отсечки отключает катушку зажигания в случае, если включено электропитание, но вал двигателя неподвижен. При этом, если при остановленном двигателе выходное напряжение датчика соответствует низкому уровню, катушка отключается сразу, в противном случае отключение происходит через 2-5 с.
Схема насыщена элементами защиты от всплесков напряжения и включения обратной полярности питания. Регулировка угла опережения зажигания осуществляется традиционными способами, т. е. центробежным и вакуумным регуляторами.
Микросхема L497B применяется в двухканальном коммутаторе 6420.3734-20 для систем с низковольтным распределителем энергии. В коммутаторе 6420.3734 применен выходной транзистор BY 931ZPF1 с внутренней защитой от перенапряжений, что в значительной мере повысило надежность работы коммутатора.
1.4 Микропроцессорные системы зажигания
В микропроцессорной системе зажигания применяется электронное управление углом опережения зажигания. Как правило, микропроцессорная система одновременно управляет и системой топливоподачи либо полностью (система «Motronic» фирмы «Bosch»), либо каким-либо ее элементом, чаще всего экономайзером принудительного холостого хода (автомобиль ВАЗ-21083, ГАЗ-3302 «Газель» и др.).
Центральной частью микропроцессорной системы является контроллер (микро-ЭВМ, микропроцессор).
Контроллер МС2713 «Электроника» применяется на некоторых модификациях автомобилей «Волга», «Газель», ЗИЛ-4314, ВАЗ-21083, В задачу контроллера входит обработать информацию, поступающую отдатчиков, и в соответствии с ней, установив оптимальный для данного режима угол опережения зажигания, дать команду через коммутатор на образование искры зажигания. В режиме принудительного холостого хода контроллером выдается команда на прекращение топливоподачи. Контроллер получает информацию от индукционных датчиков: начала отсчета НО, установленного на картере сцепления так, что он генерирует импульс напряжения в момент прохождения в его магнитном поле стального штифта, укрепленного на маховике, при положении в верхней мертвой точке поршней 1 и 4 цилиндров, и датчика угловых импульсов уи, реагирующего на прохождение зубьев венца маховика и снабжающего контроллер информацией о частоте вращения и угле поворота коленчатого вала двигателя, полупроводникового датчика температуры охлаждающей жидкости! порогового типа, информирующего о достижении температуры заданного уровня, датчика разряжения во впускном коллекторе Р тензометрического типа, информирующего о нагрузке двигателя.
Для управления экономайзером принудительного холостого хода (ЭПХХ) сигнал поступаете концевого выключателя KB от дроссельной заслонки.
Сигналы сдатчиков НО и УИ преобразуются преобразователем сигналов в прямоугольные импульсы с логическими уровнями интегральных микросхем, сигнал с датчика разряжения, величина которого по напряжению пропорциональна разряжению, также преобразуется во временные импульсы.
Система работает следующим образом: в постоянно запоминающем устройстве ПЗУ контроллера записана информация об оптимальном угле опережения зажигания в зависимости от частоты вращения коленчатого вала и'нагрузки двигателя. Информация записана в двух вариантах — характеристики для холодного (температура охлаждающей жидкости ниже 65 °С) и прогретого двигателя. Нужная характеристика выбирается по сигналу с датчика температуры, поступающего на 10-й разряд адреса ПЗУ А10. Процессор Р, выполненный на микросхеме КМ1823ВУ1. формирует сигнал «старт АЦП», по которому устройство ввода-вывода (УВВ) запускает преобразователь «напряжение — время» и начинает изменение напряжения с датчика загрузки двигателя в цифровой код. По сигналу «Конец преобразования» устанавливается в сети адрес ПЗУ в разрядах А5-А9 с допуском к необходимой информации. Начало измерения загрузки двигателя и вычисления угла опережения зажигания синхронизировано с импульсом НО. Вычисление угла опережения зажигания реализуется процессором по жесткому алгоритму. Когда величина вычисленного угла совпадает с углом поворота коленчатого вала, по сигналу с процессора через УВВ включается блок ФИЗ (формирователь импульсов зажигания) на микросхеме КМ1823АГ1, вырабатывав щий импульсы зажигания постоянной скважности, подаваемые через ключ СЗ на выход блока управления.
Характеристики
Тип файла документ
Документы такого типа открываются такими программами, как Microsoft Office Word на компьютерах Windows, Apple Pages на компьютерах Mac, Open Office - бесплатная альтернатива на различных платформах, в том числе Linux. Наиболее простым и современным решением будут Google документы, так как открываются онлайн без скачивания прямо в браузере на любой платформе. Существуют российские качественные аналоги, например от Яндекса.
Будьте внимательны на мобильных устройствах, так как там используются упрощённый функционал даже в официальном приложении от Microsoft, поэтому для просмотра скачивайте PDF-версию. А если нужно редактировать файл, то используйте оригинальный файл.
Файлы такого типа обычно разбиты на страницы, а текст может быть форматированным (жирный, курсив, выбор шрифта, таблицы и т.п.), а также в него можно добавлять изображения. Формат идеально подходит для рефератов, докладов и РПЗ курсовых проектов, которые необходимо распечатать. Кстати перед печатью также сохраняйте файл в PDF, так как принтер может начудить со шрифтами.
















