144845 (580016)
Текст из файла
Министерство образования и науки Украины
Запорожская Государственная Инженерная Академия
Кафедра Прикладной
Строительной Механики
Контрольная работа ПО ТЕМЕ
«Расчет статически неопределимой рамы методом сил»
по дисциплине «Строительная механика»
Запорожье 2009
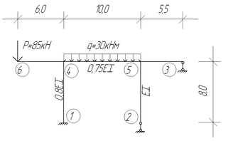
Рисунок 1 – Заданная расчетная схема рамы
Определяем ССН заданной рамы:
Составляем эквивалентную схему рамы.
Рисунок 2 – Эквивалентная схема заданной рамы
Составляем канонические уравнения:
Составляем эпюры изгибающих моментов от действия сил
:
Рисунок 3 – Эквивалентная схема рамы под нагрузкой Х1=1
Сечение 1-1 участок 2-5
0≤Z1≤8
M1(Z1)=X1*R1=0
Сечение 2-2 участок 5-4
0≤Z2≤10
M2(Z2)=X1*Z2==10
M2(0)=0
M2(10)=10
0≤Z3≤8
M3(Z3)=X1*Z2==8
M3(0)=0
M3(8)=8
Рисунок 4 – Эпюра М1
Рисунок 5 – Эквивалентная схема рамы под нагрузкой Х2=1
Сечение 1-1 участок 3-4
0≤Z1≤15,5
M1(Z1)=X2*Z1
M1(0)=0
M1(15,5)=15,5
0≤Z2≤15,5
M2(Z2)=X2*Z2
M2(0)=0
M2(15,5)=15,5
Рисунок 6 – Эпюра М2
Рисунок 7 – Суммарная эпюра Мs
Рисунок 8 – Эквивалентная схема рамы под нагрузкой P и q
Сечение 1-1 участок 6-4
0≤Z1≤6
M1(Z1)=Р*Z1
M1(0)=0
M1(6)=510
0≤Z2≤6
M2(Z2)=Р*Z2
M2(0)=0
M2(6)=510
5≤Z3≤10
M3(Z3)=q*Z3²/2
M3(5)=30*5²/20=375
M3(10)=30*10²/2=1500
Сечение 3-3 участок 5-4
0≤Z4≤10
M4(Z4)=q*10/2
M4(0)=0
M4(10)=1500
Рисунок 9 – Эпюра Mp
Находим коэффициенты
канонических уравнений:
;
;
;
.
Находим коэффициенты
канонических уравнений:
Подставим коэффициенты
и
в канонические уравнения, предварительно умножив оба уравнения на
Получим:
Решив систему уравнений, получим:
;
.
Строим общую эпюру изгибающих моментов
с учетом
и
:
Рисунок 10 – Полученная эпюра изгибающих моментов.
Производим расчет поперечных сил действующих в раме:
Рисунок 4– Полученная эпюра поперечных сил.
Производим расчет продольных сил действующих в раме:
а) Вырезаем узел 3
б) Вырезаем узел 5
в) Вырезаем узел 4
Полученная эпюра продольных сил имеет вид:
Рисунок 5 – Полученная эпюра продольных сил.
Характеристики
Тип файла документ
Документы такого типа открываются такими программами, как Microsoft Office Word на компьютерах Windows, Apple Pages на компьютерах Mac, Open Office - бесплатная альтернатива на различных платформах, в том числе Linux. Наиболее простым и современным решением будут Google документы, так как открываются онлайн без скачивания прямо в браузере на любой платформе. Существуют российские качественные аналоги, например от Яндекса.
Будьте внимательны на мобильных устройствах, так как там используются упрощённый функционал даже в официальном приложении от Microsoft, поэтому для просмотра скачивайте PDF-версию. А если нужно редактировать файл, то используйте оригинальный файл.
Файлы такого типа обычно разбиты на страницы, а текст может быть форматированным (жирный, курсив, выбор шрифта, таблицы и т.п.), а также в него можно добавлять изображения. Формат идеально подходит для рефератов, докладов и РПЗ курсовых проектов, которые необходимо распечатать. Кстати перед печатью также сохраняйте файл в PDF, так как принтер может начудить со шрифтами.
















