292939 (577950)
Текст из файла
СОДЕРЖАНИЕ
1. КИНЕМАТИЧЕСКИЙ И СИЛОВОЙ РАСЧЕТЫ ПРИВОДА 2
1.1 Подбор электродвигателя 2
1.2 Разбивка передаточного отношения привода 3
1.3 Определение кинематических и силовых параметров на валах привода 4
2. Расчет зубчатой передачи 5
3. Расчет валов редуктора 11
3.1 Ориентировочный расчет 11
3.2 Эскизная компоновка I этап. 14
3.3 Определение усилий в зацеплениях 15
3.4 Определение реакций в опорах 16
3.5 Расчет подшипников 22
4. Описание принятой системы смазки и выбор марки масла 25
5. Проверочный расчет шпоночных соединений на срез и на смятие 27
5.1 Выбор материала шпонок 27
5.2 Расчет шпоночных соединений на быстроходном валу 28
5.3 Расчет шпоночных соединений на тихоходном валу 28
5.4 Расчет шпоночных соединений под полумуфту 29
6. Описание процесса сборки редуктора 30
7. Подбор муфт 31
СПИСОК ИСПОЛЬЗОВАННОЙ ЛИТЕРАТУРЫ 32
ПРИЛОЖЕНИЯ 33
СОДЕРЖАНИЕ 34
1. КИНЕМАТИЧЕСКИЙ И СИЛОВОЙ РАСЧЕТЫ ПРИВОДА
Исходные данные к расчету:
Окружное усилие Ft = 4,0 кН;
Скорость ленты
м/с.
Диаметр барабана
мм
Число оборотов двигателя
Передаточное число открытой передачи
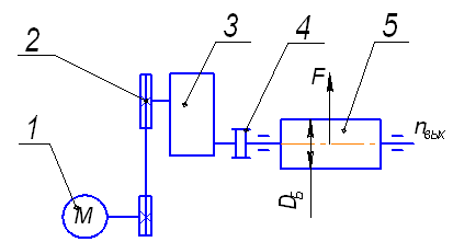
Схему привода смотри на рисунке 1.
Рисунок 1. Кинематическая схема привода.
1 – электродвигатель, 2 – ременная передача, 3 – редуктор, 4 – зубчатая муфта, 5 – приводной барабан конвейера
1.1 Подбор электродвигателя
Вычисляем требуемую мощность рабочей машины:
Определяем общий КПД:
,
где:
КПД открытой передачи (ременной)
;
КПД закрытой передачи (цилиндрической)
;
КПД подшипников
;
n – количество пар подшипников;
КПД муфты
;
m – количество муфт.
Требуемая мощность электродвигателя
Выбираем двигатель:
Тип: 4АМ 132S4У3 ГОСТ 19523-81
Мощность:
Частота вращения асинхронная:
1.2 Разбивка передаточного отношения привода
Определяем частоту вращения приводного вала
,
где D – диаметр барабана ленточного конвейера.
Находим общее передаточное число
Разбивка передаточного числа
Исходя из стандартных параметров передаточных отношений для цилиндрической закрытой передачи принимаем:
1.3. Определение кинематических и силовых параметров на валах привода
Вычисления параметров привода сведем в таблицу 1.
Таблица 1.
| Параметр | Вал | Последовательное соединение элементов привода по кинематической схеме | ||
| дв-оп-зп-м | ||||
| Мощность Р, кВт | дв Б Т вых | Рдв=7,5 Р1=Рдво.п.пк=7,5·0,98·0,99=7,27 Р2=Р1зппк=7,27·0,98·0,99=7,06 Рвых=Р2мпс=7,06·0,99·0,99=6,92 | ||
| Частота враще-ния n, об/мин | Угловая скорость , рад/с | дв Б Т вых | nном=1500 n1=nном/Uо.п.=1500/4,5=333,3 n2=n1/ Uз.п.=333,3/5,6=59,52 nвых=n2=59,52 | ном=nном/30=157 1=ном/ Uо.п.=157/4,5=34,9 2=1/ Uз.п.=34,9/5,6=6,23 вых=2 =6,23 |
| Вращающий момент Т, Нм | дв Б Т вых | Тдв=Рдв103/ном=7,5∙103/157=47,77 Т1=ТдвUо.п.о.п.пк=47,77·4,5·0,98·0,99=208,56 Т2=Т1Uз.пз.ппк=208,56·5,6·0,98·0,99=1133,14 Твых=Т2мпс=1133,14·0,99·0,99=1110,6 | ||
2. Расчет зубчатой передачи
Расчеты выполняем согласно методике предложенной в литературе /1/
В качестве материала для шестерни выбираем сталь 45 с средней твердостью
H1 = 205НВ (нормализация).
Для колеса выбираем сталь 35 с средней твердостью H2 = 182НВ (нормализация).
Предварительное значение межосевого расстояния:
где К = 10 – коэффициент зависящий от поверхностной твердости колеса и шестерни (H1 ≤ 350, H2 ≤ 350)
Окружная скорость:
Найдем допускаемые контактные напряжения
и
:
где
- предел контактной выносливости,
- для Н ≤ 350,
тогда для шестерни:
для колеса
- коэффициент запаса прочности для зубчатых колес с однородной структурой материала,
;
- коэффициент долговечности, учитывающий влияние ресурса
при условии
- число циклов, соответствующее перелому кривой усталости;
- ресурс передачи.
В соответствии с кривой усталости напряжения
не могут иметь значений меньших
, поэтому при
принимают
.
Для длительно работающих быстроходных передач
, следовательно,
- коэффициент, учитывающий влияние шероховатости сопряженных поверхностей зубьев, принимаем
- коэффициент, учитывающий влияние окружной скорости.
При H ≤ 350 HB
Тогда принимаем
Допускаемые напряжения для цилиндрических передач равно меньшему из допускаемых напряжений шестерни
и колеса
.
Для цилиндрических и конических передач с непрямыми зубьями в связи с расположением линии контакта под углом к полюсной линии допускаемые напряжения вычисляются по формуле:
Допустимое напряжение для Стали 35 (нормализация)
Условие на выносливость по контактным напряжениям соблюдено.
Согласно ГОСТ 21354-87 допускаемый запас прочности обеспечен:
Уточняем предварительно найденное значение межосевого расстояния:
где
- для прямозубых передач,
- коэффициент ширины, зависящий от положения колес относительно опор.
Для колес расположенных консольно
- коэффициент нагрузки в расчетах на контактную прочность
где
/1, табл.2.6/- коэффициент, учитывающий внутреннюю динамику нагружения.
/1, табл.2.7/ - коэффициент, учитывающий неравномерность распределения нагрузки по длине контактных линий.
/1, табл.2.8/ - коэффициент, учитывающий распределение нагрузки между зубьями.
Тогда
Принимаем стандартное значение равное 340 мм
Предварительные основные размеры колеса:
Делительный диаметр:
Ширина колеса
Округляем в ближайшую сторону до стандартного значения
Ширина шестерни:
Максимально допустимый модуль передачи определяют из условия неподрезания зубьев у основания:
Принимаем стандартное значение модуля m = 6.
Минимальное значение модуля передачи определяют из условия прочности:
где
- для прямозубых передач,
/1, табл.2.9/ - коэффициент нагрузки при расчете по напряжениям изгиба.
- допускаемое напряжение изгиба зубьев шестерни, выбирают наименьшее из
и
где
- предел выносливости,
- для Н ≤ 350,
тогда для шестерни:
для колеса
- коэффициент запаса прочности для зубчатых колес
;
(для длительно работающих передач) - коэффициент долговечности, учитывающий влияние ресурса,
- коэффициент, учитывающий влияние шероховатости.
- коэффициент, учитывающий влияние двустороннего приложения нагрузки (реверса). При одностороннем приложении нагрузки
Тогда для шестерни:
для колеса
Подставляя найденные значение в формулу
Принимаем стандартное значение модуля m = 1.
Для дальнейших расчетов принимаем модуль находящийся в диапазоне mmin и mmax
т.е. m = 2
Суммарное число зубьев
Число зубьев шестерни
Число зубьев колеса внешнего зацепления:
Уточненные делительные диаметры шестерни и колеса находим по формулам:
Проверим межосевое расстояние передачи по зависимости:
мм
Диаметры окружностей вершин зубьев шестерни и колеса определяем по зависимостям:
Диаметры окружностей впадин зубьев шестерни и колеса:
Проверка зубьев колес по напряжениям изгиба
Проверку выполняем согласно методике предложенной в литературе /1/
в зубьях колеса
где
(для прямозубых передач) – коэффициент, учитывающий перекрытие зубьев,
=1 – коэффициент, учитывающий угол наклона зубьев в косозубой передачи:
- коэффициент, учитывающий форму зуба и концентрацию напряжений,
- окружная сила
Тогда
в зубьях шестерни
- коэффициент, учитывающий форму зуба и концентрацию напряжений
Тогда
Условия напряжение изгиба соблюдаются.
Заметим, что запас прочности превышает 30%, то это допустимо, т.к. нагрузочная способность большинства закрытых зубчатых передач ограничивается контактной прочностью зубьев.
3. Расчет валов редуктора
3.1 Ориентировочный расчет
Редукторный вал представляет собой ступенчатое цилиндрическое тело, количество и размеры ступеней которого зависят от количества и размеров установленных на вал деталей.
Проектный расчет ставит целью определить ориентировочно геометрические размеры каждой ступени вала: ее диаметр d и длину l.
Эскиз быстроходного вала см. на рисунке 2.
Характеристики
Тип файла документ
Документы такого типа открываются такими программами, как Microsoft Office Word на компьютерах Windows, Apple Pages на компьютерах Mac, Open Office - бесплатная альтернатива на различных платформах, в том числе Linux. Наиболее простым и современным решением будут Google документы, так как открываются онлайн без скачивания прямо в браузере на любой платформе. Существуют российские качественные аналоги, например от Яндекса.
Будьте внимательны на мобильных устройствах, так как там используются упрощённый функционал даже в официальном приложении от Microsoft, поэтому для просмотра скачивайте PDF-версию. А если нужно редактировать файл, то используйте оригинальный файл.
Файлы такого типа обычно разбиты на страницы, а текст может быть форматированным (жирный, курсив, выбор шрифта, таблицы и т.п.), а также в него можно добавлять изображения. Формат идеально подходит для рефератов, докладов и РПЗ курсовых проектов, которые необходимо распечатать. Кстати перед печатью также сохраняйте файл в PDF, так как принтер может начудить со шрифтами.















