292939 (577950), страница 2
Текст из файла (страница 2)
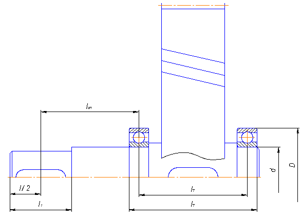
Быстроходный вал
Рисунок 2
Под полумуфту:
,
где
- крутящий момент на быстроходном валу.
[τ]k = 15…20 МПа.
Принимаем
по ГОСТ 6636-69
.
Принимаем
.
Под уплотнение крышки с отверстием и подшипник:
,
где t = 3,5 мм – высота заплечика /1, с.42/.
Принимаем
по ГОСТ 6636-69
.
Принимаем
Под шестерню:
,
где r = 2,5 мм /1, с.42/.
Принимаем
по ГОСТ 6636-69
– определим графически на эскизной компоновке.
Под подшипник:
Принимаем
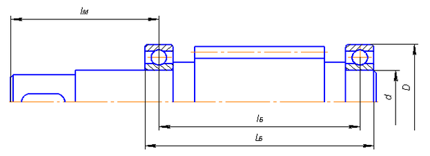
Тихоходный вал
Эскиз тихоходного вала см. на рисунке 3.
Рисунок 3
Под элемент открытой передачи:
,
где
- крутящий момент на быстроходном валу.
Принимаем
по ГОСТ 6636-69
[τ]k = 15…20 МПа.
.
Принимаем
.
Под уплотнение крышки с отверстием и подшипник:
,
где t = 4,6 мм /1, с.42/.
Принимаем
по ГОСТ 6636-69
.
Принимаем
.
Под колесо:
,
где r = 3,5 мм /1, с.42/.
Принимаем
по ГОСТ 6636-69
– определим графически на эскизной компоновке.
Под подшипник:
Принимаем
3.2 Эскизная компоновка I этап.
-
Намечаем расположение проекций компоновки в соответствии с кинематической схемой привода и наибольшими размерами колес.
-
Проводим оси проекций и осевые линии валов.
-
Вычерчиваем редукторную пару в соответствии с геометрическими параметрами, полученными в результате проектного расчета.
-
Для предотвращения задевания поверхностей вращающихся колес за внутренние стенки корпуса контур стенок проводим с зазором х =15 мм; такой же зазор предусматривается между подшипниками и контуром стенок. Расстояние y между дном корпуса и поверхностью колес принимаем у = 4х (60 мм).
-
Вычерчиваем ступени вала на соответствующих осях по размерам d и l, полученных в проектном расчете валов.
-
На 2-й и 4-й ступенях вычерчиваем контуры подшипников по размерам d, D, В.
На быстроходном валу – радиальные шариковые однорядные типа 209 по ГОСТ 8338-75.
На тихоходном валу – радиальные шариковые однорядные типа 316 по ГОСТ 8338-75.
| d | D | В | r | Cr | Cor | |
| 209 | 45 | 85 | 19 | 2,5 | 33,2 | 18,6 |
| 316 | 80 | 170 | 39 | 3,5 | 124 | 80 |
-
Определяем расстояния lБ и lТ между точками приложения реакций подшипников быстроходного и тихоходного валов.
Для радиальных подшипников точка приложения реакций лежит в средней плоскости подшипника, а расстояние между реакциями опор вала:
.
-
Определяем точки приложения консольных сил:
Считаем, что в полумуфте точка приложения силы Fм находится в торцевой плоскости выходного конца быстроходного вала на расстоянии lм от точки приложения реакций смежного подшипника.
Сила давления цепной передачи Fоп принять приложенной к середине выходного конца вала на расстоянии lоп от точки приложения реакции смежного подшипника.
-
Проставляем на проекциях эскизной компоновки необходимые размеры.
-
3.3 Определение усилий в зацеплениях
T1=208,56 Hм – крутящий момент на тихоходном валу
T2=1133,14 Hм – крутящий момент на тихоходном валу
Окружная сила на среднем диаметре колеса:
Радиальная сила на колесе, равная радиальной силе на шестерне:
где
– стандартный угол,
;
Консольная нагрузка от шкива ременной передачи на быстроходном валу:
Консольная нагрузка от муфты на тихоходном валу:
3.4 Определение реакций в опорах
Эпюры быстроходного вала изображены на рисунке 4.
Рисунок 4
1) Вертикальная плоскость:
Проверка:
1 сечение.
2 сечение.
2) Горизонтальная плоскость:
Проверка:
1 сечение.
2 сечение.
3 сечение.
3) Строим эпюру суммарных моментов:
;
;
;
;
.
4) Определяем суммарные реакции опор:
Эпюры тихоходного вала изображены на рисунке 5.
Рисунок 5
Вертикальная плоскость:
Проверка:
1 сечение.
2 сечение.
Горизонтальная плоскость:
Проверка:
1 сечение.
2 сечение.
3 сечение.
3) Строим эпюру суммарных моментов:
;
;
;
;
.
Определяем суммарные реакции опор:
3.5 Расчет подшипников
На быстроходном валу устанавливаем подшипники шариковые радиальные однорядные по ГОСТ 8338-75 (106). (см. рисунок 6)
Рисунок 6
Так как
, то расчет подшипников будем производить по критерию динамической грузоподъемности.
1. Определим эквивалентную динамическую нагрузку:
,
где
;
– коэффициент безопасности;
– при t < 100оС
2. Ресурс долговечности:
п
ри 90% надежности;
для шарика
д
ля шарика
Долговечность обеспечена.
На тихоходном валу устанавливаем подшипники шариковые радиальные однорядные по ГОСТ 8338-75 (315). (см. рисунок 7)
Рисунок 7
Так как
, то расчет подшипников будем производить по критерию динамической грузоподъемности.
1. Определим эквивалентную динамическую нагрузку:
,
где
;
– коэффициент безопасности;
– при t < 100оС
2. Ресурс долговечности:
при 90% надежности;
для шарика
для шарика
Долговечность обеспечена.
4. ОПИСАНИЕ ПРИНЯТОЙ СИСТЕМЫ СМАЗКИ И ВЫБОР МАРКИ МАСЛА
Смазывание зубчатых зацеплений и подшипников применяют в целях защиты от коррозии, снижения коэффициента трения, уменьшения износа, отвода тепла и продуктов износа от трущихся поверхностей, снижения шума и вибрации.
Смазывание зубчатого зацепления.
а) способ смазки:
Смазывание зубчатого зацепления производится окунанием зубчатого колеса в масло, заливаемое внутрь корпуса до погружения колеса на всю длину зуба. Колеса при вращении увлекают масло, разбрызгивая его внутри корпуса. Масло попадает на внутренние стенки корпуса, откуда стекает в нижнюю его часть. Внутри корпуса образуется взвесь частиц масла в воздухе, которая покрывает поверхность расположенных внутри корпуса деталей. Картерное смазывание применяют при окружной скорости зубчатых колес и червяков от 0,3 до12,5 м/с.
б) выбор сорта масла:
Выбор сорта масла зависит от значения расчетного контактного напряжения в зубьях σН и фактической окружной скорости колес V.
σН =480МПа
V = 1,16 м/с
По таблице определяем сорт масла: И-Г-А-68 ГОСТ 17479.4-87
68-класс вязкости, И – индустриальное, Г – для гидравлических систем, А – масло без присадок
в) определение уровня масла:
в цилиндрических редукторах должны быть полностью погружены в масляную ванну зубья колеса
2·m < hм < 0,25d2
2·2 < hм < 0,25·578 = 144,5
г) контроль уровня масла:
для наблюдения за уровнем масла, находящегося в корпусе редуктора выбираем жезловый маслоуказатель, т.к. он удобен для осмотра, его конструкция проста и достаточно надежна.
д) слив масла:
При работе передач масло постепенно загрязняется продуктами износа деталей передач. С течением времени оно стареет, свойства его ухудшаются. Поэтому масло, налитое в корпус редуктора, периодически меняют. Для этой цели в корпусе редуктора предусматривают сливное отверстие, закрываемое пробкой (с цилиндрической резьбой).
е) отдушины:
При длительной работе в связи с нагревом масла и воздуха повышается давление внутри корпуса. Это приводит к просачиванию масла через уплотнения и стыки. Чтобы избежать этого, внутреннюю полость корпуса сообщают с внешней средой путем установки отдушины в его верхних точках.
5. Проверочный расчет шпоночных соединений на срез и на смятие
Подбор шпоночных соединений был выполнен в процессе 1-го этапа эскизной компоновки. Все шпонки призматические (ГОСТ 233360-78) (см. рисунок 8)
Шпонка испытывает напряжение смятия боковых поверхностей (см) и напряжение среза (ср), которые и необходимо рассчитать. Расчет носит проверочный характер.
Рисунок 8
где Т – крутящий момент на валу, Нмм;
d – диаметр вала, мм;
t2 – глубина шпоночного паза cтупицы, мм;
lp – рабочая длина шпонки, мм; (за вычетом закруглений)
рис. 14
b – ширина шпонки, мм;
- допускаемое значение напряжения смятия боковых поверхностей шпонки.
- допускаемое значение напряжения среза.
5.1 Выбор материала шпонок















