125978 (577944)
Текст из файла
Вариант 37
Задача 1
Абсолютно жесткий брус опирается на шарнирно-неподвижную опору и прикреплен к двум стержням с равным поперечным сечением. Площадь сечения стержней А = 2∙10-4 м2. Модуль упругости материала стержней Е = 2105 МПа, коэффициент линейного расширения = 1210–6 1/град. Размеры бруса: a = 0,5 м, b = 3 м, h = 1м, с = 2 м.
Требуется:
-
Вычислить допускаемую нагрузку [Q], приняв большее из напряжений за допускаемое [] = 160 МПа.
-
Вычислить допускаемую нагрузку по предельному состоянию [Q]пр.
-
Сравнить полученные результаты.
-
Вычислить монтажные напряжения в обоих стержнях, если длина второго стрежня короче номинальной на величину 2 = 2∙10-3 м
-
Вычислить напряжения в обоих стержнях, если температура первого стержня увеличится на величину t1 = -40С.
-
Вычислить напряжения в обоих стержнях от совместного действия нагрузки, неточности изготовления второго стержня и изменение температуры первого стержня.
-
Вычислить допускаемую нагрузку [Q], приняв большее из напряжений в стержнях за допускаемое [].
Составляем расчетную схему. Под действием силы Q стержни 1 и 2 будет растягиваться. Вследствие этого появятся внутренние силы N1 и N2. Составим уравнение моментов относительно точки О:
При неизвестных реактивных усилиях N1, N2, Rox, Roy и трех уравнений статики (плоская система сил) заданная стержневая система является статически неопределимой, и степень статической неопределимости (ССН) определяется:
ССН = m – n,
где m – количество неизвестных реакций, n – количество уравнений. Таким образом, ССН = 4 – 3 =1, то есть для решения данной задачи необходимо составить еще одно дополнительное уравнение, называемое уравнением совместности деформаций.
Составляем уравнение совместности деформаций. Из подобия треугольников АА1О и СС1О имеем:
.
Считаем, что угловые деформации малы, поэтому изменением угла пренебрегаем.
АА1=l2,
, KА1=l1. То есть:
По закону Гука имеем:
;
.
Длину первого стержня определяем по теореме Пифагора:
м
Подставляем значения удлинений в уравнение совместности деформаций:
.
Тогда,
. Окончательно имеем: N2 = 1,3N2
Из этого выражения видно, что N1
кН. Значение N1 = 24,62 кН.
Оба стержня сжаты.
Найдем напряжения в обоих стержнях: II = [] = -160 МПа; I = -123,1 МПа. растянуты.
Подставим значения сил N1 и N2 в первое уравнение и определим значение [Q]:
кН.
-
Вычислить допускаемую нагрузку по предельному состоянию [Q]пр.
Предельное состояние будет возникать, если напряжения в стержнях будут равны предельным, то есть пределу текучести т: I = II = т
Составляем уравнение предельного равновесия:
;
.
Предельные усилия в каждом из стержней:
.
Решаем относительно предельной нагрузки для системы:
.
Допускаемая нагрузка по предельному состоянию [Q]пр определяется как:
,
где n – коэффициент запаса прочности.
С учетом, что
получим [Q]пр = 23,51 кН.
-
Сравнить полученные результаты.
Определяем погрешность между расчетами:
%.
По условию предельного состояния допускаемую нагрузку можно не менять (погрешность < 5%).
-
Вычислить монтажные напряжения в обоих стержнях, если длина второго стержня короче номинальной на величину 2=1,5 мм.
Составляем расчетную схему. С учетом удлинения стержня 2 точка А должна совпасть с точкой Е, если бы не было стержня 1. Сопротивление первого стержня приводит к тому, что точка А занимает положение А1. В связи с этим, в стержнях появляются внутренние усилия N1 и N2. Составим уравнение статики:
;
Из этого уравнения следует, что:
Составляем уравнение совместности деформаций. Из подобия треугольников АА1О и ВВ1О имеем:
;
;
;
KВ1=l1.
По закону Гука:
;
.
Решая совместно уравнения получим:
N1= 29,76 кН; N2= 41,34 кН.
2 стержень сжат; 1 – растянут.
Определим напряжения:
I =148,8 МПа; II = -206,7 МПа.
5. Вычислить напряжения в обоих стержнях, если температура первого стержня уменьшится на величину t1=40.
Составим расчетную схему. С учетом удлинения стержня 1 точка В должна совпасть с точкой Е, если бы не было стержня 2. Сопротивление второго стержня приводит к тому, что точка В занимает положение В1. В связи с этим, в стержнях появляются внутренние усилия N1 и N2. Составим уравнение статики:
;
Из этого уравнения следует, что:
Составляем уравнение совместности деформаций. Из подобия треугольников АА1О и ВВ1О имеем:
;
;
;
;
; АА1=l2.
По закону Гука:
;
.
Решая совместно получим:
N1=5,15 кН; N2=7,15 кН.
2 стержень сжат; 1 – растянут.
Определим напряжения:
I =25,75 МПа; II = -35,76 МПа.
-
Вычислить напряжения в обоих стержнях от совместного действия нагрузки, неточности изготовления второго стержня и изменение температуры первого стержня.
Сведем данные расчетов в Таблицу
Таблица 1.
| Фактор, вызывающий напряжения | Напряжения, МПа | |
| 1 стержень | 2 стержень | |
| Нагрузка [Q] = 20,96 МПа | -160 | -123,1 |
| Неточность изготовления 2-го стержня | 148,8 | -206,7 |
| Изменение температуры 1-го стержня | 25,75 | -35,76 |
| ИТОГО | 14,55 | -365,56 |
Из таблицы видно, что для заданной схемы для стержня 1 сочетания всех трех факторов является благоприятным фактором (напряжения значительно меньше допускаемых), а для стрежня 2 - неблагоприятным: стержень разрушится.
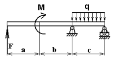
Задача 2
Дана двух опорная балка с приложенными к ней нагрузками М= -15кНм; F=-20 кН; q = 12 кН/м. Допускаемое напряжение [] = 160 МПа. размеры балки a = 0,8 м; b = 0,7 м; c = 0,5 м.
Требуется:
1. Подобрать для схем (а) балку круглого, прямоугольного (отношение сторон h/b=2), кольцевого (отношение диаметров с=0,5), двутаврового сечений при заданном [];
2. Сравнить площади поперечных сечений и сделать вывод о том, какая форма наиболее рациональна.
Решение
-
Определяем опорные реакции балки.
Проверяем правильность определения опорных реакций:
Реакции определены верно.
-
Запишем уравнения поперечных сил и изгибающих моментов для каждого участка балки.
Участок I. О ≤ Z1≤0,8
;
кН;
;
;
кНм.
Строим эпюры по вычисленным значениям.
Участок
П. 0 < Z2 < 0,7
;
кН;
;
кНм;
кНм.
Строим эпюры по вычисленным значениям.
Участок IП.
0 < Z3 < 0,5
Q(z3) = -RВ + qz3; Q(0) = 87 кH; Q(0.5) = 93 кН
M(z3)= RВ z3 – qz3z30.5; M(0) = 0; M(0.5)= -45 кHм
3. Опасным будет сечение, в котором изгибающий момент достигает максимального значения по абсолютной величине.
В данной задаче Mmax = 45 кНм.
Вычисляем необходимый момент сопротивления поперечного сечения балки
см3.
3.1. Двутавровое поперечное сечение.
Этому моменту сопротивления соответствует двутавр №24, момент сопротивления и площадь поперечного сечения которого соответственно равны Wx=289 cм3; А= 34,8 см2.
3.2. Прямоугольное сечение (h/b = 2).
см
h=15 см; b=7,5 см; А=112,5 см2.
3.3. Круглое поперечное сечение:
,
см
см2.
3.4. Кольцевое сечение (с = 0,7).
см
см2
-
Сравниваем площади поперечных сечений А, подобранных профилей, сведя данные в Таблицу 2:
Таблица 2.
| Тип сечения | Площадь сечения, см2 |
| Двутавровое | 38,4 |
| Прямоугольное | 112,5 |
| Круглое | 156,4 |
| Кольцевое | 95,7 |
Таким образом, при изгибе оптимальным является сечение двутавра.
Задача 3
Дан стержень с опорами, закрепленными по указанной схеме, сжат силой F = 90 кН. Поперечное сечение – равносторонний треугольник. Длина стержня 1 = 0,85 м. Материал стержня - чугун. Модуль упругости Е = 1,3105 МПа, допускаемое напряжение [σ] = 130 МПа. Коэффициент закрепления опор = 0,7
Требуется определить:
- размеры поперечного сечения при допускаемом напряжении на сжатие [σ];
- величину критической силы Fk;
- коэффициент запаса устойчивости nу.
Решение.
Задача решается методом приближения. В первом приближении задаемся коэффициентом уменьшения основного допускаемого напряжения 1 = 0,5. Из условия устойчивости определяем площадь сечения:
Из площади сечения находим сторону сечения b:
= 4,3 см.
Определяем минимальный радиус инерции по формуле:
, где
.
=0,88 см
Определяем гибкость стержня:
По таблице находим соответствующее значение коэффициента уменьшения основного допускаемого напряжения ' = 0,36. Производим проверку на устойчивость:
МПа > []
Так как σ > [σ], то задаемся новым значением φ и повторяем весь расчет.
=6,1 см.
= 1,24 см.
По таблице находим соответствующее значение коэффициента уменьшения основного допускаемого напряжения ' = 0,6. Производим проверку на устойчивость:
МПа
Допускаемая погрешность не более 5%. Определяем погрешность
Погрешность больше допустимой, поэтому задаемся новым значением φ и повторяем весь расчет.
=5,54 см.
= 1,13 см.
По таблице находим соответствующее значение коэффициента уменьшения основного допускаемого напряжения ' = 0,46. Производим проверку на устойчивость:
МПа
Определяем погрешность
Погрешность не находится в допускаемых пределах.
Задаемся новым значением φ и повторяем весь расчет.
=5,71 см.
= 1,16 см.
По таблице находим соответствующее значение коэффициента уменьшения основного допускаемого напряжения ' = 0,56. Производим проверку на устойчивость:
МПа
Определяем погрешность
Погрешность не находится в допускаемых пределах.
Задаемся новым значением φ и повторяем весь расчет.
=5,5 см.
= 1,12 см.
По таблице находим соответствующее значение коэффициента уменьшения основного допускаемого напряжения ' = 0,46. Производим проверку на устойчивость:
МПа
Значения повторяются. Поэтому принимаем b = 5,71 см, А = 14,1 см2.
Определяем критическую силу:
кН.
Определяем коэффициент запаса устойчивости:
Ответ: FK=695 кН; nу = 7,7.
Характеристики
Тип файла документ
Документы такого типа открываются такими программами, как Microsoft Office Word на компьютерах Windows, Apple Pages на компьютерах Mac, Open Office - бесплатная альтернатива на различных платформах, в том числе Linux. Наиболее простым и современным решением будут Google документы, так как открываются онлайн без скачивания прямо в браузере на любой платформе. Существуют российские качественные аналоги, например от Яндекса.
Будьте внимательны на мобильных устройствах, так как там используются упрощённый функционал даже в официальном приложении от Microsoft, поэтому для просмотра скачивайте PDF-версию. А если нужно редактировать файл, то используйте оригинальный файл.
Файлы такого типа обычно разбиты на страницы, а текст может быть форматированным (жирный, курсив, выбор шрифта, таблицы и т.п.), а также в него можно добавлять изображения. Формат идеально подходит для рефератов, докладов и РПЗ курсовых проектов, которые необходимо распечатать. Кстати перед печатью также сохраняйте файл в PDF, так как принтер может начудить со шрифтами.















