124930 (577791)
Текст из файла
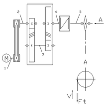
Кинематический расчет
Дано:
кН;
м/с; D=0,5 м.
1. Определим мощность на валу звездочки конвейера
P5 = Ft*v=5,5*1,5=8,25 кВт.
Определим общий КПД привода
общ=р*ц2*м*п4=0,97*(0,97) 2*0,99*(0,99) 4=0,87
Согласно учебнику «Курсовое проектирование деталей машин» стр.5, значение КПД механических передач
цил=0,97
рем=0,97
муфты=0,99
подш=0,99
2. Определим мощность на валу двигателя
Pэд=P5/общ =9,48 кВт
Из таблицы «Асинхронные двигатели серии 4А, закрытые обдуваемые (по ГОСТ 19523-81)" при Pэд. =11 кВт и синхронной частоте вращения nэд=1500 об/мин скольжение составляет s=2,8%, тип двигателя 132 МЧ
080402 КП 03.00.00. ПЗ
Определим частоту вращения звездочки
n4=60*v/*D =60*1,5/3,14*0,5 =57,3 (об/мин)
Номинальная частота вращения двигателя:
nном= nс(1 – s) =1500*(1-0,028) =1458 об/мин
Передаточное отношение привода
uобщ = nном /nр = 1458/57,3 =25,4
Согласно Чернавский С.А. стр 7 средние значения u:
для зубчатых передач 2-6, ременных 2-4
Пусть uцил=3, тогда
Определяем кинематические параметры на каждом валу привода
Вал 1:
P1 = Pэд =9,48 кВт
n1 = nэд=1458 (об/мин);
T1 =9550*P1/n1 = 62,1 Н*м
Вал 2:
P2 = P1*рем*подш =9,48*0,97*0,99 =9,1 кВт;
n2 = n1/uрем =1458/2,8 = 520,7 (об/мин);
T2 =T1* uрем*рем*подш = 167 Н*м
Вал 3:
P3 = P2*цил *п =9,1*0,97*0,99 =8,74 кВт;
n3 = n2/uц = 520,7/3 = 173,6 (об/мин);
T3 =T2* uц *цил*п = 481 Н*м
Вал 4:
P4 = P3 *цил*п =8,74*0,97*0,99 =8,39 кВт;
n4 = n3/uц = 173,6/3=57,87 (об/мин);
T4 = T3* uц *цил*п = 1386 Н*м
080402 КП 03.00.00. ПЗ
Вал 5:
P5 = P4 *муф*п =8,2 кВт;
n5 = n4 = 57,87 (об/мин);
T5 = T4* м *п = 1358 Н*м
| Валы | n, об/мин | | P, кВт | Т, Н*м | u | |
| 1 | 1458 | 152,6 | 9,48 | 62,1 | - | - |
| 2 | 520,7 | 54,5 | 9,1 | 167 | 2,8 | 0,94 |
| 3 | 173,6 | 18,2 | 8,74 | 481 | 3 | 0,94 |
| 4 | 57,87 | 6,06 | 8,39 | 1386 | 3 | 0,98 |
| 5 | 57,87 | 6,06 | 9,2 | 1358 | - |
Расчет цилиндрических зубчатых колес редуктора
Зубчатые передачи закрытые, заключенные в отдельный корпус.
В соответствии условию колесе изготовлены из Стали 40Х. Вид термообработки – улучшение. Шестерня - Сталь 40ХН, ТО – закалка. В соответствии гл. III табл.3.3. Чернавский С.А. твердость для шестерни 280 НВ, колесо 260 НВ.
3. Допускаемые контактные напряжения:
По табл.3.2, глава III для углеродистых сталей с твердостью поверхностей зубьев НВ<350 и ТО улучшением
При длительной эксплуатации коэффициент долговечности KHL=1; коэффициент безопасности
Для косозубых зубчатых колес:
Для шестерни:
МПа
Для колеса:
Расчетное допустимое контактное напряжение:
МПа
за
принято
080402 КП 03.00.00. ПЗ
4.Т. к. колеса расположены симметрично, то по т 3.1. стр.32
и коэффициент ширины венца по межосевому расстоянию
Межосевое расстояние из условия контактной выносливости активных поверхностей зубьев
мм
по ГОСТ 2185-66
=160 мм
мм
по ГОСТ 2185-66
=224 мм
5. Нормальный модуль зацепления
мм
мм
принимаем по ГОСТ 9563-60*
мм,
мм.
6. Угол наклона зубьев β=10°
Определим число зубьев шестерни и колеса
1).
принимаем
=31
Уточняем угол наклона зубьев
2).
принимаем
=36
Уточняем угол наклона зубьев
7. Основные размеры шестерни и колеса
Диаметры делительные:
1).
(мм)
(мм)
080402 КП 03.00.00. ПЗ
2).
(мм)
(мм)
Проверка:
(мм)
8. Диаметры вершин зубьев
1).
мм
мм
2).
мм
мм
9. Ширина колеса
1).
мм
2).
мм
Ширина шестерни
1).
мм
2).
мм
10. Коэффициент ширины шестерни по диаметру
1).
2).
11. Окружная скорость колес и степень точности передачи
1).
м/с
2).
м/с
Принимаем 8-ю степень точности.
12. Коэффициент нагрузки
Значение
в таблице 5 стр 39
1).
=1,03
2).
=1,03
Значение
в таблице 4 стр 39
1).
=1,09
2).
=1,06
Значение
в таблице 6 для косозубых колес стр.40
1).
=1
2).
=1
080402 КП 03.00.00. ПЗ
1).
=1,12
2).
=1,09
13. Проверка контактных напряжений
МПа
МПа
14. Силы, действующие в зацеплении
окружная:
1).
кН
2).
кН
радиальная:
1).
Н
2).
Н
осевая:
1).
Н
2).
Н
15. Проверяем зубья на выносливость по напряжениям изгиба
- коэффициент нагрузки
По табл.3.7 при
,
=1,08
По табл.3.8
=1,25
- коэффициент, учитывающий форму зуба и зависящий от эквивалентного числа зубьев
:
для шестерни стр.42
1).
2).
080402 КП 03.00.00. ПЗ
для колеса
1).
2).
Допускаемое напряжение:
по табл.3.9
НВ
Для шестерни
МПа; для колеса
МПа
- коэффициент безопасности, т.к
=1, то
Допускаемые напряжения:
для шестерни
МПа
для колеса
МПа
Находим отношения
для шестерни:
1).
2).
для колеса:
1).
2).
Расчеты ведем для шестерней первого и второго зацеплений:
1).
2).
для средних значений коэффициента торцового перекрытия
и 8-й степени точности
080402 КП 03.00.00. ПЗ
Проверяем прочность зуба:
1).
Па <
=288 Мпа
2).
Па <
=288 Мпа
Условие прочности выполнено.
Предварительный Расчёт Валов
1. Материал Сталь 40Х ГОСТ 4548-71
Принимаем допускаемое напряжение
БЫСТРОХОДНЫЙ:
2. Диаметр выходного конца вала (под шкив)
Из расчётов
Принимаем ближайшее большее значение из стандартного ряда
ГОСТ 6636-69
Длина ступени
Диаметр под уплотнение крышки с отверстием и подшипник
где t=2.5. – высота буртика (Шейнблит, стр.109)
Принимаем ближайшее большее значение из стандартного ряда
ГОСТ 6636-69
Диаметр под шестерню:
где r=3 – координата фаски подшипника
Принимаем ближайшее большее значение из стандартного ряда
ГОСТ 6636-69
определяется графически по эскизной компоновке
В=69(мм) – ширина шестерни
080402 КП 03.00.00. ПЗ
Под подшипник
=B=19(мм) – для шариковых подшипников.
Тихоходный.
Диаметр выходного конца вала (под шкив)
Из расчётов
Принимаем ближайшее большее значение из стандартного ряда
ГОСТ 6636-69
Длина ступени
Диаметр под уплотнение крышки с отверстием и подшипник
где t=3.5. – высота буртика (Шейнблит, стр.109)
Диаметр под колесо:
где r=3,5 – координата фаски подшипника
Принимаем ближайшее большее значение из стандартного ряда
ГОСТ 6636-69
определяется графически по эскизной компоновке
В=89,6(мм) – ширина колеса
Под подшипник
=B=28(мм) – для шариковых подшипников.
080402 КП 03.00.00. ПЗ
Выбор и проверка долговечности подшипника.
Диаметр первого колеса (колеса быстроходной передачи) – 245 мм;
Диаметр второго колеса (шестерни тихоходной передачи) – 118 мм.
Силы, действующие в зацеплении, быстроходная передача.
Окружная – Ft=2T2/d1=
1363,2 H
Радиальная – Fr= Ft*
=1363,2*
=512,4 Н
Осевая – Fa=Ft*tg=1363,2*0,259=353,1 Н
Силы, действующие в зацеплении, тихоходная передача.
Окружная – Ft=2T4/d1=
23491,2 H
Радиальная – Fr= Ft*
=23491,2*
=8860 Н
Осевая – Fa=Ft*tg=23491,2*0,2773=6523,2 Н.
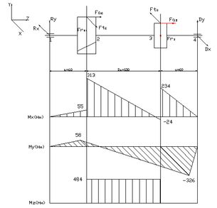
Промежуточный вал.
Определение реакций в подшипниках.
Построение эпюр изгибающих и крутящих моментов.
Дано:
1. Вертикальная плоскость.
Определяем опорные реакции
080402 КП 03.00.00. ПЗ
Проверка:
Строим эпюру изгибающих моментов относительно оси Х в сечениях 1. .4
2. Горизонтальная плоскость.
Определим опорные реакции
080402 КП 03.00.00. ПЗ
Проверка:
Строим эпюру изгибающих моментов относительно оси Y в сечениях 1. .4
3. Строим эпюру крутящих моментов.
4. Определим суммарные изгибающие моменты в наиболее нагруженных сечениях.
080402 КП 03.00.00. ПЗ
080402 КП 03.00.00. ПЗ
Подшипник Качения
В соответствии с Шейнблит (стр.111):
Левый подшипник:
Подшипник радиальный шариковый однорядный
Серия особо лёгкая.
Схема установки - с одной фиксирующей стороной.
Типоразмер 111.
Правый подшипник:
Подшипник радиально-упорный роликовый конический однорядный
Серия особо лёгкая.
Схема установки - враспор.
Типоразмер 7111.
Геометрические параметры:
Левый подшипник:
d=55мм
D=90мм
B=18мм
r=2мм
Правый подшипник:
d=55мм
D=90мм
B=23мм
r=2мм
Статистические параметры:
Грузоподъёмность:
Левый подшипник:
Динамическая C=28,1кН
Статическая Сo=17,0кН
Правый подшипник:
Динамическая C=57кН
Статическая Сo=45,2кН
Номинальная долговечность (ресурс) шарикоподшипника:
С - динамическая грузоподъёмность;
Р - эквивалентная нагрузка;
Т. к.
, то эквивалентная нагрузка:
V-коэффициент; при вращении внутреннего кольца V=1;
080402 КП 03.00.00. ПЗ
В соответствии с табл.9.18, 9. 19 (Чернавский С.А., стр.212)
=0,56
=1,99
=1,49
Расчётная долговечность:
627(млн. об)
1266(млн. об)
Расчетная долговечность:
Быстроходный вал.
Определяем реакции опор.
080402 КП 03.00.00. ПЗ
Подшипник Качения
В соответствии с Шейнблит (стр.111):
Левый и правый подшипник:
Подшипник радиальный шариковый однорядный
Серия лёгкая.
Схема установки - с одной фиксирующей стороной.
Типоразмер 209 ГОСТ8338-75.
Геометрические параметры:
d=45мм
D=85мм
B=19мм
r=2мм
080402 КП 03.00.00. ПЗ
Статистические параметры:
Грузоподъёмность:
Динамическая C=33,2кН
Статическая Сo=18,6кН
Номинальная долговечность (ресурс) шарикоподшипника:
С - динамическая грузоподъёмность;
Р - эквивалентная нагрузка;
Т. к.
, то эквивалентная нагрузка:
V-коэффициент; при вращении внутреннего кольца V=1;
В соответствии с табл.9.18, 9. 19 (Чернавский С.А., стр.212)
=0,56
=1,99
Расчётная долговечность:
24673(млн. об)
Расчетная долговечность:
Тихоходный вал.
Определяем реакции опор.
080402 КП 03.00.00. ПЗ
080402 КП 03.00.00. ПЗ
Подшипник Качения
В соответствии с Шейнблит (стр.111):
Левый и правый подшипник:
Подшипник радиальный шариковый однорядный
Серия лёгкая.
Схема установки - с одной фиксирующей стороной.
Типоразмер 217 ГОСТ8338-75.
Геометрические параметры:
d=85мм
D=150мм
B=29мм
r=3мм
Статистические параметры:
Грузоподъёмность:
Динамическая C=83,2кН
Статическая Сo=53,0кН
Номинальная долговечность (ресурс) шарикоподшипника:
С - динамическая грузоподъёмность;
Р - эквивалентная нагрузка;
Т. к.
, то эквивалентная нагрузка:
V-коэффициент; при вращении внутреннего кольца V=1;
В соответствии с табл.9.18, 9. 19 (Чернавский С.А., стр.212)
=0,56
=1,99
Расчётная долговечность:
74(млн. об)
Расчетная долговечность:
080402 КП 03.00.00. ПЗ
Уточненный расчет валов.
Промежуточный вал.
Вал 3, Сечение 1 (А–А)
Материал вала – сталь 40Х, В=600 Мпа (по табл.3.3). Концентрация напряжений обусловлена наличием шпоночной канавки. Крутящий момент T=481 Н*м
Предел выносливости при симметричном цикле изгиба:
-1=0,43*в=0,43*600=258 МПа.
Предел выносливости при симметричном цикле касательных напряжений:
-1=0,58*-1=150 МПа.
Изгибающие моменты
Результирующий изгибающий момент:
=331119
Моменты сопротивления сечения нетто (d=65 мм; b=16 мм; t1=6 мм):
а) Момент сопротивления кручению:
б) Момент сопротивления изгибу:
Амплитуда номинальных напряжений изгиба:
, m=0.
Амплитуда и среднее напряжение цикла касательных напряжений:
По таблицам 8.5 и 8.8 (стр.163–166 [1]) определим ряд коэффициентов:
.
Определим коэффициенты запаса прочности:
080402 КП 03.00.00. ПЗ
Общий коэффициент запаса прочности:
Условие соблюдено.
Вал 3, Сечение 1 (Б–Б)
Материал вала – сталь 40Х, В=600 Мпа (по табл.3.3).
Крутящий момент T=481 Н*м
Предел выносливости при симметричном цикле изгиба:
-1=0,43*в=0,43*600=258 МПа.
Предел выносливости при симметричном цикле касательных напряжений:
-1=0,58*-1=150 МПа.
Изгибающие моменты
M= Dx4*60=326640
M= Dy4*60+Fa3*59=464877
Результирующий изгибающий момент:
=657604
Моменты сопротивления сечения нетто (d=65 мм; b=16 мм; t1=6 мм):
а) Момент сопротивления кручению:
б) Момент сопротивления изгибу:
Амплитуда номинальных напряжений изгиба:
, m=0.
Амплитуда и среднее напряжение цикла касательных напряжений:
По таблицам 8.5 и 8.8 (стр.163–166 [1]) определим ряд коэффициентов:
.
080402 КП 03.00.00. ПЗ
Определим коэффициенты запаса прочности:
Общий коэффициент запаса прочности:
Условие соблюдено.
Быстроходный вал.
Вал 2, Сечение 1 (А–А)
Материал вала – сталь 45, термообработка – улучшение, В=780 Мпа (по табл.3.3).
Концентрацию напряжений вызывает наличие шпоночной канавки.
Предел выносливости при симметричном цикле изгиба:
-1=0,43*в=0,43*780=335 МПа.
Предел выносливости при симметричном цикле касательных напряжений:
-1=0,58*-1=193 МПа.
Моменты сопротивления сечения нетто (d=38 мм; b=16 мм; t1=6 мм):
а) Момент сопротивления кручению:
б) Момент сопротивления изгибу:
Изгибающие моменты
M= Rx*54=36774
M= Ry*54+Fa*42,5=19878
Результирующий изгибающий момент:
=41802
080402 КП 03.00.00. ПЗ
Амплитуда номинальных напряжений изгиба:
, m=0.
Амплитуда и среднее напряжение цикла касательных напряжений:
По таблицам 8.5 и 8.8 (стр.163–166 [1]) определим ряд коэффициентов:
.
Определим коэффициенты запаса прочности:
Общий коэффициент запаса прочности:
Условие соблюдено.
Вал тихоходный.
Вал 4, Сечение 1 (А–А)
Материал вала – сталь 45, термообработка – улучшение, В=780 Мпа (по табл.3.3).
Это сечение при передаче вращающего момента от электродвигателя через муфту рассчитываем на кручение. Концентрацию напряжений вызывает наличие шпоночной канавки.
Предел выносливости при симметричном цикле изгиба:
-1=0,43*в=0,43*780=335 МПа.
Предел выносливости при симметричном цикле касательных напряжений:
-1=0,58*-1=193 МПа.
Моменты сопротивления сечения нетто (d=78 мм; b=20 мм; t1=7,5 мм):
а) Момент сопротивления кручению:
б) Момент сопротивления изгибу:
080402 КП 03.00.00. ПЗ
Приняв у ведущего вала длину посадочной части под муфту равной длине полумуфты l=105мм, получим изгибающий момент в сечении А-А от консольной нагрузки М=
Амплитуда номинальных напряжений изгиба:
, m=0.
Амплитуда и среднее напряжение цикла касательных напряжений:
По таблицам 8.5 и 8.8 (стр.163–166 [1]) определим ряд коэффициентов:
.
Определим коэффициенты запаса прочности:
Общий коэффициент запаса прочности:
Условие соблюдено.
Вал 4, Сечение 1 (Б–Б)
Материал вала – сталь 45, термообработка – улучшение, В=780 Мпа (по табл.3.3).
Концентрация напряжений обусловлена наличием шпоночной канавки. Крутящий момент T=1386 Н*м
Предел выносливости при симметричном цикле изгиба:
-1=0,43*в=0,43*780=335 МПа.
Предел выносливости при симметричном цикле касательных напряжений:
-1=0,58*-1=193 МПа.
Изгибающие моменты
M= Rx5*70=47705
M= Ry5*70+Fa2* 171=1143083
080402 КП 03.00.00. ПЗ
Результирующий изгибающий момент:
=1144078
Моменты сопротивления сечения нетто (d=78 мм; b=20 мм; t1=7,5 мм):
а) Момент сопротивления кручению:
б) Момент сопротивления изгибу:
Амплитуда номинальных напряжений изгиба:
, m=0.
Амплитуда и среднее напряжение цикла касательных напряжений:
По таблицам 8.5 и 8.8 (стр.163–166 [1]) определим ряд коэффициентов:.
.
Определим коэффициенты запаса прочности:
Общий коэффициент запаса прочности:
Условие соблюдено.
080402 КП 03.00.00. ПЗ
Проверка шпонок
Параметры шпонки взяты из табл.8.9 (стр.169 [1]).
Напряжение смятия узких граней шпонки не должно превышать допускаемого, т.е. должно удовлетворяться условие
Для Быстроходного колеса.
Шпонка 20Х12Х63 ГОСТ 23360-78
lp – рабочая длина шпонки; lp=l–b (для шпонки со скругленными торцами).
Проверка на смятие:
Проверка на срез:
=130 Мпа;
Условие удовлетворено.
Для Тихоходного колеса.
Шпонка 25Х14Х100 ГОСТ 23360-78
Проверка на смятие:
Проверка на срез:
=130 Мпа;
Условие удовлетворено.
080402 КП 03.00.00. ПЗ
На Ведомый Шкив
Шпонка 10Х8Х50 ГОСТ 23360-78
Проверка на смятие:
Проверка на срез:
=130 Мпа;
Условие удовлетворено.
Для МУВП на четвертом валу.
Шпонка 22Х14Х90 ГОСТ 23360-78
Проверка на смятие:
Проверка на срез:
=130 Мпа;
Условие удовлетворено.
080402 КП 03.00.00. ПЗ
Конструктивные размеры корпуса редуктора.
Толщина стенок корпуса и крышки: =0,0025а+3=0,025*250+1,5=7,75 мм,
принимаем =8мм; 1=0,02*250+3=8, принимаем 1=8.
Толщина фланцев поясов корпуса и крышки:
Верхнего пояса корпуса и пояса крышки:
нижнего пояса корпуса:
принимаем p=20мм.
Внутренняя стенка корпуса:
Принимаем зазор между торцом шестерни внутренней стенкой А1=1,2=12 мм.
Принимаем зазор от окружности вершин зубьев колеса до внутренней стенки корпуса А==10 мм.
Для предотвращения вытекания смазки внутрь корпуса и вымывания пластичного смазочного материала жидким маслом из зоны зацепления устанавливаем мазеудерживающие кольца. Их ширина определяет размер y=812 мм. Принимаем 10 мм.
Согласно Цехнович «Атлас Деталей Машин».
Диаметр фундаментальных болтов
Выбираем болты М16.
Отсюда диаметр под отверстие
Диаметр стяжных болтов, которые соединяют корпус и крышку редуктора
Выбираем болты М16.
Толщина фланца (согл. атласа) (1,25dc+) +(1,25dc+5) =(1.25*14+10) +(1.25*14+5) =50 мм.
Крышка подшипника на вал 3 согласно Цехнович «Атлас Деталей Машин» стр.43 – dБ=М8, количество – 6.
Сквозная крышка на вал 4 согласно Атласу - dБ=М12, количество – 6. высота головки винта – 8 мм + шайба толщиной 3,0 мм = 11 мм.
Сквозная крышка на вал 2 согласно Цехнович «Атлас Деталей Машин» - dБ=М8, количество – 4. высота головки винта – 5,5 мм + шайба толщиной 2,0 мм = 7,5 мм.
Толщина фланца под винты в фундамент – 1,5*dФ=24 мм.
Пробка для контроля и спуска смазки – М16Х1,5 по ГОСТ 9150-81 (Атлас стр.54).
Маслоуказатель жезловой – стр.55, табл.55. по диаметр 10 мм.
Сорт масла выбираем по табл.10.29 (Шейндблит) стр.241, в зависимости от контактного напряжения в зубьях и фактической окружной силы колес.
Отсюда – И-40-А 68 ГОСТ 17479.4-87.
Уровень масла:
hmin= 2,2m= 9,8 мм.
m<=hM<=0.25d2=65 мм.
080402 КП 03.00.00. ПЗ
Список использованной литературы:
-
Чернавский С.А., Боков К.Н., Чернин И.М., Ицкович Г.М. «Курсовое проектирование деталей машин» - 2-е издание, перераб. и доп. – М.: Машиностроение, 1987.
-
Дунаев П.Ф., Леликов О.П. «Конструирование узлов и деталей Машин» - 4-е издание, перераб. и доп. – М.: Высш. Шк., 1985.
-
Иванов М.Н. «Детали Машин» - 5-е издание, перераб. и доп. – М.: Высш. Шк., 1991.
-
Шейндблит А.Е. «Курсовое проектирование деталей Машин» - М.: Высш. Шк., 1991.
-
Кузьмин А.В., Чернин И.М., Козинцов Б.С. «Расчеты деталей машин» - 3-е изд., перераб. и доп. – Мн.: Высш. шк., 1986.
-
Орлов П.И. «Основы конструирования: справочно-методическое пособие» В 2-х кн. – изд.3-е, испр. – М.: Машиностроение, 1988.
-
080402 КП 03.00.00. ПЗ
Характеристики
Тип файла документ
Документы такого типа открываются такими программами, как Microsoft Office Word на компьютерах Windows, Apple Pages на компьютерах Mac, Open Office - бесплатная альтернатива на различных платформах, в том числе Linux. Наиболее простым и современным решением будут Google документы, так как открываются онлайн без скачивания прямо в браузере на любой платформе. Существуют российские качественные аналоги, например от Яндекса.
Будьте внимательны на мобильных устройствах, так как там используются упрощённый функционал даже в официальном приложении от Microsoft, поэтому для просмотра скачивайте PDF-версию. А если нужно редактировать файл, то используйте оригинальный файл.
Файлы такого типа обычно разбиты на страницы, а текст может быть форматированным (жирный, курсив, выбор шрифта, таблицы и т.п.), а также в него можно добавлять изображения. Формат идеально подходит для рефератов, докладов и РПЗ курсовых проектов, которые необходимо распечатать. Кстати перед печатью также сохраняйте файл в PDF, так как принтер может начудить со шрифтами.
















