124274 (577692)
Текст из файла
Южно-Уральский государственный университет
Заочный инженерно - экономический факультет
Контрольное задание №2
по преобразовательной технике
Выполнил студент-заочник 4го курса
Зайцев Игорь Петрович
Шифр – ЭПА-04-588 Группа – 447
«____»___________2008г. «____»___________2008г.
Срок предоставления работы по графику Дата отправки работы
№_____________ по журналу «____»___________2008г.
___________________ _Сапрунова Н.М.
отметка о зачете работы Преподаватель
______________________
Подпись преподавателя
«____»_____________2008г.
Челябинск
2008г.
Вариант 1, подвариант Б
Контрольные вопросы 5.4.16, 5.8.6, 5.6.1
5.4.16 Как изменятся временные диаграммы токов и напряжений в трехфазной нулевой схеме (при xd = ), если сгорит предохранитель в цепи одного вентиля при =45?
5.8.6 От чего зависит cos φ выпрямителя?
5.6.1 Почему в реверсивном преобразователе предусматривается два комплекта вентилей?
5.4.16 Как изменятся временные диаграммы токов и напряжений в трехфазной нулевой схеме (при xd = ), если сгорит предохранитель в цепи одного вентиля при =45?
Ответ:
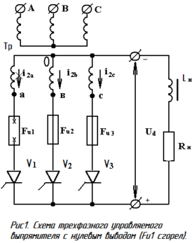
Нарисуем трехфазную нулевую схему рис1.
Сгоревший предохранитель обозначим его отсутствием (допустим в фазе «а»). Это значит, что тока через вентиль V1 не будет и напряжение фазы «а» не будет участвовать в формировании напряжения Ud. Покажем это на временной диаграмме рис 2.
Обратное напряжение на вентилях 2 и 3 (рис 3,4) определится как разность между потенциалами анода и катода соответствующего вентиля.
5.8.6 От чего зависит cos φ выпрямителя?
Ответ:
cos φ выпрямителя – коэффициент сдвига первой гармоники потребляемого тока относительно напряжения питания. Зависит от угла управления α и угла коммутации γ
Потребляемый ток выпрямителями средней и большей мощности не синусоидален, а его первая гармоника сдвинута относительно синусоиды переменного напряжения сети. Наличие фазового сдвига свидетельствует о том, что выпрямитель потребляет от сети и реактивную мощность. Потребление реактивной мощности и наличие в кривой тока высших гармоник приводит к увеличению действующего значения тока сети и росту потерь при передаче энергии к выпрямительной установке. Указанное явление характеризуется коэффициентом мощности выпрямителя
где Р1 - активная мощность, потребляемая выпрямителем:
S1 – полная мощность, потребляемая от сети:
5.6.1 Почему в реверсивном преобразователе предусматривается два комплекта вентилей?
Ответ:
При работе с теми или иными производственными механизмами часто необходимо изменять направление вращения двигателя (осуществлять реверс). Изменению направления вращения обычно сопутствуют такие требования, как быстрое и плавное торможение и плавный набор скорости.
Реверс направления движения приводного двигателя может достигаться изменением полярности подводимого к якорю напряжения либо изменением направления тока обмотки возбуждения. С этой целью в цепи якоря или обмотки возбуждения используют два управляемых тиристорных преобразователя. Задание одной тиристорной группе условия для работы в качестве выпрямителя, а другой - в качестве инвертора определяет для двухкомплектного реверсивного преобразователя его постоянную готовность к работе либо в режиме инвертирования, либо в режиме выпрямления при возможности осуществления прямого и обратного направления вращения двигателя.
Допустим пусковой режим, и прямое вращение двигателя будет осуществляться в режиме выпрямления первой тиристорной группой. При этом вторая тиристорная группа будет находиться в режиме готовности к осуществлению инверторного режима преобразователя. Режим инвертирования для второй тиристорной группы наступает при торможении двигателя, требуемом для перехода на более низкую частоту вращения двигателя, либо для его останова.
Реверс осуществляется переводом второй тиристорной группы в режим выпрямления, а первой тиристорной группой – в режим инвертирования соответствующим изменением угла управления α.
Характеристики
Тип файла документ
Документы такого типа открываются такими программами, как Microsoft Office Word на компьютерах Windows, Apple Pages на компьютерах Mac, Open Office - бесплатная альтернатива на различных платформах, в том числе Linux. Наиболее простым и современным решением будут Google документы, так как открываются онлайн без скачивания прямо в браузере на любой платформе. Существуют российские качественные аналоги, например от Яндекса.
Будьте внимательны на мобильных устройствах, так как там используются упрощённый функционал даже в официальном приложении от Microsoft, поэтому для просмотра скачивайте PDF-версию. А если нужно редактировать файл, то используйте оригинальный файл.
Файлы такого типа обычно разбиты на страницы, а текст может быть форматированным (жирный, курсив, выбор шрифта, таблицы и т.п.), а также в него можно добавлять изображения. Формат идеально подходит для рефератов, докладов и РПЗ курсовых проектов, которые необходимо распечатать. Кстати перед печатью также сохраняйте файл в PDF, так как принтер может начудить со шрифтами.















