124164 (577672)
Текст из файла
Министерство сельского хозяйства и продовольствия Республики Беларусь
УО «Белорусская государственная сельскохозяйственная академия»
Расчетно-пояснительная записка
к курсовому проекту по «Деталям машин и основам конструирования»
Тема: Расчет и проектирование привода лебедки
Выполнил:
студент гр.
специальность
Проверил:
2009
Содержание
Введение
1. Кинематический и силовой расчет
2. Расчет косозубой передачи
3. Расчет шевронной передачи
4. Расчет валов редуктора
5. Расчет и конструирование подшипниковых узлов
6. Подбор и проверочный расчет шпонок
7. Определение конструктивных размеров зубчатой передачи
8. Определение конструктивных размеров корпуса
9. Определение конструктивных размеров крышек подшипников
10. Выбор масла, смазочных устройств
16. Выбор и проверочный расчет муфт
17. Сборка редуктора
18. Техника безопасности
Список использованной литературы
Введение
В создании материально-технической базы значительная роль отводится подъемно-транспортному машиностроению, перед которым поставлена задача широкого внедрения во всех областях народного хозяйства комплексной механизации и автоматизации производственных процессов, ликвидации ручных погрузочно-разгрузочных работ и исключения тяжелого ручного труда при выполнении основных и вспомогательных производственных операций. Современные поточные технологические и автоматизированные линии, межцеховой и внутрицеховой транспорт, погрузочно-разгрузочные операции органически связаны с применением разнообразных грузоподъемных машин и механизмов, обеспечивающих непрерывность и ритмичность производственных процессов.
Правильный выбор грузоподъемного оборудования является основным фактором нормальной работы и высокой эффективности производства. Нельзя обеспечить устойчивый ритм производства на современной ступени его интенсификации без согласованной и безотказной работы современных средств механизации внутрицехового и межцехового транспортирования сырья, полуфабрикатов и готовой продукции на всех стадиях обработки и складирования. Успешно осуществляется переход от применения отдельных видов подъемно-транспортной техники к внедрению высокопроизводительных комплексов. Создаются принципиально новые системы грузоподъемных машин для комплексной механизации и автоматизации погрузочно-разгрузочных, транспортных и складских работ. Современные высокопроизводительные грузоподъемные машины, имеющие высокие скорости и большую грузоподъемность, появились в результате постепенного совершенствования машин в течение долгого времени.
В грузоподъемных машинах применяют электропривод с двигателями постоянного и переменного тока. Основным преимуществом двигателей постоянного тока является возможность регулирования скорости в широких пределах и получения механических характеристик, наиболее полно удовлетворяющих требованиям, предъявляемым к работе грузоподъемных машин. Кроме того, двигатели постоянного тока обладают большей перегрузочной способностью и более напряженным режимом работы.
Электропривод с двигателем переменного тока по сравнению с приводом постоянного тока обладает более низкой стоимостью и меньшими затратами при эксплуатации, вследствие более простой и надежной конструкции. Кроме того, электродвигатели переменного тока получают электроэнергию непосредственно из сети, а для электродвигателей постоянного тока требуются индивидуальные или цеховые преобразовательные устройства.
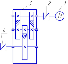
Примерный вид привода лебедки приведен на рис.1
Рис.1 Примерная схема привода лебедки
где: 1-двухступенчатый редуктор, 2-электродвигатель, 3-ограничитель подъема.
Кинематическая схема заданного привода лебедки приведена на рис.2.
Вращение привода передается от вала электродвигателя 1 к выходной муфте 4 через входную муфту 2 и двухступенчатый редуктор 3.
Рис.2 Кинематическая схема привода лебедки.
1. Кинематический и силовой расчет
Исходные данные:
-
вращающий момент на выходном валу Т3=1260Нм;
-
угловая скорость выходного вала ω3=4с-1;
Определяем мощность на выходном валу Р3= Т3х ω3=1260х4=5040Вт.
Определяем общий КПД привода по схеме привода
ηобщ=ηкп ηшп ηм ηп (1.1)
где [1, с.5, табл.1.1]: ηкп=0,97- КПД косозубой передачи;
ηшп=0,97 - КПД шевронной передачи;
ηм=0,982 – потери в муфтах;
ηп=0,993- коэффициент, учитывающий потери на трение в подшипниках 3-х валов.
Сделав подстановку в формулу (2.1) получим:
ηобщ.=0,97*0,97*0,982*0,993=0,877
Определяем мощность, необходимую на входе [1,с.4]
Ртр=Р3/ηобщ. (1.2)
где Ртр – требуемая мощность двигателя:
Ртр=5,04/0,877=5,75кВт
Выбираем электродвигатель [1,с.390,табл. П1,П2]
Пробуем двигатель 4А132М6У3:
Рдв.=7,5кВт;
nс=1000об/мин;
S=1,3%
dдв.=38мм.
Определяем номинальную частоту вращения электродвигателя по формуле (1.3) [1,c.6]:
nном=nc·(1-S); nном=1000·(1-0,013);
nном=870 об/мин
По формуле (2.4) определяем угловую скорость вала двигателя
ωдв=πnдв/30=π*870/30=91,1рад/с;
Определяем общее передаточное число привода
U=ωдв./ω3=91,1/4=22,8
Производим разбивку передаточного числа по ступеням. По схеме привода
Uобщ.=U1· U2; (1.3)
Назначаем по рекомендации [1,табл.1.2]:
U1=5;
тогда
U2= Uобщ./U1;
U2=4,56, что входит в рекомендуемые пределы
Принимаем U2=4,5.
Тогда уточняем передаточное число привода по формуле (2.3):
Uобщ.=5х4,5=22,5
Принимаем окончательно электродвигатель марки 4А136М6 с dвых=38мм.
Угловые скорости определяем по формуле
ω=πn/30 (1.4)
По схеме привода (рис.2) и формуле (1.4) определяем частоты вращения и угловые скорости каждого вала
n1= nдв
n2= nдв/U1=870/5=174об/мин;
ω2=πn2/30=π*174/30=18,2 рад/с;
n3= n2/U2=174/4,5=38,7 об/мин;
ω3=πn3/30=π*38,7/30=4 рад/с.
Определяем мощность на каждом валу по схеме привода
Р1=Рдв ηм=7,5*0,98=7,35 кВт;
Р2=Р1 ηкп ηп=7,35*0,97*0,992=7,06 кВт;
Р3=Р2 ηшп ηп =7,06*0,97*0,99=6,78 кВт.
Определяем вращающие моменты на каждом валу привода по формуле
(Нм) (1.5)
;
;
;
.
Все рассчитанные параметры сводим в табл.1.
Параметры кинематического расчета Таблица 1
| № вала | n, об/мин | ω, рад/с | Р, кВт | Т, Нм | U |
| Дв | 870 | 91,1 | 7,5 | 82,3 | |
| 1 | 870 | 91,1 | 7,35 | 80,7 | 5 |
| 2 | 174 | 18,2 | 7,06 | 388 | |
| 4,5 | |||||
| 3 | 38,7 | 4 | 6,78 | 1964 |
2. Расчет косозубой передачи
2.1 Исходные данные
Мощность на валу шестерни и колеса Р1=7,35 кВт
Р2=7,06 кВт
Вращающий момент на шестерне и колесе Т1=80,7 Нм
Т2=388 Нм
Передаточное число U=5
Частота вращения шестерни и колеса n1=870 об/мин
n2=174 об/мин
Угловая скорость вращения шестерни и колеса ω1=91,1 рад/с
ω3=18,2 рад/с
Угол наклона зубьев β1=13˚
Расположение колес относительно опор симметричное.
2.2 Расчет параметров зубчатой передачи
Выбираем материал для шестерни и колеса по табл.3.3 [1,c.34]:
шестерня – сталь 40Х, термообработка – улучшение 270НВ,
колесо - сталь 40Х, термообработка – улучшение 250НВ.
Определяем допускаемое контактное напряжение по формуле (3.9) [1,c.33]:
(2.1)
где σHlimb – предел контактной выносливости при базовом числе циклов;
КHL – коэффициент долговечности;
[SH] – коэффициент безопасности;
по [1,c.33]: КHL =1; [SH] =1,1.
Определяем σHlimb по табл.3.2 [1,c.34]:
σHlimb =2НВ+70; (2.2)
σHlimb1 =2270+70; σHlimb1 =610МПа;
σHlimb2 =2250+70; σHlimb1 =570МПа.
Сделав подстановку в формулу (3.1) получим
;
МПа;
;
МПа.
Определяем допускаемое расчетное напряжение по формуле (3.10) [1,c.35]:
(2.3)
;
МПа.
Определяем межосевое расстояние передачи по формуле (3.7) [1,c.32]:
(2.4)
де Ка – числовой коэффициент;
КHβ – коэффициент, учитывающий неравномерность распределения нагрузки по ширине венца;
- коэффициент ширины;
Т2 – вращающий момент на колесе
Выбираем коэффициенты:
Ка =43 [1,c.32];
КHβ =1,1 [1,c.32,табл.3.1];
=0,315 назначаем по ГОСТ2185-66 с учетом рекомендаций [1,c.36];
Т2=388Нм.
Подставив значения в формулу (3.4) получим:
;
мм;
Принимаем окончательно по ГОСТ2185-66 [1,c.36]
мм.
Определяем модуль [1,c.36]:
(2.5)
;
;
Принимаем по ГОСТ9563-60 модуль mn=2,0мм [1,c.36]
Определяем суммарное число зубьев по формуле (3.12) [1,c.36]:
(2.6)
Так как β=13º (β=8º…12º), тогда cosβ=0,974
;
;
Принимаем
зуба.
Характеристики
Тип файла документ
Документы такого типа открываются такими программами, как Microsoft Office Word на компьютерах Windows, Apple Pages на компьютерах Mac, Open Office - бесплатная альтернатива на различных платформах, в том числе Linux. Наиболее простым и современным решением будут Google документы, так как открываются онлайн без скачивания прямо в браузере на любой платформе. Существуют российские качественные аналоги, например от Яндекса.
Будьте внимательны на мобильных устройствах, так как там используются упрощённый функционал даже в официальном приложении от Microsoft, поэтому для просмотра скачивайте PDF-версию. А если нужно редактировать файл, то используйте оригинальный файл.
Файлы такого типа обычно разбиты на страницы, а текст может быть форматированным (жирный, курсив, выбор шрифта, таблицы и т.п.), а также в него можно добавлять изображения. Формат идеально подходит для рефератов, докладов и РПЗ курсовых проектов, которые необходимо распечатать. Кстати перед печатью также сохраняйте файл в PDF, так как принтер может начудить со шрифтами.














