124164 (577672), страница 2
Текст из файла (страница 2)
Определяем число зубьев шестерни и колеса по формулам (3.13) [1,c.37]:
;
;
;
;
;
.
Уточняем фактическое передаточное число
;
;
Отклонения передаточного числа от номинального нет.
Определяем делительные диаметры шестерни и колеса по формуле (3.17) [1,c.37]:
(2.8)
;
мм;
;
мм.
Проверяем межосевое расстояние
(2.9)
;
мм.
Определяем остальные геометрические параметры шестерни и колеса по формулам:
;
;
;
;
(2.10)
;
(2.11)
мм;
;
мм;
;
мм;
;
мм;
;
мм;
;
мм;
;
мм
;
мм;
;
мм;
;
мм.
Проверяем соблюдение условия (т.к. Ψba<0,4)
;
;
;
0,315>0,223
Значит, условие выполняется.
Определяем окружные скорости колес
;
м/с;
;
;
м/с;
м/с.
Назначаем точность изготовления зубчатых колес – 8В [1,c.32].
Определяем фактическое контактное напряжение по формуле (3.6) [1,c.31]
(2.12)
где КН – коэффициент нагрузки:
КН =КНά КНβ КН;
КНά – коэффициент, учитывающий неравномерность распределения нагрузки между зубьями;
КНβ - коэффициент, учитывающий неравномерность распределения нагрузки по ширине;
КН - коэффициент, учитывающий динамическую нагрузку в зацеплении.
Уточняем коэффициент нагрузки
КНά =1,01; [1,c.39, табл.3.4]
КН =1; [1,c.40, табл.3.6]
;
;
,
тогда КНβ =1,09; [1,c.39, табл.3.7]
КН =1,011,091; КН =1,1.
Сделав подстановку в формулу (3.12) получим
;
МПа.
Определяем ∆σН
;
;
недогрузки,
что допускается.
Определяем силы в зацеплении
- окружная
; (2.13)
;
Н;
- радиальная
; (2.14)
;
Н;
- осевую
; (2.15)
;
Н.
Практика показывает, что у зубчатых колес с НВ<350 выносливость на изгиб обеспечивается с большим запасом, поэтому проверочный расчет на выносливость при изгибе не выполняем.
Все вычисленные параметры заносим в табл.2.
Таблица 2. Параметры закрытой зубчатой передачи
| Параметр | Шестерня | Колесо |
| mn,мм | 2 | |
| βº | 13º | |
| ha,мм | 2 | |
| ht,мм | 2,5 | |
| h,мм | 4,5 | |
| с, мм | 0,5 | |
| d,мм | 53 | 267 |
| dа,мм | 57 | 271 |
| df,мм | 48 | 252 |
| b, мм | 54 | 50 |
| аW,мм | 160 | |
| v, м/с | 2,4 | |
| Ft, Н | 2906 | |
| Fr, Н | 1086 | |
| Fа, Н | 250,7 | |
3. Расчет шевронной передачи
-
Исходные данные:
Мощность на валу шестерни и колеса Р1=7,06 кВт
Р1=6,78 кВт
Вращающий момент на шестерне и колесе Т1=388 Нм
Т2=1964 Нм
Передаточное число U=4,5
Частота вращения шестерни и колеса n1=174 об/мин
n2=38,7 об/мин
Угловая скорость вращения шестерни и колеса ω1=18,2 рад/с
ω3=4 рад/с
Угол наклона зубьев β=45˚
Расположение колес относительно опор симметричное.
Материал зубчатых колес сталь 45 с термообработкой – улучшение; для колеса твердость 235…262 НВ2 (248 НВ2ср), Т = 540 Н/мм2, наибольшая толщина сечения заготовки
; для шестерни 269…302 НВ1 (285 НВ1ср), Т = 650 Н/мм2, при диаметре заготовки шестерни
.
При этом обеспечивается прирабатываемость зубьев:
.
-
Интерполированием, т.е. находим промежуточные значения функции по известным ее частным значениям, [1,табл.4.15] находим число циклов напряжений, соответствующее пределу выносливости:
для колеса – NHO2 = 16,2106,
для шестерни – NHO1 = 22,5106 .
Рекомендуется NF0 = 4106 – наработка.
-
Находим число циклов нагружения зубьев (колеса и шестерни) за весь срок службы:
;
;
;
;
где
- ресурс (срок службы) передачи, примерно три года при двухсменной работе.
-
Принимаем значения коэффициентов:
KHL = 1, учитывает влияние срока службы и режима нагрузки передачи,
KFL = 1, учитывает долговечность работы.
-
Определяем допускаемые контактные напряжения []HO и напряжения изгиба []FO, соответствующие числу циклов напряжений NHO и NFO [3, табл. 4.6] для материалов зубьев колеса и шестерни:
;
;
;
;
;
;
-
Определяем допускаемые напряжения с учетом ресурса (срока службы) передачи:
;
;
;
;
;
;
-
Чтобы рассчитать межосевое расстояние, принимаем расчетные коэффициенты:
– коэффициент ширины венца [1,табл. 4.6],
,
– коэффициент неравномерности нагрузки по длине зуба (табл. 4.18; 4.20). -
Тогда межосевое расстояние передачи равно:
где Ка =43 – числовой коэффициент для шевронной передачи;
Т2=232Нм.
Подставив значения в формулу (5.1) получим:
;
мм;
Принимаем окончательно по ГОСТ2185-66 [1,c.36]
мм.
Определяем модуль [1,c.36]:
;
;
Принимаем по ГОСТ9563-60 модуль mn=4,0мм [1,c.36]
Определяем суммарное число зубьев по формуле:
β=45º, тогда cosβ=0,707
;
;
Принимаем
зуба.
Определяем число зубьев шестерни и колеса по формулам [1,c.37]:
;
;
;
;
.
Уточняем фактическое передаточное число
;
;
Отклонения передаточного числа от номинального нет.
Определяем делительные диаметры шестерни и колеса по формуле (3.11):
;
мм;
;
мм.
Проверяем межосевое расстояние
;
мм.
Определяем остальные геометрические параметры шестерни и колеса по формулам (2.10)
;
;
;
;
;
мм;
;
мм;
;
мм;
;
мм;
;
мм; принимаем b2=80мм;
;
мм;
;
мм
;
мм;
;
мм;
;
мм.
Проверяем соблюдение условия (т.к. Ψba<0,4)
;
;
;
0,315>0,056
Значит, условие выполняется.
Определяем окружные скорости колес
;
м/с;
;
;
м/с;
Принимаем для расчетов
м/с.
Определяем силы в зацеплении
- окружная
;
;
Н;
- радиальная
;
;
Н;
- осевого усилия нет.
Принимаем 9-ую степень точности изготовления колес [1,табл.4.5].
-
Принимаем коэффициенты динамической нагрузки: KHV=1,2 (Н≤350HB); КFV=1,02 [1,табл. 4.13]. Принимаем коэффициенты формы зуба некорригированного зацепления: для шестерни z1 = 16, YF1 = 4,4; а для колеса z2 = 72, YF2 = 3,61. Проверяем зубья колеса по контактным напряжениям и по напряжениям изгиба:
Расчетное контактное напряжение:
;
;
Определяем ∆σН
;
;
недогрузки, что допускается.
Расчетные напряжения изгиба в основании ножки зубьев колеса и шестерни:
;
;
;
;
Прочность зубьев на изгиб обеспечивается
Все вычисленные параметры заносим в табл.3.
Параметры закрытой шевронной передачи Таблица 3
| Параметр | Шестерня | Колесо |
| mn,мм | 4 | |
| z | 16 | 72 |
| βº | 45º | |
| ha,мм | 4 | |
| hf,мм | 5 | |
| h,мм | 10 | |
| с, мм | 0,5 | |
| d,мм | 90,5 | 409,5 |
| dа,мм | 98,5 | 422,5 |
| df,мм | 80,5 | 399,6 |
| b, мм | 80 | 62 |
| ω, рад | 18,2 | 4 |
| аW,мм | 250 | |
| v, м/с | 0,8 | |
| Т, Нм | 388 | 1964 |
| Ft, Н | 9593 | |
| Fr, Н | 4938 | |
4. Расчет валов редуктора
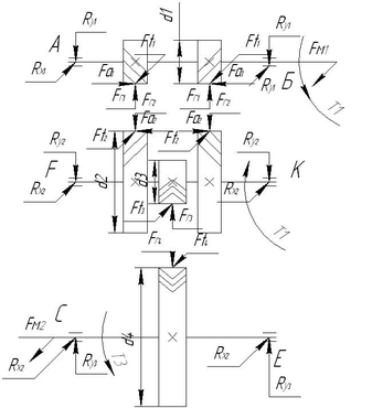
По кинематической схеме привода составляем схему усилий, действующих на валы редуктора. Для этого мысленно расцепим шестерню и колесо редуктора. По закону равенства действия и противодействия:
Fa1= Fa2= Fa1;
Ft1= Ft2= Ft1;
Fr1= Fr2= Fr1;
Ft3= Ft4= Ft2;
Fr3= Fr4= Fr2.
Схема усилий приведена на рис.3.
Так как на валу промежуточного вала находится 3 зубчатых колеса, этот вал будет определяющим для внутренней ширины корпуса редуктора и расчет валов начнем с него.
4.1 Расчет промежуточного вала
Исходные данные выбираем из табл.1,3 с округлением до целых чисел:
Схема усилий действующих на валы редуктора
Fa1= Fa2= Fa1=251Нм;
Ft1= Ft2 =Ft1= 2906Нм;
Fr1= Fr2= Fr1= 1086Нм;
Ft3= Ft4= Ft2=9592Нм;
Fr3= Fr4= Fr2=4938Нм;
Нм;
Нм.
Рис.4 Схема усилий, действующих на валы редуктора
d1=53мм;
d2=267мм;
d3=90,5мм;
Т1=81Н;
Т2=388Н;
Т2=388Н;
b1=54мм;
b2=50мм;
b3=82мм;
Назначаем материал вала. Принимаем сталь 40Х, для которой [1, табл.8.4]
σв=730Н/мм2;
Н/мм2;
Н/мм2;
Н/мм2.
Определяем диаметр выходного конца вала под подшипником из расчёта на чистое кручение
где [τк]=(10…20)Мпа [1,c.161]
Принимаем [τк]=30Мпа.
;
мм.
Принимаем окончательно с учетом стандартного ряда размеров Rа40:
мм.
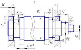
Намечаем приближенную конструкцию промежуточного вала редуктора (рис.4), уменьшая диаметр ступеней вала на 5…6мм
Рис.5 Приближенная конструкция промежуточного вала
dв=52мм;
Lст1=в1=54мм;
Lст3=в3=82мм;
х=8мм;
W=50мм;
r=2,5мм;
f=1,2мм;
dст= dв-3f=48мм;
dп≥ dст-3r=40мм;
l=2Lст1+Lст3+4х+W=326мм.
Так как осевые силы от двух косозубых колес взаимно компенсируются, их можно не учитывать в расчетах, поэтому предварительно назначаем предварительно подшипники шариковые радиальнные однорядные средней серии по
мм подшипник №308, у которого Dп=90мм; Вп=23мм [1,c.394, табл.П3].
Заменяем вал балкой на опорах в местах подшипников.
Рассматриваем вертикальную плоскость (ось у)
Изгибающий момент от осевой силы Fа будет:
mа=[Fad/2]:
mа=251·26710-3/2;
mа=33,5Нм2.
Определяем реакции в подшипниках в вертикальной плоскости.
1mFу=0
-RКу·0,272-Ft1·0,0,06+Ft3·0,06+ mа –Ft1·0,212=0
RКy=(4938·0,06-1086·0,212-1086·0,0,06)/ 0,272;
RКy==60Н
Учитывая симметричность нагрузок:
RFy =60Н
Назначаем характерные точки 1, 2, 3, 4 и 5 и определяем в них изгибающие моменты:
М1у=0;
М2у(слева)=-RFy·0,06;
М2у(слева)=-3,5
М2у(справа)= М2у -mа;
М2у=-37;
М3у=-Fr3·0,076;
М3у=-412,5Нм2;
М4у(слева)= М2у(справа) =-37;
М4у(справа)= М2у(слева)=-3,5;
М4у=0;
Строим эпюру изгибающих моментов Му, Нм (рис.6)
Определяем реакции в подшипниках в горизонтальной плоскости.
1mFх=0
RКх·0,272-Fr1·0,0,06- mа+Fr3·0,06+ mа -Fr1·0,212=0
RКх=(-4938·0,06+1086·0,212+1086·0,06)/ 0,272;
RКх==34,5Н
Рис.6 Эпюры изгибающих и крутящих моментов промежуточного вала.
Учитывая симметричность нагрузок: RFх =34,5Н
Назначаем характерные точки 1, 2, 3, 4 и 5 и определяем в них изгибающие моменты:
М1у=0;
М2у=-Т2/2;
М3у=-Fr3·0,076;
М3у=-194Нм2;
М4у=-Т2;
М4у=-388;
М4у=0;
Строим эпюру изгибающих моментов Му, Нм (рис.6)
Крутящий момент
Т1-1=0;
Т2-2=-T2/2=-194Нм2;
Т3-3(слева)=-T2/2=-194Нм2;
Т3-3(справа)=T2/2=194Нм2;
Т4-4=T2/2=194Нм2;
Т5-5=0.
В соответствии с рис.6 наиболее опасным является сечение 3-3, в котором имеются концентраторы напряжений от посадки зубчатого колеса с натягом, шпоночного паза и возникают наибольшие моменты.
Исходные данные для расчета:
М3х= 388Нм2;
М3у=412,5Нм2;
Т3-3=388Нм2;
d=52мм;
в=16мм – ширина шпонки,
t=6мм – глубина шпоночного паза,
l=45мм – длина шпонки.
При расчете принимаем, что напряжения изгиба изменяются по симметричному циклу, а напряжения кручения – по отнулевому циклу.
Определяем результирующий изгибающий момент:
Нм2.
Эквивалентный момент:
Нм2.
Определяем диаметр вала в рассчитываемом сечении при допускаемом напряжении при изгибе [σ-1]и=60МПа:
мм.
Условие соблюдается.
Определяем напряжения изгиба:
σи=Ми/W;
где W – момент сопротивлению изгибу. По [1,табл.22.1]:
мм3
σи=627000/7611=53,7Н/мм2.
При симметричном цикле его амплитуда равна:
σа= σи =53,7Н/мм2.
Определяем напряжения кручения:
τк=Т3-3/Wк;
где Wк – момент сопротивлению кручению. По [1,табл.22.1]:
мм3
τк=338000/16557=13,2Н/мм2.
При отнулевом цикле касательных напряжений амплитуда цикла равна:
τа= τк /2=13,2/2=6,6 Н/мм2.
Согласно примечанию к табл. 0.2 [3] в расчет принимаем концентрацию напряжений от посадки зубчатого колеса, для которой по табл.0.5 [3] (интерполируя) Кσ/Кν=3,9; Кτ/Кd=2,8.
По табл. 0.3…0.4 [3]: КF=1,0 – для шлифованной посадочной поверхности; Кν=1,0 – поверхность вала не упрочняется.
Определяем коэффициенты концентрации напряжении вала:
(Кσ)D=( Кσ/Кν+ КF-1)/ Кν=(3,9+1-1)/1=3,9;
(Кτ)D=( Кτ/Кν+ КF-1)/ Кν=(2,8+1-1)/1=2,8.
Определяем пределы выносливости вала:
(σ-1)D=σ-1/(Кσ)D=370/3,9=94,9 Н/мм2;
(τ-1)D=τ-1/(Кτ)D=200/2,8=71,4 Н/мм2.
Определяем коэффициенты запаса прочности:
sσ=(σ-1)D/ σа=94,9/53,7=1,8;
sτ=(τ-1)D/ τа=71,4/6,6=10,8.
Определяем расчетный коэффициент запаса по нормальным и касательным напряжениям:
Сопротивление усталости вала в сечении 3-3 обеспечивается, расчет вала на жесткость не проводим.
4.3 Расчет ведомого вала редуктора
Исходные данные выбираем из табл.1,3 с округлением до целых чисел:
Схема усилий действующих на валы редуктора представлена на рис.3
Ft4= 9592Н;
Fr4=4938Н;
d4=267мм;
Т4=1964Н;
b4=82мм;
Назначаем материал вала. Принимаем сталь 40Х, для которой [1, табл.8.4] σв=730Н/мм2;
Н/мм2;
Н/мм2;
Н/мм2.
Определяем диаметр выходного конца вала под полумуфтой из расчёта на чистое кручение
где [τк]=(20…25)Мпа [1,c.161]
Принимаем [τк]=20Мпа.
;
мм.
Принимаем окончательно с учетом стандартного ряда размеров Rа40:
мм.
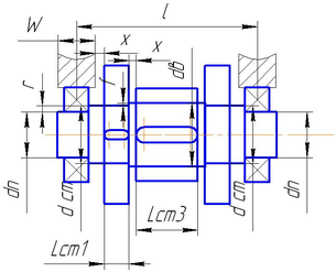
Намечаем приближенную конструкцию ведомого вала редуктора (рис.5), увеличивая диаметр ступеней вала на 5…6мм, под уплотнение допускается на 2…4мм и под буртик на 10мм.
Рис.7 Приближенная конструкция ведомого вала
мм;
мм – диаметр под уплотнение;
мм – диаметр под подшипник;
мм – диаметр под колесо;
мм – диаметр буртика.
Учитывая, что осевых нагрузок на валу нет назначаем подшипники шариковые радиальные однорядные средней серии по
мм подшипник №318, у которого Dп=190мм; Вп=43мм [1,c.394, табл.П3].
Из расчета промежуточного вала принимаем l=326мм, остальные размеры:
W=65мм;
lм=105мм (длина полумуфты МУВП на момент 2000Нм;
l1=35мм.
Определим размеры для расчетов:
l/2=163мм;
с=W/2+ l1+ lм/2=170мм – расстояние от оси полумуфты до оси подшипника.
Проводим расчет ведомого вала на изгиб с кручением.
Заменяем вал балкой на опорах в местах подшипников.
Определяем реакции в подшипниках в вертикальной плоскости.
-RЕy·0,326+Fr4·0,163=0
RЕy= 4938·0,163/ 0,326;
RЕy= RСy=2469Н
Рис.7 Эпюры изгибающих и крутящих моментов ведомого вала
Назначаем характерные точки 1,2 и 3 и определяем в них изгибающие моменты:
М1у=0;
М2у= -RСy·0,168;
М2у =-400Нм2;
М3у=0;
Строим эпюру изгибающих моментов Му, Нм2 (рис.8)
Рассматриваем горизонтальную плоскость (ось х)
1mЕх=0;
-RСх·0,336+ Ft·a=0;
RСх=(5540·0,476+9592·0,168)/0,11;
RСх=38622Н
2mСх=0;
-RЕх·0,336+Ft·0,168+FМ2·0,140= 0;
RЕх=(95920,0,168+55400,14)/0,336;
RЕх=7104Н
Назначаем характерные точки 1,2,3 и 4 и определяем в них изгибающие моменты:
М1х=0;
М2х= - FМ2·0,14
М2х=-7104·0,14;
М2х=994Нм;
М3х=-RСх ·0,168;
М3х=38622·0,168;
М3х=6488Нм
М4х=0;
Строим эпюру изгибающих моментов Мх.
Крутящий момент
Т1-1= Т2-2= Т3-3= T1=1964Нм;
T4-4=0.
Исходные данные выбираем из табл.1,3 с округлением до целых чисел:
Схема усилий действующих на валы редуктора представлена на рис.3
Ft1= 2906Н;
Fr1=1086Н;
Fа1=250,7Н;
d1=267мм;
Т1=80,7Н;
b1=54мм;
Назначаем материал вала. Принимаем сталь 40Х, для которой [1, табл.8.4] σв=730Н/мм2;
Н/мм2;
Н/мм2;
Н/мм2.
Определяем диаметр выходного конца вала под полумуфтой из расчёта на чистое кручение
где [τк]=(20…25)Мпа [1,c.161]
Принимаем [τк]=20Мпа.
;
мм.
Диаметр выходного конца двигателя по произведенному расчету в п.1равен 38мм.
Принимаем окончательно с учетом стандартного ряда размеров Rа40:
мм.
Намечаем приближенную конструкцию ведущего вала редуктора (рис.9), с учетом того, что уже известны межосевые расстояния между подшипниками и между шестернями.
Рис.9 Приближенная конструкция ведущего вала
dв=32мм;
Lст1=в1=54мм;
х=8мм;
W=50мм;
r=2,5мм;
f=1,2мм;
dу=35мм-ближайшее большее стандартное значение диаметра под уплотнение
dп≥ dу принимаем ближайшее большее стандартное значение диаметра под подшипник dп =40мм;
d3= dп+2r=50мм;
Примем dст =d1=50мм, облегчение прохода шестерни через диметр d1 при сборке обеспечим заданием допуска d10(-0,08/-018) на размер d1.
dст= d3+5f=63мм;
l=2Lст1+Lст3+4х+W=326мм.
lм =58мм – принимаем для муфты МУВП с диметрами отверстий 32 и 36 мм;
l1=52мм – принимаем предварительно.
Так как осевые силы от двух косозубых колес взаимно компенсируются, их можно не учитывать в расчетах, поэтому предварительно назначаем подшипники шариковые радиальные однорядные средней серии по dп =40мм подшипник №308, у которого Dп=90мм; Вп=23мм [1,c.394, табл.П3].
Производим расчет ведущего вала на изгиб с кручением.
Заменяем вал балкой на опорах в местах подшипников.
Рассматриваем вертикальную плоскость (ось у)
Определяем реакции в подшипниках в вертикальной плоскости.
1mАу=0
RBy·0,172-Fr·0,06-Fr·0,212 =0
RBy=1086·0,384 /0,172;
RBy=2224Н
RАy = RBy=2224Н
Назначаем характерные точки 1,2,3 и 4 и определяем в них изгибающие моменты:
М1у=0;
М2у= RАy·а;
М2у=2224·0,06;
М2у =133,5Нм;
М3у= М2у =133,5Нм;
М4у=0;
Строим эпюру изгибающих моментов Му, Нм (рис.10)
Рассматриваем горизонтальную плоскость (ось х)
1mАх=0;
FМ1·0,327-RВх·0,272-Ft·0,06-Ft·0,212=0;
RВх=(2906(0,272+0,212)-718·0,327)/0,272;
RВх1019Н
2mВх=0;
RАх·0,272-Ft·0,212-Ft·0,06+FМ1·0,055= 0;
RАх=(2906(0,212+0,06)-718·0,055)/0,272;
RАх395Н
Рис.10 Эпюры изгибающих и крутящих моментов ведущего вала
Назначаем характерные точки 1,2, 3, 4, 5 и определяем в них изгибающие моменты:
М1х=0;
М2х= -RАх·0,06;
М2х=-395·0,06;
М2х=-23,7Нм;
М3х= -RБх·0,06;
М3х= -1019·0,06=-61,1Нм;
М4х=FМ1 ·0,055;
М4х=-718·0,055=-39,5Нм;
М5х=0;
Строим эпюру изгибающих моментов Мх.
Крутящий момент
Т1-1=0;
Т1-1=T1/2=80,7/2=40,35Нм;
Т2-5= T1=80,7Нм.
5. Расчет и конструирование подшипниковых узлов
Предварительно выбранные подшипниками с действующими на них радиальными нагрузками приведены в табл.5.
Таблица 5. Параметры выбранных подшипников
| Ведущий вал | Промежуточный вал | Ведомый вал | |
| № | 308 | 308 | 318 |
| d, мм | 40 | 40 | 80 |
| D, мм | 90 | 90 | 190 |
| С, кН | 41 | 41 | 143 |
| Со, кН | 22,4 | 22,4 | 99 |
| RАх, Н | 395 | 34,5 | 36612 |
| RАу, Н | 1019 | 34,5 | 7104 |
| RБх, Н | 2224 | 60 | 2469 |
| RБу, Н | 2224 | 60 | 2469 |
| Fr, Н | 251 | 267 | 4938 |
Подшипники устанавливаем по схеме «враспор». Определяем долговечность подшипников ведомого вала, имеющего наибольшую радиальную нагрузку.
Определяем эквивалентную динамическую нагрузку
Fэ=(ХVFrА+YFаА) KKτ; [1,c.212];
где K - коэффициент безопасности;
K =1,3…1,5 [1,c.214, табл.9.19];
принимаем K =1,3;
FаА=0;
Х=1 для шариковых подшипников;
V – коэффициент вращения, при вращении внутреннего кольца V=1
Kτ – температурный коэффициент;
Kτ =1 (до 100ºС) [1,c.214, табл.9.20];
Fэ=1х1х4938х1,3х1=6,4кН Определяем номинальную долговечность подшипников в часах Долговечность обеспечена. 6. Подбор и проверочный расчет шпонок Выбор и проверочный расчет шпоночных соединений проводим по [3]. Обозначения используемых размеров приведены на рис.11. Рис.11 Сечение вала по шпонке 6.1 Шпонки ведущего вала Для выходного конца быстроходного вала при d=32 мм подбираем призматическую шпонку со скругленными торцами по ГОСТ23360-78 bxh=10x8 мм2 при t=5мм (рис.11). При длине ступицы шкива lш=58 мм выбираем длину шпонки l=50мм. Материал шпонки – сталь 40Х нормализованная. Напряжения смятия и условия прочности определяем по формуле: где Т – передаваемый момент, Нмм; Т1=80700 Нмм. lр – рабочая длина шпонки, при скругленных концах lр=l-b,мм; []см – допускаемое напряжение смятия. С учетом того, что на выходном конце быстроходного вала устанавливается полумуфта из ст.3 ([]см=110…190 Н/мм2) вычисляем: Условие выполняется. Для шестерен быстроходного вала при d=50 мм подбираем призматическую шпонку со скругленными торцами bxh=14x9 мм2 при t=5,5мм, t1=3,8мм (рис.10). При длине ступицы шестерни lш=54 мм выбираем длину шпонки l=45мм. Материал шпонки – сталь 45 нормализованная. Проверяем напряжение смятия, подставив значения в формулу (10.1): Проверим толщину тела шестерни между впадиной зуба и пазом для шпонки (см. рис.12). Для изготовления шестерни отдельно от вала должно соблюдаться условие: s≥2,5m, где m – модуль зубчатой передачи. Рис.11 Схема для проверки возможности изготовления отдельной шестерни s=[df – (dк + 2t1)]/2=[48 – (50+2х3,3)]/2=-8,6<0, т.е. шестерню невозможно изготовить отдельно, необходимо изготовление вала-шестерни. 6.2 Шпонки промежуточного вала Для зубчатых колес промежуточного вала при d=48 мм подбираем призматическую шпонку со скругленными торцами bxh=14x9 мм2 при t=5мм, t1=3,3мм (рис.10). При длине ступицы шестерни lш=54 мм выбираем длину шпонки l=45мм. Т2=388Нм=388000Нмм. С учетом того, что на промежуточном валу устанавливаются шестерни из стали 45 ([]см=170…190 Н/мм2) вычисляем по формуле (7.1): Для шевронной шестерни вала при d=52 мм подбираем призматическую шпонку со скругленными торцами bxh=14x9 мм2 при t=5мм, t1=3,3мм (рис.11). При длине ступицы шестерни lш=82 мм выбираем длину шпонки l=70мм. М Условие выполняется. Проверим толщину тела шестерни между впадиной зуба и пазом для шпонки (см. рис.12). Для изготовления шестерни отдельно от вала должно соблюдаться условие: s≥2,5m, где m – модуль зубчатой передачи. s=[df – (dк + 2t1)]/2=[80,5 – (52+2х5,5)]/2=11,5>10, т.е. шестерню можно изготовить отдельно. 6.3 Подбор и проверочный расчет шпонок ведомого вала Передаваемый момент Т=1964Нм=1964000Нмм. Для выходного конца ведомого вала при d=80 мм подбираем призматическую шпонку со скругленными торцами bxh=22x14 мм2 при t=9мм. При длине ступицы полумуфты lМ=105 мм выбираем длину шпонки l=100мм. Для зубчатого колеса ведомого вала при d=82 мм подбираем призматическую шпонку со скругленными торцами bxh=25x14мм2 при t=9мм. При длине ступицы шестерни lш=82 мм выбираем длину шпонки l=70мм. С условие выполняется. Таблица 6. Параметры шпонок и шпоночных соединений Параметр вх.вал- полум промвал-косозуб промвал-шеврон вых.вал-шеврон вых.вал-полум. Ширина шпонки b,мм 10 14 16 22 25 Высота шпонки h,мм 8 9 10 14 14 Длина шпонки l,мм 50 45 70 70 100 Глубина паза на валу t,мм 5,5 5,5 6 9 9 Глубина паза во втулке t1,мм 3,3 3,8 4,3 5,4 5,4 7. Определение конструктивных размеров зубчатых передач Так как зубчатые колеса имеют относительно небольшие диаметры, изготовление их планируем из круглого проката. Конструкцию колес принимаем стандартную, т.е. зубчатое колесо состоит из обода, диска и ступицы, а шестерня – из обода и ступицы. Определяем конструктивные размеры каждой из частей (см. рис.12). Диаметр и ширина обода равны соответственно диаметру вершин зубьев и ширине зубчатого колеса. Определяем толщину обода зубчатых колес: S1=2,2m + 0,05b2=2,2х2 + 0,05х54=7,1мм. S2=2,2m + 0,05b2=2,2х5 + 0,05х82=15,1мм. Длины ступиц и внутренние диаметры определены ранее. Наружные диаметры ступиц определяем по формуле: dст=1,55d; dст1=1,55х48=62мм, dст2=1,55х52=81мм, dст3=1,55х95=147мм. Рис.12 Конструктивные размеры зубчатых колес Из ряда Rа40 линейных размеров (по ГОСТ6636-69) выбираем dст1=63мм, dст2=85мм, dст3=150мм. Определяем толщину дисков С≥b /4. С1=54/4=13,5мм. Принимаем С1=15мм, С2=82/4=20,5мм. Принимаем С2=21мм, Радиус R=2мм. Размеры фасок обода и ступицы выбираем в зависимости от их диаметров 2,5…4мм Принимаем α=45º, γ=0° Все рассчитанные и выбранные значения сводим в табл.7. Таблица 7. Конструктивные размеры зубчатых колес Составная часть Наименование Колесо косозуб Шестерня шеврон Колесо шеврон Обод Ширина, мм 54 - 82 Диаметр(da), мм 271 - 422,3 Толщина, мм 7 - 15 Фаска, ммх45° 2,5 4 Ступица Диаметр внутренний, мм 48 53 95 Диаметр наружный, мм 63 71 Длина, мм 42 85 150 Фаска, ммх45° 2 4 4 Диск Толщина, мм 15 - 21 8. Определение конструктивных размеров корпуса Принимаем за основу разъемную конструкцию чугунного корпуса, приведенную на рис.13. Рис.13 Конструкция корпуса редуктора Используя ориентировочные соотношения, определяем основные размеры корпуса. Толщина стенки основания корпуса: где Т3 момент на тихоходном валу редуктора, Т3 =1964Нм; Принимаем δкор=8мм. Толщина стенки крышки корпуса δкр=0,9δкор=7мм. Толщина ребра в основании δреб=δкор=8мм. Толщина подъемного уха в основании δу=2,5δкр=18мм. Диаметр подъемного уха dу=20мм. Д Принимаем dб=10мм. Диаметр штифтов dшт=(0,7…0,8)dб=8мм. Толщина фланца по разъему δфл= dб=10мм. Диаметр фундаментного болта: Принимаем dф=16мм. Ширина фланца bф≥1,5 dф=25мм. Толщина лапы фундаментного болта δф=1,5 dф=24мм. Высота центров редуктора Но=(1…1,12)аw=250мм. Расстояние между торцом шестерни (вдоль оси) и выступающими элементами внутренней части корпуса Δ1=0,8δкор=6мм. Расстояние между зубьями колеса в радиальном направлении и торцом фланца, днищем основания Δ2=1,2δкор=10мм. Диаметр горловин корпуса под подшипник (см. разрез Б-Б на рис.13): D=1,25dподш+10. D1=1,25х90+10=122,5мм. Принимаем D2=125мм. D2=1,25х190+10=247,5мм. Принимаем D2=250мм. Дно корпуса делаем наклонным в сторону сливного отверстия. Угол уклона 1º. Остальные размеры определяем по месту при разработке чертежа. 9. Определение конструктивных размеров крышек подшипников Так как плоскость разъема корпуса проходит по осям валов крышки подшипников делаем закладными (рис.14). Рис.14 Конструкция крышек подшипников Определяем основные размеры крышек подшипников и заносим результаты в табл.8. Таблица 8. Основные размеры крышек подшипников Размер Обозначение Значение ведущий вал ведомый вал Наружный посадочный диаметр, мм D 90 190 Внутренний диаметр по валу, мм d 39 76,5 Внутренний диаметр по подшипнику, мм d1 77 175 Внутренний диаметр по манжете, мм d2 52 100 Толщина стенки и ширина буртика, мм b 6 5 Высота буртика, мм с 5 5 Остальные размеры определяем конструктивно при построении чертежа. 10. Выбор масла, смазочных устройств Используем картерную систему смазывания. В корпус редуктора заливаем масло так, чтобы венец зубчатого колеса был в него погружен на глубину hм (рис.15): Рис.15 Схема определения уровня масла в редукторе hм max 0.25d2 = 0.25166,67 = 42мм; hм min = 2m = 22 = 4мм. При вращении колеса масло будет увлекаться его зубьями, разбрызгиваться, попадать на внутренние стенки корпуса, откуда стекать в нижнюю его часть. Внутри корпуса образуется взвесь частиц масла в воздухе, которым покрываются поверхности расположенных внутри корпуса деталей, в том числе и подшипники. Объем масляной ванны принимаем из расчета 0,5 л на 1кВт передаваемой мощности V = 0,5PII = 0,55,335 = 2,7 л. Контроль уровня масла производится жезловым маслоуказателем, который ввинчивается в корпус редуктора при помощи резьбы. Для слива масла предусмотрена сливная пробка. Заливка масла в редуктор производится через съемную крышку в верхней части корпуса. Выбираем смазочный материал. Для этого ориентировочно рассчитаем необходимую вязкость: где ν50 – рекомендуемая кинематическая вязкость смазки при температуре 50°С; ν1 =170мм2/с – рекомендуемая вязкость при v=1м/с для зубчатых передач с зубьями без термообработки; v=2м/с – окружная скорость в зацеплению Принимаем по табл.8.32 118мм2/с. По табл.8.34 выбираем масло И-100А. И для шестерни, и для зубчатого колеса выберем манжетные уплотнения типа 1 из ряда 1 по ГОСТ 8752-79. Установим их рабочей кромкой внутрь корпуса так, чтобы обеспечить к ней хороший доступ масла. 11. Выбор и проверочный расчет муфт По задания – муфты упругие втулочно-пальцевые. Исходя из отверстий в полумуфтах под валы и моментов на валах выбираем муфты: входную 250-32-1.1-38 11.2-У3 ГОСТ21424-75 с отверстиями 32 и 38мм, Т1=81Нм; выходную 2000-75-1.1- 80-11.2-У3 ГОСТ21424-75 с отверстиями 75 и 80мм, Т3=1964Нм. Выходная муфта выполнена со шкивом, для торможения плоским ремнем. Проводим проверочный расчет упругих элементов на смятие по формуле: σсм=2Т/(zDld)≤ [σсм] (11.1) и проверочный расчет пальцев на изгиб: σи=Тl/(0,1d2zD)≤ [σи] (11.2) где D-диаметр окружности расположения центров пальцев, z-число пальцев, d- диаметр пальца под резиновой втулкой, [σсм] =2…4МПа - допустимое напряжение на смятие для резины. [σсм] =60…80МПа - допустимое напряжение на изгиб для пальца. Из справочника выбираем данные для входной 1 и выходной муфт: Т1=250Нм; Т2=2000Нм; D1=100мм; D2=200мм; d1=14мм; d2=24мм; l1=121мм; l2=218мм; z1=6; z2=8. Подставив значения в формулы (11.1) и (11.2) получим: σсм1=2·250/(6·100·121·14)=0,49МПа≤ [σсм] σсм2=2·2000/(8·200·218·24)=0,47МПа ≤ [σсм] σи1=250·121/(0,1·142·6·100)=0,025МПа≤ [σи] σи2=2000·218/(0,1·242·8·200)=0,004МПа≤ [σи] Условия выполняются. 12. Сборка редуктора Перед сборкой внутренние части корпусных деталей очищают и покрывают маслостойкой краской. Перед общей сборкой собираются валы с насаженными деталями. Подшипники перед сборкой нагреваются в масле. На ведущий вал-шестерню устанавливаются подшипники. В сквозную крышку подшипника устанавливается манжета. На вал-шестерню устанавливаются подшипниковые крышки и собранный вал устанавливается в корпус редуктора. На промежуточный вал надевается шевронная шестерня и 2 косозубых колеса. На промежуточный вал устанавливаются подшипниковые крышки и собранный вал устанавливается в корпус редуктора. На выходной вал надевается шевронное колесо, устанавливаются подшипниковые крышки и собранный вал устанавливается в корпус редуктора. Регулировка подшипников производится набором регулировочных прокладок, устанавливаемых между корпусом и подшипниковыми крышками. Сверху устанавливается крышка корпуса и прикрепляется к основанию. Устанавливается пробка для слива масла и жезловый маслоуказатель. В собранном редукторе быстроходный вал должен свободно проворачиваться. Собранный редуктор заливается маслом и обкатывается. 13. Техника безопасности Вращающиеся детали (входные и выходные концы валов, муфты) должны иметь защитный кожух. Электрические провода должны иметь защитный экран (пропущены через трубку). Концы проводов (подвод к электродвигателю) должны быть изолированы и закрыты крышкой. Установка должна быть заземлена. Рама после слесарной обработки и сварки не должна иметь заусенцев. Проводить осмотр зацепления, регулировки, устранение неисправностей и сборочно-разборочные работы необходимо только при выключенном электродвигателе. При работе не прикасаться к вращающимся деталям. Техническое обслуживание производить при полной остановке электродвигателя. Регулярно контролировать уровень масла в редукторе и следить за наличием смазки в подшипниках. Не допускать к работе лиц, которые не прошли инструктаж по технике безопасности и обслуживанию редукторной установки. При обслуживании, монтаже и демонтаже пользоваться только исправными инструментами. Не допускать грубых ударов по деталям во избежание их порчи. При хранении все открытые детали должны иметь антикоррозийную окраску или смазку. Нельзя хранить детали в сырых помещениях. Список использованной литературы 1. Дунаев П.Ф., Детали машин, Курсовое проектирование. М.: Высшая школа, 1990. 2. Скойбеда А.Т., Кузьмин А.В., Макейчик Н.Н., Детали машин и основы конструирования, Минск: «Вышейшая школа», 2000. 3. Шейнблит А.Е. Курсовое проектирование деталей машин: Учеб. пособие. – М.: Высш. шк., 1991 4. Чернин И.М. и др. Расчеты деталей машин. – Мн.: Выш. школа, 1978 5. Анурьев В.И. Справочник конструктора-машиностроителя: В 3 т. -8-е изд. перераб. и доп. Под ред. И.Н. Жестковой. – М.: Машиностроение, 1999
[1,c.211];
;
ч.
(7.1)
атериал шпонки – сталь 45 нормализованная. Проверяем напряжение смятия, подставив значения в формулу (10.1):
учетом того, что на ведомом валу устанавливаются шестерни из стали 45 ([]см=170…190 Н/мм2) вычисляем по формуле (7.1):
иаметр стяжного болта:
– коэффициент ширины венца [1,табл. 4.6],
,
– коэффициент неравномерности нагрузки по длине зуба (табл. 4.18; 4.20).














