64132 (573513)
Текст из файла
Размещено на http://www.allbest.ru/
Республика Казахстан
Алматинский институт энергетики и связи
Кафедра радиотехники
Контрольная работа №2
Тема:
Исследование принципов формирования растра
Проверил: доцент
Урусова Т.А.
Студенты:
Мусралина А.
Группа ТСВ-06
Алматы 2009
1. Цель работы:
Исследование основных законов развертки изображения и принципов формирования построчного чересстрочного растра.
В данной контрольной работе рассматривается устройство, позволяющее упрощенными методами получить на экране осциллографа телевизионные растры с различным числом строк при построчной и чересстрочной развертках. Благодаря тому, что растры содержат небольшое число строк, все особенности развертки хорошо заметны.
Укрупненная схема такого устройства представлена на рисунке 1. Она состоит из задающего генератора, делителей частоты, формирующих импульсы частот вертикального и горизонтального отклонений, генераторов строчной и кадровой разверток и осциллографа, на экране которого наблюдается растр.
Рисунок 1 – Укрупненная структурная схема
Изменяя коэффициенты деления, можно получать растр с различным числом строк, а также изменять способ развертки с построчного на чересстрочный с различной кратностью.
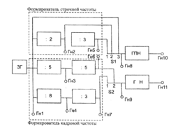
На рисунке 2 представлена более детализированная структурная схема установки. Задающий генератор вырабатывает напряжение прямоугольной формы, частота которого может регулироваться в соответствии с предложенными ниже расчетными значениями. Устройство, формирующее импульсы строчной частоты, состоит из делителей на 2 и на 3. Путем переключения S1 на генератор горизонтального отклонения могут подаваться импульсы как с частотой задающего генератора, так и с частотой в 2 или в 3 раза.
Рисунок 2 – Структурная схема лабораторного блока
На генератор вертикального отклонения могут подаваться импульсы с частотой задающего генератора, уменьшенной соответственно в 25 или 24 раза. Генераторы горизонтального и вертикального отклонения представляют собой разрядные каскады, создающие пилообразной формы напряжения, подаваемые на X и Y входы осциллографа.
2. Порядок выполнения работы
2.1 Ознакомиться с работой делителей частоты. Для этого следует поставить регулятор частоты задающего генератора в среднее положение и с помощью осциллографа (в Гн1) убедиться в его работоспособности. Наблюдая осциллограммы вГн2—Гн7, измерить кратности деления делителей частоты. Кратность деления определяется как отношение измеренных осциллографом периодов следования импульсов на выходе и входе делителя.
mt = 0.2 мс/дел; mU = 1 B/дел
Рисунок 3 – Напряжение на входе (в гнезде 1) (T=0.8 мс; f=1.25 кГц)
mt = 0.2 мс/дел; mU = 1 B/дел
Рисунок 4 – Напряжение в гнезде 2 (T=1.6 мс; f=0.625 кГц; кратность деления = 2)
mt = 1 мс/дел; mU = 2 B/дел
Рисунок 5 – Напряжение в гнезде 3 (T=4 мс; f=0.25 кГц; кратность деления = 5)
mt = 0.5 мс/дел; mU = 2 B/дел
Рисунок 6 – Напряжение в гнезде 5 (T=2.4 мс; f=0.417 кГц; кратность деления = 3)
mt = 1 мс/дел; mU = 2 B/дел
Рисунок 7 – Напряжение в гнезде 4 (T=6.4 мс; f=156.25 Гц; кратность деления = 8)
mt = 5 мс/дел; mU = 2 B/дел
Рисунок 8 – Напряжение в гнезде 6 (T=20 мс; f=50 Гц; кратность деления = 25)
mt = 5 мс/дел; mU = 2 B/дел
Рисунок 9 – Напряжение в гнезде 7 (T=19.2 мс; f=52.1 Гц; кратность деления = 24)
mt = 0.2 мс/дел; mU = 2 B/дел
Рисунок 10 – Напряжение в гнезде 10 (T=0.8 мс; f=1.25 кГц).
развертка частота строка растр
2.2 Подсчитать частоту задающего генератора fзг для получения чересстрочного растра с кратностью 2, частотой полей = 50 Гц и числом строк Z = 25 по формуле
fзг =2fх = z fпол=1250 Гц
где fx — частота строчного отклонения. Установить нужную частоту задающего генератора.
2.3 Переключателями S1 и S2 установить подключение соответствующих делителей к генераторам разверток, учитывая, что
ач = азг. 2 = 625 Гц б ф ан = а3к. Я = 50 Гц
2.4 Получить изображение растра на экране осциллографа, для чего выключить развертку осциллографа, переведя переключатель вида синхронизации в положение «X», пилообразное напряжение строчной частоты fx (Гн10) подать на вход усилителя горизонтального отклонения осциллографа, а пилообразное напряжение частоты полей fy = fпол (Гн11) — на вход усилителя вертикального отклонения.
2.5 Регулировками усиления осциллографа по вертикали и горизонтали добиться получения растра с форматом k = 4/3. Зарисовать растр. Увеличив усиление осциллографа по вертикали, по расположению начала и конца соседних строк убедиться, что полученный растр имеет чересстрочную структуру. (S1 в положение 2; S2 в положение 2)
Рисунок 11 – Чересстрочная развертка
2.6 В формирователе кадровой частоты уменьшить коэффициент деления Ку на единицу. Убедиться, что растр изменит свою структуру с чересстрочной на построчную. Зарисовать полученный растр.
Рисунок 12 – Построчная развертка
2.7 Исходя из приводимых ниже соображений, научиться определять структуру растра и параметры развертки по произвольно заданным коэффициентам деления Кх и Ку в формирователях строчной и кадровой частот соответственно. Отношение этих частот определяет число строк М в поле или кадре и равно отношению коэффициентов деления Кх и Ку.
Рисунок 13 – Развертка с кратным делением на 3
Вывод
Получение развертки того или иного вида зависит от отношения коэффициента деления для напряжения, подаваемого на вертикальные отклоняющие пластины KY, к коэффициенту деления для напряжения, подаваемого на горизонтальные отклоняющие пластины KX. Величина отношения определяет количество строк, получаемых в процессе формирования растра. При этом, если отношение является целым числом, то в результате будет получена прогрессивная развертка; если дробным – то с кратным делением на 2 или на 3.
Прогрессивная развертка имеет более высокие качественные показатели по сравнению с остальными, однако требует более высокой полосы частот.
Список литературы
1. Телевидение: Учебник для вузов. Под ред. В.Е. Джаконии. – М.: Радио и связь, 2004. – 616 с.
2. Смирнов А.В. Основы цифрового телевидения: Учебное пособие. – М.: Горячая линия – Телеком, 2001. – 224 с.
3. Смирнов А.В. Пескин А.Е. Цифровое телевидение: от теории к практике. – М.: Горячая линия – Телеком, 2005. – 352 с.
Размещено на Allbest.ru
Характеристики
Тип файла документ
Документы такого типа открываются такими программами, как Microsoft Office Word на компьютерах Windows, Apple Pages на компьютерах Mac, Open Office - бесплатная альтернатива на различных платформах, в том числе Linux. Наиболее простым и современным решением будут Google документы, так как открываются онлайн без скачивания прямо в браузере на любой платформе. Существуют российские качественные аналоги, например от Яндекса.
Будьте внимательны на мобильных устройствах, так как там используются упрощённый функционал даже в официальном приложении от Microsoft, поэтому для просмотра скачивайте PDF-версию. А если нужно редактировать файл, то используйте оригинальный файл.
Файлы такого типа обычно разбиты на страницы, а текст может быть форматированным (жирный, курсив, выбор шрифта, таблицы и т.п.), а также в него можно добавлять изображения. Формат идеально подходит для рефератов, докладов и РПЗ курсовых проектов, которые необходимо распечатать. Кстати перед печатью также сохраняйте файл в PDF, так как принтер может начудить со шрифтами.
















