64072 (573502)
Текст из файла
Расчёт режимов и характеристик электрических цепей с операционным усилителем
-
Задание
1. Для заданной схемы (рис 1.) рассчитать передаточную функцию цепи в смысле коэффициента передачи напряжения H(p).
Схема электрическая: Исходные данные:
R1=R 2=10кОм;
C1=0.008мкФ;
C2 =0,002мкФ;
C3=0.01мкФ;
-
Построить карту передаточной функции и проверить H(p) по схеме.
-
Записать выражение частотных характеристик передаточной функции.
-
Комплексная частотная характеристика передаточной функции H(jω).
-
Амплитудо-частотная характеристика передаточной функции H(ω).
-
Фазочастотная характеристика передаточной функции φ(ω).
-
Рассчитать и построить временные характеристики.
-
Переходная характеристика передаточной функции h(t).
-
Импульсная характеристика передаточной функции g(t).
Рассчитать и построить реакцию цепи Uвых(t) на прямоугольный импульс с амплитудой напряжения Um(мВ).
2. Анализ схемы
Операционный усилитель в идеальном случае представляет собой усилитель с:
-
Бесконечно большим входным сопротивлением.
-
Бесконечно малым выходным сопротивлением.
-
Бесконечно большим коэффициентом усиления.
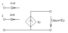
Схема эквивалентная ОУ:
По первому свойству можно предположить, что ток i1 практически равен нулю. Аналогично ток i2=0 Учитывая 3-е свойство, можно записать, что
,
. Напряжение на выходе – конечная величина, следовательно
(Основное расчетное свойство для цепи с ОУ) Заданная схема содержит 2 накопителя, т.е. рассматриваемая цепь 2-го порядка. Согласно заданию, искомой ПФ является Коэффициент передачи напряжения (КПН):
-ОКПН.
3. Расчет передаточной функции
Схема расчетная:
Шаг 1. Расчётная операторная схема
Шаг 2. Система уравнений методом узловых потенциалов.
Основное расчётное соотношение φ3(p)=0;
φ1(p)=Eвх(p); φ4(p)=Eу(p);
Ответ:
.
-
Карта передаточной функции, проверка передаточной функции по схеме
Картой ПФ называют чертеж на комплексной плоскости, где отмечены нули, полюса и масштабные коэффициенты.
Ноль:
Полюса:
Проверка ПФ по схеме: критерием правильности ПФ является полином знаменателя 2-го порядка. Полюса расположены в левой части полуплоскости. Они отрицательны, что соответствует корням схемы.
Проведем проверку в ряде точек:
1.
;
По ПФ
По схеме
2.
По ПФ
По схеме
5. Расчет частотных характеристик ПФ
Построение АЧХ и ФЧХ по карте нулей и полюсов.
|
|
|
|
| ||||
| 0 |
|
| 0 | ||||
|
|
|
|
| ||||
|
|
|
| 0 | ||||
|
|
|
|
| ||||
| 0 |
| 0 |
| ||||
|
|
|
|
| ||||
|
|
|
|
| ||||
АЧХ:
ФЧХ:
6. Временные характеристики
Временными характеристиками электрической цепи является переходная и импульсная характеристики.
ПХ:
ИХ:
Согласно заданию, временные характеристики получим по найденной передаточной функции H(p).
Импульсная характеристика
переходная характеристика
Расчёт импульсной характеристики
Перейдём к оригиналу.
Так как степени полиномов числителя и знаменателя равны, то дробь неправильная. Из неё можно выделитьцелую часть и простую дробь.
Ответ: ИХ
1/c.
Расчёт переходной характеристики
Ответ: ПХ
б/р.
Графики:
Проверка по соотношению:
Вывод: Полученные ИХ и ПХ друг другу соответствуют. Значит они верны.
7. Расчёт реакции цепи на прямоугольный импульс
Амплитуда импульса
Длительность:
Воздействие:
Расчёт проведём с помощью ПХ h(t). Поскольку h(t) численно равна реакции на ступеньку, то
Ответ: 1-й интервал: 0
2-ой интервал: 1.5*10-4
Размещено на Allbest.ru
Характеристики
Тип файла документ
Документы такого типа открываются такими программами, как Microsoft Office Word на компьютерах Windows, Apple Pages на компьютерах Mac, Open Office - бесплатная альтернатива на различных платформах, в том числе Linux. Наиболее простым и современным решением будут Google документы, так как открываются онлайн без скачивания прямо в браузере на любой платформе. Существуют российские качественные аналоги, например от Яндекса.
Будьте внимательны на мобильных устройствах, так как там используются упрощённый функционал даже в официальном приложении от Microsoft, поэтому для просмотра скачивайте PDF-версию. А если нужно редактировать файл, то используйте оригинальный файл.
Файлы такого типа обычно разбиты на страницы, а текст может быть форматированным (жирный, курсив, выбор шрифта, таблицы и т.п.), а также в него можно добавлять изображения. Формат идеально подходит для рефератов, докладов и РПЗ курсовых проектов, которые необходимо распечатать. Кстати перед печатью также сохраняйте файл в PDF, так как принтер может начудить со шрифтами.
















