64055 (573497), страница 2
Текст из файла (страница 2)
Рис. 7. Структурна схема цифрового частотоміра
Звичайно цифрові частотоміри виконуються як універсальні прилади й дозволяють крім частоти вимірювати період, часовий інтервал, тривалість імпульсу, відношення частот, робити рахунок послідовності імпульсів і самоконтроль, реєструвати результати виміру на стрічці цифропечатаючої машини й робити дистанційні виміри.
Структурна схема цифрового частотоміра. Принцип дії електронно-рахункових частотомірів заснований на підрахунку числа періодів вимірюваної частоти за певний проміжок часу.
Спрощена структурна схема такого частотоміра наведена на рис. 7.
Напруга вимірюваної частоти fx подається на формуючий пристрій, на виході якого виходять однополярні імпульси такої ж частоти.
Ці імпульси надходять на електронний лічильник тільки в строго певні інтервали часу, коли відкритий часовий селектор. Роботою селектора, тобто його відмиканням і запиранням, управляє прямокутний імпульс, сформований керуючим пристроєм. Тривалість цього імпульсу, а виходить, і зразкового тимчасового інтервалу стабілізована кварцовим генератором. На виході кварцового генератора ставляться дільники частоти, що дозволяють одержати інтервали часу, кратні десяти.
Крім зразкових тимчасових інтервалів керуючий пристрій забезпечує певну тривалість часу відліку результату виміру з наступним скиданням показань лічильника. Для збільшення часу відліку керуючий пристрій має спеціальну схему, за допомогою якої керуючі імпульси не допускаються на селектор і він залишається закритим на час, протягом якого на цифровому табло приладу зберігається отриманий результат.
Оскільки вимірювана частота fx являє собою число коливань, а в цьому випадку — число імпульсів на виході селектора, в одиницю часу, те
де n - показання лічильника, тобто число імпульсів за калібрований інтервал часу Δt.
Час рахунку імпульсів вимірюваної частоти Δt, звичайно рівне 0,001; 0,01; 0,1; 1 або 10 с, задається шляхом підключення до керуючого пристрою відповідного дільника частоти. Наприклад, якщо вимірювана частота fx=100000 Гц, а селектор відкритий протягом часу Δt=1 с, те лічильник покаже 100000, якщо Δt=0,1 с, те n =fxΔt=10000, а при Δt=10 с відповідно n=1000000.
Таким чином, чим більше час рахунку Δt при незмінній частоті, тим більше показання лічильника, а виходить, і точність виміру.
Погрішність виміру частоти електронно-рахунковим частотоміром залежить від моментів надходження на лічильник першого й останнього імпульсу за час рахунку, що пояснюється рис. 8. Ця погрішність дискретності може бути порядку ±1 рахунку, і її доводиться враховувати при вимірі порівняно низьких частот. Крім того, на погрішність частотоміра впливає нестабільність кварцового генератора й нестійкість фази в дільнику частоти.
При вимірі низьких частот розглянутий метод не може забезпечити досить високої точності, тому що кількість імпульсів, підрахована навіть за максимальний для приладу інтервал часу (звичайно 1 або 10 с), невелике. Тому на низьких частотах вимірюють не частоту, а період коливань.
Електронний лічильник. Найважливішим елементом цифрового частотоміра є електронний лічильник.
Найбільше поширення одержав декадний, тобто десятковий, лічильник.
Рис. 8. Залежність показань лічильника від моменту подачі імпульсів на його вхід
Такий лічильник складається з певного числа рахункових декад, кожна з яких характеризується десятьма стійкими станами. Побудова рахункової декади можливо різними способами залежно від елементів, що застосовуються в ній. У цей час найбільше поширення знаходять декади, виконані на статичних тригерних осередках (тригерах).
Тригер — це електронне безконтактне реле, що складається із двох ідентичних каскадів імпульсного підсилювача напруги, вихід кожного з яких гальванично з'єднаний із входом іншого.
Тригер має два стани стійкої рівноваги, кожне з яких характеризується певним рівнем вихідного сигналу. Зміна одного стану на інше відбувається в результаті впливу вхідного пускового імпульсу. У лічильниках використається тригер з рахунковим: входом, коли два його входи об'єднані в один. У режимі рахункового запуску кожне із двох стійких станів; тригера повторюється через один вхідний імпульс. Один стійкий стан осередку умовно прийнято за Нуль (у тригері записаний 0), інше - за одиницю (у тригері записана 1).
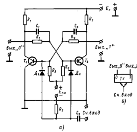
На рис. 9, а зображена принципова електрична схема тригера на транзисторах з колекторно-базовими зв'язками, а на рис. 9, б - його функціональна схема.
Рис. 9. Схема статичного тригера
У стійкому стані схеми один транзистор відкритий, 1 іншої закритий. Стан, коли струм тече через обоє транзисторів, є нестійким. Припустимо, що відкрито обоє транзистора. Однак, через того що ідеальна симетрія схеми неможлива, струми першого й другого транзистора відрізняються друг від друга. Досить незначної різниці між струмами, щоб схема з нестійкого перейшла в один із двох стійких станів.
Наприклад, якщо колекторний струм другого транзистора Iк2 трохи збільшився, то потенціал його колектора стане менш негативним, тому що збільшиться спадання напруги на R2. У результаті негативний потенціал на базі транзистора Т1 зменшиться й він буде підзакриватися. Це викличе зменшення Iк1, зниження потенціалу на колекторі Т1 а виходить, і на базі Т2, внаслідок чого Iк2 зростає ще більше. Цей процес протікає лавинообразно, тому що запирання одного транзистора викликає відмикання іншого й навпаки, доти, поки колекторний струм першого транзистора не досягне максимуму. У результаті схема перекинеться в перший стійкий стан.
Якщо ж по випадкових обставинах струм Iк2 не збільшиться, а зменшиться, то в результаті лавинообразного процесу транзистор Т2 буде закритий, а Т1 відкритий. Це буде визначати другий стійкий стан схеми.
У тригера два виходи: нульовий (Вих. «0») і одиничний (Вих. «1»). Одиничним називають вихід, на якому з'являється робочий сигнал при переході тригера зі стану «1» у стан «0». Другий вихід називається нульовим. Умовимося вважати, що в тригері записаний 0, якщо транзистор Т1 закритий, а Т2 відкритий. Зворотний стан приймемо за 1. Для того щоб тригер після підключення джерел живлення до нього виявився в певному стійкому (звичайно нульовому) стані, на його подається імпульс скидання, під дією якого тригер штучно переводиться в цей стан. Надалі перехід схеми з одного стану в інше відбувається при подачі на вхід позитивних імпульсів.
Нехай до моменту запуску тригер перебуває в нульовому положенні. При цьому негативна напруга на колекторі й базі транзистора Т2 близько до нуля, на колекторі Т1 приблизно дорівнює Ек, на базі Т1 позитивна напруга близько до нуля. Позитивний імпульс або перепад напруг, поданий на рахунковий вхід, коротшає за допомогою ланцюга, що диференціює, R7C3 і надходить на бази обох транзисторів. На відкритий транзистор цей імпульс робить замикаючу дію. Це приведе до виникнення лавинообразного процесу, у результаті якого тригер перейде в протилежний стійкий стан, коли Т1 відкритий, а Т2 закритий.
С приходом другого імпульсу тригер повернеться в нульовий стан, а на його одиничному виході з'явиться позитивний перепад напруг (Т2 відкривається), що є робочим сигналом для наступного тригера лічильника. Завдяки діодам Д1 і Д2 тригер перекидається тільки від позитивних імпульсів.
Список використаної літератури
-
Ж
арковский Б.И. Приборы автоматического контроля и регулирования (устройство и ремонт): Учеб. для ПТУ. — 3-е изд., перераб. и доп. — М.: Высш. шк., 1989. -
Крыскин А.М., Наумов И.З. Слесарь механосборочных работ. — М.: Высшая школа, 1974.
-
Атабеков В.Б. Ремонт электрооборудования промышленных предприятий: Учеб. для сред. ПТУ — 5-е изд., испр. М.: Высш. шк., 1985.
-
Беркович М.А. и др. Основы техники релейной защиты /М.А. Беркович, В.В. Молчанов, В.А. Семенов. — 6-е изд., перераб. и доп.—М.: Энергоатомиздат, 1984.
-
Бокман Г.А., Пузевский И.С. Конструкция и технология производства электрических машин. — М.: Высшая школа, 1977.
-
Вернер В.В., Вартанов Г.Л. Электромонтер-ремонтник. — М.: Высшая школа, 1982.
-
Коротков Г.С., Членов М.Я. Ремонт оборудования и аппаратуры pacпределительных устройств. — М.: Высшая школа, 1984.
-
Никулин Н.В. Справочник молодого электрика по электротехническим материалам и изделиям. — М.: Высшая школа, 1982.
-
Перельмутер Н.М. Электромонтер-обмотчик и изолировщик по ремонту электрических машин. — М.: Высшая школа, 1980.
Размещено на Allbest.ru
арковский Б.И. Приборы автоматического контроля и регулирования (устройство и ремонт): Учеб. для ПТУ. — 3-е изд., перераб. и доп. — М.: Высш. шк., 1989.















