64030 (573495)
Текст из файла
Размещено на http://www.allbest.ru/
Министерство образования Республики Беларусь
Учреждение образования
БЕЛОРУССКИЙ ГОСУДАРСТВЕННЫЙ УНИВЕРСИТЕТ
ИНФОРМАТИКИ И РАДИОЭЛЕКТРОНИКИ
Контрольная работа по курсу
"Основы радиоэлектроники и схемотехники"
2009
Задание 1
Дано:
Uвых = 10 В
Iн = 40 мА
Uвых = 10 мВ
Рассчитать стабилизированный источник питания с мостовой схемой выпрямителя.
Решение:
1. Выберем стабилитрон VD5 исходя из следующих условий:
Uст = Uвых
Iст > Iн
Данным условиям удовлетворяет стабилитрон КС510А, параметры которого приведем в таблице 1.
Таблица 1
| Uст, В | Iстmin, мА | Iстmax, мА | rст, Ом | Uст, %/0C |
| 10 | 1 | 79 | 20 | +0,08 |
2. Так как ток Iн = 40 мА, то зададимся коэффициентом стабилизации Kст = 60.
3. Определим амплитуду пульсаций на входе стабилизатора
Kст = Uвхст/Uвых
Uвхст = KстUвых = 600,01 = 0,6 (В)
4. Определим сопротивление гасящего резистора, обеспечивающее требуемый коэффициент стабилизации:
Выберем из ряда с отклонением
5% реальное сопротивление резистора Rг, ближайшим к рассчитанному значению сопротивления имеет резистор с номиналом 1,2 кОм.
5. Определим рабочий ток стабилитрона:
Iстmin Iст (Iстmax-Iн)
Iст = 79-40 = 39 (мА)
6. Определим ток гасящего резистора:
Iг = Iст + Iн = 39 + 40 = 79 (мА)
7. Определим сопротивление нагрузки:
Выберем из ряда с отклонением
5% реальное сопротивление резистора Rн, ближайшим к рассчитанному значению сопротивления имеет резистор с номиналом 240 Ом.
8. Необходимое постоянное напряжение на входе стабилитрона равно:
Uвхст = Uвых + IгRг = 10 + 0,0791200=94,8 (В)
9. Рассчитаем температурный уход выходного напряжения стабилизатора при изменении температуры на +500.
10. Результаты расчета сведем в таблицу 2
Таблица 2
| Тип стабилитрона | Uвхст, В | Uвхст, мВ | Uвых, В | Uст, мВ | Uвых, мВ | Iст, мА | Iг, мА | Кст | Rн, Ом | Rг,Ом |
| КС510А | 94,8 | 600 | 10 | 400 | 10 | 39 | 79 | 60 | 240 | 1200 |
11. Для расчета выпрямителя исходными данными являются следующие рассчитанные параметры стабилизатора:
Uвыхвыпр = Uвхст = 94,8 (В)
Uвыхвыпр = Uвхст = 0,6 (В)
Iнвыпр m = Iг = 79 (мА)
12. Определим амплитуду входного напряжения выпрямителя:
Uвхm = Uвхст + Uвхст + Uпр,
где Uпр – падение напряжения на прямосмещенном диоде выпрямителя.
Примем падение напряжения на одном диоде Uпр = 1 В. Поскольку в мостовой схеме два прямосмещенных диода включенных последовательно, то падение напряжения будет равно 2 В. Отсюда амплитуда входного напряжения выпрямителя равна:
Uвхm = 94,8 + 0,6 + 2 98 (В)
13. Рассчитаем емкость конденсатора, при этом частоту входного напряжения примем равной f=50Гц:
Выберем из ряда с отклонением
20% реальную емкость конденсатора C, ближайшим к рассчитанному значению емкости имеет конденсатор с номиналом 1500 мкФ.
14. Определим амплитуду обратного напряжения на диоде для мостовой схемы:
Umобр = Uвх m = 98 (В)
15. По рассчитанным параметрам выберем диоды для схемы выпрямителя причем:
Iнвыпр m < Iпрmax
Umобр < Uобрmax
Результаты расчета сведем в таблицу 3.
Таблица 3
| Тип диода | С, мкФ | Umобр, В | Uвхm, В |
| КД226А | 1500 | 98 | 98 |
Задание 2
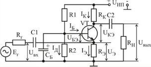
Усилительный каскад с ОЭ
Решение:
1. Для обеспечения стабилизации рабочей точки падение напряжения на резисторе Rэ выбираем из условия:
Uэ = IэRэ = 0,2Uкэ = 0,29 = 1,8 (В)
2. Напряжение питания для обеспечения максимального значения амплитуды неискаженного выходного сигнала выберем исходя из следующего условия:
Uип = 2Uкэ + Uэ = IкRк + Uкэ +Uэ = 29 + 1,8 = 19,8 (В)
3. Сопротивления резисторов RЭ и RК находим по выражениям
Rк = (Uип - Uкэ - Uэ ) / Iк =(19,8-9-1,8)/0,008 = 1125 (Ом) ,
Rэ = Uэ/Iэ,
т.к. можно считать, что Iэ Iк, то сопротивление Rэ будет равно:
Rэ Uэ/Iк 1,8/0,008 225 (Ом)
Выберем из ряда с отклонением
5% реальные сопротивления резисторов Rк и Rэ, ближайшими к рассчитанным значениям сопротивлениями обладают резисторы с номиналами 1,1 кОм и 220 Ом соответственно.
4. Определим ток базы
Iб = Iк/ h21э
Определим по справочнику коэффициент передачи по току для транзистора КТ3102А, h21э = 200…500. Пусть h21э = 300, тогда
Iб = 0,008/300 27 (мкА)
5. Определим потенциал базы транзистора:
Uб = Uбэ + Uэ,
где напряжение база – эмиттер в рабочей точке для кремниевого транзистора можно принять Uбэ = 0,6 В.
Uб = 0,6 + 1,8 = 2,4 (В)
6. Для обеспечения работоспособности схемы стабилизации задаемся током делителя напряжения, образованного резисторами R1 и R2, в десять раз больше, чем ток базы:
Iд = 10Iб = 102710-6 = 0,27 (мА)
7. Находим сопротивления R1 и R2:
R1 = (Uип-Uб)/(Iд + Iб) = (19,8 – 2,4)/(27010-6 + 2710-6) = 74747 (Ом)
R2 = Uб/Iд = 2,4/27010-6 = 8888 (Ом)
Выберем из ряда с отклонением
5% реальные сопротивления резисторов R1 и R2, ближайшими к рассчитанным значениям сопротивлениями обладают резисторы с номиналами 75 кОм и 9,1 кОм соответственно.
8. Определим емкости конденсаторов при выполнении которых значение коэффициента усиления по напряжению на нижней граничной частоте fн = 20 Гц уменьшается не более чем в 2 раз.
где Rвх - входное сопротивление каскада.
где
- входное сопротивление транзистора
Значения Uбэ и Iб определим по входным характеристикам транзистора
Выберем из ряда с отклонением
20% реальную емкость конденсатора C1, ближайшим большую сторону к рассчитанному значению емкости имеет конденсатор с номиналом 68 мкФ.
Выберем из ряда с отклонением
20% реальную емкость конденсатора C2, ближайшим в большую сторону к рассчитанному значению емкости имеет конденсатор с номиналом 22 мкФ.
Выберем из ряда с отклонением
20% реальную емкость конденсатора Cэ, ближайшим в большую сторону к рассчитанному значению емкости имеет конденсатор с номиналом 470 мкФ.
9. Рассчитаем коэффициент усиления каскада по току:
10. Рассчитаем коэффициент усиления каскада по напряжению:
где rэ – дифференциальное сопротивление эмиттерного перехода.
где Iэ0 – ток эмиттера в рабочей точке Iэ0 Iк,
т – тепловой потенциал равный 26 мВ.
11. Определим сквозной коэффициент усиления по напряжению:
12. Определим выходное сопротивление:
Определим выходную проводимость транзистора h22э по выходным характеристикам
∆Iк
13. Определим нижние граничные частоты при выбранных емкостях C1, C2 и Сэ:
14. Определим коэффициенты частотных искажений, обусловленных фильтрами, на частоте f=20Гц:
, где n = 1, 2, 3
Мн1 = 1,21
Мн2 = 1,23
Мн3 = 1,26
15. Определим верхние граничные частоты:
где Сэ и Ск справочные данные емкостей переходов транзистора равные 15 пФ и 6 пФ соответственно.
Скэкв = (Ku + 1)Ск = (72,5+1)∙6∙10-12 = 441 (пФ)
(Гц)
(Гц)
16. Определим коэффициенты частотных искажений на частоте f = 20 кГц:
, где n = 1, 2
Мв1 = 1,000004
Мв2 = 1,00005.
Расчет каскада с ОБ
1. Для обеспечения стабилизации рабочей точки падение напряжения на резисторе Rэ выбираем из условия:
Uэ = IэRэ = 0,2Uкэ = 0,29 = 1,8 (В)
2. Напряжение питания для обеспечения максимального значения амплитуды неискаженного выходного сигнала выберем исходя из следующего условия:
Uип = 2Uкэ + Uэ = IкRк + Uкэ +Uэ = 29 + 1,8 = 19,8 (В)
3. Сопротивления резисторов Rэ и Rк находим по выражениям
Rк = (Uип - Uкэ - Uэ ) / Iк =(19,8-9-1,8)/0,008 = 1125 (Ом) ,
Характеристики
Тип файла документ
Документы такого типа открываются такими программами, как Microsoft Office Word на компьютерах Windows, Apple Pages на компьютерах Mac, Open Office - бесплатная альтернатива на различных платформах, в том числе Linux. Наиболее простым и современным решением будут Google документы, так как открываются онлайн без скачивания прямо в браузере на любой платформе. Существуют российские качественные аналоги, например от Яндекса.
Будьте внимательны на мобильных устройствах, так как там используются упрощённый функционал даже в официальном приложении от Microsoft, поэтому для просмотра скачивайте PDF-версию. А если нужно редактировать файл, то используйте оригинальный файл.
Файлы такого типа обычно разбиты на страницы, а текст может быть форматированным (жирный, курсив, выбор шрифта, таблицы и т.п.), а также в него можно добавлять изображения. Формат идеально подходит для рефератов, докладов и РПЗ курсовых проектов, которые необходимо распечатать. Кстати перед печатью также сохраняйте файл в PDF, так как принтер может начудить со шрифтами.
















