63957 (573480)
Текст из файла
МИНИСТЕРСТВО СЕЛЬСКОГО ХОЗЯЙСТВА РОССИЙСКОЙ ФЕДЕРАЦИИ
Челябинский государственный агроинженерный университет
Контрольная работа
"Расчёт резисторного усилителя напряжения с RC – связью"
студент: Арефкин Т. В
группа: 303
преподаватель: Савченко С. А.
Челябинск 2005
1. Задача
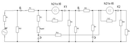
Задача: Рассчитать параметры усилителя, построенного по схеме рис. №1, на вход которого подается сигнал амплитудой ис от источника с внутренним сопротивлением Rc. Усилитель должен обеспечить в нагрузке RH требуемую амплитуду выходного напряжения UвыхА.
Порядок расчета:
Выбор транзистора:
1. Составляем эквивалентную схему усилителя для области средних частот, учитывая при этом структуру транзисторов, и отмечаю на ней все напряжения и токи:
2. Определяем требуемый коэффициент усиления Киос усилителя, охваченного цепью ОС, по исходным данным задачи:
3. Находим коэффициент усиления Ки усилителя с разомкнутой цепью ОС:
Примечание. Далее расчеты ведутся для разомкнутой цепи ООС.
4. Находим коэффициент усиления отдельных каскадов, полагая, что они равны между собой, т.е.
5. Выбираем режим усиления класса А, характеризующийся минимальными нелинейными искажениями, и рассчитываем напряжение источника питания Е:
где
- коэффициент запаса по напряжению.
Окончательно напряжение
выбираем из стандартного ряда
Расчёт оконечного каскада усилителя:
6. Задаёмся сопротивлением резистора
Номинальное сопротивление резистора
выбираем из табл. П2.1:
Вычисляем эквивалентное сопротивление коллекторной цепи:
7. Рассчитываем выходную мощность каскада
8. Находим мощность
рассеиваемую коллектором VT2:
, где
9. Выбираем транзистор VT2 по величине
и
учитывая рекомендации из раздела 1.8:
Наиболее подходящим транзистором является КТ3102Б, его параметры:
10. Рассчитываем режим покоя транзистора VT2: • Задавшись конкретным значением одной из координат, определяют вторую координату, решая уравнение
. Прямая, построенная в соответствии с уравнением на семействе статических выходных характеристик транзистора, называется нагрузочной прямой. Нагрузочная прямая, показанная на рис. 1, построена для случая, когда
и
.
1-я точка:
;
2-я точка:
;
.
11. Находим величины
, при
, при
12. Оцениваем реальный коэффициент усиления каскада по формуле:
13. Рассчитываем мощность, рассеиваемую резистором
по току
, и окончательно выбирают тип резистора.
Выбираем резистор МЛТ – 0,25 – 510 Ом ± 5%
14. Строим динамическую линию нагрузки (ЛН) на семействе выходных характеристик.
15. Определяем динамический режим работы транзистора. Для этого откладываем на оси абсцисс амплитуду выходного напряжения
и делаем вывод о правильности выбора напряжения источника питания. Затем находим амплитудные значения тока коллектора
и тока базы
. Переносим значения тока
на семейство входных характеристик и находим напряжение
.
16. Находим сопротивление резистора R8, мощность, рассеиваемую им, а затем выбираем его тип:
Выбираем резистор МЛТ – 0,125 – 180 кОм ± 5%
17. Расчет делителя произведем задавшись значением
Пусть
, тогда:
, откуда
18. Определяем ток делителя
, а затем рассчитываем мощность рассеивания резисторов
и
и выбираем их тип и номинал.
Выбираем резисторы: R5 - МЛТ – 0,125 – 510 кОм ± 5%
R6 - МЛТ – 0,125 – 20 кОм ± 5%
19. Вычисляем входное сопротивление оконечного каскада
:
, где
20. Определяем мощность, потребляемую базовой цепью транзистора VT2 от предыдущего каскада:
Расчёт предоконечного каскада усилителя:
21. Вычисляем выходную мощность предоконечного каскада
где Кзм - 1,1...1,2 - коэффициент запаса, учитывающий потери мощности в цепи смещения оконечного каскада.
22. Находим мощность Рк.Р, рассеиваемую коллектором VT1:
23. Принимая, с учетом падения напряжения на резисторе фильтра Rф, напряжение питания предоконечного каскада
, выбираем транзистор VT1:
Наиболее подходящим транзистором является КТ201Б, его параметры:
24. Выбираем сопротивление резистора R3:
Пусть
, тогда для
25. Рассчитываем режим покоя транзистора VT1:
-
принимаем
;
-
вычисляем ток базы покоя
.
26. Рассчитываем мощность, рассеиваемую резистором R3, и окончательно выбираем его тип и номинал:
Выбираем резистор МЛТ – 0,125 – 8.2 кОм ± 5%
27. Вычисляем эквивалентное сопротивление коллекторной цепи транзистора VT1 в точке покоя
:
28. Оцениваем коэффициент усиления предоконечного каскада:
29. Определяем амплитуду коллекторного тока транзистора VT1
Проверяем выполнение условия Iка1 Kn1; 0,210мА<1мА.
30. Находим амплитудные значения тока базы и напряжения база-эмиттер транзистора VT1:
31. Вычисляем сопротивление резистора R4 и выбираем его номинальное значение и тип:
Выбираем резистор: R4 - МЛТ – 0,125 – 4.3 кОм ± 5%
32. Рассчитываем сопротивления резисторов R1 и R2; выбирают их тип и номинал
Расчет делителя произведем задавшись значением
Пусть
, тогда:
, откуда
33. Определяем ток делителя
, а затем рассчитываем мощность рассеивания резисторов
и
и выбираем их тип и номинал.
Выбираем резисторы: R1 - МЛТ – 0,125 – 2 кОм ± 5%
R2 - МЛТ – 0,125 – 47 кОм ± 5%
34. Вычисляем входное сопротивление предоконечного каскада Rex1 в точке покоя:
,
где
35. Рассчитываем фактические коэффициенты усиления по напряжению оконечного Ки2 и предоконечного Ки1 каскадов, учитывая влияние всех элементов схемы:
36. Определяем общий коэффициент усиления усилителя с разомкнутой цепью ООС Ки, сравнивают его с величиной, полученной в п.З, и делают выводы о правильности расчетов:
37. Находим коэффициент передачи у цепи ООС, обеспечивающий заданную глубину обратной связи:
38. Рассчитываем сопротивление резистора обратной связи Roc, используя выражение
, откуда
Выбираем резисторы: RОС - МЛТ – 0,125 – 4.3 МОм ± 5%
Емкость конденсатора Сос выбираем достаточно большой (Сос≈С5)
Сос - К50 - 12 - 50В – 1мкФ
39. Проверяем выполнение условия
R4 + Roc » RН
4300 + 4.3·106 » 460
Для того, чтобы цепь ООС не шунтировала выходной каскад усилителя.
40. Вычисляем входное сопротивление усилителя Rвхoc c замкнутой цепью ООС:
41. Рассчитываем емкости разделительных и эмиттерных конденсаторов: Мв = Мн=1,41
тогда
a
где
Выбираем: конденсаторы С1, С2, С4:
К50 - 12 - 12В – 2мкФ
конденсатор С5:
К50 - 12 - 50В – 1мкФ
42. Определяем значения Сф и Rф
Задаёмся падением напряжения на резисторе RФ на уровне
Выбираем: конденсатор СФ - К50 - 12 - 50В – 20мкФ
резистор: RФ - МЛТ – 0,125 – 1.6 кОм ± 5%
43. Вычисляем полный ток I0, потребляемый усилителем от источника питания:
44. Рассчитываем к.п.д. усилителя:
Характеристики
Тип файла документ
Документы такого типа открываются такими программами, как Microsoft Office Word на компьютерах Windows, Apple Pages на компьютерах Mac, Open Office - бесплатная альтернатива на различных платформах, в том числе Linux. Наиболее простым и современным решением будут Google документы, так как открываются онлайн без скачивания прямо в браузере на любой платформе. Существуют российские качественные аналоги, например от Яндекса.
Будьте внимательны на мобильных устройствах, так как там используются упрощённый функционал даже в официальном приложении от Microsoft, поэтому для просмотра скачивайте PDF-версию. А если нужно редактировать файл, то используйте оригинальный файл.
Файлы такого типа обычно разбиты на страницы, а текст может быть форматированным (жирный, курсив, выбор шрифта, таблицы и т.п.), а также в него можно добавлять изображения. Формат идеально подходит для рефератов, докладов и РПЗ курсовых проектов, которые необходимо распечатать. Кстати перед печатью также сохраняйте файл в PDF, так как принтер может начудить со шрифтами.
.















