63875 (573462)
Текст из файла
Задание контрольной работы
1. Каков принцип действия микроманометра с наклонной трубкой? Чем определяется цена деления шкалы микроманометра?
2. Каков принцип действия расходомера переменного перепада давления на сужающем устройстве? Покажите распределение статического давления при установке в трубопроводе диафрагмы, сопла и сопла Вентури.
3. Каковы назначения, устройство и принцип действия автоматического потенциометра (любого)? Приведите принципиальную схему потенциометра.
4. Классификация приборов для измерения расхода.
Каков принцип действия микроманометра с наклонной трубкой? Чем определяется цена деления шкалы микроманометра?
При измерении малых давлений применяют приборы с наклонной трубкой (рисунок 1). Прибор состоит из стеклянного сосуда, к которому припаяна стеклянная трубка, наклоненная под некоторым углом
к горизонту. Сосуд с трубкой укреплен на деревянной доске со шкалой. Для удобства шкала сделана подвижной, чтобы при заполнении прибора жидкостью можно было совместить ноль шкалы с мениском жидкости в трубке. Конец трубки присоединяется к полости, в которой измеряется разрежение. Для точной установки прибора в горизонтальной плоскости он снабжен уровнем.
Рисунок 1 – микроманометр с наклонной трубкой: 1 – доска; 2 – сосуд; 3 – трубка; 4 – уровень
Вследствие наклонного положения трубки высота столба жидкости, уравновешивающая измеряемое давление, будет равна
,
где
– перемещение мениска жидкости в трубке, отсчитанное по шкале.
Микроманометры с наклонной трубкой изготовляются обычно для измерения давления 157–980 Па (16–100 мм вод. ст.).
Погрешность этих приборов не превышает ±1,5% предельного значения шкалы.
В тех случаях, когда приходится измерять давление или разрежение в более широких пределах, пользуются микроманометрами с переменным углом наклона трубки.
Каков принцип действия расходомера переменного перепада давления на сужающем устройстве? Покажите распределение статического давления при установке в трубопроводе диафрагмы, сопла и сопла Вентури
Одним из наиболее распространенных средств измерений расхода жидкостей и газов (паров), протекающих по трубопроводам, являются расходомеры переменного перепада давления, состоящие из стандартного сужающего устройства, дифманометра, приборов для измерения параметров среды и соединительных линий. В комплект расходомерного устройства также входят прямые участки трубопроводов до и после сужающего устройства с местными сопротивлениями. Наиболее распространенным и изученным в практике измерений является способ измерения расхода жидкостей, газов и пара в трубопроводах по перепаду давления в сужающем устройстве. Сужающее устройство устанавливается в трубопроводе и создает в нем местное сопротивление, выполняя функции первичного преобразователя. При протекании вещества через него повышается скорость в суженном сечении по сравнению со скоростью потока до сужения. Увеличение скорости, а, следовательно, и кинетической энергии, вызывает уменьшение потенциальной энергии потока в суженном сечении. При этом статическое давление в суженном сечении будет меньше, чем в сечении до сужающего устройства.
Характер потока и распределение статического давления при установке в трубопроводе диафрагмы (а), сопла (б) и сопла Вентури (в) показаны на
При протекании жидкости через сужающее устройство создается перепад давлений
Δp =p1−p2 (см. рис.1),
зависящий от скорости потока и от расхода жидкости. Перепад Δp является мерой расхода вещества, протекающего по трубопроводу.
В качестве сужающих устройств для измерения расхода жидкостей, газов и пара широко применяют стандартные диафрагмы, сопла и сопла Вентури (см. рис. 1-в). В особых случаях измерения расхода используют не нормализованные типы сужающих устройств.
Диафрагма представляет собой тонкий диск с отверстием круглого сечения с острой кромкой, центр которого лежит на оси трубы. Сужение потока начинается до диафрагмы, и на некотором расстоянии за диафрагмой поток достигает минимального сечения, расширяясь далее до полного сечения трубопровода. Давление за диафрагмой полностью не восстанавливается. За ней в углах сопряжения диафрагмы со стенкой трубы образуется зона, в которой вследствие разности давлений возникает обратное вихревое движение жидкости – вторичный поток.
Рис.1. а) диафрагма
Рис.1. б) сопло
Рис.1. в) сопло Вентури.
Вследствие вязкости жидкости струйки основного и вторичного потоков, двигаясь в противоположных направлениях, свертываются в виде вихрей, на что затрачивается часть энергии. Следовательно, имеет место и значительная потеря давления. Изменение направления струек перед диафрагмой и сжатие струи после диафрагмы имеют незначительное влияние.
Принцип измерения расхода вещества по перепаду давления, создаваемому сужающим устройством, и основные уравнения одинаковы для всех типов сужающих устройств, различны лишь некоторые опытные коэффициенты в этих уравнениях.
Каковы назначения, устройство и принцип действия автоматического потенциометра (любого)? Приведите принципиальную схему потенциометра
В системах автоматического контроля и регулирования различных параметров технологических процессов находят широкое применение в качестве вторичных приборов автоматические потенциометры и мосты. Мы рассматриваем схему автоматического потенциометра (рисунок 1). В этой схеме в качестве первичного измерительного преобразователя используется термопара, так как диапазон изменения температуры составляет 0–700º С, то наиболее целесообразно использовать термопару типа ТХА (-200÷1300º С).
Рисунок 1 – принципиальная измерительная схема автоматического потенциометра
Термопары широко применяют для измерения температуры различных объектов, а также в автоматизированных системах управления и контроля. Измерение температур с помощью термопар получило широкое распространение из-за надежной конструкции датчика, возможности работать в широком диапазоне температур и дешевизны. Широкому применению термопары обязаны в первую очередь своей простоте, удобству монтажа, возможности измерения локальной температуры. Они гораздо более линейны, чем многие другие датчики, а их нелинейность на сегодняшний день хорошо изучена и описана в специальной литературе. К числу достоинств термопар относятся также малая инерционность, возможность измерения малых разностей температур. Термопары незаменимы при измерении высоких температур (вплоть до 2200°С) в агрессивных средах. Термопары могут обеспечивать высокую точность измерения температуры на уровне ±0,01°С. Они вырабатывают на выходе терма ЭДС в диапазоне от микровольт до милливольт, однако требуют стабильного усиления для последующей обработки.
Классификация приборов для измерения расхода
Поток жидкости или газа количественно характеризуется средней скоростью и расходом между средней скоростью и расходом. Существует следующая зависимость.
Количеством называется объем жидкости или газа протекающий по трубопроводу через определенный промежуток времени. Расходом называется количество жидкости или газа протекающий по трубопроводу в данный момент времени. В системе СИ расход измеряется м3/с или кг/с, вне системная единица л/с. Количество измеряют тахометрическими приборами, которые называются счетчиками. Расход измеряется расходомерами, которые по принципу действия делятся на расходомеры постоянного и переменного перепада давления.
Счетчики по принципу действия делятся на: скоростные и объемные. Чувствительным элементом скоростных счетчиков является крыльчатка или турбина (ротор). Крыльчатка устанавливается перпендикулярно потоку жидкости и турбина по направлению потока. Принцип действия скоростных счетчиков основан на суммировании за определенный период времени числа оборотов, помещенного в патоко-вращающихся турбины или крыльчатки, частота которых пропорциональна средней скорости протекающей жидкости то есть расходу. Турбина или крыльчатка с помощью редуктора связанна со счетным механизмом. Бывают следующих типов: УВК - универсальная водяная крыльчатка, УВТ - универсальная водяная турбина. Для измерения расхода газа применяются объемные счетчики. Счетчик состоит из двух вращающихся лопастных роторов, передаточного механизма и счетного устройства. Принцип действия основан на суммировании единичных объемах газа вытесниных роторами из измерительной камеры за определенный промежуток времени, За один оборот два ротора выполняют объем газа равный объему измерительной камеры. Тип счетчика бывает РГ - роторный газовый.
Расходомеры постоянного перепада давления. Ротаметр
Ротаметр имеет расширяющую трубку 2 и поплавок 1. Поплавок имеет нижнею конусную часть, среднюю целендрическую, верхнею со скошенным бортиком и направляющие канавки для придания поплавку вращательного движения.
Принцип действия ротаметров состоит в том, что гидродинамическое давление измеряемого потока среды воздействует на поплавок, вызывая его вертикальное перемещение. Под действием перемещения поплавка из за косности трубки изменяется площадь проходного сечения между поплавком и трубки, а перепад давления по обе стороны поплавка остается постоянным по этому их называют расходомерами постоянного перепада давления. Бывают таких типов: PM - ротаметр стеклянный, РЭД - с электрической дистанционной передачею, РПД - с пневматической дистанционной передачею.
Принцип действия приборов с переменным перепадом давления основан на измерении перепада давления образующегося в результате изменения скорости измеряемого потока на специальном сужающим устройстве, которое называется диафрагма. При протекании жидкости или газа через сужающее устройство часть потенциальной энергии переходит в кинетическую энергию. При этом средняя скорость потока в сечении повышается, а давление уменьшается. Таким образом, при протекании жидкости или газа образуется разность давления, до и после сужающего устройства. Разность давления (перепад) зависит от скорости протекающего вещества. Величина перепада давления измеряется специальными устройствами, которые называются дифференциальными манометрами (дифманометрами). К стандартным сужающим устройствам относятся: диафрагма, сопла, трубки Вентури. Самое большое распространение получили диафрагмы. Диафрагма представляет собой металлический диск с коническим отверстием.
Приборы переменного перепада давления
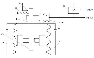
Дифманометр с пневматической передачею показаний
Измерительный блок дифманометра состоит из двух камер 1 и 2 - плюсовая и минусовая. Внутри этих камер находится мембраны, жесткий центр которых с помощью толкателя 3 изменяет положение рычага 4. Рычаг в свою очередь является заслонкой, которая перемещаясь, изменяет давление в линии сопла 5. Давление питания Рпит подается на пенвмо реле 6, а из него на сопла, на сильфон обратной связи и на ход, изменения давления в линии сопла вызовет изменение выходного сигнала в переделах от 0,2 до 1кгс/м2.
Дифманометр работает со вторичными пневматическими приборами. Сильфон обратной связи 7 служит для уравновешивания входного сигнала. В приборе также предусмотрено установка корректора от 0 до 8
Дифманометр с электрической передачею показаний ДРМ
Характеристики
Тип файла документ
Документы такого типа открываются такими программами, как Microsoft Office Word на компьютерах Windows, Apple Pages на компьютерах Mac, Open Office - бесплатная альтернатива на различных платформах, в том числе Linux. Наиболее простым и современным решением будут Google документы, так как открываются онлайн без скачивания прямо в браузере на любой платформе. Существуют российские качественные аналоги, например от Яндекса.
Будьте внимательны на мобильных устройствах, так как там используются упрощённый функционал даже в официальном приложении от Microsoft, поэтому для просмотра скачивайте PDF-версию. А если нужно редактировать файл, то используйте оригинальный файл.
Файлы такого типа обычно разбиты на страницы, а текст может быть форматированным (жирный, курсив, выбор шрифта, таблицы и т.п.), а также в него можно добавлять изображения. Формат идеально подходит для рефератов, докладов и РПЗ курсовых проектов, которые необходимо распечатать. Кстати перед печатью также сохраняйте файл в PDF, так как принтер может начудить со шрифтами.
















