63814 (573453)
Текст из файла
ЭЛЕКТРИЧЕСКИЕ И ЭЛЕКТРОННЫЕ АППАРАТЫ
МЕТОДИЧЕСКИЕ УКАЗАНИЯ И РАСЧЕТНОЕ ЗАДАНИЕ
по курсу
Электрические и электронные аппараты
содержание
Предисловие
Варианты расчетного задания
Содержание расчетного задания
Методические указания по выполнению контрольного задания и примеры решения задач
Правила выполнения и оформления контрольных работ
Литература
Приложение 1
Приложение 2
УДК 621.311: 628.26 (075.8)
ббк 31. 264
Денисова А.Р.
Электрические и электронные аппараты. Методические указания и расчетное задание. Для студентов очной и очно-заочной формы обучения. Казань: Казан. гос. энерг. ун-т, 2007.
Приведены варианты расчетного задания и общие рекомендации по его выполнению.
Предназначены для студентов очной и очно-заочной формы обучения, обучающихся по специальности 140600 – "Электрооборудование и электрохозяйство предприятий, организаций и учреждений".
ПРЕДИСЛОВИЕ
Энергетика как отрасль промышленности обладает рядом особенностей, резко выделяющих энергетическое производство из других отраслей промышленности.
Важнейшая особенность энергетики заключается в том, что производство электроэнергии, ее транспорт, распределение и потребление осуществляются в один и тот же момент времени. Эта особенность превращает всю систему производства, передачи, распределения и потребления электроэнергии, отдельные звенья которой могут быть удалены на сотни километров друг от друга, в единый, сложный механизм, в котором системой электроснабжения называют совокупность электроустановок, предназначенных для обеспечения потребителей электроэнергией. Под электроустановками понимают совокупность электрооборудования (вместе с сооружениями и помещениями, где оно находится), предназначенного для производства, распределения, преобразования и потребления электроэнергии.
Электрические и электронные аппараты (Э и ЭА) – это электротехнические устройства, которые используют для включения и отключения электрических цепей, измерения, защиты, управления и регулирования электроустановок, предназначенных для передачи, преобразования, распределения и потребления электроэнергии.
Под Э и ЭА понимают широкий круг всевозможных устройств, применяемых в быту, промышленности и энергетике.
В соответствии с учебной программой основной задачей курса "Электрические и электронные аппараты" является изучение основ теории, конструкций и эксплутационных характеристик Э и ЭА автоматики, управления и защиты, которые применяются в электрических системах, схемах электроснабжения, автоматизации и электропривода.
Основной задачей курса "Электрические и электронные аппараты" является изучение конструкций, эксплуатационных характеристик и условий выбора Э и ЭА распределительных устройств низкого и высокого напряжения, применяемых в системах промышленного электроснабжения.
ВАРИАНТЫ РАСЧЕТНОГО ЗАДАНИЯ
Каждый студент выполняет вариант задания, обозначенный последней цифрой его учебного шифра в зачетной книжке.
ИСХОДНЫЕ ДАННЫЕ КОНТРОЛЬНОГО ЗАДАНИЯ
Исходные данные по вариантам расчетного задания по курсу "Электрические и электронные аппараты" представлены в табл. 1-4.
Таблица 1. Электродвигатели асинхронные
| № варианта | Тип двигателя | PНОМ, кВт | UНОМ, В | Примечание |
| 1 2 3 4 5 6 7 8 9 10 | 4А 112 M2 У3 4А 132 M2 У3 4А 132 M2 У3 4А 132 S4 У3 4A 132 M4 У3 4A 132 M4 У3 4A 132 M6 У3 4A 160 S6 У3 4A 160 S6 У3 4A 160 S8 У3 | 7,5 11 11 7,5 11 11 7,5 11 11 7,5 | 380 660 380 380 660 380 380 380 660 380 | Условия пуска двигателей легкие: t П = (2-5) с |
Таблица 2. Токи при трехфазном КЗ за трансформаторами с U К = 5,5 %,
выполненными по ГОСТу 401 – 41
| № варианта | Мощность трансформатора, кВА | Ток трехфазного КЗ (А), отнесенного к напряжению | |
| 0,4 кВ | 10,5кВ | ||
| 1 | 10 | 263 | 10,5 |
| 2 | 20 | 525 | 21 |
| 3 | 30 | 790 | 31,4 |
| 4 | 50 | 1350 | 52,5 |
| 5 | 75 | 1970 | 79 |
| 6 | 100 | 2630 | 105 |
| 7 | 135 | 3540 | 142 |
| 8 | 180 | 4730 | 188 |
| 9 | 240 | 6300 | 254 |
| 10 | 320 | 8400 | 336 |
Таблица 3. Номинальные токи на стороне высокого и низкого напряжения трансформаторов, выполненных по ГОСТу 401 - 41
| № варианта | Мощность трансформатора, кВ·А | Номинальные токи (А), на стороне | ||
| 0,4 кВ | 10,5кВ | |||
| 1 | 10 | 15 | 2 | |
| 2 | 20 | 30 | 3 | |
| 3 | 30 | 50 | 5 | |
| 4 | 50 | 80 | 7,5 | |
| 5 | 75 | 125 | 10 | |
| 6 | 100 | 150 | 15 | |
| 7 | 135 | 200 | 15 | |
| 8 | 180 | 300 | 20 | |
| 9 | 240 | 400 | 30 | |
| 10 | 320 | 500 | 40 | |
Таблица 4. Типы трехфазных масляных двухобмоточных трансформаторов общего назначения класса напряжения 110 кВ
| № варианта | Тип трансформатора | Примечание |
| 1 2 | ТМН – 2500/110 ТМН – 6300/110 | Технические данные указанных типов |
| 3 4 5 6 7 8 9 10 | ТДН – 10000/110 ТДН – 16000/110 ТДН – 25000/110 ТДН – 40000/110 ТРДН – 25000/110 ТРДН – 40000/110 ТРДН – 63000/110 ТРДН – 80000/110 | трансформаторов приведены в [3,4]. |
СОДЕРЖАНИЕ РАСЧЕТНОГО ЗАДАНИЯ
Расчетное задание по курсу "Электрические и электронные аппараты"состоит из четырех задач – это задачи І.1, I.2, II.1 и II.2.
Задача I.1. Выбор контакторов и магнитного пускателя для управления и защиты асинхронного двигателя.
Необходимо выбрать контактор, магнитный пускатель и тепловое реле для управления и защиты асинхронного двигателя серии 4А, работающего в продолжительном режиме. Тип двигателя в соответствии с индивидуальным вариантом контрольного задания выбрать из табл. 1. Схема прямого пуска и защиты асинхронного двигателя с короткозамкнутым ротором представлена на рис. 1.
Рис. 1. Схема пуска и защиты двигателя
Задача I.2. Выбор автоматических выключателей и предохранителей для защиты двигателей.
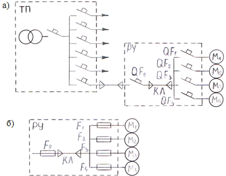
От цехового трансформатора кабелем питается сборка механической мастерской, к которой подключены четыре двигателя. Напряжение сети 380 В. Все двигатели работают одновременно. Типы двигателей приведены в табл. 1; рекомендуется использовать для расчета двигатель, выбранный в задаче I.1 и ближайший к нему; два других двигателя выбрать из противоположного конца таблицы 1. В тех случаях, когда номинальное напряжение выбранных двигателей 660 В, необходимо изменить его на напряжение, заданное в условии задачи I.2 (380 В). Схема цеховой электрической сети, питающей сборку механической мастерской, приведена на рис.2. Требуется выбрать аппараты защиты двигателей и кабеля, питающего сборку:
а) автоматические выключатели QF1 – QF5 (рис. 2 (а));
б) плавкие предохранители F1 - F5 (рис. 2(б)).
Рис. 2. Участок радиальной схемы цеховой электрической сети (ТП – трансформаторная подстанция; РУ – распределительное устройство; КЛ - кабель; QF1 – QF5 – автоматы; М1 – М4 – двигатели; F1 - F5 – плавкие предохранители)
Задача II.1. Выбор низковольтных аппаратов в системах электроснабжения.
Для схем соединения понижающих трансформаторов со сборными шинами низкого напряжения, приведенных на рис. 3, выбрать рубильник QS, предохранитель F и автоматические воздушные выключатели QF в соответствии с исходными данными индивидуального варианта, приведенными в табл. 2 и 3. Номинальное напряжение U Н = 380 В. Условия выбора, расчетные и справочные значения проверяемых величин записать в таблицу, приведённую в примере II.1.
Задача II.2. Выбор высоковольтных аппаратов в системах электроснабжения.
Для схемы питания понижающего трансформатора от магистральной линии, приведенной на рис. 4, выбрать разъединитель QS и предохранитель F в соответствии с исходными данными индивидуального варианта, приведенными в табл. 2-3. Для схем, приведенных на рис. 5, выбрать предохранитель F, короткозамыкатель QN и выключатель Q в соответствии с исходными данными индивидуального варианта, приведенными в табл. 4. Условия выбора, расчетные и справочные значения проверяемых величин записать в таблицу, аналогично приведенной в примере II.2.
Рис. 3. Схемы соединения трансформаторов со сборными шинами низкого напряжения
Рис. 4. Схема питания трансформатора от магистральной линии
Рис. 5. Фрагменты схем электроснабжения промышленных предприятий
МЕТОДИЧЕСКИЕ УКАЗАНИЯ по выполнению РАСЧЕТНОГО ЗАДАНИЯ И ПРИМЕРЫ РЕШЕНИЯ ЗАДАЧ
Методические указания и примеры решения задач I.1 – I.2
Выбор контакторов (магистральных пускателей) – производится по следующим условиям:
Характеристики
Тип файла документ
Документы такого типа открываются такими программами, как Microsoft Office Word на компьютерах Windows, Apple Pages на компьютерах Mac, Open Office - бесплатная альтернатива на различных платформах, в том числе Linux. Наиболее простым и современным решением будут Google документы, так как открываются онлайн без скачивания прямо в браузере на любой платформе. Существуют российские качественные аналоги, например от Яндекса.
Будьте внимательны на мобильных устройствах, так как там используются упрощённый функционал даже в официальном приложении от Microsoft, поэтому для просмотра скачивайте PDF-версию. А если нужно редактировать файл, то используйте оригинальный файл.
Файлы такого типа обычно разбиты на страницы, а текст может быть форматированным (жирный, курсив, выбор шрифта, таблицы и т.п.), а также в него можно добавлять изображения. Формат идеально подходит для рефератов, докладов и РПЗ курсовых проектов, которые необходимо распечатать. Кстати перед печатью также сохраняйте файл в PDF, так как принтер может начудить со шрифтами.
















