63009 (573347)
Текст из файла
Содержание
Введение
Расчет операторной передаточной функции активного четырехполюсника
Параметрический синтез фильтра
Расчет частотных характеристик фильтра
Расчет переходной характеристики фильтра
Анализ полученных результатов
Список использованной литературы
Введение
Активные RC-фильтры
Электрические фильтры, то есть устройства, пропускающие электрические колебания одних частот и задерживающие колебания других, широко применяются в современной промышленной электронике. Область частот пропускаемых колебаний, для которых модуль передаточной функции с заданной точностью равен некоторому определенному значению, называется полосой пропускания фильтра. Граничные частоты полосы пропускания принято называть частотами среза. Область частот задерживаемых колебаний, для которых модуль передаточной функции не превосходит некоторого установленного уровня, называется полосой задерживания. В связи с тем, что идеального разделения полос пропускания и задерживания добиться невозможно, говорят об области спада амплитудно-частотной характеристики (АЧХ) фильтра. В зависимости от взаимного расположения полос пропускания и задерживания (рис. 2) различают фильтры нижних частот (ФНЧ), фильтры верхних частот (ФВЧ), полосовые фильтры (ПФ), режекторные (заграждающие) фильтры (РФ).
В общем случае передаточную функцию фильтра с сосредоточенными параметрами можно записать в виде отношения двух рациональных выражений (полиномов):
=
,
где
,
– вещественные числа;
– комплексная частота. Наибольшая степень
переменной
в знаменателе
соответствует порядку фильтра.
Особый интерес представляют фильтры первого и второго порядка, так как фильтры более высоких порядков строятся, как правило, на их основе. Для различного типа фильтров первого и второго порядков передаточные функции в дробно-рациональной форме приведены в табл. 1 (форма 1).
Таблица 1
| Порядок фильтра | Тип фильтра | Коэффициент передачи фильтра | |
| форма 1 | форма 2 | ||
| Фильтры первого порядка | ФНЧ |
|
|
| ФВЧ |
|
| |
| Фильтры второго порядка | ФНЧ |
|
|
| ФВЧ |
|
| |
| ПФ |
|
| |
| РФ |
|
| |
На практике при описании передаточных функций фильтров первого и второго порядков принято пользоваться такими параметрами, как коэффициент передачи фильтра в полосе пропускания
, характеристическая (собственная) частота
=
, добротность
(для фильтров второго порядка), частота режекции
=
(для РФ). Выражения для передаточных функций, получаемые при использовании названных параметров, также приведены в табл. 1 (форма 2). Сравнение двух форм записи передаточных функций позволяет легко проследить связь параметров фильтров
,
,
,
с коэффициентами
,
,
,
,
,
.
Анализ установившегося режима при воздействии синусоидальных сигналов проводят, полагая
=
(
,
– циклическая и угловая частоты синусоидального колебания;
=
). Имеющая при этом место зависимость модуля передаточной функции
от частоты является уравнением АЧХ фильтра. Обычно значение модуля передаточной функции выражается в децибелах:
[дБ]=
.
Коэффициент передачи в полосе пропускания
в этой формуле соответствует частоте
=0 для ФНЧ (
=
),
∞ для ФВЧ (
=
),
=
для ПФ (
=
).
Для РФ характерными являются коэффициенты передачи на частотах
=0 (
=
) и
∞ (
=
). Причем выполняется соотношение
=
. В случае симметричной АЧХ характеристическая частота РФ совпадает с частотой максимального затухания колебаний – частотой режекции (
=
), а коэффициенты передачи для нижнего и верхнего участков полосы пропускания равны (
=
).
За полосу пропускания фильтра
обычно принимают интервал частот, на границах которого модуль передаточной функции падает до уровня
≈
, то есть на –3 дБ.
При таком задании полосы пропускания частота среза ФНЧ и ФВЧ первого порядка совпадает с их характеристической частотой (
=
). Близки к характеристическим и частоты среза ФНЧ и ФВЧ второго порядка, хотя в общем случае они различаются (
≠
). При
>
на графиках АЧХ этих фильтров в области частоты
наблюдается «всплеск», а
>
. Полное совпадение
=
имеет место лишь при
=
.
У ПФ характеристическая частота
соответствует частоте, на которую приходится максимум передаточной функции (для наименования такой частоты употребляются термины резонансная или квазирезонансная). Справедливы соотношения:
=
;
=
–
=
,
где
,
– нижняя и верхняя частоты среза ПФ.
Избирательные свойства фильтров в значительной мере зависят от крутизны их АЧХ в области спада. Крутизна спада
является характерным параметром фильтра и рассчитывается в децибелах на декаду
[дБ/дек]=
,
где
,
– выборочные частоты в области спада.
Декада – практическая единица измерения частотного интервала; соответствует интервалу между частотами
и
, различающимися в 10 раз (
=10;
=1).
Возможны реализации фильтров с использованием лишь одних пассивных элементов (пассивные фильтры). Однако в настоящее время построение фильтров часто проводится с применением активных элементов (активные фильтры), в частности, операционных усилителей (ОУ). Если подобный активный фильтр из пассивных элементов содержит только емкостные и резистивные элементы, то его называют активным RC–фильтром.
Активные RC–фильтры не содержат катушек индуктивности. Индуктивные катушки – это громоздкие элементы (особенно предназначенные для работы при низких частотах). Их микроэлектронное исполнение весьма затруднительно. Кроме того, в низкочастотном диапазоне катушки индуктивности имеют невысокую добротность.
Активные фильтры выгодно отличаются от пассивных еще и тем, что имеется возможность обеспечения их высокого входного и малого выходного сопротивлений. Это облегчает согласование фильтров при их соединениях между собой (имеет место независимость АЧХ промежуточных звеньев).
При проектировании сложных фильтров на основе фильтров первого и второго порядков используются различные комбинации последних. Например, применяется каскадное соединение – выход предыдущего фильтра соединяется со входом последующего. Каскадное соединение звеньев первого и второго порядков позволяет создать фильтр любого порядка. В этом случае передаточная функция фильтра равна произведению передаточных функций входящих в его состав элементарных звеньев:
=
.
Каскадное проектирование является самым распространенным методом создания активных фильтров.
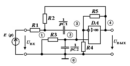
1. Расчет операторной передаточной функции активного четырехполюсника
На основании исходной схемы четырехполюсника составим операторную схему замещения (рис. 3). Для этого пассивные элементы в исходной схеме заменим пассивными двухполюсниками с соответствующими операторными сопротивлениями (резистивному элементу с сопротивлением
соответствует двухполюсник с операторным сопротивлением
, емкостному с емкостью
– двухполюсник с операторным сопротивлением
).
Рис.3. Схема замещения фильтра
Осуществим расчет методом узловых напряжений. Проведем топологический анализ схемы, в ходе которого выявим и пронумеруем узлы. Узел, помеченный знаком общей шины, обозначим как нулевой (узел 0) и примем его за базисный узел. Для операторных изображений узловых напряжений узлов 1–4 введем обозначения
–
. При этом отметим, что
=
,
=
. Запишем систему уравнений:
U11(g1+g2+pC1)-U22pC1-U44g2=Eg1
-U11pC1+U22(g3+pC1+pC2)=0
U33(g4+g5)-U44g5=0
U44=k(U22-U33)
При
имеем U22=U33
Характеристики
Тип файла документ
Документы такого типа открываются такими программами, как Microsoft Office Word на компьютерах Windows, Apple Pages на компьютерах Mac, Open Office - бесплатная альтернатива на различных платформах, в том числе Linux. Наиболее простым и современным решением будут Google документы, так как открываются онлайн без скачивания прямо в браузере на любой платформе. Существуют российские качественные аналоги, например от Яндекса.
Будьте внимательны на мобильных устройствах, так как там используются упрощённый функционал даже в официальном приложении от Microsoft, поэтому для просмотра скачивайте PDF-версию. А если нужно редактировать файл, то используйте оригинальный файл.
Файлы такого типа обычно разбиты на страницы, а текст может быть форматированным (жирный, курсив, выбор шрифта, таблицы и т.п.), а также в него можно добавлять изображения. Формат идеально подходит для рефератов, докладов и РПЗ курсовых проектов, которые необходимо распечатать. Кстати перед печатью также сохраняйте файл в PDF, так как принтер может начудить со шрифтами.
















