62307 (573280)
Текст из файла
МИНИСТЕРСТВО ОБРАЗОВАНИЯ И НАУКИ УКРАИНЫ
ДОНЕЦКИЙ НАЦИОНАЛЬНЫЙ ТЕХНИЧЕСКИЙ УНИВЕРСИТЕТ
Контрольная работа по теме:
“Автоматизация производственных процессов ”
Выполнила: студентка гр.
Руководитель: Саулин В.К.
Донецк
2008 г.
Герконовые датчики, их применение в системах автоматизации на угольных шахтах (привести примеры).
Человек глазами воспринимает форму, размеры и цвет окружающих предметов, ушами слышит звуки, носом чувствует запахи. Обычно говорят о пяти видах ощущений, связанных со зрением, слухом, обонянием, вкусом и осязанием. Для формирования ощущений человеку необходимо внешнее раздражение определенных органов - "датчиков чувств". Для различных видов ощущений роль датчиков играют определенные органы чувств:
Зрение......Глаза
Слух........Уши
Вкус........Язык
Обоняние....Нос
Осязание....Кожа
Однако, для получения ощущения одних только органов чувств недостаточно. Например, при зрительном ощущении совсем не значит, что человек видит только благодаря глазам. Общеизвестно, что через глаза раздражения от внешней среды в виде сигналов по нервным волокнам передаются в головной мозг и уже в нем формируется ощущение большого и малого, черного и белого и т.д. Эта общая схема возникновения ощущения относится также к слуху, обонянию и другим видам ощущения, т.е. фактически внешние раздражения как нечто сладкое или горькое, тихое или громкое оцениваются головным мозгом, которому необходимы датчики, реагирующие на эти раздражения.
Аналогичная система формируется и в автоматике. Процесс управления заключается в приеме информации о состоянии объекта управления, ее контроле и обработке центральным устройством и выдачи им управляющих сигналов на исполнительные устройства. Для приема информации служат датчики неэлектрических величин. Таким образом, контролируется температура, механические перемещения, наличие или отсутствие предметов, давление, расходы жидкостей и газов, скорость вращения и т.п.
Датчики информируют о состоянии внешней среды путем взаимодействия с ней и преобразования реакции на это взаимодействие в электрические сигналы. Существует множество явлений и эффектов, видов преобразования свойств и энергии, которые можно использовать для создания датчиков.
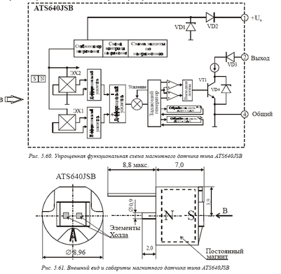
Магнитные (герконовые) датчики. Представляют собой пару геркон плюс магнит. Геркон – это герметически запаянный в стеклянную трубку контакт. Он замыкается или размыкается при поднесении к нему магнита. Герконовые датчики состоят из герметизированных магнитоуправляемых контактов и представляют собой контактные ферромагнитные пружины, помещённые в герметичные стеклянные баллоны, заполненные инертным газом, азотом высокой чистоты или водородом. Контактные элементы являются одновременно элементами магнитной цепи. Под действием магнитного поля достаточной напряжённости ферромагнитные контактные пружины деформируются и замыкают или размыкают контакты. Достоинство магнитоуправляемых контактов – большая износоустойчивость и очень малое время срабатывания. В связи с высокой износоустойчивостью срок службы самих датчиков очень большой.
Главной особенностью магнитных датчиков является быстродействие и возможность обнаружения и измерения бесконтактным способом, этот вид датчиков не чувствителен к загрязнению. Однако в силу характера магнитных явлений эффективная работа этих датчиков в значительной мере зависит от такого параметра, как расстояние, и обычно для магнитных датчиков необходима достаточная близость к воздействующему магнитному полю.
Среди магнитных датчиков хорошо известны датчики Холла. В настоящее время они применяются в качестве дискретных элементов, но быстро расширяется применение элементов Холла в виде ИС, выполненных на кремниевой подложке. Подобные ИС наилучшим образом отвечают современным требованиям к датчикам.
Магниторезистивные полупроводниковые элементы имеют давнюю историю развития. Сейчас снова оживились исследования и разработки магниторезистивных датчиков, в которых используется ферромагнетики. Недостатком этих датчиков является узкий динамический диапазон обнаруживаемых изменений магнитного поля. Однако высокая чувствительность, а также возможность создания многоэлементных датчиков в виде ИС путем напыления, т. е. технологичность их производства, составляют несомненные преимущества.
Широкое распространение в различных автоматических устройствах, установках производственного назначения, в измерительной и другой технике получили магнитные (герконовые) датчики. В настоящее время отечественная электронная промышленность разработала и производит серийно магнитные датчики ДМИ-1 и ДМИ-2 (рис. ), рассчитанные на широкое применение. Они предназначены для определения положения подвижного объекта, на котором укрепляют шторку - замыкатель из ферро-магнитного материала.
Существенным преимуществом магнитного датчика является отсутствие внешнего источника излучения. По потреблению тока питания такой датчик очень экономичен и прост по конструкции. Поэтому магнитные датчики могут найти применение на станкостроении, робототехнике, на автотранспорте, в системах аварийной защиты, охранной сигнализации и других отраслях народного хозяйства.
СПИСОК ЛИТЕРАТУРЫ:
1. Како Н., Яманэ Я. Датчики и микро-ЭВМ. Л: Энергоатомиз дат, 1986г.
2. У.Титце, К.Шенк. Полупроводниковая схемотехника. М: Мир, 1982г.
3. П.Хоровиц, У.Хилл. Искусство схемотехники т.2, М: Мир, 1984г.
4. Справочная книга радиолюбителя-конструктора. М: Радио и связь, 1990г.
Характеристики
Тип файла документ
Документы такого типа открываются такими программами, как Microsoft Office Word на компьютерах Windows, Apple Pages на компьютерах Mac, Open Office - бесплатная альтернатива на различных платформах, в том числе Linux. Наиболее простым и современным решением будут Google документы, так как открываются онлайн без скачивания прямо в браузере на любой платформе. Существуют российские качественные аналоги, например от Яндекса.
Будьте внимательны на мобильных устройствах, так как там используются упрощённый функционал даже в официальном приложении от Microsoft, поэтому для просмотра скачивайте PDF-версию. А если нужно редактировать файл, то используйте оригинальный файл.
Файлы такого типа обычно разбиты на страницы, а текст может быть форматированным (жирный, курсив, выбор шрифта, таблицы и т.п.), а также в него можно добавлять изображения. Формат идеально подходит для рефератов, докладов и РПЗ курсовых проектов, которые необходимо распечатать. Кстати перед печатью также сохраняйте файл в PDF, так как принтер может начудить со шрифтами.















