25203 (568887)
Текст из файла
РАСЧЁТНАЯ РАБОТА
по тему:
«Проходка разведочной канавы»
Исходные данные
| Параметры | Единицы измерения | Значение |
| Глубина канавы ( | м | 3,2 |
| Длина канавы ( | м | 50 |
| Угол откоса бортов канавы ( | градус | 55 |
| Коэффициент крепости пород | 7 | |
| Трещиноватость | нет | |
| Обводнённость | да |
-
Выбираем буровое оборудование и приводим его техническую характеристику.
Так как коэффициент крепости породы по Протодьякову равен 7 (
, то для бурения шпуров в канаве можно применить переносной перфоратор на пневмоподдержках или распорных устройствах. Мы выбираем марку бурильной машины ПП-36 В2. Завод-изготовитель – «Пневматика» г. Санкт-Петербург.
Техническая характеристика перфоратора
ПП-36 В2
Глубина бурения, м………………………………………………...до 2 метров
Диаметр шпуров, мм………………………………………………...32 – 40
Коэффициент крепости..…………………………………………... ≤12
Масса………………………………………………………………….24
В качестве породоразрушающего инструмента при бурении шпуров перфораторами в породах крепостью
, используем крестовые коронки марки КДП-36-22, армированные твёрдосплавными пластинками из сплава ВК-15.
Техническая характеристика коронки
КДП-36-22
Рабочий диаметр коронки, мм……………………………….36
Марка твёрдого сплава………………………………………..ВК15 или ВК11В
Масса коронки, кг…………………………………………….0,38
В качестве буровых штанг применяем шестигранные штанги с осевым отверстием для промывки БШ25 – 2500.
Диаметр штанги, мм…………………………………………………
Длина штанги, мм……………………………………………………2500
Длина хвостовика, мм………………………………………………..108±1
Масса штанги, кг…………………………………………………….9,9
-
Выбираем тип ВВ и приводим его техническую характеристику.
Для проведения взрывных работ в породах крепостью меньше 12 и в условиях, что есть обводнённость, согласно имеющимся рекомендациям целесообразно применить патронированное Аммонит 6-ЖВ в полиэтиленовых патронах.
Техническая характеристика ВВ Аммонит 6-ЖВ
Диаметр патрона, мм…………………………………………………………..32
Масса патрона, г……………………………………………………………...200
Длина патрона, мм……………………………………………………………..250
Плотность, г/см3…………………………………………………….…...360÷380
Плотность в патроне……………………………..…………………..1 ÷1,2 г/см3
Коэффициент работоспособности……………………………..………….....1,0
Бризантность………………………………………………………..……...14÷16
Скорость детонации, км/с…………………………………………..….…3,6÷4,8
Расстояние перед детонацией между патронами, см………………….…..5÷9
-
Определяется коэффициент крепости пород с поправкой А.И. Барона на их разрушаемость взрывом.
-
Определяется удельный расчётный расход эталонного ВВ на заряд нормального выброса.
-
Расход эталонного ВВ на рыхление будет равен.
-
Вычисляется коэффициент относительной работоспособности принятого ВВ.
, где
- работоспособность эталонного ВВ;
- работоспособность принятого ВВ.
-
Удельный расчётный расход нашего ВВ на дробление породы.
-
Определяется эффективный диаметр шпура.
При использовании патронированных ВВ диаметр шпура принимается на 3-5 мм больше диаметра патрона при электрическом способе взрывания. Мы принимаем диаметр шпура 36 мм и коронки КДП-36-22 с маркой твёрдого сплава ВК-15 исходя из того, что диаметр шпура будет на 4 мм больше чем диаметр патрона.
-
Определяется вместимость шпура.
При использовании патронированных ВВ:
, где
- масса одного патрона ВВ, кг;
- длина одного патрона ВВ, м.
-
Определяется глубина эффективного рыхления пород шпурами принятого диаметра.
Если
, то порода в контурах проектируемой канавы рыхлится взрывом на полную глубину. Если же окажется, что
, то канаву целесообразно сооружать послойно:
сначала взрывом рыхлится верхний слой породы, после её уборки бурятся шпуры и рыхлится следующий слой и т.д. Обычно количество слоёв не превышает двух и мощности слоёв принимаются одинаковыми:
В нашем случае
, поэтому канаву целесообразно сооружать послойно.
Определяется величина перебура шпуров.
-
Требуемая глубина шпуров будет равна.
-
Масса заряда ВВ в каждом шпуре.
Принимаем
-
Длина заряда равна.
Длина заряда при использовании патронированных ВВ определяется по количеству патронов, помещаемых в каждый шпур и длине патрона ВВ.
-
Фактический коэффициент заполнения шпуров составит.
14. Выбирается способ взрывания, средства взрывания и приводится конструкция шпурового заряда.
15. Вычисляется ширина элементарной площадки рыхления пород одним зарядом.
-
Определяем количество рядов шпуров по каждому слою.
Рассчитаем ширину верхнего слоя:
Так как
Рассчитаем количество рядов шпуров для верхнего слоя:
, где
;
- проектная ширина слоя.
Принимаем 3 ряда.
-
Принимается расстояние между шпурами в ряду
и определяется количество шпуров в каждом слое.
-
Определяем суммарный расход ВВ на
зарядов, удельный фактический расход ВВ.
-
Определяем суммарную длину
шпуров.
-
Определяем удельный фактический расход ВВ.
, где
-
Определяем удельный объём бурения.
1-ый слой
2-ой слой
Технико-экономические показатели БВР при проходке разведочной канавы взрывом на рыхление
| №№ пп | Показатели | Единицы измерения | Количество |
| 1. | Длина канавы | м | 50 |
| 2. | Глубина канавы | м | 3,2 |
| 3. | Угол откоса бортов канавы | град | 55 |
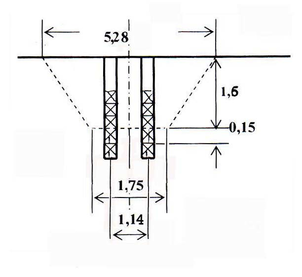
| 4. | Количество шпуров: - 1 слой - 2 слой Итого: | шт. шт. шт. | 131 43 174 |
| 5. | Глубина шпура | м | 1,75 |
| 6. | Диаметр шпура | м | 36 |
| 7. | Расстояние между шпурами в ряду | м | 1,14 |
| 8. | Расстояние между рядами шпуров | м | 1,01 |
| 9. | Масса шпурового заряда | кг | 1,0 |
| 10. | Длина шпурового заряда | м | 1,25 |
| 11. | Длина забойки в шпуре | м | 0,55 |
| 12. | Суммарный расход аммонита 6ЖВ | кг | 139,2 |
| 13. | Удельный расход Аммонита 6ЖВ | кг/м3 | 0,286 |
| 14. | Удельный объём бурения | м/м3 | 0,626 |
Характеристики
Тип файла документ
Документы такого типа открываются такими программами, как Microsoft Office Word на компьютерах Windows, Apple Pages на компьютерах Mac, Open Office - бесплатная альтернатива на различных платформах, в том числе Linux. Наиболее простым и современным решением будут Google документы, так как открываются онлайн без скачивания прямо в браузере на любой платформе. Существуют российские качественные аналоги, например от Яндекса.
Будьте внимательны на мобильных устройствах, так как там используются упрощённый функционал даже в официальном приложении от Microsoft, поэтому для просмотра скачивайте PDF-версию. А если нужно редактировать файл, то используйте оригинальный файл.
Файлы такого типа обычно разбиты на страницы, а текст может быть форматированным (жирный, курсив, выбор шрифта, таблицы и т.п.), а также в него можно добавлять изображения. Формат идеально подходит для рефератов, докладов и РПЗ курсовых проектов, которые необходимо распечатать. Кстати перед печатью также сохраняйте файл в PDF, так как принтер может начудить со шрифтами.
и определяется количество шпуров в каждом слое.
зарядов, удельный фактический расход ВВ.















