20490 (568657), страница 2
Текст из файла (страница 2)
3.Универсальные приборы — устройства, совмещающие функции дозиметра и радиометра, радиометра и спектрометра и пр.
4.Спектрометры ионизирующих излучений — приборы, измеряющие распределение (спектр) величин, характеризующих поле ионизирующих излучений.
В соответствии с проверочной схемой по методологическому назначению приборы и установки для регистрации ионизирующих излучений подразделяются на образцовые и рабочие. Образцовые приборы и установки предназначены для поверки по ним других средств измерений, как рабочих, так и образцовых, менее высокой точности. Заметим, что образцовые приборы запрещается использовать в качестве рабочих. Рабочие приборы и установки — средства для регистрации и исследования ионизирующих излучений в экспериментальной и прикладной ядерной физике и многих других областях народного хозяйства.
Приборы для регистрации ионизирующего излучения разделяются также по виду измеряемого излучения, по эффекту взаимодействия излучения с веществом (ионизационные, сцинтилляционные, фотографические и т. д.) и другим признакам.
По оформлению приборы для регистрации ионизирующего излучения подразделяют на стационарные, переносные и носимые, а также на приборы с автономным питанием, питанием от электрической сети и не требующие затрат энергии.
В зависимости от измеряемых физических величин, вида ионизирующего излучения и области применения принято устанавливать типы дозиметрических приборов и их обозначения. Тип детектора определяют по измеряемой величине (первая цифра), виду ионизирующего излучения (вторая цифра), области применения (третья цифра).
Дозиметрические приборы подразделяются на измерители дозы (дозиметры), измерители мощности дозы и интенсиметры. Измерителями дозы называют дозиметры, измеряющие экспозиционную или поглощенную дозу ионизирующего излучения. Измерители мощности дозы — дозиметры, измеряющие мощность экспозиционной или поглощенной дозы ионизирующего излучения. Интенсиметры — дозиметры, измеряющие интенсивность ионизирующего излучения.
Дозиметры применяются для дозиметрического контроля людей, измерения дозы облучения при контроле различных радиохимических процессов, при воздействии ионизирующих излучений на растительность, живые объекты, различные вещества и материалы, измерения дозы в биологических тканях человека и животных с учетом биологической эффективности ионизирующих излучений и различного состава объекта облучения (ткань, кости и др.). Для выполнения перечисленных задач отечественная промышленность выпускает широкий ассортимент дозиметров.
Стационарные дозиметры применяются чаще всего для осуществления контроля над процессом облучения объектов до заранее заданных доз. Для дозиметрического контроля персонала стационарные дозиметры практически не применяются. В практической деятельности для измерения доз наибольшее распространение получили индивидуальные дозиметры. Рассмотрим устройство, работу и основные технические данные некоторых наиболее широко применяемых дозиметров.
Войсковой дозиметрический прибор ДП-5В
Назначение
ДП-5В используется для измерения мощности дозы гамма-излучения на местности; для измерения зараженности поверхности по гамма-излучению; для обнаружения бета-заражения. Мощность гамма-излучения определяется в миллирентгенах или рентгенах в час для той точки пространства, в которой помещен при измерениях соответствующий счетчик прибора. Кроме того, имеется возможность обнаружения бета-излучения.
Характеристики
Метод определения ионизационный. Диапазон измерения от 0,05 мР/ч до 200 р/ч, в диапазоне температур от - 40 до +50 °С. относительная погрешность 30%. Герметичен, виброударопрочен, пылеводостоек, время непрерывной работы 40 часов, масса 2,5 кг. Масса полного комплекта 7,6 кг.
Войсковой дозиметрический прибор ДП-22В
Назначение
ДП-22В, имеющий дозиметр карманный прямо показывающий ДКП-50А, предназначен для контроля экспозиционных доз гамма-облучения, получаемых людьми. Содержит 50 дозиметров ИД-1. Комплект дозиметров ДП-22В состоит из зарядного устройства типа ЗД-5 и 50 индивидуальных дозиметров карманных прямо показывающих типа ДКП-50А. . Питание осуществляется от двух сухих элементов типа 1,6-ПМЦ-У-8, обеспечивающих непрерывную работу прибора не менее 30 ч при токе потребления 200 мА. Конструктивно он выполнен в форме авторучки . Дозиметр состоит из дюралевого корпуса , в котором расположены ионизационная камера с конденсатором, электроскоп, отсчетное устройство и зарядная часть. Дозиметр крепится к карману одежды с помощью держателя .
Характеристики
Диапазон измерения 250 ренген, диапазон рабочих температур -40+50 С, масса комплекта в укладочном ящике 5 кг.
Принцип работы
Принцип действия дозиметра подобен действию простейшего электроскопа. В процессе зарядки дозиметра визирная нить электроскопа отклоняется от внутреннего электрода под влиянием сил электростатического отталкивания. Отклонение нити зависят от приложенного напряжения, которое при зарядке регулируют и подбирают так, чтобы изображение визирной нити совместилось с отсчетного устройства.
Комплект ИД-1
Назначение
Предназначен для измерения поглощённых доз гамма-нейтронного излучения. Он состоит из индивидуальных дозиметров ИД-1 и зарядного устройства ЗД-6. В комплект прибора входят: футляр с ремнями; удлинительная штанга; колодка питания к ДП-5А (Б) и делитель напряжения к ДП-5В; комплект эксплуатационной документации и запасного имущества; телефон и укладочный ящик.
Характеристики
Метод определения ионизационный. Диапазон измерения 20500 рад., относительная погрешность 20%, работоспособен при температуре -50 +50 С, масса комплекта в футляре 1.5 кг.
Принцип работы
Принцип работы дозиметра ИД-1 аналогичен принципу работы дозиметров для измерения экспозиционных доз гамма-, излучения (например, ДКП-50А).
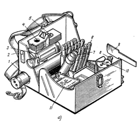
Войсковой прибор химической разведки ВПХР
Назначение
Используется для обнаружения отравляющих веществ в воздухе, на местности, вооружении и военной техники.
Характеристики
Время определения 0В 1-5 мин; производительность насоса 1,8-2л/ч; работоспособен от -40 до +50 °С; масса 2,3 кг.
Принцип работы
При просасывании ручным поршневым насосом зараженного воздуха через индикационные трубки, в них происходит изменение окраски наполнителя и ее интенсивности, по этим признакам определяют наличие 0В и его примерную концентрацию.
Устройство ВПХР :
|
Газоанализатор универсальный (УГ-2)
Назначение
Предназначен для измерения концентрации вредных газов и паров в воздухе рабочей зоны производственных помещений и на территории химических предприятий.
Характеристики
Масса воздухозаборного устройства не более 1.5 кг.,общее время просасывания воздуха 40300 сек., продолжительность хода штока 4300 сек., масса комплекта 1.2 кг..
Устройство и принцип работы
УГ-2 состоит из воздухозаборного устройства и комплектов индикаторных средств.
| 1. шток 2. индикаторная трубка 3. воздухозаборное устройство 4. ампулы с индикаторным порошком 5. шкала 6. ремень 7. резиновая трубка |
Воздухозаборное устройство УГ-2 состоит из резинового сильфона (2) с двумя фланцами, стакана с пружиной (3), находящихся внутри корпуса (1). Во внутренних гофрах сильфона установлены распорные кольца (4) для придания жесткости сильфону и сохранения постоянства объема. На верхней плате (9) имеется неподвижная втулка (7) для направления штока (6) при сжатии сильфона (2). На штуцер (11)с внутренней стороны надета трубка резиновая (12), которая через нижний фланец соединяется с внутренней полостью сильфона. Свободный конец трубки резиновой (10) служит для присоединения индикаторной трубки при анализе. На цилиндрической поверхности штока (6) расположены четыре продольные канавки с двумя углублениями (5) для фиксации двух положений штока фиксатором (8). Расстояние между углублениями на канавках подобрано таким образом, чтобы при ходе штока от одного углубления до другого сильфон забирал заданный объем исследуемого воздуха.
В комплекты индикаторных средств УГ-2 ( рис. 3 ) входят ампулы (5) с индикаторными и поглотительными порошками, необходимыми для изготовления индикаторных трубок (ИТ) и фильтрующих патронов, и принадлежности: трубка стеклянная индикаторная (1), стержень (2), воронка (3), заглушка (5), трубка резиновая (6), ампула НС-1 (7) и штырек (8).
Индикаторные средства УГ-2
Ампулы (5) с индикаторными и поглотительными порошками, для изготовления индикаторных трубок (ИТ) и фильтрующих патронов, и принадлежностей:
| 1. трубка стеклянная индикаторная 2. стержень 3. воронка 4. ампула с индикаторным порошком 5. Заглушка 6. трубка резиновая 7. ампула УГ-2 НС-1 |
Принцип работы
УГ-2 основан на изменении окраски индикаторного порошка (ИП) в индикаторной трубке после просасывания через нее воздухозаборным устройством исследуемого воздуха.
Подготовка газоанализатора УГ-2 к работе.
Перед началом работы необходимо:
-
изготовить индикаторные трубки (ИТ);
-
-изготовить фильтрующие патроны;
-
-проверить герметичность воздухозаборного устройства УГ-2.
Бортовой измеритель мощности дозы ДП-3Б
Назначение
Предназначен для определения уровней радиации на местности, зараженной радиоактивными веществами. Его можно устанавливать на автомобилях, самолетах, вертолетах, речных катерах, тепловозах, а также в убежищах и противорадиационных укрытиях. Питание прибора осуществляется от источников постоянного тока напряжением 12 или 26В. В комплект прибора входит: измерительный пульт А, выносной блок Б, кабель питания с прямым разъемом 1, кабель с угловым разъемом 9 для соединения пульта с выносным блоком Б, крепежные скобы, техническая документация и вспомогательные принадлежности.
Подготовка Бортовой измеритель мощности дозы ДП-3Б к работе.
-
проверка комплекта,
-
внешний осмотр прибора и принадлежностей,
-
сборка прибора,
-
подключение к цепи питания проверка работоспособности.
Работоспособность прибора проверяется в положении переключателя «Вкл.» Нажатием кнопки «Проверка». При этом стрелка микроамперметра должна находиться в пределах 0,4-0,8 Р/ч, а индикаторная лампа давать частые вспышки или гореть непрерывно.
III. Защита ЧС
Радиационная и химическая защита















