4498 (567103)
Текст из файла
Министерство образования и науки Российской Федерации
ТАМБОВСКИЙ ГОСУДАРСТВЕННЫЙ ТЕХНИЧЕСКИЙ УНИВЕРСИТЕТ
Самостоятельная работа
по курсу "Охрана труда"
Тамбов 2008 г.
1. Расчет местной вытяжной вентиляции
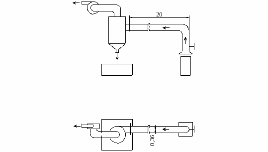
Рассчитываемая местная вытяжная вентиляционная установка предназначена для удаления запыленного воздуха от фасовочной машины и включает в себя приемник запыленного воздуха, расположенный над машиной, воздуховод, одну задвижку, два поворота на 900, очистное сооружение (циклон), вентилятор.
Исходные данные:
-
площадь сечения приемника (зонта) –
; -
дополнительные отверстия в воздуховоде отсутствуют –
; -
коэффициент запаса –
; -
объемный расход выделяющейся пыли –
; -
температура удаляемого воздуха – 20оС;
-
динамическая вязкость воздуха –
; -
длина воздуховода –
; -
скорость воздуха в воздуховоде –
; -
гидравлическое сопротивление циклона –
; -
общий к.п.д. вентиляционной установки –
; -
диаметр частицы пыли –
; -
кажущаяся плотность частицы –
.
При расчете необходимо:
-
найти мощность электродвигателя вентилятора;
-
начертить план и разрез вентиляционной установки в соответствии с требованиями ЕСКД.
Выполнение работы:
1 Вычисление критерия Архимеда
, где
d – диаметр частицы пыли, м;
p кажущаяся плотность частицы, кг/м3;
pc – плотность воздуха, кг/м3;
g – ускорение свободного падения;
μс – динамическая вязкость воздуха.
2. Вычисление критерия
3. Вычисление скорости витания частицы
4. Вычисление объемного расхода удаляемого запыленного воздуха
,
где
,
5. Вычисление диаметра воздуховода
6. Вычисление гидравлического сопротивления вентиляционной установки
,
где
– скоростной напор, Па;
– потери напора на трение, Па;
– потери напора на местные сопротивления, Па;
– потери напора в циклоне, Па.
– коэффициент трения, его значение зависит от критерия Рейнольдса:
;
7. Вычисление мощности электродвигателя вентилятора
Схема вентиляционной установки:
2. Защитное заземление электроустановок
Исходные данные:
-
напряжение электроустановки – до 1000 В;
-
мощность – P = 160 кВт;
-
удельное сопротивление грунта – = 40Омּм;
-
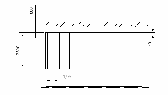
длина вертикальных электродов – l = 2,5 м;
-
диаметр электродов – d = 0,025 м;
-
ширина соединительной полосы – b = 0,04 м;
-
расстояние от поверхности земли до верха электрода – t0 = 0,8 м;
-
коэффициент сезонности для вертикальных электродов – 1,5;
-
коэффициент сезонности для горизонтального электрода – 3;
-
расстояние между вертикальными электродами – С = 2,5 м;
-
расположение вертикальных: в ряд.
При расчете необходимо:
-
определить количество вертикальных электродов;
-
разместить электроды на плане и разрезе, выполненных в соответствии с требованиями ЕСКД.
Последовательность расчета:
1 Расчет сопротивления растеканию тока одиночного вертикального заземлителя
2. Расчет минимального количества вертикальных электродов
rn – нормируемое сопротивление = 4 Ом.
,
принимаю
.
3. Определяем по справочнику коэффициент использования вертикальных электродов группового заземлителя. Принимаю 1 заземлитель, следовательно, 0,65.
4. Расчет необходимого количества вертикальных электродов при в = 0,65
,
принимаю
.
5. Расчет длины горизонтальной полосы, соединяющей вертикальные электроды
6. Расчет сопротивления растеканию тока горизонтального электрода (полосы) без учета влияния вертикальных электродов
где
,
7. По справочнику вычисляем коэффициент использования горизонтального электрода (полосы) = 0,64.
8. Расчет сопротивления заземляющего устройства
9. Сравниваем полученную величину сопротивления заземляющего устройства R с нормируемой величиной сопротивления заземления rn: 2,95 Ом < 4 Ом, т.о. расчет закончен.
Схема расположения электродов:
3. Расчет общего равномерного искусственного освещения помещения лампами накаливания, установленными в светильнике типа «Астра»
Исходные данные:
-
длина помещения – А = 7,2 м;
-
глубина помещения – В = 7,2 м;
-
высота помещения – Н = 3,7 м;
-
расстояние от потолка до центра лампы – h1 = 0,4 м;
-
расстояние от пола до освещаемой рабочей поверхности – hр = 0,8 м;
-
нормируемая освещенность – Ен = 100Лк;
-
коэффициент отражения от потолка – 70%;
-
коэффициент отражения от стен – 50%;
-
коэффициент отражения от пола – 30%
При расчете необходимо:
-
определить количество ламп накаливания;
-
разместить лампы накаливания на плане и разрезе помещения, выполненных в соответствии с ЕСКД
-
указать тип, мощность и световой поток выбранной лампы;
-
найти общую мощность осветительной установки.
Последовательность расчета:
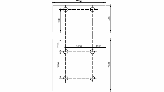
1. Вычерчиваем в масштабе эскизы планы и разреза помещения.
2. На плане и разрезе размещаем светильники. Расстояние между светильниками
,
где l=1,6 – косинусная кривая распределения света, характерная для экономически выгодного режима светильника типа «Астра»;
h – расстояние от оси лампы до рабочей освещаемой поверхности,
Расстояние от крайних светильников до стены:
3. Расчет светового потока лампы светильника
,
где Ен – нормируемая освещенность рабочей поверхности, выбираемая по СНиП в зависимости от разряда выполняемой работы;
К = 1,3 – коэффициент запаса для ламп накаливания;
S – площадь освещаемой поверхности, S = 7,2ּ7,2 = 51,84 м2;
Z = 1,15 – коэффициент минимальной освещенности для ламп накаливания;
N – количество ламп, N = 4;
ή– коэффициент использования светового потока, который находят, предварительно вычислив индекс помещения:
, =>
.
4. Используя вычисленный световой поток, выбираем тип лампы, ее мощность, световой поток Fл таб и проверяем его отклонение от рассчитанного Fл. Отклонение должно составлять –10 +20%.
Р = 200Вт, тип Б, Fл = 2900Лм.
Так как отклонение выше допустимого, повторяем расчет, изменив высоту подвеса светильника.
, =>
.
5. Расчет мощности осветительной установки:
.
Схема расположения светильников
Характеристики
Тип файла документ
Документы такого типа открываются такими программами, как Microsoft Office Word на компьютерах Windows, Apple Pages на компьютерах Mac, Open Office - бесплатная альтернатива на различных платформах, в том числе Linux. Наиболее простым и современным решением будут Google документы, так как открываются онлайн без скачивания прямо в браузере на любой платформе. Существуют российские качественные аналоги, например от Яндекса.
Будьте внимательны на мобильных устройствах, так как там используются упрощённый функционал даже в официальном приложении от Microsoft, поэтому для просмотра скачивайте PDF-версию. А если нужно редактировать файл, то используйте оригинальный файл.
Файлы такого типа обычно разбиты на страницы, а текст может быть форматированным (жирный, курсив, выбор шрифта, таблицы и т.п.), а также в него можно добавлять изображения. Формат идеально подходит для рефератов, докладов и РПЗ курсовых проектов, которые необходимо распечатать. Кстати перед печатью также сохраняйте файл в PDF, так как принтер может начудить со шрифтами.
;
;
;
;
;
;
;
;
;
;
.















