151402 (566926)
Текст из файла
Лабораторная работа 4
Тема: "Неразветвлённая электрическая цепь с одним переменным сопротивлением"
Цель: Исследовать изменение токов, напряжений, мощность, КПД в неразветвлённой цепи при изменении одного из двух сопротивлений. Ознакомиться с режимами работы эл. цепи: холостым ходом и коротким замыканием.
Порядок выполнения работы.
1. Собрать схему.
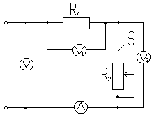
Рисунок 1. – Неразветвлённая эл. цепь с одним параллельным сопротивлением.
Таблица 1. – Приборы и оборудование
| Наименование | Количество | Техническая характеристика |
| Источник питания | 1 | 12 В |
| Резистор | 1 | Ом |
| Резистор с переменным сопротивлением | 1 | Ом |
| Миллиамперметр | 1 | 300 mА |
| Вольтметр | 3 | 30 В |
Таблица 2. – Результаты исследования цепи
| Из опыта | Из расчёта | ||||||||||
| U (B) | U1 (B) | U2 (B) | I (A) | R1 (Ом) | R2 (Ом) | Rэкв (Ом) | P1 (Вт) | P2 (Вт) | Pист. (Вт) | КПД | Режимы работы |
| 12 | 3 | 9 | 3 | 1 | 3 | 4,1 | 9 | 27 | 34,8 | 0,75 | |
| 12 | 2,4 | 9,6 | 2,4 | 1 | 4 | 5,1 | 5,76 | 23 | 28,8 | 0,79 | |
| 12 | 2 | 10 | 2 | 1 | 5 | 6,1 | 4 | 20 | 24 | 0,83 | |
| 12 | 1,7 | 10,3 | 1,7 | 1 | 6 | 7,1 | 2,9 | 17,4 | 20,4 | 0,85 | |
R0=0,01 Ом;
Контрольные вопросы
-
Схема замещения составляется для облегчения расчёта эл. цепи, т.е. схема, отображающая свойства цепи при определённых условиях.
-
Сила тока прямо пропорциональна ЭДС и обратно пропорциональна сумме сопротивлений двух резисторов, и обозначается:
I = E /R1+R2+R0; I = E /R1+R2.
3. Номинальный режим.
Рабочий режим – это режим, при котором характеристики могут отклоняться.
Режим холостого хода – R, I0, U=E.
Режим короткого замыкания – R0, I=E/R+R0.
-
Если сила тока увеличится, то U1-увеличивается, U2-уменьшается.
-
При увеличении R2 – увеличивается на нём падение напряжения U2, U=U1+U2 U1=U-U2, т.е. U1-уменьшается.
-
Если R2 – уменьшается, то I – увеличивается.
-
При увеличении I – увеличивается P и P1.
-
При увеличении I – уменьшается P2.
-
При уменьшении R2 – уменьшается КПД.
Характеристики
Тип файла документ
Документы такого типа открываются такими программами, как Microsoft Office Word на компьютерах Windows, Apple Pages на компьютерах Mac, Open Office - бесплатная альтернатива на различных платформах, в том числе Linux. Наиболее простым и современным решением будут Google документы, так как открываются онлайн без скачивания прямо в браузере на любой платформе. Существуют российские качественные аналоги, например от Яндекса.
Будьте внимательны на мобильных устройствах, так как там используются упрощённый функционал даже в официальном приложении от Microsoft, поэтому для просмотра скачивайте PDF-версию. А если нужно редактировать файл, то используйте оригинальный файл.
Файлы такого типа обычно разбиты на страницы, а текст может быть форматированным (жирный, курсив, выбор шрифта, таблицы и т.п.), а также в него можно добавлять изображения. Формат идеально подходит для рефератов, докладов и РПЗ курсовых проектов, которые необходимо распечатать. Кстати перед печатью также сохраняйте файл в PDF, так как принтер может начудить со шрифтами.















