151034 (566907)
Текст из файла
ТРЁХФАЗНАЯ ЦЕПЬ ПРИ СОЕДИНЕНИИ ЭЛЕКТРОПРИЁМНИКОВ ТРЕУГОЛЬНИКОМ
Цель работы:1) Выявить особенности трёхфазных систем при соединении фаз треугольником.
2) По опытным данным построить векторные диаграммы при симметричной и несимметричной нагрузке фаз.
Ход работы:
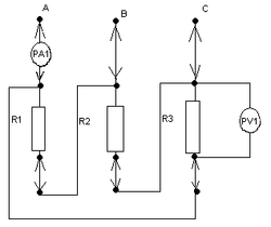
1. Собрали схему в треугольник с симметричной нагрузкой во всех трёх фазах.
РА1 - комбинированный прибор 43101
РV1 - комбинированный прибор Ц4342
R1 - резистор 680 Ом(470 Ом)
R2 - резистор 680 Ом(680 Ом)
R3 - резистор 680 Ом(1кОм)
2. Подключил схему к элементам трёхфазного генератора
3. Измерили линейные и фазные токи и напряжения IA,IB,IC -линейные токи
Iл=
IФ;
IAB,IBC,ICA -фазные токи; UA=(UAB); UB=(UBC); UC=(UCA) (UФ=Uл) - фазные и линейные напряжения
4. Проверил соотношения между линейными и фазными напряжениями, между линейными и фазными токами.
5. Рассчитал активную мощность трёхфазного приёмника
P=3UФIФ=
UлIл
(cos
т.к.
=0 для активной нагрузке в фазах)
6 Данные расчётов и измерений свёл в таблицу
7. Изменил нагрузку в фазах так, что во всех трёх фазах стала разная нагрузка (несимметричная)
8. Измерил линейные и фазные токи и напряжения: IA,IB,IC-линейные токи при несимметричной нагрузке; IAB,IBC,ICA-фазные токи; UA, UB,UC-фазные напряжения; UAB; UBC;UCA-линейные напряжения
9 Проверил соотношения между линейными и фазными напряжениями и токами
10 Рассчитал активную мощность трёхфазного приёмника при несимметричной нагрузке
P=PA+PB+PC
PA=UA IA (cos
т.к. активная нагрузка)
PB=UB IB (cos
)
PC=UC IC (
т.к.cos
)
РА=8,3 ·26,6=220,8 (Вт)
РВ=8,3 ·18,3=151,9 (Вт)
РС=8,3 ·23,5=195,1 (Вт)
Р=220,8+151,9+195,1=567,75 (Вт)
11 Данные расчётов и измерений свёл в таблицу
| При симметричной нагрузке | |||||||||
| IA | IB | IC | IAB | IBC | ICA | UA | UB | UC | P |
| 21,6 | 21,6 | 4,6 | 12,5 | 12,5 | 12,5 | 8,5 | 8,5 | 8,5 | 318,75 |
12. Построил векторные диаграммы при симметричной и несимметричной нагрузки по опытным данным
| При несимметричной нагрузке | ||||||||||||
| IA | IB | IC | IAB | IBC | ICA | UA | UB | UC | РА | PB | PC | P |
| 26,6 | 18,3 | 23,5 | 12,5 | 8,3 | 18,1 | 8,3 | 8,3 | 8,3 | 220,8 | 151,9 | 195,1 | 567,75 |
Вывод: Выявил особенности трёхфазных систем при соединении фаз треугольником. По опытным данным построил векторные диаграммы при симметричной и несимметричной нагрузке фаз.
Характеристики
Тип файла документ
Документы такого типа открываются такими программами, как Microsoft Office Word на компьютерах Windows, Apple Pages на компьютерах Mac, Open Office - бесплатная альтернатива на различных платформах, в том числе Linux. Наиболее простым и современным решением будут Google документы, так как открываются онлайн без скачивания прямо в браузере на любой платформе. Существуют российские качественные аналоги, например от Яндекса.
Будьте внимательны на мобильных устройствах, так как там используются упрощённый функционал даже в официальном приложении от Microsoft, поэтому для просмотра скачивайте PDF-версию. А если нужно редактировать файл, то используйте оригинальный файл.
Файлы такого типа обычно разбиты на страницы, а текст может быть форматированным (жирный, курсив, выбор шрифта, таблицы и т.п.), а также в него можно добавлять изображения. Формат идеально подходит для рефератов, докладов и РПЗ курсовых проектов, которые необходимо распечатать. Кстати перед печатью также сохраняйте файл в PDF, так как принтер может начудить со шрифтами.
















