150393 (566867)
Текст из файла
ФЕДЕРАЛЬНОЕ АГЕНСТВО ПО ОБРАЗОВАНИЮ
ГОУ ВПО «УФИМСКИЙ ГОСУДАРCТВЕННЫЙ АВИАЦИОННЫЙ
ТЕХНИЧЕСКИЙ УНИВЕРСИТЕТ»
Кафедра естественно-научных и общепрофессиональных дисциплин
| Подпись | Дата | |
| Эксперимент выполнен | ||
| Работа оформлена | ||
| Работа защищена |
Отчет по лабораторной работе № 8
«Исследование трехфазной электрической цепи при соединении нагрузки звездой»
УФА 2008
Лабораторно-практическое занятие № 8
ИССЛЕДОВАНИЕ ТРЕХФАЗНОЙ ЭЛЕКТРИЧЕСКОЙ ЦЕПИ ПРИ СОЕДИНЕНИИ НАГРУЗКИ ЗВЕЗДОЙ
Цель занятия
Исследование трехфазной электрической цепи при различных режимах работы приемников, соединенных звездой.
Краткие теоретические сведения
Под трехфазной системой понимается совокупность электрических цепей, в которых действуют синусоидальные ЭДС (напряжения) одной и той же частоты, сдвинутые относительно друг друга по фазе на угол 2π/3 (120°), создаваемые общим источником электрической энергии.
Передача электрической энергии от источника к потребителю в трехфазной трехпроводной системе осуществляется с помощью линейных приводов. В четырехпроводной системе имеется четвертый - нейтральный (Nn) привод, соединяющий общие точки фаз источника и потребителя.
Соединение, при котором концы всех трех фаз потребителя объединяются в общую точку, называемую нейтральной или нулевой, а начала фаз присоединяются к трехфазному источнику питания посредством линейных проводов, называются соединением звездой трехфазного потребителя.
На практике применяются две схемы соединения звездой трехфазного потребителя:
1- звезда с нейтральным (нулевым) проводом (рисунок 8.1);
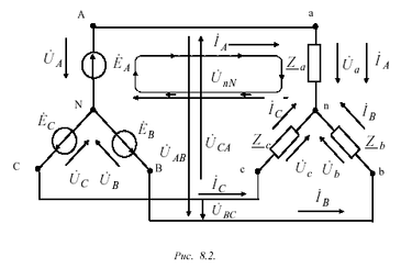
2- звезда без нейтрального (нулевого) провода (рисунок 8.2).
Токи IA, IB, IC в соответствующих линейных проводах называются линейными, токи, протекающие по фазам, фазным, а ток InN в нейтральном проводе называется нейтральным. Напряжения между линейными проводами потребителя UAB, UBC, UCA называются линейными, а между началом и концом фаз потребителя Ua,Ub, Uc - фазными.
При соединении потребителя звездой фазные токи Iф равны соответствующим линейным : Iф = Iл . Между линейными и фазными напряжениями потребителя существуют следующие соотношения, полученные по второму закону Кирхгофа:
Нагрузка, при которой комплексные сопротивления всех фаз потребителя равны между собой, н
азывается симметричной.
При симметричной нагрузке между фазными Uф и линейными напряжениями существует соотношение
Фазный ток потребителя определяется по закону Ома:
При симметричной нагрузке:
При этом векторная диаграмма имеет вид ,представленный на рисунке 8.3.
При симметричной нагрузке и наличии нейтрального провода:
При этом векторная диаграмма для несимметричной активной нагрузки с нейтральным проводом имеет вид, представленный на рисунке 8.4
При отключении нейтрального провода потенциал нейтральной точки потребителя электрической энергии, работающего в режиме несимметричной нагрузки, не равен потенциалу нейтральной точки N генератора . При этом нейтральная точка n на векторной диаграмме потребителя сместится из своего первоначального положения в другое (n´), при котором геометрическая сумма фазных токов потребителя равна нулю
В этом случае векторная диаграмма для несимметричной активной нагрузки примет вид, представленный на рисунке 8.5. Комплексные значения напряжений фаз приемника для несимметричной нагрузки и при отключенном нейтральном проводе можно определить, воспользовавшись вторым законом Кирхгофа для соответствующих контуров на рисунке 8.2 приведен контур для определения Ua:
где
- напряжение между нейтральными точками (смещение нейтрале)
Экспериментальная часть
1. Описание установки
Экспериментальные исследования проводятся на универсальном лабораторном стенде.
При сборке схемы используется следующее оборудование:
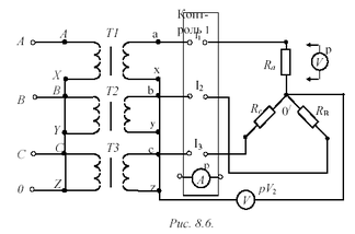
-три однофазных трансформатора Т1, Т2, Т3, соединенных в звезду и питающиеся от трехфазной сети (f=50 Гц, UЛ=220 В);
-три регулируемых резистора с сопротивлением 220 Ом;
-блок “контроль ” для измерения фазных (линейных ) токов;
-электроизмерительные приборы:
а)рА1 - амперметр с пределом измерения 0,5 А, включается в блок “контроля 1”;
б) рА2 - амперметр с пределом измерения 0,5 А, включается в блок “контроля 2”;
в)рV1- вольтметр с пределом измерения 75-150 В для измерения фазных и линейных напряжений.
Схема эксперимента:
2. Рабочее задание
| Название прибора | Система прибора | Условное обозначение | Класс точности | Предел измерений |
| Амперметр | Магнитоэлектрическая |
| 1,5 | 1 В |
| Амперметр | Магнитоэлектрическая |
| 1,5 | 1 В |
| Вольтметр | Электромагнитная |
| 1,5 | 7,5 В |
| Вольтметр | Электромагнитная |
| 1,5 | 15 В |
2.1 Собрать электрическую цепь по схеме, представленной на рисунке 8.6 для исследования трехфазной системы без нейтрального провода при активной нагрузке.
2.2 Исследовать трехпроводную трехфазную сеть при различных режимах работы. Данные опытов занести в таблицу 1. Построить векторные диаграммы для всех режимов.
Таблица 1
| Исследуемые режимы | Измеряемые величины | ||||||
| UA, B | UB, B | UC, B | UN, B | IA, A | IB, A | IC, A | |
| Симметричная активная нагрузка | 140 | 140 | 140 | 0 | 0,33 | 0,33 | 0,33 |
| Разрыв в фазе | 212 | 120 | 120 | 68 | 0 | 0,31 | 0,31 |
| Несимметричная активная нагрузка | 157 | 130 | 130 | 16 | 0,26 | 0,33 | 0,33 |
| Короткое замыкание в фазе | 0 | 242 | 242 | 135 | 0,78 | 0 | 0,46 |
2.3 Собрать электрическую цепь по схеме, представленной на рисунке 8.7, для исследования трехфазной системы с нейтральным проводом (трехфазная четырехпроводная сеть).
2.4 Исследовать четырехпроводную трехфазную сеть при различных режимах работы. Данные опытов занести в таблицу 2, в которой указан характер нагрузки.
Построить векторные диаграммы для всех режимов.
Таблица 2.
| Исследуемые режимы | Измеряемые величины | |||||||
| IA, A | IB, A | IC, A | IN, A | UA, B | UB, B | UC, B | UN, В | |
| Симметричная активная нагрузка | 0,33 | 0,33 | 0,33 | 0 | 140 | 140 | 140 | - |
| Разрыв в фазе | 0 | 0,33 | 0,33 | 0,33 | 140 | 140 | 140 | - |
| Несимметричная активная нагрузка | 0,26 | 0,33 | 0,33 | 0 | 140 | 140 | 140 | - |
| Обрыв нейтрального провода | 0,26 | 0,33 | 0,33 | 0 | 157 | 130 | 130 | 16 |
Примечание - измерение всех напряжений осуществляется одним настольным вольтметром с пределом измерения 75 В.
2.5 Сделать выводы по работе.
1 см. = 40 В;
1 см. = 0,2 А
1) Симметричная активная нагрузка3-х проводной линии;
2) Разрыв в фазе в 3-х проводной линии;
3)Несимметричная активная нагрузка 3-х проводной линии
4) Короткое замыкание в фазе А в 3-х проводной линии
5)Симметричная активная нагрузка4-х проводной линии;
6) Разрыв в фазе в 4-х проводной линии;
7) Несимметричная активная нагрузка4-х проводной линии;
8) Обрыв нейтрального провода в 4-х проводной линии
Характеристики
Тип файла документ
Документы такого типа открываются такими программами, как Microsoft Office Word на компьютерах Windows, Apple Pages на компьютерах Mac, Open Office - бесплатная альтернатива на различных платформах, в том числе Linux. Наиболее простым и современным решением будут Google документы, так как открываются онлайн без скачивания прямо в браузере на любой платформе. Существуют российские качественные аналоги, например от Яндекса.
Будьте внимательны на мобильных устройствах, так как там используются упрощённый функционал даже в официальном приложении от Microsoft, поэтому для просмотра скачивайте PDF-версию. А если нужно редактировать файл, то используйте оригинальный файл.
Файлы такого типа обычно разбиты на страницы, а текст может быть форматированным (жирный, курсив, выбор шрифта, таблицы и т.п.), а также в него можно добавлять изображения. Формат идеально подходит для рефератов, докладов и РПЗ курсовых проектов, которые необходимо распечатать. Кстати перед печатью также сохраняйте файл в PDF, так как принтер может начудить со шрифтами.















