147884 (566808)
Текст из файла
Лабораторная работа № I.
ИЗУЧЕНИЕ МЕТОДОВ И СХЕМ ИСПЫТАНИЙ ТЯГОВЫХ ЭЛЕКТРИЧЕСКИХ МАШИН
Цель работы:
Изучить и сравнить между собой различные методы и схемы испытаний ТЭМ, получить практические навыки управления испытательными стендами, ознакомиться с принципами их анализа и расчета.
Объем работы:
-
Изучить виды и программы испытаний ТЭМ.
-
Усвоить принципы построения схем испытаний методами непосредственного и взаимного нагружения, методику их пуска и регулирования.
-
На основе экспериментальных данных произвести сравнительную оценку расхода электроэнергии сети при испытаниях ТЭМ по методу непосредственного и взаимного нагружения.
-
Выполнить теоретический расчет параметров ВДМ и ЛГ для испытательной станции по заданным параметрам испытуемого двигателя.
Порядок работы:
-
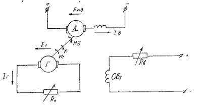
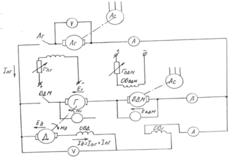
Исходя из наличия двух идентичных по конструкции машин и двух управляемых источников питания, разработать электрические схемы испытаний ТЭМ по методу непосредственного и взаимного нагружения с указанием приборов, необходимых для регистрации расхода мощности сети и полезной мощности испытуемого двигателя.
-
Собрать схему для испытаний ТЭД методом непосредственного нагружения, произвести пуск на заданном преподавателем напряжении и осуществить пробное регулирование режимов работы двигателя, удостоверившись в правильности работы схемы.
-
Изменяя нагрузочный момент на валу испытуемого двигателя, снять зависимость расходуемой электрической мощности сети от мощности, реализуемой двигателем, в пределах шкал используемых приборов.
-
Собрать схему испытаний ТЭМ по методу взаимного нагружения, произвести пробный пуск на заданном напряжении и пробное регулирование режимов работы двигателя, удостоверившись в правильности работы схемы.
-
Изменяя нагрузочный момент на валу испытуемого двигателя, получить зависимость расходуемой электрической мощности сети от мощности, реализуемой двигателем, в том же диапазоне нагружений, что и по методу непосредственного нагружения.
Рисунок №1 Схема испытаний методом непосредственного нагружения.
Рисунок №2. Принципиальная электрическая схема испытаний методом взаимного нагружения.
Таблица №1
Результаты испытаний методом непосредственного нагружения.
| Uд, В | Iд, А | Uг, В | Iг, А | Uов, В | Iов, А | n, об/мин. |
| 100 | 2,9 | 46 | 2,5 | 5 | 3 | 25 |
| 100 | 5,8 | 70 | 4,2 | 10 | 7,5 | 15 |
| 100 | 7,2 | 85 | 4,6 | 20 | 15 | 12 |
| 100 | 7,9 | 75 | 5,5 | 20 | 15 | 10 |
| 100 | 8,8 | 63 | 6,7 | 20 | 15 | 10 |
| 100 | 10 | 59 | 8,1 | 20 | 15 | 9 |
Таблица №2 Результаты испытаний методом взаимного нагружения.
| Uд, В | Iд, А | Uвдм, В | Iвдм, А | Uлг, В | Iлг, А | n, об/мин. |
| 100 | 2,4 | 20 | 1 | 105 | 1,5 | 27 |
| 100 | 4,5 | 30 | 3 | 109 | 1,2 | 16 |
| 100 | 6 | 37 | 5 | 111 | 1,1 | 14 |
| 100 | 8,4 | 50 | 7 | 114 | 1,1 | 10 |
| 100 | 10 | 60 | 9 | 119 | 1,1 | 8 |
Па основе экспериментальных данных произведём сравнительную оценку расхода электроэнергии при испытании ТЭМ методом непосредственного и взаимного нагружения.
Метод взаимного нагружения.
Метод непосредственного нагружения.
Таблица №3
Расчетные данные для построения графика зависимости Рсети и Рдв.
| Метод непосредственного нагружения | Р1сети | 305 | 655 | 1020 | 1090 | 1180 | 1300 |
| Р1дв | 202,5 | 437 | 555,5 | 601,25 | 651,05 | 738,95 | |
| Метод взаимного нагружения | Р2сети | 177,5 | 220,8 | 307,1 | 475,4 | 670,9 | - |
| Р2дв | 158,25 | 355,35 | 481,3 | 653,6 | 762,55 | - |
% экономии электроэнергии равен (Р1сети-Р2сети)/Р1сети*100%
1 – кривая зависимости Рсети от Рдв при непосредственном нагружении.
2 – кривая при взаимном нагружении.
3 – процентная кривая экономии сети.
Вывод: При испытании методом взаимного нагружения экономия электроэнергии может составлять до 8%, в нашем случае может составлять до 60% т. к. это зависит и от мощности машины.
Лабораторная работа№2
Снятие электромеханических и регулировочных характеристик тягового электродвигателя
Цель работы: Изучить методику экспериментального измерения и теоретического расчета электромеханических характеристик тягового электродвигателя.
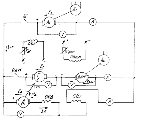
Схема для снятия электромеханических и регулировочных характеристик тягового электродвигателя собрана по методу взаимного нагружения и изображена на рисунке №1
Рисунок №1 - схема для снятия электромеханических и регулировочных характеристик тягового электродвигателя.
Результаты экспериментальных замеров и теоретического расчета запишем в таблицу №1.
Таблица №1
Результаты экспериментальных замеров и теоретического расчета.
| Режим возбуждения | Uд, В | Iа, А | Na, об/мин | Uвдм, В | Iвдм, А | Uлг,В | Iлг, А |
| Мв, кгм |
| ПВ | 90 | 10 | 350 | 5 | 7 | 90 | 6 | 0,681 | 1,672 |
| 90 | 30 | 320 | 15 | 24 | 90 | 6,2 | 0,830 | 6,691 | |
| 90 | 60 | 300 | 21 | 55 | 90 | 8 | 0,826 | 14,212 | |
| 90 | 80 | 280 | 25 | 75 | 90 | 11,2 | 0,800 | 19,649 | |
| 90 | 120 | 180 | 30 | 103 | 90 | 16,5 | 0,788 | 45,183 | |
| ПВ | 120 | 10 | 480 | 5 | 2,5 | 120 | 6,5 | 0,670 | 1,600 |
| 120 | 30 | 435 | 12 | 25 | 120 | 7 | 0,842 | 6,655 | |
| 120 | 70 | 400 | 22 | 64 | 120 | 11,2 | 0,836 | 16,777 | |
| 120 | 90 | 340 | 25 | 76 | 120 | 12,5 | 0,843 | 25,571 | |
| 120 | 120 | 300 | 28 | 100 | 120 | 17,8 | 0,829 | 38,000 | |
| ОВ | 120 | 10 | 525 | 5 | 2 | 120 | 7 | 0,646 | 1,410 |
| 120 | 30 | 495 | 12 | 22 | 120 | 7,3 | 0,842 | 5,848 | |
| 120 | 70 | 430 | 20 | 60 | 120 | 11,5 | 0,846 | 15,798 | |
| 120 | 90 | 370 | 22 | 78 | 120 | 15,5 | 0,834 | 23,271 | |
| 120 | 120 | 310 | 25 | 90 | 120 | 19,5 | 0,841 | 37,307 |
КПД двигателя можно рассчитать по формуле
Характеристики
Тип файла документ
Документы такого типа открываются такими программами, как Microsoft Office Word на компьютерах Windows, Apple Pages на компьютерах Mac, Open Office - бесплатная альтернатива на различных платформах, в том числе Linux. Наиболее простым и современным решением будут Google документы, так как открываются онлайн без скачивания прямо в браузере на любой платформе. Существуют российские качественные аналоги, например от Яндекса.
Будьте внимательны на мобильных устройствах, так как там используются упрощённый функционал даже в официальном приложении от Microsoft, поэтому для просмотра скачивайте PDF-версию. А если нужно редактировать файл, то используйте оригинальный файл.
Файлы такого типа обычно разбиты на страницы, а текст может быть форматированным (жирный, курсив, выбор шрифта, таблицы и т.п.), а также в него можно добавлять изображения. Формат идеально подходит для рефератов, докладов и РПЗ курсовых проектов, которые необходимо распечатать. Кстати перед печатью также сохраняйте файл в PDF, так как принтер может начудить со шрифтами.
















